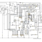
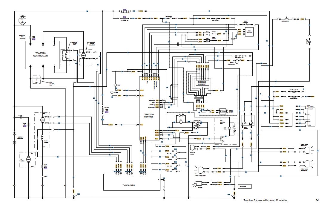
Mitsubishi FBC18K FBC25KE Schematic
Size: 2.24 MB
Machine: Forklift
Machine Model: FBC18K FBC25KE
Content:
TRACTION BYPASS WITH PUMP CONTACTOR 1
PUMP CONTACTOR 2
TRACTION BYPASS WITH PUMP CONTACTOR 3
TRACTION BYPASS WITH PUMP CONTROL 4
PUMP CONTROL 5
TRACTION MOTOR CONTROLLER WITH PUMP MOTOR CONTROLLER AND BYPASS 6


