Mitsubishi FBC18LN FBC18N Schematic Operation & Maintenance Service Manual
Size: 71.8 MB
Language: English, French
Machine: Forklift
Document: Schematic Operation & Maintenance Service Manual
Machine Model: FBC18LN FBC18N
Publication Date: 2011
Serial Number:
FBC18N A4BC1-20200-up
FBC18LN A4BC1-30200-up
Part Number:
99750-7C121
99759-7B110
99759-7B200
99759-7C110
99759-7C200
Content:
99759-7B110-00 Chassis and Mast: Foreword
99759-7B110-01 Chassis and Mast: General Information
99759-7B110-02 Chassis and Mast: Front Axle and Reduction Differential
99759-7B110-03 Chassis and Mast: Transfer Assembly
99759-7B110-04 Chassis and Mast: Rear Axle
99759-7B110-05 Chassis and Mast: Brake System
99759-7B110-06 Chassis and Mast: Steering System
99759-7B110-07 Chassis and Mast: Hydraulic System
99759-7B110-08 Chassis and Mast: Mast and Forks
99759-7B110-09 Chassis and Mast: Troubleshooting
99759-7B110-10 Chassis and Mast: Maintenance Service Data
99759-7B200-00 Frame, mast & options: PREFACE
99759-7B200-01 Frame, mast & options: GENERAL INFORMATION
99759-7B200-02 Frame, mast & options: FRONT AXLE AND DIFFERENTIAL
99759-7B200-03 Frame, mast & options: TRANSFER
99759-7B200-04 Frame, mast & options: REAR AXLE
99759-7B200-05 Frame, mast & options: BRAKING SYSTEM
99759-7B200-06 Frame, mast & options: STEERING CIRCUIT
99759-7B200-07 Frame, mast & options: HYDRAULIC CIRCUIT
99759-7B200-08 Frame, mast & options: MAST AND FORK
99759-7B200-09 Frame, mast & options: TROUBLESHOOTING
99759-7B200-10 Frame, mast & options: TECHNICAL DATA
99759-7C110-00 Controller: Foreword
99759-7C110-01 Controller: Controller
99759-7C110-02 Controller: Troubleshooting for Control Circuits
99759-7C110-02a Controller: Troubleshooting for Control Circuits Schematics
99759-7C110-03 Controller: Motors
99759-7C200-00 Controller: PREFACE
99759-7C200-01 Controller: CONTROLLER
99759-7C200-02 Controller: CONTROL CIRCUIT TROUBLESHOOTING
99759-7C200-02a Controller: CIRCUIT PLANS
99759-7C200-03 Controller: MOTORS
99750-7C121-00 Foreword
99750-7C121-01 Safety Rules for Lift Truck Operators
99750-7C121-02 Know Your Forklift Truck
99750-7C121-03 How to Avoid a Tipover; How to Survive One
99750-7C121-04 Operation
99750-7C121-05 Operating Techniques
99750-7C121-06 Storing the Forklift Truck
99750-7C121-07 Transportation Hints
99750-7C121-08 Special Situations
99750-7C121-09 Maintenance
99750-7C121-10 Service Data
99750-7C121-11 To the Mitsubishi Forklift Truck Owner
Mast Tilting Angles Mast Tilting Angles
Mitsubishi Pub List Publication List (Service, Operator, & Parts Manuals)
REF-18-0001M How To Determine Correct Mast Rails Lift Cylinders And Mast Hosing
REF-18-0002M How To Locate Fluid Capacities
REF-18-0002M How To Locate Fluid Capacities (Spanish)
REF-18-0003M How To Use A Pick List
REF-18-0003M How To Use A Pick List (Spanish)
REF-18-0004M How To Request Pricing (Spanish)
REF-18-0007M Abbreviation And Acronyms List
REF-18-0008M Diagnostic Trouble (Error) Codes
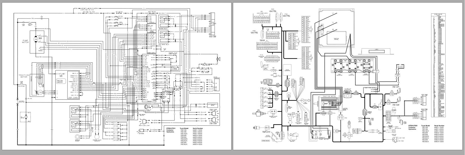
Schematic
36/48V POWER SUPPLY 1
36/48V POWER SUPPLY FOR POWER HOOK UP OPTION 2
36/48V POWER SUPPLY 3
36/48V POWER SUPPLY FOR POWER HOOK UP OPTION 4
DISPLAY 5
NEGATIVE CIRCUIT 6
LAMP 7
LAMP 8
HORN 9
WARNING BUZZER 10
SPARE POWER SUPPLY 11
CLAMP LOCK OUT OPTION 12
MOTOR CONTROL 13
TRACTION CONTROLLER 14
PUMP CONTROLLER 15
CAN CIRCUIT 16
CONNECTOR 17
CONNECTOR 18
CONNECTOR 19
CONNECTOR 20
CONNECTOR 21
CONNECTOR 22



