Mitsubishi FBC20K Operation & Maintenance Manual
Size: 5.57 MB
Machine: Forklift
Document: Operation & Maintenance Manual
Machine Model: FBC20K
Publication Date: 2016
Serial Number:
A3BC2-10200-up
A3BC2-20200-up
A3BC2-30200-up
A3BC2-40200-up
Part Number: 99750-73120
Content:
99750-73120-00 Foreword
99750-73120-01 Safety Rules For Forklift Truck Operators
99750-73120-02 Know Your Forklift Truck
99750-73120-03 How To Avoid A Tipover/How To Survive One
99750-73120-04 Operation
99750-73120-05 Operating Techniques
99750-73120-06 Storing The Forklift Truck
99750-73120-07 Transportation Hints
99750-73120-08 Special Situations
99750-73120-09 Maintenance
99750-73120-10 Service Data
99750-73120-11 To The Mitsubishi Forklift Truck Owner
99750-73120-12 Index
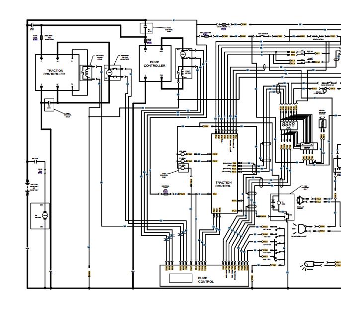
Schematic
MAIN HARNESS, WITH TRANSISTOR HYDRAULICS



