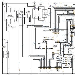
Mitsubishi FBC25K FBC30K FBC30KL Schematic
Size: 379 KB
Machine: Forklift
Machine Model: FBC25K FBC30K FBC30KL
Part Number: 97E22-13500
Content: MAIN HARNESS, WITH TRANSISTOR HYDRAULICS Schematic
Mitsubishi FBC25K FBC30K FBC30KL Schematic
Size: 379 KB
Machine: Forklift
Machine Model: FBC25K FBC30K FBC30KL
Part Number: 97E22-13500
Content: MAIN HARNESS, WITH TRANSISTOR HYDRAULICS Schematic

