Mitsubishi FBC25N FBC30N Schematic Operation & Maintenance Service Manual
Size: 69.1 MB
Machine: Forklift
Document: Schematic Operation & Maintenance Service Manual
Machine Model: FBC25N FBC30N
Publication Date: 2011
Serial Number:
FBC25N A4BC2-20200-up
FBC30N A4BC3-40200-up
Part Number:
99759-7B110
99759-7B200
99759-7C110
99750-7C121
Content:
99759-7B110-00 Chassis and Mast: Foreword
99759-7B110-01 Chassis and Mast: General Information
99759-7B110-02 Chassis and Mast: Front Axle and Reduction Differential
99759-7B110-03 Chassis and Mast: Transfer Assembly
99759-7B110-04 Chassis and Mast: Rear Axle
99759-7B110-05 Chassis and Mast: Brake System
99759-7B110-06 Chassis and Mast: Steering System
99759-7B110-07 Chassis and Mast: Hydraulic System
99759-7B110-08 Chassis and Mast: Mast and Forks
99759-7B110-09 Chassis and Mast: Troubleshooting
99759-7B110-10 Chassis and Mast: Maintenance Service Data
99759-7B200-00 Frame, mast & options: PREFACE
99759-7B200-01 Frame, mast & options: GENERAL INFORMATION
99759-7B200-02 Frame, mast & options: FRONT AXLE AND DIFFERENTIAL
99759-7B200-03 Frame, mast & options: TRANSFER
99759-7B200-04 Frame, mast & options: REAR AXLE
99759-7B200-05 Frame, mast & options: BRAKING SYSTEM
99759-7B200-06 Frame, mast & options: STEERING CIRCUIT
99759-7B200-07 Frame, mast & options: HYDRAULIC CIRCUIT
99759-7B200-08 Frame, mast & options: MAST AND FORK
99759-7B200-09 Frame, mast & options: TROUBLESHOOTING
99759-7B200-10 Frame, mast & options: TECHNICAL DATA
99759-7C110-00 Controller: Foreword
99759-7C110-01 Controller: Controller
99759-7C110-02 Controller: Troubleshooting for Control Circuits
99759-7C110-02a Controller: Troubleshooting for Control Circuits Schematics
99759-7C110-03 Controller: Motors
99759-7C200-00 Controller: PREFACE
99759-7C200-01 Controller: CONTROLLER
99759-7C200-02 Controller: CONTROL CIRCUIT TROUBLESHOOTING
99759-7C200-02a Controller: CIRCUIT PLANS
99759-7C200-03 Controller: MOTORS
99750-7C121-00 Foreword
99750-7C121-01 Safety Rules for Lift Truck Operators
99750-7C121-02 Know Your Forklift Truck
99750-7C121-03 How to Avoid a Tipover; How to Survive One
99750-7C121-04 Operation
99750-7C121-05 Operating Techniques
99750-7C121-06 Storing the Forklift Truck
99750-7C121-07 Transportation Hints
99750-7C121-08 Special Situations
99750-7C121-09 Maintenance
99750-7C121-10 Service Data
99750-7C121-11 To the Mitsubishi Forklift Truck Owner
Mast Tilting Angles Mast Tilting Angles
Mitsubishi Pub List Publication List (Service, Operator, & Parts Manuals)
REF-18-0001M How To Determine Correct Mast Rails Lift Cylinders And Mast Hosing
REF-18-0002M How To Locate Fluid Capacities
REF-18-0002M How To Locate Fluid Capacities (Spanish)
REF-18-0003M How To Use A Pick List
REF-18-0003M How To Use A Pick List (Spanish)
REF-18-0004M How To Request Pricing (Spanish)
REF-18-0007M Abbreviation And Acronyms List
REF-18-0008M Diagnostic Trouble (Error) Codes
Schemaitic
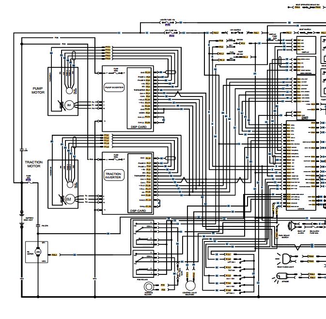
MAIN HARNESS, WITH TRANSISTOR HYDRAULICS Schematic



