0Your Cart$0.00
Shopping Cart (0)
No products in the cart.

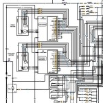
Mitsubishi FBC30LN Schematic

$10.00$10.00
In stock
SKU:
Categories:Manual PDF
Shipping By Link Download
Shipping By Link Download
Secure Private Information
Secure Private Information
Guarantee Secure Payment
Guarantee Secure Payment

Support Contact:

Admin@autoepcsoft.org

Mitsubishi FBC30LN Schematic
Size: 485 KB
Machine: Forklift
Machine Model: FBC30LN 
Part Number: 97E22-17700

Related products