Mitsubishi FBC35N FBC40N FBC45N Schematic Service Manual
Size: 19.3 MB
Machine: Forklift
Machine Model: FBC35N FBC40N FBC45N
Publication Date: 2010
Serial Number: A2BC4-60200-up
Part Number:
WENB8472-01
WENB8473-02
WEBU8472-02
Content:
WENB8472-01-00 Service Manual: Chassis and Mast: Foreword
WENB8472-01-01 Service Manual: Chassis and Mast: General Information
WENB8472-01-02 Service Manual: Chassis and Mast: Front Axle and Reduction Differential
WENB8472-01-03 Service Manual: Chassis and Mast: Transfer Assembly
WENB8472-01-04 Service Manual: Chassis and Mast: Rear Axle
WENB8472-01-05 Service Manual: Chassis and Mast: Brake System
WENB8472-01-06 Service Manual: Chassis and Mast: Steering System
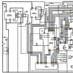
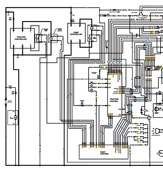
WENB8473-02-05a Service Manual: GE SX Controls: Electrical Schematics
WEBU8472-02-00 Operation & Maintenance Manual: Foreword
WEBU8472-02-01 Operation & Maintenance Manual: Safety Rules for Forklift Truck Operators
WEBU8472-02-02 Operation & Maintenance Manual: Know Your Forklift Truck
WEBU8472-02-03 Operation & Maintenance Manual: How to Avoid a Tipover; How to Survive One
WEBU8472-02-04 Operation & Maintenance Manual: Operation
WEBU8472-02-05 Operation & Maintenance Manual: Operating Techniques
WEBU8472-02-06 Operation & Maintenance Manual: Storing the Lift Truck
WEBU8472-02-07 Operation & Maintenance Manual: Transportation Hints
WEBU8472-02-08 Operation & Maintenance Manual: Special Situations
WEBU8472-02-09 Operation & Maintenance Manual: Maintenance
WEBU8472-02-10 Operation & Maintenance Manual: Service Data
WEBU8472-02-11 Operation & Maintenance Manual: To the Mitsubishi Forklift Truck Owner
Mast Tilting Angles Mast Tilting Angles
Mitsubishi Pub List Publication List (Service, Operator, & Parts Manuals)
REF-18-0001M How To Determine Correct Mast Rails Lift Cylinders And Mast Hosing
REF-18-0002M How To Locate Fluid Capacities
REF-18-0002M How To Locate Fluid Capacities (Spanish)
REF-18-0003M How To Use A Pick List
REF-18-0003M How To Use A Pick List (Spanish)
REF-18-0004M How To Request Pricing (Spanish)
REF-18-0007M Abbreviation And Acronyms List
REF-18-0008M Diagnostic Trouble (Error) Codes
Schematic
MAIN HARNESS Schematic



