Mitsubishi FBP16 36V 48V TR3000 Chassis Mast Europe Parts Catalog WEBN2685
Data Size: 218.09 MB
File Type: PDF
Language: English
Manufacturer: Mitsubishi
Applicable Machine: Forklift
Document: Parts Manual
Region: Europe
Machine Model: Mitsubishi FBP16 36V 48V TR3000 Chassis Mast Europe
Book Number: WEBN2685
Page: 563 Pages
List Contents:
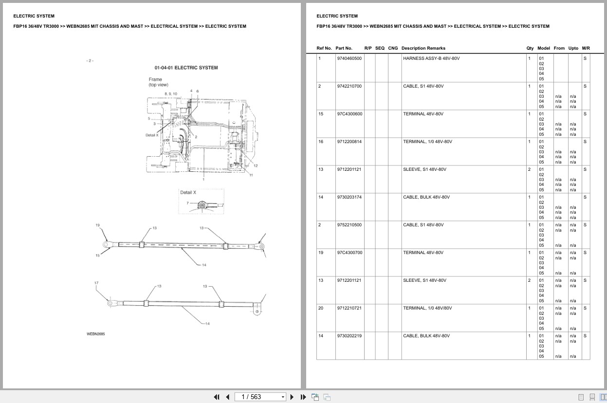
ELECTRIC SYSTEM
CONNECTOR ASSEMBLY (OPTION)
CABLE ASSEMBLY (OPTION)
ELECTRIC SYSTEM_1
HARNESS ASSY - A
HARNESS ASSY - B
VALVE HARNESS
WORKLIGHT (OPTION)
AMBER STROBE LAMP (OPTION)
BACKUP BUZZER (OPTION)
ROAD PACKAGE (OPTION)
HORN ASSEMBLY
FRAME AND BODY
DOOR SEAL
MUFFIN FAN
BATTERY SIDE COVER KIT
DASHBOARD COVER
SEAT
SEAT (OPTION)
HEAD GUARD
HEAD GUARD (OPTIONAL)
MOTOR
MOTOR_1
MOTOR_2
MOTOR_3
MOTOR_4
MOTOR CONTROL
PANEL GP, CONTROL
PANEL GP, CONTROL 36_48V (W_O REGEN)
PANEL GP, CONTROL 36_48V (W_O REGEN)_1
PANEL GP, CONTROL 36_48V (W_O REGEN)_2
PANEL GP, CONTROL 36_48V (W_REGEN)
PANEL GP, CONTROL 36_48V (W_REGEN)_1
PANEL GP, CONTROL 36_48V (W_REGEN)_2
PANEL GP, CONTROL 72_80V (W_REGEN)
PANEL GP, CONTROL 72_80V (W_REGEN)_1
PANEL GP, CONTROL 72_80V (W_REGEN)_2
PANEL GP, CONTROL 72_80V (W_REGEN)_3
TRANSFER AND DIFFERENTIAL
TRANSFER AND DIFFERENTIAL_1
TRANSFER AND DIFFERENTIAL_2
TRANSFER AND DIFFERENTIAL_3
TRANSFER AND DIFFERENTIAL_4
FRONT AXLE
FRONT AXLE_1
FRONT AXLE-WHEEL AND RIM
REAR AXLE
REAR AXLE-WHEEL
WHEEL BRAKE PIPING
WHEEL BRAKE ASSEMBLY
WHEEL BRAKE ASSEMBLY_1
WHEEL BRAKE ASSEMBLY_2
HAND BRAKE ASSEMBLY
DRIVING CONTROL
DRIVING CONTROL_1
FOOT DIRECTIONAL CONTROL (OPTION)
DEADMAN FOOT SWITCH (OPTION)
STEERING WHEEL AND STEERING LINK
STEERING WHEEL
STEERING CYLINDER
PUMP JOINT
HYDRAULIC CONTROL 3V
HYDRAULIC CONTROL 4V
CONTROL VALVE (3 VALVE)
CONTROL VALVE (4 VALVE)
HYDRAULIC TANK
HYDRAULIC LINE
HYDRAULIC LINE_1
HYDRAULIC LINE_2
HYDRAULIC LINE_3
HYDRAULIC LINE_4
NAME PLATE ASSEMBLY
DANISH NAME PLATE
DUTCH NAME PLATE
FINNISH NAME PLATE
FRENCH NAME PLATE
GERMAN NAME PLATE
GREEK NAME PLATE
ITALIAN NAME PLATE
PORTUGUESE NAME PLATE
SPANISH NAME PLATE
SWEDISH NAME PLATE
FORK
LIFT BRACKET
TILT CYLINDER 6F_6B, 5F_9B
TILT CYLINDER 3F_6B, 3F_9B
TILT CYLINDER 6F_6B, 6F_8B
TILT CYLINDER 3F_6B, 3F_8B
MAST COMMON PARTS - SIMPLEX (R15A20-50)
MAST COMMON PARTS - SIMPLEX (R15A20-50)_1
LIFT CYLINDER - SIMPLEX (R15A20-60)
R15A20-50 INTERNAL HYDRAULICS KIT - 3 WAY SIMPLEX
R15A20-50 INTERNAL HYDRAULICS KIT - 4 WAY SIMPLEX
MAST COMMON PARTS - SIMPLEX (R25A20-50)
MAST COMMON PARTS - SIMPLEX (R25A20-50)_1
LIFT CYLINDER - SIMPLEX (R25A20-60)
R25A20-50 INTERNAL HYDRAULICS KIT - 3 WAY SIMPLEX
R25A20-50 INTERNAL HYDRAULICS KIT - 4 WAY SIMPLEX
MAST COMMON PARTS - SIMPLEX (R30A20-50)
MAST COMMON PARTS - SIMPLEX (R30A20-50)_1
LIFT CYLINDER - SIMPLEX (R30A20-60)
R30A20-50 INTERNAL HYDRAULICS KIT - 3 WAY SIMPLEX
R30A20-50 INTERNAL HYDRAULICS KIT - 4 WAY SIMPLEX
MAST COMMON PARTS TRIPLEX - (PART-1) (Y15A37-60)
MAST COMMON PARTS - TRIPLEX (Y15B37-70)
MAST COMMON PARTS - TRIPLEX (Y15A37-60)
LIFT CYLINDER 1ST (Y15A37-60)
LIFT CYLINDER - 2ND TRIPLEX (Y15A37-60)
Y15B37-70 INTERNAL HYDRAULICS KIT - 3 WAY TRIPLEX B SERIES
YB15B37-70 INTERNAL HYDRAULICS KIT - 4 WAY TRIPLEX B SERIES
TRIPLEX COMMON PARTS (PART-1) (Y15A37-60)
MAST COMMON PARTS - TRIPLEX (Y25B37-60)
TRIPLEX COMMON PARTS (Y25A37-60)
LIFT CYLINDER (1ST) - TRIPLEX (Y25B37-60)
LIFT CYLINDER - 2ND TRIPLEX (Y25B37-60)
Y25B37-70 INTERNAL HYDRAULICS KIT - 3 WAY TRIPLEX B SERIES
Y25B37-70 INTERNAL HYDRAULICS KIT - 4 WAY TRIPLEX B SERIES
MAST COMMON PARTS - TRIPLEX (PART-1) (Y30A37-60)
MAST COMMON PARTS - TRIPLEX (Y30B37-60)
MAST COMMON PARTS - TRIPLEX (Y30A37-60)
LIFT CYLINDER 1ST (Y30A37-60)
LIFT CYLINDER - 2ND TRIPLEX (Y30A37-60)
Y30B37-70 INTERNAL HYDRAULICS KIT 3 WAY TRIPLEX B-SERIES
Y30B37-70 INTERNAL HYDRAULICS KIT 4 WAY TRIPLEX B-SERIES
Y30B37-70 INTERNAL HYDRAULICS KIT 4 WAY TRIPLEX B-SERIES_1


