Mitsubishi FUSO Canter TF1 OBD Step D Shop Manual SMCM1900E 2019
Data Size: 214 MB
File Type: PDF
Language: English
Manufacturer: Mitsubishi
Applicable Machine: Truck and Bus
Document: Shop Manual
Vehicle Type: LDT
Model: FEA01/ FEA51/ FEB01/ FEB71/ FEC71/ FECX1/ FGB71
Engine: 4P10
Modified and Updated: 2019
Publication SMCM1900E
Canter TF1 OBD Step D Workshop Manual - Engine
Foreword
G00_General
G00E_General
G11_Engine
G12_Lubrication
G13_Fuel and Engine Control
G13E_Engine Control System
G14_Cooling
G15_Intake and Exhaust
G17_Emission Control
G17E_Bluetec® System
Canter TF1 OBD Step D Workshop Manual - Chassis
G21_Clutch
G22A_Gearbox <M038: DUONIC®>
G22B_Gearbox <M038>
G22E_Duonic®
G24_Transfer Box
G25_Propeller Shaft
G26A_Front Axle <RIGID LEAF SUSPENSION (FE)>
G26B_Front Axle <RIGID LEAF SUSPENSION (FG)>
G26C_Front Axle <INDEPENDENT SUSPENSION>
G27_Rear Axle
G31_Wheel and Tyre
G33A_Front Suspension <RIGID LEAF TYPE>
G33B_Front Suspension <INDEPENDENT TYPE>
G34_Rear Suspension
G35_Brake
G35EA_Anti-lock Brake System (ABS)/Electronic Stability Program (ESP®)/Anti-Spin Regulator (ASR)
G35EC_Hill Start Assist System
G35EG_AEBS (ADVANCED EMERGENCY BRAKING SYSTEM) (VRDU2, RDF)
G36_HandBrake
G37A_Steering <RIGID LEAF SUSPENSION>
G37B_Steering <INDEPENDENT SUSPENSION>
G41_Bumper and Chassis
G42_Cab Mounting and Tilt
G43_Door
G51_Exterior
G52_Interior
G52E_Supplemental Restraint System (SRS)
G55_Heater and Air-Conditioner
G55E_Full Auto Air Conditioning
Canter TF1 OBD Step D Workshop Manual - Electrical
G54_Electrical
G54_00_General
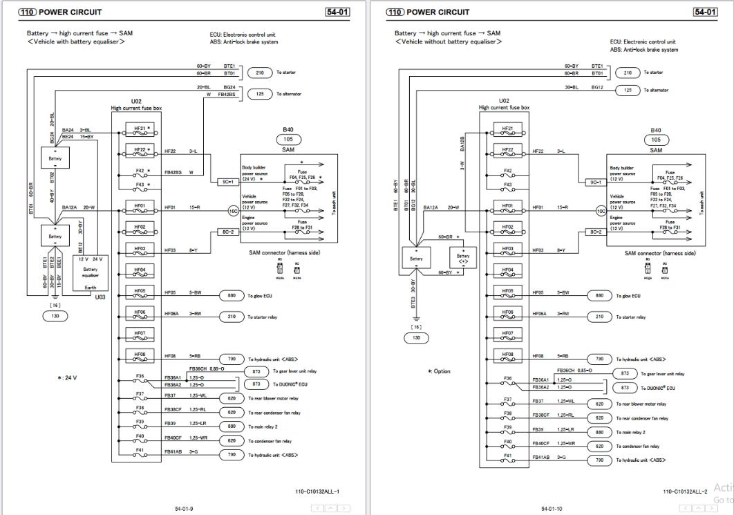
G54_01_Electrical Wiring Diagram
G54_02_Engine Starting, Stopping and Preheating Circuits
G54_03_Lighting Circuits
G54_04_Meter Circuits
G54_05_Indicator and Warning Lights Circuits
G54_06_Cab Side Electrical Circuits
G54_07_Chassis Side Electrical Circuits
G54_08_Engine and Gearbox Side Electrical Circuits
G54_09_Other Circuits
G54_10_Electrical Equipment Installation Positions
G54_11_Inspection of Electrical Equipment
G54_EA_Idling Stop and Start System
G54_EC_LDWS (Lane Departure Warning System)
G54_EI_ Immobiliser
G54_EM_ Meter Cluster
G54_ES_Signal
Detect and Actuation Modules
Harness Repair


