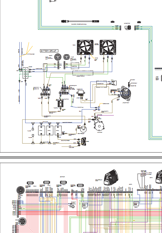
New Holland 7310 Tier 4B Electrical Schematic 48180593
Size: 6.89 MB
Machine: Miller Front Boom Spayer
Machine Model: 7310 Tier 4B
Pages: 2 Pages
Part number: 48180593
#More Product: New Holland Operators, Parts & Service Manual
Size: 6.89 MB
Machine: Miller Front Boom Spayer
Machine Model: 7310 Tier 4B
Pages: 2 Pages
Part number: 48180593
#More Product: New Holland Operators, Parts & Service Manual


