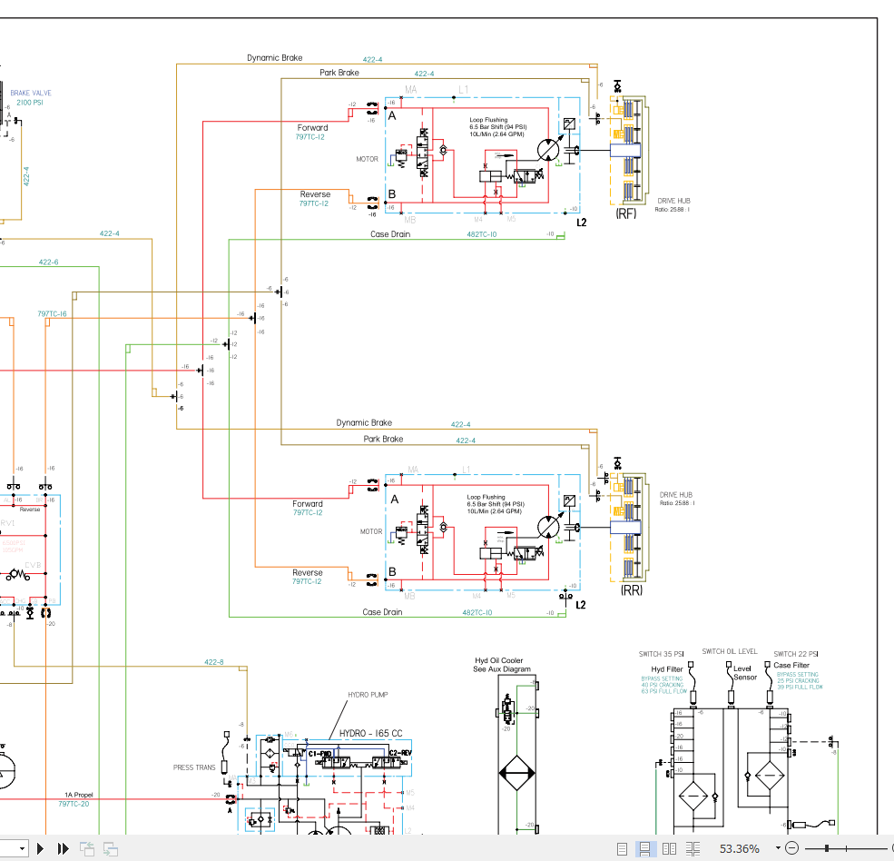
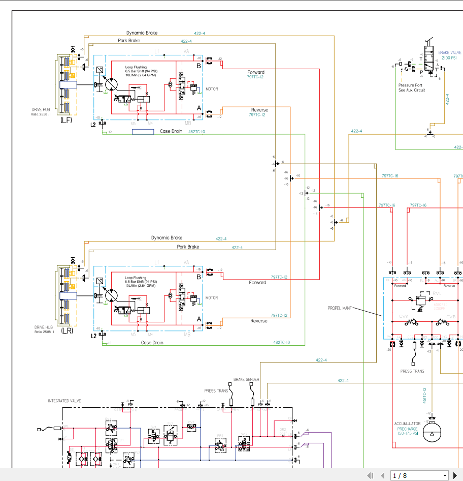
New Holland SP.310F & SP.285F Electrical Schematic 48180594 & 48180592
Size: 11.1 MB
Machine: Sprayers
Machine Model: SP.310F & SP.285F
Part number: 48180594 & 48180592
#More Product: New Holland Operators, Parts & Service Manual
Size: 11.1 MB
Machine: Sprayers
Machine Model: SP.310F & SP.285F
Part number: 48180594 & 48180592
#More Product: New Holland Operators, Parts & Service Manual


