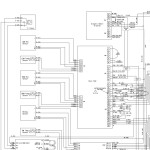
Nissan 1S1 Electrical Schematics
Size: 220 KB
Machine: Forklift
Machine Model: 1S1
Pages: 1 Pages
#More Product: Nissan Forklift Operatior, Parts, Service Manual
Size: 220 KB
Machine: Forklift
Machine Model: 1S1
Pages: 1 Pages
#More Product: Nissan Forklift Operatior, Parts, Service Manual


