Nissan KH01 KH02 Service Manual SM3E-KH12G0
Size: 28.7 MB
Machine: Forklift
Machine Model: KH01 KH02
Publication Date: 1993
Page: 713 Pages
Publication Number: SM3E-KH12G0
The Bookmarks of Nissan KH01 KH02 Service Manual:
General Information
Maintenance
Engine Tune-Up (H20-H, 1125 Engine)
Engine Mechanical (H20-Fl, H25 Engine)
Engine Lubrication & Cooling Systems
(1120-Ii, 1125 Engine)
Engine Fuel (H20-U. H25 Engine)
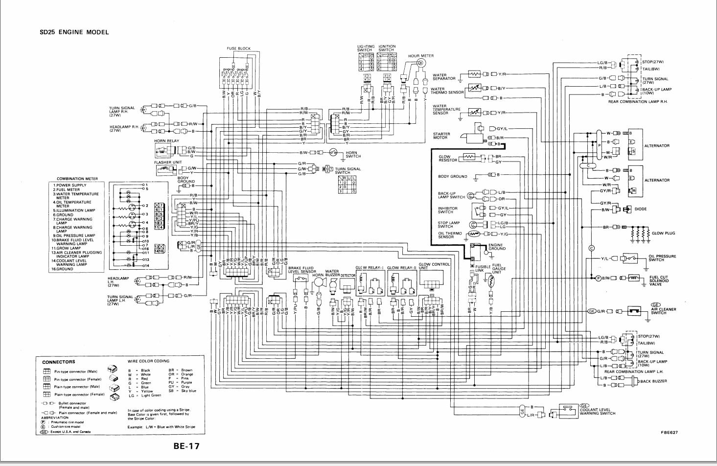
Engine Electrical (H20-H, 1125 Engine)
Engine Removal
Automatic Transmission
Differential Carrier
Front Axle
Rear Axle
Brake System
Steering System
Hydraulic System
Loading Mechanism
Engine Control. Fuel & Exhaust Systems
Body & Frame
Body Electrical
#More Product: Nissan Forklift Operatior, Parts, Service Manual


