Nissan L01UC Series Parts Catalog CF550-UBOOK
Size: 5.52 MB
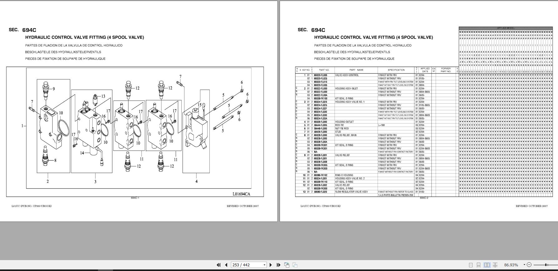
Machine: Forklift
Machine Model: L01UC Series
MCPL01A15JV MCPL01A15DV MCPL01A15LV MCPL01A18JV MCPL01A18DV MCPL01A18LV MCPL01A20JV MAPL01A18LU MAPL01A18LU
MCPL01A20DV MCPL01A20LV MAPL01A15JV MAPL01A15DV MAPL01A15LV MAPL01A18JV MAPL01A18DV MAPL01A18LU MAPL01A18LU
MAPL01A18LV MCPL01A15JS MCPL01A15DS MCPL01A15LS MCPL01A18JS MCPL01A18DS MCPL01A18LS MAPL01A18LU MAPL01A18JU
MCPL01A20JS MCPL01A20DS MCPL01A20LS MAPL01A15JS MAPL01A15DS MAPL01A15LS MAPL01A18JS MAPL01A18LU MAPL01A15LU
MAPL01A18DS MAPL01A18LS MCPL01A15JU MCPL01A15LU MCPL01A18JU MCPL01A18LU MCPL01A20JU MCPL01A20LU MAPL01A15JU
Pages: 442 Pages
Publication Number: CF550-UBOOK
The Bookmarks of Nissan L01UC Series Parts Catalog:
Engine Mechan ical
Fuel & Engine Control
Exhaust & Cooling
Engine Electrical
Body Electrical
Power Train
Axle & Suspension
Brake
Steering
Body (Front Roof & Floor)
Body (Side, Rear & Seat)
Miscellaneous
#More Product: Nissan Forklift Operatior, Parts, Service Manual


