Opel Adam 2016 Wiring Diagrams
Size: 8.29 MB
Format: PDF, CGM
Machine: Automotive
Machine Model: Opel Adam 2016
Document: Wiring Diagrams
Contents:
Opel EWD - 2016 - Adam - Control Module U Code List.pdf
Opel EWD - 2016 - Adam - RPO Code List.pdf
Opel EWD - 2016 - Adam - Schematics RPO Code List.pdf
Opel EWD - 2016 - Adam - Service Interval reset 2016 MY.pdf
Opel EWD - 2016 - Adam - EWD - Body Repair - Bolted Exterior Body Panels and Closures - Hood Latch.cgm
Opel EWD - 2016 - Adam - EWD - Body Systems - Fixed and Moveable Windows - Defogger Schematics - Rear Window Defogger.cgm
Opel EWD - 2016 - Adam - EWD - Body Systems - Fixed and Moveable Windows - Moveable Window Schematics - Driver Window.cgm
Opel EWD - 2016 - Adam - EWD - Body Systems - Fixed and Moveable Windows - Moveable Window Schematics - Passenger Window.cgm
Opel EWD - 2016 - Adam - EWD - Body Systems - Horns - Horn.cgm
Opel EWD - 2016 - Adam - EWD - Body Systems - Lighting - Exterior Lights Schematics - Park and Tail Lamps.cgm
Opel EWD - 2016 - Adam - EWD - Body Systems - Lighting - Exterior Lights Schematics - Park, Turn, Hazard, Backup and Brake Lamps Controls.cgm
Opel EWD - 2016 - Adam - EWD - Body Systems - Lighting - Exterior Lights Schematics - Rear Multifunction Carrier (DCU).cgm
Opel EWD - 2016 - Adam - EWD - Body Systems - Lighting - Exterior Lights Schematics - Stop, Backup and License Plate Lamps.cgm
Opel EWD - 2016 - Adam - EWD - Body Systems - Lighting - Exterior Lights Schematics - Turn Signal Lamps.cgm
Opel EWD - 2016 - Adam - EWD - Body Systems - Lighting - Fog Lights Schematics - Rear Fog Lights (T79).cgm
Opel EWD - 2016 - Adam - EWD - Body Systems - Lighting - Headlights Daytime Running Lights (DRL) Schematics - Headlamp Controls and Indicators.cgm
Opel EWD - 2016 - Adam - EWD - Body Systems - Lighting - Headlights Daytime Running Lights (DRL) Schematics - Headlamp Leveling.cgm
Opel EWD - 2016 - Adam - EWD - Body Systems - Lighting - Headlights Daytime Running Lights (DRL) Schematics - Low, High Beams and Daytime Running Lights.cgm
Opel EWD - 2016 - Adam - EWD - Body Systems - Lighting - Interior Lights Dimming Schematics - Accent Lamps (TSP) (1 of 2).cgm
Opel EWD - 2016 - Adam - EWD - Body Systems - Lighting - Interior Lights Dimming Schematics - Accent Lamps (TSP) (2 of 2).cgm
Opel EWD - 2016 - Adam - EWD - Body Systems - Lighting - Interior Lights Dimming Schematics - Dimming Controls, Steering Wheel, HVAC Controls and Instrument Panel Switches (1 of 2).cgm
Opel EWD - 2016 - Adam - EWD - Body Systems - Lighting - Interior Lights Dimming Schematics - Door and Roof Switches, HVAC Controls and Instrument Panel Switches (2 of 2).cgm
Opel EWD - 2016 - Adam - EWD - Body Systems - Lighting - Interior Lights Schematics - Front Interior Overhead Lamps and Cargo Lamp.cgm
Opel EWD - 2016 - Adam - EWD - Body Systems - Mirrors - Inside Rearview Mirror Schematics - Inside Rearview Mirror (DD8).cgm
Opel EWD - 2016 - Adam - EWD - Body Systems - Mirrors - Outside Rearview Mirror Schematics - Heated Mirrors (DWE).cgm
Opel EWD - 2016 - Adam - EWD - Body Systems - Mirrors - Outside Rearview Mirror Schematics - Left Hand Drive (DWE or D77).cgm
Opel EWD - 2016 - Adam - EWD - Body Systems - Mirrors - Outside Rearview Mirror Schematics - Right Hand Drive (DWE or D77).cgm
Opel EWD - 2016 - Adam - EWD - Body Systems - Vehicle Access - Door Lock Indicator Schematics - Actuators (with UTT).cgm
Opel EWD - 2016 - Adam - EWD - Body Systems - Vehicle Access - Door Lock Indicator Schematics - Actuators (without UTT).cgm
Opel EWD - 2016 - Adam - EWD - Body Systems - Vehicle Access - Door Lock Indicator Schematics - Controls and Door Locks.cgm
Opel EWD - 2016 - Adam - EWD - Body Systems - Vehicle Access - Door Lock Indicator Schematics - Indicators.cgm
Opel EWD - 2016 - Adam - EWD - Body Systems - Vehicle Access - Release Systems Schematics - Liftgate.cgm
Opel EWD - 2016 - Adam - EWD - Body Systems - Wipers and Washers - Front Wiper Washer Control and Wiper.cgm
Opel EWD - 2016 - Adam - EWD - Body Systems - Wipers and Washers - Rear Wiper Washer Control and Wiper.cgm
Opel EWD - 2016 - Adam - EWD - Body Systems - Wipers and Washers - Windshield Washer.cgm
Opel EWD - 2016 - Adam - EWD - Brakes - Antilock Brake System Schematics - Module Power, Ground and Serial Data.cgm
Opel EWD - 2016 - Adam - EWD - Brakes - Antilock Brake System Schematics - Wheel Speed Sensors.cgm
Opel EWD - 2016 - Adam - EWD - Brakes - Hydraulic Brakes - Hydraulic Brake.cgm
Opel EWD - 2016 - Adam - EWD - Driver Information and Entertainment - Cellular, Entertainment, and Navigation - OnStar Telematics Schematics - OnStar (UE1) (1 of 2).cgm
Opel EWD - 2016 - Adam - EWD - Driver Information and Entertainment - Cellular, Entertainment, and Navigation - OnStar Telematics Schematics - OnStar (UE1) (2 of 2).cgm
Opel EWD - 2016 - Adam - EWD - Driver Information and Entertainment - Cellular, Entertainment, and Navigation - Radio Navigation System Schematics - Amplifier (UQA).cgm
Opel EWD - 2016 - Adam - EWD - Driver Information and Entertainment - Cellular, Entertainment, and Navigation - Radio Navigation System Schematics - Auxiliary Audio Video Input (IOA, UF7 or UH7).cgm
Opel EWD - 2016 - Adam - EWD - Driver Information and Entertainment - Cellular, Entertainment, and Navigation - Radio Navigation System Schematics - Power, Ground, Serial Data, Antenna and Microphone.cgm
Opel EWD - 2016 - Adam - EWD - Driver Information and Entertainment - Cellular, Entertainment, and Navigation - Radio Navigation System Schematics - Speakers (UQA).cgm
Opel EWD - 2016 - Adam - EWD - Driver Information and Entertainment - Cellular, Entertainment, and Navigation - Radio Navigation System Schematics - Speakers (UZ4 or UZ6).cgm
Opel EWD - 2016 - Adam - EWD - Driver Information and Entertainment - Displays and Gauges - Audible Warnings Schematics - Audible Warnings.cgm
Opel EWD - 2016 - Adam - EWD - Driver Information and Entertainment - Displays and Gauges - Instrument Cluster Schematics - Ambient Air Temperature Sensor and Driver Information.cgm
Opel EWD - 2016 - Adam - EWD - Driver Information and Entertainment - Displays and Gauges - Instrument Cluster Schematics - Indicators (3 of 3).cgm
Opel EWD - 2016 - Adam - EWD - Driver Information and Entertainment - Displays and Gauges - Instrument Cluster Schematics - Module Power, Ground, Serial Data and Indicators (1 of 3) (NE9).cgm
Opel EWD - 2016 - Adam - EWD - Driver Information and Entertainment - Displays and Gauges - Instrument Cluster Schematics - Module Power, Ground, Serial Data and Indicators (2 of 3) (NE4).cgm
Opel EWD - 2016 - Adam - EWD - Driver Information and Entertainment - Secondary and Configurable Customer Controls - Steering Wheel Controls.cgm
Opel EWD - 2016 - Adam - EWD - Engine - 1.0L (LE1) - 12 V Starting and Charging - Charging (with KL9).cgm
Opel EWD - 2016 - Adam - EWD - Engine - 1.0L (LE1) - 12 V Starting and Charging - Charging (without KL9).cgm
Opel EWD - 2016 - Adam - EWD - Engine - 1.0L (LE1) - 12 V Starting and Charging - Starting.cgm
Opel EWD - 2016 - Adam - EWD - Engine - 1.0L (LE1) - 12 V Starting and Charging - Stop Start System (KL9).cgm
Opel EWD - 2016 - Adam - EWD - Engine - 1.0L (LE1) - Cruise Control - Cruise Control (K33).cgm
Opel EWD - 2016 - Adam - EWD - Engine - 1.0L (LE1) - Engine Controls and Fuel - 1.0L (LE1) - 5V1, 5V2 and Low Reference Bus (LE1) (1 of 2).cgm
Opel EWD - 2016 - Adam - EWD - Engine - 1.0L (LE1) - Engine Controls and Fuel - 1.0L (LE1) - 5V3, 5V4, 5V5 and Low Reference Bus (LE1) (2 of 2).cgm
Opel EWD - 2016 - Adam - EWD - Engine - 1.0L (LE1) - Engine Controls and Fuel - 1.0L (LE1) - Controlled Monitored Subsystem References (LE1).cgm
Opel EWD - 2016 - Adam - EWD - Engine - 1.0L (LE1) - Engine Controls and Fuel - 1.0L (LE1) - Engine Data Sensors - Camshaft, Crankshaft and Knock Sensor and Camshaft Actuators (LE1).cgm
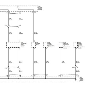
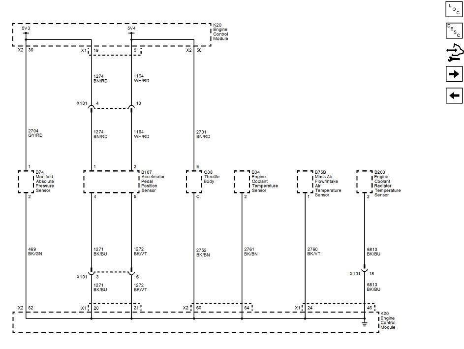
Opel EWD - 2016 - Adam - EWD - Engine - 1.0L (LE1) - Engine Controls and Fuel - 1.0L (LE1) - Engine Data Sensors - Pressure and Temperature (LE1).cgm
Opel EWD - 2016 - Adam - EWD - Engine - 1.0L (LE1) - Engine Controls and Fuel - 1.0L (LE1) - Engine Data Sensors - Throttle Controls (LE1).cgm
Opel EWD - 2016 - Adam - EWD - Engine - 1.0L (LE1) - Engine Controls and Fuel - 1.0L (LE1) - Fuel Controls - Fuel Injectors and High Pressure Control (LE1).cgm
Opel EWD - 2016 - Adam - EWD - Engine - 1.0L (LE1) - Engine Controls and Fuel - 1.0L (LE1) - Fuel Controls - Fuel Pump, Chassis Control Module (LE1).cgm
Opel EWD - 2016 - Adam - EWD - Engine - 1.0L (LE1) - Engine Controls and Fuel - 1.0L (LE1) - Ignition Controls - Ignition Coils (LE1).cgm
Opel EWD - 2016 - Adam - EWD - Engine - 1.0L (LE1) - Engine Controls and Fuel - 1.0L (LE1) - Module Power, Ground, Serial Data and MIL (LE1).cgm
Opel EWD - 2016 - Adam - EWD - Engine - 1.0L (LE1) - Engine Controls and Fuel - 1.0L (LE1) - Oxygen Sensors and Evaporative Emission Controls (LE1).cgm
Opel EWD - 2016 - Adam - EWD - Engine - 1.0L (LE1) - Engine Heating and Cooling - Engine Cooling.cgm
Opel EWD - 2016 - Adam - EWD - Engine - 1.0L (LE1) - Engine Mechanical - 1.0L (LE1) - Oil Pressure Control (LE1).cgm
Opel EWD - 2016 - Adam - EWD - Engine - 1.2L (LWD), 1.4L (LDD, LUJ) - 12 V Starting and Charging - Charging (with KL9).cgm
Opel EWD - 2016 - Adam - EWD - Engine - 1.2L (LWD), 1.4L (LDD, LUJ) - 12 V Starting and Charging - Charging (without KL9).cgm
Opel EWD - 2016 - Adam - EWD - Engine - 1.2L (LWD), 1.4L (LDD, LUJ) - 12 V Starting and Charging - Starting.cgm
Opel EWD - 2016 - Adam - EWD - Engine - 1.2L (LWD), 1.4L (LDD, LUJ) - 12 V Starting and Charging - Stop Start System (KL9).cgm
Opel EWD - 2016 - Adam - EWD - Engine - 1.2L (LWD), 1.4L (LDD, LUJ) - Cruise Control - Cruise Control (K33).cgm
Opel EWD - 2016 - Adam - EWD - Engine - 1.2L (LWD), 1.4L (LDD, LUJ) - Engine Controls and Fuel - 1.2L (LWD) or 1.4L (LDD, LUJ) - Engine Controls Schematics (LDD with NE4 with KL7 without KL9) - 5V1, 5V2 and Low Reference Bus (L2Z or LDD with NE4 with KL7 without KL9) (1 of 2).cgm
Opel EWD - 2016 - Adam - EWD - Engine - 1.2L (LWD), 1.4L (LDD, LUJ) - Engine Controls and Fuel - 1.2L (LWD) or 1.4L (LDD, LUJ) - Engine Controls Schematics (LDD with NE4 with KL7 without KL9) - 5V2, 5V3 and Low Reference Bus (L2Z or LDD with NE4 with KL7 without KL9) (2 of 2).cgm
Opel EWD - 2016 - Adam - EWD - Engine - 1.2L (LWD), 1.4L (LDD, LUJ) - Engine Controls and Fuel - 1.2L (LWD) or 1.4L (LDD, LUJ) - Engine Controls Schematics (LDD with NE4 with KL7 without KL9) - Controlled Monitored Subsystem References (L2Z or LDD with NE4 with KL7 without KL9).cgm
Opel EWD - 2016 - Adam - EWD - Engine - 1.2L (LWD), 1.4L (LDD, LUJ) - Engine Controls and Fuel - 1.2L (LWD) or 1.4L (LDD, LUJ) - Engine Controls Schematics (LDD with NE4 with KL7 without KL9) - Engine Data Sensors - Camshaft, Crankshaft and Knock Sensor and Camshaft Actuators (L2Z or LDD with NE4 with KL7 without KL9).cgm
Opel EWD - 2016 - Adam - EWD - Engine - 1.2L (LWD), 1.4L (LDD, LUJ) - Engine Controls and Fuel - 1.2L (LWD) or 1.4L (LDD, LUJ) - Engine Controls Schematics (LDD with NE4 with KL7 without KL9) - Engine Data Sensors - Pressure and Temperature (L2Z or LDD with NE4 with KL7 without KL9).cgm
Opel EWD - 2016 - Adam - EWD - Engine - 1.2L (LWD), 1.4L (LDD, LUJ) - Engine Controls and Fuel - 1.2L (LWD) or 1.4L (LDD, LUJ) - Engine Controls Schematics (LDD with NE4 with KL7 without KL9) - Engine Data Sensors - Throttle Controls (L2Z or LDD with NE4 with KL7 without KL9).cgm
Opel EWD - 2016 - Adam - EWD - Engine - 1.2L (LWD), 1.4L (LDD, LUJ) - Engine Controls and Fuel - 1.2L (LWD) or 1.4L (LDD, LUJ) - Engine Controls Schematics (LDD with NE4 with KL7 without KL9) - Fuel Controls - Fuel Injectors (L2Z or LDD with NE4 with KL7 without KL9).cgm
Opel EWD - 2016 - Adam - EWD - Engine - 1.2L (LWD), 1.4L (LDD, LUJ) - Engine Controls and Fuel - 1.2L (LWD) or 1.4L (LDD, LUJ) - Engine Controls Schematics (LDD with NE4 with KL7 without KL9) - Fuel Injector Control Module - Sensors and Switches (L2Z or LDD with NE4 with KL7 without KL9).cgm
Opel EWD - 2016 - Adam - EWD - Engine - 1.2L (LWD), 1.4L (LDD, LUJ) - Engine Controls and Fuel - 1.2L (LWD) or 1.4L (LDD, LUJ) - Engine Controls Schematics (LDD with NE4 with KL7 without KL9) - Fuel Pump, Fuel Injectors and Ignition Controls (L2Z or LDD with NE4 with KL7 without KL9).cgm
Opel EWD - 2016 - Adam - EWD - Engine - 1.2L (LWD), 1.4L (LDD, LUJ) - Engine Controls and Fuel - 1.2L (LWD) or 1.4L (LDD, LUJ) - Engine Controls Schematics (LDD with NE4 with KL7 without KL9) - Module Power, Ground, Serial Data and MIL (L2Z or LDD with NE4 with KL7 without KL9).cgm
Opel EWD - 2016 - Adam - EWD - Engine - 1.2L (LWD), 1.4L (LDD, LUJ) - Engine Controls and Fuel - 1.2L (LWD) or 1.4L (LDD, LUJ) - Engine Controls Schematics (LDD with NE4 with KL7 without KL9) - Oxygen Sensors and Evaporative Emission Controls (L2Z or LDD with NE4 with KL7 without KL9).cgm
Opel EWD - 2016 - Adam - EWD - Engine - 1.2L (LWD), 1.4L (LDD, LUJ) - Engine Controls and Fuel - 1.2L (LWD) or 1.4L (LDD, LUJ) - Engine Controls Schematics (LDD with NE9 with KL9 or LWD) - 5V1, 5V2 and Low Reference Bus (L2Z or LDD with KL9 or LWD with NE9) (1 of 2).cgm
Opel EWD - 2016 - Adam - EWD - Engine - 1.2L (LWD), 1.4L (LDD, LUJ) - Engine Controls and Fuel - 1.2L (LWD) or 1.4L (LDD, LUJ) - Engine Controls Schematics (LDD with NE9 with KL9 or LWD) - 5V3, 5V4 and Low Reference Bus (L2Z or LDD with KL9 or LWD with NE9) (2 of 2).cgm
Opel EWD - 2016 - Adam - EWD - Engine - 1.2L (LWD), 1.4L (LDD, LUJ) - Engine Controls and Fuel - 1.2L (LWD) or 1.4L (LDD, LUJ) - Engine Controls Schematics (LDD with NE9 with KL9 or LWD) - Controlled Monitored Subsystem References (L2Z or LDD with KL9 or LWD with NE9).cgm
Opel EWD - 2016 - Adam - EWD - Engine - 1.2L (LWD), 1.4L (LDD, LUJ) - Engine Controls and Fuel - 1.2L (LWD) or 1.4L (LDD, LUJ) - Engine Controls Schematics (LDD with NE9 with KL9 or LWD) - Engine Data Sensors - Camshaft, Crankshaft and Knock Sensors and Camshaft Actuators (L2Z or LDD with KL9 or LWD with NE9).cgm
Opel EWD - 2016 - Adam - EWD - Engine - 1.2L (LWD), 1.4L (LDD, LUJ) - Engine Controls and Fuel - 1.2L (LWD) or 1.4L (LDD, LUJ) - Engine Controls Schematics (LDD with NE9 with KL9 or LWD) - Engine Data Sensors - Pressure and Temperature (L2Z or LDD with KL9 or LWD with NE9).cgm
Opel EWD - 2016 - Adam - EWD - Engine - 1.2L (LWD), 1.4L (LDD, LUJ) - Engine Controls and Fuel - 1.2L (LWD) or 1.4L (LDD, LUJ) - Engine Controls Schematics (LDD with NE9 with KL9 or LWD) - Engine Data Sensors - Throttle Controls (L2Z or LDD with KL9 or LWD with NE9).cgm
Opel EWD - 2016 - Adam - EWD - Engine - 1.2L (LWD), 1.4L (LDD, LUJ) - Engine Controls and Fuel - 1.2L (LWD) or 1.4L (LDD, LUJ) - Engine Controls Schematics (LDD with NE9 with KL9 or LWD) - Fuel Pump, Fuel Injectors and Ignition Controls (L2Z or LDD with KL9 or LWD with NE9).cgm
Opel EWD - 2016 - Adam - EWD - Engine - 1.2L (LWD), 1.4L (LDD, LUJ) - Engine Controls and Fuel - 1.2L (LWD) or 1.4L (LDD, LUJ) - Engine Controls Schematics (LDD with NE9 with KL9 or LWD) - Module Power, Ground, Serial Data and MIL (L2Z or LDD with KL9 or LWD with NE9).cgm
Opel EWD - 2016 - Adam - EWD - Engine - 1.2L (LWD), 1.4L (LDD, LUJ) - Engine Controls and Fuel - 1.2L (LWD) or 1.4L (LDD, LUJ) - Engine Controls Schematics (LDD with NE9 with KL9 or LWD) - Oxygen Sensors and Evaporative Emission Controls (L2Z or LDD with KL9 or LWD with NE9).cgm
Opel EWD - 2016 - Adam - EWD - Engine - 1.2L (LWD), 1.4L (LDD, LUJ) - Engine Controls and Fuel - 1.2L (LWD) or 1.4L (LDD, LUJ) - Engine Controls Schematics (LDD without KL9) - 5V1, 5V2 and Low Reference Bus (L2Z or LDD without KL9) (1 of 2).cgm
Opel EWD - 2016 - Adam - EWD - Engine - 1.2L (LWD), 1.4L (LDD, LUJ) - Engine Controls and Fuel - 1.2L (LWD) or 1.4L (LDD, LUJ) - Engine Controls Schematics (LDD without KL9) - 5V2, 5V3 and Low Reference Bus (L2Z or LDD without KL9) (2 of 2).cgm
Opel EWD - 2016 - Adam - EWD - Engine - 1.2L (LWD), 1.4L (LDD, LUJ) - Engine Controls and Fuel - 1.2L (LWD) or 1.4L (LDD, LUJ) - Engine Controls Schematics (LDD without KL9) - Controlled Monitored Subsystem References (L2Z or LDD without KL9).cgm
Opel EWD - 2016 - Adam - EWD - Engine - 1.2L (LWD), 1.4L (LDD, LUJ) - Engine Controls and Fuel - 1.2L (LWD) or 1.4L (LDD, LUJ) - Engine Controls Schematics (LDD without KL9) - Engine Data Sensors - Camshaft, Crankshaft and Knock Sensor and Camshaft Actuators (L2Z or LDD without KL9).cgm
Opel EWD - 2016 - Adam - EWD - Engine - 1.2L (LWD), 1.4L (LDD, LUJ) - Engine Controls and Fuel - 1.2L (LWD) or 1.4L (LDD, LUJ) - Engine Controls Schematics (LDD without KL9) - Engine Data Sensors - Pressure and Temperature (L2Z or LDD without KL9).cgm
Opel EWD - 2016 - Adam - EWD - Engine - 1.2L (LWD), 1.4L (LDD, LUJ) - Engine Controls and Fuel - 1.2L (LWD) or 1.4L (LDD, LUJ) - Engine Controls Schematics (LDD without KL9) - Engine Data Sensors - Throttle Controls (L2Z or LDD without KL9).cgm
Opel EWD - 2016 - Adam - EWD - Engine - 1.2L (LWD), 1.4L (LDD, LUJ) - Engine Controls and Fuel - 1.2L (LWD) or 1.4L (LDD, LUJ) - Engine Controls Schematics (LDD without KL9) - Fuel Controls - Fuel Injectors (L2Z or LDD with NE9 with KL7 without KL9).cgm
Opel EWD - 2016 - Adam - EWD - Engine - 1.2L (LWD), 1.4L (LDD, LUJ) - Engine Controls and Fuel - 1.2L (LWD) or 1.4L (LDD, LUJ) - Engine Controls Schematics (LDD without KL9) - Fuel Injector Control Module - Sensors and Switches (L2Z or LDD with NE9 with KL7 without KL9).cgm
Opel EWD - 2016 - Adam - EWD - Engine - 1.2L (LWD), 1.4L (LDD, LUJ) - Engine Controls and Fuel - 1.2L (LWD) or 1.4L (LDD, LUJ) - Engine Controls Schematics (LDD without KL9) - Fuel Pump, Fuel Injectors and Ignition Controls (L2Z or LDD without KL9).cgm
Opel EWD - 2016 - Adam - EWD - Engine - 1.2L (LWD), 1.4L (LDD, LUJ) - Engine Controls and Fuel - 1.2L (LWD) or 1.4L (LDD, LUJ) - Engine Controls Schematics (LDD without KL9) - Module Power, Ground, Serial Data and MIL (L2Z or LDD without KL9).cgm
Opel EWD - 2016 - Adam - EWD - Engine - 1.2L (LWD), 1.4L (LDD, LUJ) - Engine Controls and Fuel - 1.2L (LWD) or 1.4L (LDD, LUJ) - Engine Controls Schematics (LDD without KL9) - Oxygen Sensors and Evaporative Emission Controls (L2Z or LDD without KL9).cgm
Opel EWD - 2016 - Adam - EWD - Engine - 1.2L (LWD), 1.4L (LDD, LUJ) - Engine Controls and Fuel - 1.2L (LWD) or 1.4L (LDD, LUJ) - Engine Controls Schematics (LDD, LUJ with NE4 with KL9 or LWD) - 5V1, 5V2 and Low Reference Bus (L2Z or LDD with KL9 or LUJ or LWD with NE4) (1 of 2).cgm
Opel EWD - 2016 - Adam - EWD - Engine - 1.2L (LWD), 1.4L (LDD, LUJ) - Engine Controls and Fuel - 1.2L (LWD) or 1.4L (LDD, LUJ) - Engine Controls Schematics (LDD, LUJ with NE4 with KL9 or LWD) - 5V3, 5V4 and Low Reference Bus (L2Z or LDD with KL9 or LUJ or LWD with NE4) (2 of 2).cgm
Opel EWD - 2016 - Adam - EWD - Engine - 1.2L (LWD), 1.4L (LDD, LUJ) - Engine Controls and Fuel - 1.2L (LWD) or 1.4L (LDD, LUJ) - Engine Controls Schematics (LDD, LUJ with NE4 with KL9 or LWD) - Controlled Monitored Subsystem References (L2Z or LDD with KL9 or LUJ or LWD with NE4).cgm
Opel EWD - 2016 - Adam - EWD - Engine - 1.2L (LWD), 1.4L (LDD, LUJ) - Engine Controls and Fuel - 1.2L (LWD) or 1.4L (LDD, LUJ) - Engine Controls Schematics (LDD, LUJ with NE4 with KL9 or LWD) - Engine Data Sensors - Camshaft, Crankshaft and Knock Sensors and Camshaft Actuators (L2Z or LDD with KL9 or LUJ or LWD with NE4).cgm
Opel EWD - 2016 - Adam - EWD - Engine - 1.2L (LWD), 1.4L (LDD, LUJ) - Engine Controls and Fuel - 1.2L (LWD) or 1.4L (LDD, LUJ) - Engine Controls Schematics (LDD, LUJ with NE4 with KL9 or LWD) - Engine Data Sensors - Pressure and Temperature (L2Z or LDD with KL9 or LUJ or LWD with NE4).cgm
Opel EWD - 2016 - Adam - EWD - Engine - 1.2L (LWD), 1.4L (LDD, LUJ) - Engine Controls and Fuel - 1.2L (LWD) or 1.4L (LDD, LUJ) - Engine Controls Schematics (LDD, LUJ with NE4 with KL9 or LWD) - Engine Data Sensors - Throttle Controls (L2Z or LDD with KL9 or LUJ or LWD with NE4).cgm
Opel EWD - 2016 - Adam - EWD - Engine - 1.2L (LWD), 1.4L (LDD, LUJ) - Engine Controls and Fuel - 1.2L (LWD) or 1.4L (LDD, LUJ) - Engine Controls Schematics (LDD, LUJ with NE4 with KL9 or LWD) - Fuel Pump, Fuel Injectors and Ignition Controls (L2Z or LDD with KL9 or LUJ or LWD with NE4).cgm
Opel EWD - 2016 - Adam - EWD - Engine - 1.2L (LWD), 1.4L (LDD, LUJ) - Engine Controls and Fuel - 1.2L (LWD) or 1.4L (LDD, LUJ) - Engine Controls Schematics (LDD, LUJ with NE4 with KL9 or LWD) - Module Power, Ground, Serial Data and MIL (L2Z or LDD with KL9 or LUJ or LWD with NE4).cgm
Opel EWD - 2016 - Adam - EWD - Engine - 1.2L (LWD), 1.4L (LDD, LUJ) - Engine Controls and Fuel - 1.2L (LWD) or 1.4L (LDD, LUJ) - Engine Controls Schematics (LDD, LUJ with NE4 with KL9 or LWD) - Oxygen Sensors and Evaporative Emission Controls (L2Z or LDD with KL9 or LUJ or LWD with NE4).cgm
Opel EWD - 2016 - Adam - EWD - Engine - 1.2L (LWD), 1.4L (LDD, LUJ) - Engine Heating and Cooling - Engine Cooling.cgm
Opel EWD - 2016 - Adam - EWD - HVAC - HVAC - Automatic - Air Quality, Ambient Light Sunload, Evaporator Temperature and Left Duct Air Sensors (C68).cgm
Opel EWD - 2016 - Adam - EWD - HVAC - HVAC - Automatic - Compressor Controls (C68).cgm
Opel EWD - 2016 - Adam - EWD - HVAC - HVAC - Automatic - Mode, Recirculation and Air Temperature Doors (C68).cgm
Opel EWD - 2016 - Adam - EWD - HVAC - HVAC - Automatic - Module Power, Ground, Heater Coolant Cut-Off Valve, Serial Data and Blower Control (C68).cgm
Opel EWD - 2016 - Adam - EWD - HVAC - HVAC - Manual - Blower Controls and Temperature Sensors (C41 or C60).cgm
Opel EWD - 2016 - Adam - EWD - HVAC - HVAC - Manual - Compressor Controls (C60).cgm
Opel EWD - 2016 - Adam - EWD - HVAC - HVAC - Manual - Module Power, Ground, Heater Coolant Cut-Off Valve, Serial Data and Blower Control (C41 or C60).cgm
Opel EWD - 2016 - Adam - EWD - Power and Signal Distribution - Data Communication - Body Control System Schematics - Power, Ground and Data Communication.cgm
Opel EWD - 2016 - Adam - EWD - Power and Signal Distribution - Data Communication - Body Control System Schematics - Subsystem References (1 of 3).cgm
Opel EWD - 2016 - Adam - EWD - Power and Signal Distribution - Data Communication - Body Control System Schematics - Subsystem References (2 of 3).cgm
Opel EWD - 2016 - Adam - EWD - Power and Signal Distribution - Data Communication - Body Control System Schematics - Subsystem References (3 of 3).cgm
Opel EWD - 2016 - Adam - EWD - Power and Signal Distribution - Data Communication - Data Communication Schematics - Chassis Expansion Bus.cgm
Opel EWD - 2016 - Adam - EWD - Power and Signal Distribution - Data Communication - Data Communication Schematics - Data Communication Enable.cgm
Opel EWD - 2016 - Adam - EWD - Power and Signal Distribution - Data Communication - Data Communication Schematics - High Speed GMLAN.cgm
Opel EWD - 2016 - Adam - EWD - Power and Signal Distribution - Data Communication - Data Communication Schematics - Linear Interconnect Network (LIN).cgm
Opel EWD - 2016 - Adam - EWD - Power and Signal Distribution - Data Communication - Data Communication Schematics - Low Speed GMLAN.cgm
Opel EWD - 2016 - Adam - EWD - Power and Signal Distribution - Power Outlets - Cigar Lighter Power Outlet Schematics - Accessory Power Outlets and Wireless Charger (K4C).cgm
Opel EWD - 2016 - Adam - EWD - Power and Signal Distribution - Wiring Systems and Power Management - Ground Distribution Schematics - G100, G105, G107 and G108.cgm
Opel EWD - 2016 - Adam - EWD - Power and Signal Distribution - Wiring Systems and Power Management - Ground Distribution Schematics - G101.cgm
Opel EWD - 2016 - Adam - EWD - Power and Signal Distribution - Wiring Systems and Power Management - Ground Distribution Schematics - G102 and G106.cgm
Opel EWD - 2016 - Adam - EWD - Power and Signal Distribution - Wiring Systems and Power Management - Ground Distribution Schematics - G103.cgm
Opel EWD - 2016 - Adam - EWD - Power and Signal Distribution - Wiring Systems and Power Management - Ground Distribution Schematics - G104 (1 of 2).cgm
Opel EWD - 2016 - Adam - EWD - Power and Signal Distribution - Wiring Systems and Power Management - Ground Distribution Schematics - G104 (2 of 2).cgm
Opel EWD - 2016 - Adam - EWD - Power and Signal Distribution - Wiring Systems and Power Management - Ground Distribution Schematics - G201.cgm
Opel EWD - 2016 - Adam - EWD - Power and Signal Distribution - Wiring Systems and Power Management - Ground Distribution Schematics - G202.cgm
Opel EWD - 2016 - Adam - EWD - Power and Signal Distribution - Wiring Systems and Power Management - Ground Distribution Schematics - G203, G204 and G205.cgm
Opel EWD - 2016 - Adam - EWD - Power and Signal Distribution - Wiring Systems and Power Management - Ground Distribution Schematics - G302.cgm
Opel EWD - 2016 - Adam - EWD - Power and Signal Distribution - Wiring Systems and Power Management - Ground Distribution Schematics - G401 (1 of 2).cgm
Opel EWD - 2016 - Adam - EWD - Power and Signal Distribution - Wiring Systems and Power Management - Ground Distribution Schematics - G401 (2 of 2).cgm
Opel EWD - 2016 - Adam - EWD - Power and Signal Distribution - Wiring Systems and Power Management - Ignition Lock Schematics - Ignition Lock.cgm
Opel EWD - 2016 - Adam - EWD - Power and Signal Distribution - Wiring Systems and Power Management - Power Distribution Schematics - B+ Bus (1 of 2).cgm
Opel EWD - 2016 - Adam - EWD - Power and Signal Distribution - Wiring Systems and Power Management - Power Distribution Schematics - B+ Bus (2 of 2).cgm
Opel EWD - 2016 - Adam - EWD - Power and Signal Distribution - Wiring Systems and Power Management - Power Distribution Schematics - Battery Fuse Block.cgm
Opel EWD - 2016 - Adam - EWD - Power and Signal Distribution - Wiring Systems and Power Management - Power Distribution Schematics - F01DA, F02DA, F03DA, F04DA, F05DA, F06DA, F07DA, F08DA, F09DA, F10DA, F11DA, F12DA, F22DA, F23DA, F24DA, F25DA and F26DA Fuses.cgm
Opel EWD - 2016 - Adam - EWD - Power and Signal Distribution - Wiring Systems and Power Management - Power Distribution Schematics - F01UA, F02UA, F03UA, F04UA, F05UA, F06UA, F08UA, F09UA and F13UA Fuses.cgm
Opel EWD - 2016 - Adam - EWD - Power and Signal Distribution - Wiring Systems and Power Management - Power Distribution Schematics - F10UA, F15UA, F16UA, F17UA, F18UA, F19UA Fuses and F40UA Circuit Breaker.cgm
Opel EWD - 2016 - Adam - EWD - Power and Signal Distribution - Wiring Systems and Power Management - Power Distribution Schematics - F11UA, F24UA, F31UA, F32UA and F38UA Fuses.cgm
Opel EWD - 2016 - Adam - EWD - Power and Signal Distribution - Wiring Systems and Power Management - Power Distribution Schematics - F12UA, F14UA, F34UA Fuses and F39UA Circuit Breaker.cgm
Opel EWD - 2016 - Adam - EWD - Power and Signal Distribution - Wiring Systems and Power Management - Power Distribution Schematics - F14DA, F15DA, F16DA, F17DA, F18DA, F19DA, F20DA and F21DA Fuses.cgm
Opel EWD - 2016 - Adam - EWD - Power and Signal Distribution - Wiring Systems and Power Management - Power Distribution Schematics - F21UA, F27UA, F35UA Fuses, F44UA and F45UA Circuit Breakers.cgm
Opel EWD - 2016 - Adam - EWD - Power and Signal Distribution - Wiring Systems and Power Management - Power Distribution Schematics - F23UA Fuse.cgm
Opel EWD - 2016 - Adam - EWD - Power and Signal Distribution - Wiring Systems and Power Management - Power Distribution Schematics - F25UA, F33UA Fuses and F37UA, F43UA, F46UA Circuit Breakers.cgm
Opel EWD - 2016 - Adam - EWD - Power and Signal Distribution - Wiring Systems and Power Management - Power Distribution Schematics - F26UA, F28UA and F29UA Fuses.cgm
Opel EWD - 2016 - Adam - EWD - Power and Signal Distribution - Wiring Systems and Power Management - Power Distribution Schematics - F27DA, F28DA, F30DA, F32DA and F33DA Fuses.cgm
Opel EWD - 2016 - Adam - EWD - Power and Signal Distribution - Wiring Systems and Power Management - Power Distribution Schematics - F31DA, F35DA, F36DA, F37DA, F38DA, F39DA and F40DA Fuses.cgm
Opel EWD - 2016 - Adam - EWD - Power and Signal Distribution - Wiring Systems and Power Management - Power Distribution Schematics - Ignition Switch.cgm
Opel EWD - 2016 - Adam - EWD - Power and Signal Distribution - Wiring Systems and Power Management - Power Moding Schematics - KR73 Ignition Main Relay.cgm
Opel EWD - 2016 - Adam - EWD - Power and Signal Distribution - Wiring Systems and Power Management - Power Moding Schematics - KR76 Retained Accessory Power relay.cgm
Opel EWD - 2016 - Adam - EWD - Power and Signal Distribution - Wiring Systems and Power Management - Trailer Connector Provision Schematics - Power, Ground and Serial Data (DCU).cgm
Opel EWD - 2016 - Adam - EWD - Roof - Moveable Roof - Power, Ground, Serial Data and Folding Top Control Switch (C0C).cgm
Opel EWD - 2016 - Adam - EWD - Safety and Security - Immobilizer - Immobilizer (UTJ or UTT).cgm
Opel EWD - 2016 - Adam - EWD - Safety and Security - Object Detection and Pedestrian Protection - Front and Side Object Sensors (UFQ).cgm
Opel EWD - 2016 - Adam - EWD - Safety and Security - Object Detection and Pedestrian Protection - Module Power, Ground, Serial Data, Rear and Side Object Sensors, Controls and Display (UD7 or UFQ).cgm
Opel EWD - 2016 - Adam - EWD - Safety and Security - Remote Functions - Keyless Entry.cgm
Opel EWD - 2016 - Adam - EWD - Safety and Security - Seat Belts - Seat Belt Switches.cgm
Opel EWD - 2016 - Adam - EWD - Safety and Security - Supplemental Restraints - Front Impact Sensing and Deployment.cgm
Opel EWD - 2016 - Adam - EWD - Safety and Security - Supplemental Restraints - Module Power, Ground, Serial Data and Indicators.cgm
Opel EWD - 2016 - Adam - EWD - Safety and Security - Supplemental Restraints - Side Impact Sensing and Deployment.cgm
Opel EWD - 2016 - Adam - EWD - Seats - Seat Heating and Cooling - Heated Seats (KA1).cgm
Opel EWD - 2016 - Adam - EWD - Steering - Power Steering - Power Steering.cgm
Opel EWD - 2016 - Adam - EWD - Steering - Steering Wheel and Column - Heated Steering Wheel (UVD).cgm
Opel EWD - 2016 - Adam - EWD - Transmission - Manual Transmission - F17-5 (MDG MJA) - Neutral Position Sensors and Clutch Pedal Position Sensors (F17-5).cgm
Opel EWD - 2016 - Adam - EWD - Transmission - Manual Transmission - M1x M22 (MFX M8Z) - Neutral Position Sensors and Clutch Pedal Position Sensors (M1X-6).cgm
Opel EWD - 2016 - Adam - EWD - Transmission - Manual Transmission - M20 M32 (MZ2 MZ0) - Neutral Position Sensors and Clutch Pedal Position Sensors (M32-6).cgm
Opel EWD - 2016 - Adam - EWD - Transmission - Supplemental Manual Transmission Auto Shift (MJA) - Clutch Position Sensor, Transmission Control Module, Shift Lever, Speed Sensor and Hydraulic Pump (MJA).cgm
#More Product: Opel Service Manual, Repair Manual, Electrical Wiring Diagram


