Opel Ampera 2013 Wiring Diagrams
Size: 7.73 MB
Format: PDF, CGM
Machine: Automotive
Machine Model: Opel Ampera 2013
Document: Wiring Diagrams
Contents:
Opel EWD - 2013 - Ampera - Control Module U Code List.pdf
Opel EWD - 2013 - Ampera - RPO Code List.pdf
Opel EWD - 2013 - Ampera - Schematics RPO Code List.pdf
Opel EWD - 2013 - Ampera - EWD - Body Repair - Bolted Exterior Body Panels and Closures - Hood Latch Schematics.cgm
Opel EWD - 2013 - Ampera - EWD - Body Systems - Fixed and Moveable Windows - Defogger Schematics - Defogger.cgm
Opel EWD - 2013 - Ampera - EWD - Body Systems - Fixed and Moveable Windows - Moveable Window Schematics - Driver.cgm
Opel EWD - 2013 - Ampera - EWD - Body Systems - Fixed and Moveable Windows - Moveable Window Schematics - Passenger.cgm
Opel EWD - 2013 - Ampera - EWD - Body Systems - Fixed and Moveable Windows - Moveable Window Schematics - Rear.cgm
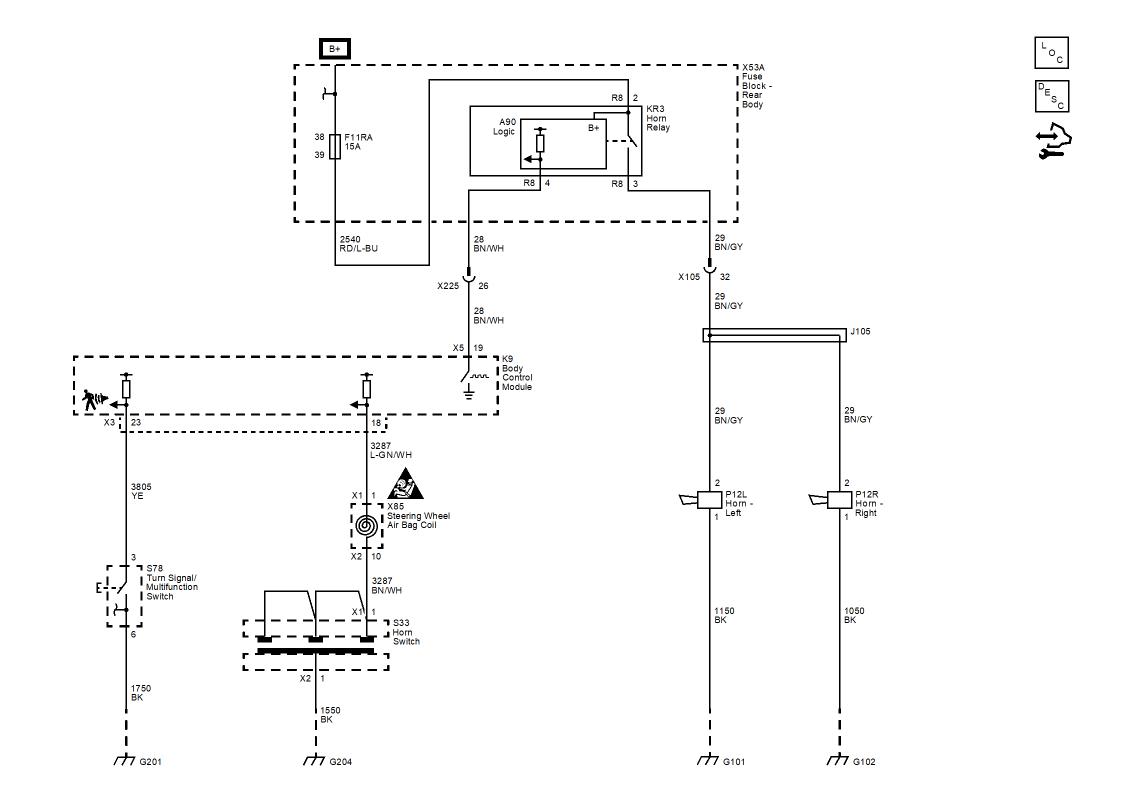
Opel EWD - 2013 - Ampera - EWD - Body Systems - Horns - Horns.cgm
Opel EWD - 2013 - Ampera - EWD - Body Systems - Lighting - Exterior Lights Schematics - Front Turn Signals and Controls.cgm
Opel EWD - 2013 - Ampera - EWD - Body Systems - Lighting - Exterior Lights Schematics - Park, Tail and License Lamps.cgm
Opel EWD - 2013 - Ampera - EWD - Body Systems - Lighting - Exterior Lights Schematics - Rear Turn Signals, Stop Lamps, and Backup Lamp.cgm
Opel EWD - 2013 - Ampera - EWD - Body Systems - Lighting - Fog Lights Schematics - Rear Fog Light (T79).cgm
Opel EWD - 2013 - Ampera - EWD - Body Systems - Lighting - Headlights_Daytime Running Lights (DRL) Schematics - Daytime Running Lamps and Low Beams.cgm
Opel EWD - 2013 - Ampera - EWD - Body Systems - Lighting - Headlights_Daytime Running Lights (DRL) Schematics - Headlamp Leveling (TR6).cgm
Opel EWD - 2013 - Ampera - EWD - Body Systems - Lighting - Headlights_Daytime Running Lights (DRL) Schematics - High Beams.cgm
Opel EWD - 2013 - Ampera - EWD - Body Systems - Lighting - Interior Lights Dimming Schematics - Controls Dimming.cgm
Opel EWD - 2013 - Ampera - EWD - Body Systems - Lighting - Interior Lights Dimming Schematics - Display Dimming.cgm
Opel EWD - 2013 - Ampera - EWD - Body Systems - Lighting - Interior Lights Schematics - Interior Lights.cgm
Opel EWD - 2013 - Ampera - EWD - Body Systems - Mirrors - Inside Rearview Mirror Schematics - Inside Rearview Mirror (DD8).cgm
Opel EWD - 2013 - Ampera - EWD - Body Systems - Mirrors - Outside Rearview Mirror Schematics - Directional Controls and Motors.cgm
Opel EWD - 2013 - Ampera - EWD - Body Systems - Mirrors - Outside Rearview Mirror Schematics - Mirror Heaters.cgm
Opel EWD - 2013 - Ampera - EWD - Body Systems - Vehicle Access - Door Lock_Indicator Schematics - Door Ajar and Status Switches.cgm
Opel EWD - 2013 - Ampera - EWD - Body Systems - Vehicle Access - Door Lock_Indicator Schematics - Door Handle Switches.cgm
Opel EWD - 2013 - Ampera - EWD - Body Systems - Vehicle Access - Door Lock_Indicator Schematics - Door Locks (LHD).cgm
Opel EWD - 2013 - Ampera - EWD - Body Systems - Vehicle Access - Door Lock_Indicator Schematics - Door Locks (RHD).cgm
Opel EWD - 2013 - Ampera - EWD - Body Systems - Vehicle Access - Release Systems Schematics - Fuel Door.cgm
Opel EWD - 2013 - Ampera - EWD - Body Systems - Vehicle Access - Release Systems Schematics - Liftgate Release.cgm
Opel EWD - 2013 - Ampera - EWD - Body Systems - Wipers and Washers - Windshield Wiper_Washer.cgm
Opel EWD - 2013 - Ampera - EWD - Brakes - Antilock Brake System - Power, Ground, Data Communication and Brake Pedal Control.cgm
Opel EWD - 2013 - Ampera - EWD - Brakes - Antilock Brake System - Vehicle Stability.cgm
Opel EWD - 2013 - Ampera - EWD - Brakes - Antilock Brake System - Wheel Speed Signals.cgm
Opel EWD - 2013 - Ampera - EWD - Brakes - Hydraulic Brakes - Hydraulic Brakes.cgm
Opel EWD - 2013 - Ampera - EWD - Brakes - Park Brake - Park Brake.cgm
Opel EWD - 2013 - Ampera - EWD - Driver Information and Entertainment - Cellular, Entertainment, and Navigation - Cellular Telephone Schematics - Mobile Telephone (UPJ).cgm
Opel EWD - 2013 - Ampera - EWD - Driver Information and Entertainment - Cellular, Entertainment, and Navigation - Radio_Navigation System Schematics - Amplifier Inputs (UQA).cgm
Opel EWD - 2013 - Ampera - EWD - Driver Information and Entertainment - Cellular, Entertainment, and Navigation - Radio_Navigation System Schematics - Auxiliary Audio Input (5JZ).cgm
Opel EWD - 2013 - Ampera - EWD - Driver Information and Entertainment - Cellular, Entertainment, and Navigation - Radio_Navigation System Schematics - Digital Radio Receiver (U4D).cgm
Opel EWD - 2013 - Ampera - EWD - Driver Information and Entertainment - Cellular, Entertainment, and Navigation - Radio_Navigation System Schematics - Info Display.cgm
Opel EWD - 2013 - Ampera - EWD - Driver Information and Entertainment - Cellular, Entertainment, and Navigation - Radio_Navigation System Schematics - Power, Ground, Antenna and Data Communication (UE1).cgm
Opel EWD - 2013 - Ampera - EWD - Driver Information and Entertainment - Cellular, Entertainment, and Navigation - Radio_Navigation System Schematics - Power, Ground, Antenna and Data Communication (US3).cgm
Opel EWD - 2013 - Ampera - EWD - Driver Information and Entertainment - Cellular, Entertainment, and Navigation - Radio_Navigation System Schematics - Speakers (UQA).cgm
Opel EWD - 2013 - Ampera - EWD - Driver Information and Entertainment - Cellular, Entertainment, and Navigation - Radio_Navigation System Schematics - Speakers (UZ6).cgm
Opel EWD - 2013 - Ampera - EWD - Driver Information and Entertainment - Displays and Gauges - Audible Warnings Schematics - Audible Warning.cgm
Opel EWD - 2013 - Ampera - EWD - Driver Information and Entertainment - Displays and Gauges - Driver Information System Schematics - Driver Information Center.cgm
Opel EWD - 2013 - Ampera - EWD - Driver Information and Entertainment - Displays and Gauges - Instrument Cluster Schematics - Power, Ground, Data Communication and Indicators.cgm
Opel EWD - 2013 - Ampera - EWD - Driver Information and Entertainment - Secondary and Configurable Customer Controls - Steering Wheel Controls.cgm
Opel EWD - 2013 - Ampera - EWD - Engine - 1.4L (LUU) - Cruise Control - Cruise Control.cgm
Opel EWD - 2013 - Ampera - EWD - Engine - 1.4L (LUU) - Engine Controls_Fuel - 1.4L (LUU) - 5-Volt and Low Reference Busses.cgm
Opel EWD - 2013 - Ampera - EWD - Engine - 1.4L (LUU) - Engine Controls_Fuel - 1.4L (LUU) - Controlled_Monitored Subsystem References.cgm
Opel EWD - 2013 - Ampera - EWD - Engine - 1.4L (LUU) - Engine Controls_Fuel - 1.4L (LUU) - Device Controls - Secondary Air Injection (NU6).cgm
Opel EWD - 2013 - Ampera - EWD - Engine - 1.4L (LUU) - Engine Controls_Fuel - 1.4L (LUU) - Engine Data Sensors - Oxygen Sensors.cgm
Opel EWD - 2013 - Ampera - EWD - Engine - 1.4L (LUU) - Engine Controls_Fuel - 1.4L (LUU) - Engine Data Sensors - Pressure and Temperature.cgm
Opel EWD - 2013 - Ampera - EWD - Engine - 1.4L (LUU) - Engine Controls_Fuel - 1.4L (LUU) - Engine Data Sensors - Throttle Controls.cgm
Opel EWD - 2013 - Ampera - EWD - Engine - 1.4L (LUU) - Engine Controls_Fuel - 1.4L (LUU) - Fuel Controls - Evaporative Emission Controls.cgm
Opel EWD - 2013 - Ampera - EWD - Engine - 1.4L (LUU) - Engine Controls_Fuel - 1.4L (LUU) - Fuel Controls - Fuel Injectors.cgm
Opel EWD - 2013 - Ampera - EWD - Engine - 1.4L (LUU) - Engine Controls_Fuel - 1.4L (LUU) - Fuel Controls - Fuel Pump Controls.cgm
Opel EWD - 2013 - Ampera - EWD - Engine - 1.4L (LUU) - Engine Controls_Fuel - 1.4L (LUU) - Ignition Controls - Ignition Coil Module.cgm
Opel EWD - 2013 - Ampera - EWD - Engine - 1.4L (LUU) - Engine Controls_Fuel - 1.4L (LUU) - Ignition Controls - Sensors.cgm
Opel EWD - 2013 - Ampera - EWD - Engine - 1.4L (LUU) - Engine Controls_Fuel - 1.4L (LUU) - Power, Ground, MIL and Data Communication.cgm
Opel EWD - 2013 - Ampera - EWD - Engine - 1.4L (LUU) - Engine Cooling - Engine Cooling Fans.cgm
Opel EWD - 2013 - Ampera - EWD - Engine - 1.4L (LUU) - Engine Electrical - 12V Battery Management.cgm
Opel EWD - 2013 - Ampera - EWD - HVAC - HVAC - Automatic - Actuators.cgm
Opel EWD - 2013 - Ampera - EWD - HVAC - HVAC - Automatic - Cabin Heater.cgm
Opel EWD - 2013 - Ampera - EWD - HVAC - HVAC - Automatic - Compressor Controls.cgm
Opel EWD - 2013 - Ampera - EWD - HVAC - HVAC - Automatic - Power, Ground, Data Communication and Blower Controls.cgm
Opel EWD - 2013 - Ampera - EWD - HVAC - HVAC - Automatic - Temperature Sensors.cgm
Opel EWD - 2013 - Ampera - EWD - Hybrid_EV - Hybrid_EV Controls - Battery Contactor Status and Transmission Internal Mode Switch.cgm
Opel EWD - 2013 - Ampera - EWD - Hybrid_EV - Hybrid_EV Controls - Drive Motor Monitoring.cgm
Opel EWD - 2013 - Ampera - EWD - Hybrid_EV - Hybrid_EV Controls - Drive Motors and Auxiliary Transmission Fluid Pump Controls.cgm
Opel EWD - 2013 - Ampera - EWD - Hybrid_EV - Hybrid_EV Controls - Power, Ground and Data Communication.cgm
Opel EWD - 2013 - Ampera - EWD - Hybrid_EV - Hybrid_EV Energy Storage - Battery Energy Control Module Power, Ground and Data Communication.cgm
Opel EWD - 2013 - Ampera - EWD - Hybrid_EV - Hybrid_EV Energy Storage - High Voltage Contactors - Control.cgm
Opel EWD - 2013 - Ampera - EWD - Hybrid_EV - Hybrid_EV Energy Storage - High Voltage Contactors - High Voltage Negative.cgm
Opel EWD - 2013 - Ampera - EWD - Hybrid_EV - Hybrid_EV Energy Storage - High Voltage Contactors - High Voltage Positive.cgm
Opel EWD - 2013 - Ampera - EWD - Hybrid_EV - Hybrid_EV Energy Storage - High Voltage Interlock Loop - Charging.cgm
Opel EWD - 2013 - Ampera - EWD - Hybrid_EV - Hybrid_EV Energy Storage - High Voltage Interlock Loop - Main.cgm
Opel EWD - 2013 - Ampera - EWD - Hybrid_EV - Hybrid_EV Energy Storage - Hybrid_EV Battery Section 1.cgm
Opel EWD - 2013 - Ampera - EWD - Hybrid_EV - Hybrid_EV Energy Storage - Hybrid_EV Battery Section 2.cgm
Opel EWD - 2013 - Ampera - EWD - Hybrid_EV - Hybrid_EV Energy Storage - Hybrid_EV Battery Section 3.cgm
Opel EWD - 2013 - Ampera - EWD - Hybrid_EV - Hybrid_EV Energy Storage - K114B Hybrid_EV Powertrain Control Module 2 Power, Ground, and Internal Battery Communication.cgm
Opel EWD - 2013 - Ampera - EWD - Hybrid_EV - Hybrid_EV System Heating and Cooling - Hybrid_EV Battery Modules - Temperature Sensors 1 through 4.cgm
Opel EWD - 2013 - Ampera - EWD - Hybrid_EV - Hybrid_EV System Heating and Cooling - Hybrid_EV Battery Modules - Temperature Sensors 5 through 9.cgm
Opel EWD - 2013 - Ampera - EWD - Hybrid_EV - Hybrid_EV System Heating and Cooling - Hybrid_EV Battery Pack Cooling (LHD).cgm
Opel EWD - 2013 - Ampera - EWD - Hybrid_EV - Hybrid_EV System Heating and Cooling - Hybrid_EV Battery Pack Cooling (RHD).cgm
Opel EWD - 2013 - Ampera - EWD - Hybrid_EV - Hybrid_EV System Heating and Cooling - Hybrid_EV Electronics Cooling.cgm
Opel EWD - 2013 - Ampera - EWD - Hybrid_EV - Plug-in Charging - Battery Charger.cgm
Opel EWD - 2013 - Ampera - EWD - Hybrid_EV - Plug-in Charging - Battery State of Charge.cgm
Opel EWD - 2013 - Ampera - EWD - Hybrid_EV - Plug-in Charging - Charging Port Door.cgm
Opel EWD - 2013 - Ampera - EWD - Power and Signal Distribution - Data Communications - Body Control System Schematics - Power, Ground and Data Communication.cgm
Opel EWD - 2013 - Ampera - EWD - Power and Signal Distribution - Data Communications - Body Control System Schematics - Subsystem References (1 of 3).cgm
Opel EWD - 2013 - Ampera - EWD - Power and Signal Distribution - Data Communications - Body Control System Schematics - Subsystem References (2 of 3).cgm
Opel EWD - 2013 - Ampera - EWD - Power and Signal Distribution - Data Communications - Body Control System Schematics - Subsystem References (3 of 3).cgm
Opel EWD - 2013 - Ampera - EWD - Power and Signal Distribution - Data Communications - Data Communication Schematics - Chassis Expansion Bus.cgm
Opel EWD - 2013 - Ampera - EWD - Power and Signal Distribution - Data Communications - Data Communication Schematics - Communications Enable.cgm
Opel EWD - 2013 - Ampera - EWD - Power and Signal Distribution - Data Communications - Data Communication Schematics - High Speed GMLAN.cgm
Opel EWD - 2013 - Ampera - EWD - Power and Signal Distribution - Data Communications - Data Communication Schematics - High Voltage Management and Powertrain Expansion Busses.cgm
Opel EWD - 2013 - Ampera - EWD - Power and Signal Distribution - Data Communications - Data Communication Schematics - Linear Interconnect Network (LIN).cgm
Opel EWD - 2013 - Ampera - EWD - Power and Signal Distribution - Data Communications - Data Communication Schematics - Low Speed CAN.cgm
Opel EWD - 2013 - Ampera - EWD - Power and Signal Distribution - Data Communications - Data Communication Schematics - Mid Speed GMLAN.cgm
Opel EWD - 2013 - Ampera - EWD - Power and Signal Distribution - Data Communications - Data Communication Schematics - Serial Data Wake-Up.cgm
Opel EWD - 2013 - Ampera - EWD - Power and Signal Distribution - Power Outlets - Cigar Lighter_Power Outlet Schematics - Cigar Lighter_Power Outlets.cgm
Opel EWD - 2013 - Ampera - EWD - Power and Signal Distribution - Wiring Systems and Power Management - Ground Distribution Schematics - G101 and G102.cgm
Opel EWD - 2013 - Ampera - EWD - Power and Signal Distribution - Wiring Systems and Power Management - Ground Distribution Schematics - G103, G104 and G105.cgm
Opel EWD - 2013 - Ampera - EWD - Power and Signal Distribution - Wiring Systems and Power Management - Ground Distribution Schematics - G106, G107, G109, G110, G112, G113 and G117.cgm
Opel EWD - 2013 - Ampera - EWD - Power and Signal Distribution - Wiring Systems and Power Management - Ground Distribution Schematics - G201, G203, G205, G304, G340, G341, G401 and G404.cgm
Opel EWD - 2013 - Ampera - EWD - Power and Signal Distribution - Wiring Systems and Power Management - Ground Distribution Schematics - G202.cgm
Opel EWD - 2013 - Ampera - EWD - Power and Signal Distribution - Wiring Systems and Power Management - Ground Distribution Schematics - G204.cgm
Opel EWD - 2013 - Ampera - EWD - Power and Signal Distribution - Wiring Systems and Power Management - Ground Distribution Schematics - G301.cgm
Opel EWD - 2013 - Ampera - EWD - Power and Signal Distribution - Wiring Systems and Power Management - Ground Distribution Schematics - G302.cgm
Opel EWD - 2013 - Ampera - EWD - Power and Signal Distribution - Wiring Systems and Power Management - Ground Distribution Schematics - G403.cgm
Opel EWD - 2013 - Ampera - EWD - Power and Signal Distribution - Wiring Systems and Power Management - Ground Distribution Schematics - G405.cgm
Opel EWD - 2013 - Ampera - EWD - Power and Signal Distribution - Wiring Systems and Power Management - Ground Distribution Schematics - G406.cgm
Opel EWD - 2013 - Ampera - EWD - Power and Signal Distribution - Wiring Systems and Power Management - Power Distribution Schematics - F10UA, F11UA, F13UA, F15UA, F17UA, F19UA and F39UA Fuses.cgm
Opel EWD - 2013 - Ampera - EWD - Power and Signal Distribution - Wiring Systems and Power Management - Power Distribution Schematics - F1DL, F2DL, F3DL, F4DL, F5DL, F6DL, F7DL, F9DL, F10DL, F11DL, F12DL and F15DL Fuses.cgm
Opel EWD - 2013 - Ampera - EWD - Power and Signal Distribution - Wiring Systems and Power Management - Power Distribution Schematics - F1UA, F2UA, F4UA, F16UA, F21UA, F27UA, F30UA and F34UA Fuses.cgm
Opel EWD - 2013 - Ampera - EWD - Power and Signal Distribution - Wiring Systems and Power Management - Power Distribution Schematics - F2RA, F3RA, F4RA, F5RA, F7RA, F8RA, F9RA, F10RA, F12RA and F13RA Fuses.cgm
Opel EWD - 2013 - Ampera - EWD - Power and Signal Distribution - Wiring Systems and Power Management - Power Distribution Schematics - F36UA, F37UA, F38UA, F42UA, F44UA and F48UA Fuses.cgm
Opel EWD - 2013 - Ampera - EWD - Power and Signal Distribution - Wiring Systems and Power Management - Power Distribution Schematics - F3DR, F4DR, F5DR, F6DR, F7DR, F8DR, F9DR, F10DR, F11DR and F12DR Fuses.cgm
Opel EWD - 2013 - Ampera - EWD - Power and Signal Distribution - Wiring Systems and Power Management - Power Distribution Schematics - F5UA, F32UA, F33UA, F50UA, F51UA, F52UA, F53UA and F54UA Fuses.cgm
Opel EWD - 2013 - Ampera - EWD - Power and Signal Distribution - Wiring Systems and Power Management - Power Distribution Schematics - F6RA, F11RA, F14RA and F16RA Fuses.cgm
Opel EWD - 2013 - Ampera - EWD - Power and Signal Distribution - Wiring Systems and Power Management - Power Distribution Schematics - F6UA, F9UA, F22UA, F23UA, F40UA, F41UA and F43UA Fuses.cgm
Opel EWD - 2013 - Ampera - EWD - Power and Signal Distribution - Wiring Systems and Power Management - Power Distribution Schematics - Vehicle On_Off Switch.cgm
Opel EWD - 2013 - Ampera - EWD - Power and Signal Distribution - Wiring Systems and Power Management - Power Distribution Schematics - X50A Fuse Block - Underhood Bussing.cgm
Opel EWD - 2013 - Ampera - EWD - Power and Signal Distribution - Wiring Systems and Power Management - Power Distribution Schematics - X50D Fuse Block - Battery and X50B Fuse Block - Underhood Auxiliary Bussing.cgm
Opel EWD - 2013 - Ampera - EWD - Power and Signal Distribution - Wiring Systems and Power Management - Power Moding Schematics - Power Moding.cgm
Opel EWD - 2013 - Ampera - EWD - Safety and Security - Immobilizer - Immobilizer.cgm
Opel EWD - 2013 - Ampera - EWD - Safety and Security - Object Detection - Forward Collision (UEU) and Lane Departure (UFL).cgm
Opel EWD - 2013 - Ampera - EWD - Safety and Security - Object Detection - Front Park Assist (UDF).cgm
Opel EWD - 2013 - Ampera - EWD - Safety and Security - Object Detection - Rear Park Assist (UD7).cgm
Opel EWD - 2013 - Ampera - EWD - Safety and Security - Object Detection - Rearview Camera (UVC).cgm
Opel EWD - 2013 - Ampera - EWD - Safety and Security - Remote Functions - Garage Door Opener (UG1).cgm
Opel EWD - 2013 - Ampera - EWD - Safety and Security - Remote Functions - Keyless Entry.cgm
Opel EWD - 2013 - Ampera - EWD - Safety and Security - Remote Functions - Passive Start.cgm
Opel EWD - 2013 - Ampera - EWD - Safety and Security - Seat Belts - Seat Belts.cgm
Opel EWD - 2013 - Ampera - EWD - Safety and Security - Supplemental Inflatable Restraints - Air Bags.cgm
Opel EWD - 2013 - Ampera - EWD - Safety and Security - Supplemental Inflatable Restraints - Impact Sensors.cgm
Opel EWD - 2013 - Ampera - EWD - Safety and Security - Supplemental Inflatable Restraints - Power, Ground, Data Communication and Passenger Presence Detection.cgm
Opel EWD - 2013 - Ampera - EWD - Safety and Security - Supplemental Inflatable Restraints - Pretensioners.cgm
Opel EWD - 2013 - Ampera - EWD - Safety and Security - Theft Deterrent - Alarm Siren (UTP).cgm
Opel EWD - 2013 - Ampera - EWD - Safety and Security - Theft Deterrent - Content Theft Deterrent Alarm Module and Sensor Module (UTR).cgm
Opel EWD - 2013 - Ampera - EWD - Safety and Security - Theft Deterrent - Theft Deterrent System.cgm
Opel EWD - 2013 - Ampera - EWD - Seats - Seat Heating and Cooling - Heated Seats (KA1).cgm
Opel EWD - 2013 - Ampera - EWD - Steering - Power Steering - Power Steering.cgm
Opel EWD - 2013 - Ampera - EWD - Steering - Steering Wheel and Column - Steering Column Lock (N06).cgm
Opel EWD - 2013 - Ampera - EWD - Suspension - Tire Pressure Monitoring - Tire Pressure Monitoring (UJN).cgm
Opel EWD - 2013 - Ampera - EWD - Transmission - Automatic Transmission - 4ET50 - Internal Mode Switch.cgm
Opel EWD - 2013 - Ampera - EWD - Transmission - Automatic Transmission - 4ET50 - Pressure Controls, Shift Controls and Speed Sensor.cgm
Opel EWD - 2013 - Ampera - EWD - Transmission - Automatic Transmission - 4ET50 - S126 Drive Mode Select Switch.cgm
Opel EWD - 2013 - Ampera - EWD - Transmission - Automatic Transmission - 4ET50 - Shift Lever Position Indicator.cgm
Opel EWD - 2013 - Ampera - EWD - Transmission - Shift Lock Control - Shift Lock.cgm
#More Product: Opel Service Manual, Repair Manual, Electrical Wiring Diagram


