Opel Cascada 2017 Wiring Diagrams
Size: 12.1 MB
Language: English
Format: PDF, CGM
Machine: Automotive
Machine Model: Opel Cascada 2017
Document: Wiring Diagrams
Contents:
Opel EWD - 2017 - Cascada - Control Module U Code List.pdf
Opel EWD - 2017 - Cascada - RPO Code List.pdf
Opel EWD - 2017 - Cascada - Schematics RPO Code List.pdf
Opel EWD - 2017 - Cascada - Service Interval reset 2017 MY.pdf
Opel EWD - 2017 - Cascada - EWD - Body Repair - Bolted Exterior Body Panels and Closures - Hood Latch (LFS LUJ).cgm
Opel EWD - 2017 - Cascada - EWD - Body Repair - Bolted Exterior Body Panels and Closures - Hood Latch (LWC).cgm
Opel EWD - 2017 - Cascada - EWD - Body Systems - Fixed and Moveable Windows - Defogger Schematics - Rear Window Defogger.cgm
Opel EWD - 2017 - Cascada - EWD - Body Systems - Fixed and Moveable Windows - Moveable Window Schematics - Driver Window (LHD).cgm
Opel EWD - 2017 - Cascada - EWD - Body Systems - Fixed and Moveable Windows - Moveable Window Schematics - Driver Window (RHD).cgm
Opel EWD - 2017 - Cascada - EWD - Body Systems - Fixed and Moveable Windows - Moveable Window Schematics - Passenger Window (LHD).cgm
Opel EWD - 2017 - Cascada - EWD - Body Systems - Fixed and Moveable Windows - Moveable Window Schematics - Passenger Window (RHD).cgm
Opel EWD - 2017 - Cascada - EWD - Body Systems - Fixed and Moveable Windows - Moveable Window Schematics - Rear Windows.cgm
Opel EWD - 2017 - Cascada - EWD - Body Systems - Horns - Horn.cgm
Opel EWD - 2017 - Cascada - EWD - Body Systems - Lighting - Exterior Lights Schematics - Controls and Indicators.cgm
Opel EWD - 2017 - Cascada - EWD - Body Systems - Lighting - Exterior Lights Schematics - Left Park, Tail and Stop Lamps.cgm
Opel EWD - 2017 - Cascada - EWD - Body Systems - Lighting - Exterior Lights Schematics - Left Turn Signal and Cornering Lamps.cgm
Opel EWD - 2017 - Cascada - EWD - Body Systems - Lighting - Exterior Lights Schematics - License and Backup Lamps.cgm
Opel EWD - 2017 - Cascada - EWD - Body Systems - Lighting - Exterior Lights Schematics - Right Park, Tail and Stop Lamps.cgm
Opel EWD - 2017 - Cascada - EWD - Body Systems - Lighting - Exterior Lights Schematics - Right Turn Signal and Cornering Lamps.cgm
Opel EWD - 2017 - Cascada - EWD - Body Systems - Lighting - Exterior Lights Schematics - Stop Lamps.cgm
Opel EWD - 2017 - Cascada - EWD - Body Systems - Lighting - Fog Lights Schematics - Front and Rear Fog Lights.cgm
Opel EWD - 2017 - Cascada - EWD - Body Systems - Lighting - Headlights Daytime Running Lights (DRL) Schematics - Adaptive Forward Lighting (T4F with T95).cgm
Opel EWD - 2017 - Cascada - EWD - Body Systems - Lighting - Headlights Daytime Running Lights (DRL) Schematics - Daytime Running Lights (T4F with T95).cgm
Opel EWD - 2017 - Cascada - EWD - Body Systems - Lighting - Headlights Daytime Running Lights (DRL) Schematics - Headlamp Leveling (T4A).cgm
Opel EWD - 2017 - Cascada - EWD - Body Systems - Lighting - Headlights Daytime Running Lights (DRL) Schematics - Headlamp Leveling and Steering (T4F with T95).cgm
Opel EWD - 2017 - Cascada - EWD - Body Systems - Lighting - Headlights Daytime Running Lights (DRL) Schematics - High Beams (T4F with T95).cgm
Opel EWD - 2017 - Cascada - EWD - Body Systems - Lighting - Headlights Daytime Running Lights (DRL) Schematics - Low and High Beams and Daytime Running Lights (T4A).cgm
Opel EWD - 2017 - Cascada - EWD - Body Systems - Lighting - Headlights Daytime Running Lights (DRL) Schematics - Switches and Inputs.cgm
Opel EWD - 2017 - Cascada - EWD - Body Systems - Lighting - Interior Lights Dimming Schematics - Accent Lamps (C9B or C9D).cgm
Opel EWD - 2017 - Cascada - EWD - Body Systems - Lighting - Interior Lights Dimming Schematics - Dimmer Switch, Window Switches, Mirror Switch, Dome Reading Lamps, and Seat Ventilation Switches.cgm
Opel EWD - 2017 - Cascada - EWD - Body Systems - Lighting - Interior Lights Dimming Schematics - Instrument Panel Switches (1 of 2), Steering Wheel Switches and Accessory Power Receptacle.cgm
Opel EWD - 2017 - Cascada - EWD - Body Systems - Lighting - Interior Lights Dimming Schematics - Instrument Panel Switches (2 of 2), Park Brake Switch, Instrument Cluster, Radio and HVAC Controls.cgm
Opel EWD - 2017 - Cascada - EWD - Body Systems - Lighting - Interior Lights Schematics - Dome Reading and Rear Compartment Lamps.cgm
Opel EWD - 2017 - Cascada - EWD - Body Systems - Lighting - Interior Lights Schematics - Instrument Panel Compartment, Dome Reading and Sunshade Lamps.cgm
Opel EWD - 2017 - Cascada - EWD - Body Systems - Mirrors - Inside Rearview Mirror Schematics - Inside Rearview Mirror.cgm
Opel EWD - 2017 - Cascada - EWD - Body Systems - Mirrors - Outside Rearview Mirror Schematics - Heated Mirrors.cgm
Opel EWD - 2017 - Cascada - EWD - Body Systems - Mirrors - Outside Rearview Mirror Schematics - Left Hand Drive (with DWF).cgm
Opel EWD - 2017 - Cascada - EWD - Body Systems - Mirrors - Outside Rearview Mirror Schematics - Left Hand Drive (without DWF).cgm
Opel EWD - 2017 - Cascada - EWD - Body Systems - Mirrors - Outside Rearview Mirror Schematics - Right Hand Drive (with DWF).cgm
Opel EWD - 2017 - Cascada - EWD - Body Systems - Mirrors - Outside Rearview Mirror Schematics - Right Hand Drive (without DWF).cgm
Opel EWD - 2017 - Cascada - EWD - Body Systems - Vehicle Access - Door Lock Indicator Schematics - Actuators.cgm
Opel EWD - 2017 - Cascada - EWD - Body Systems - Vehicle Access - Door Lock Indicator Schematics - Controls.cgm
Opel EWD - 2017 - Cascada - EWD - Body Systems - Vehicle Access - Door Lock Indicator Schematics - Indicators.cgm
Opel EWD - 2017 - Cascada - EWD - Body Systems - Vehicle Access - Release Systems Schematics - Fuel Door.cgm
Opel EWD - 2017 - Cascada - EWD - Body Systems - Vehicle Access - Release Systems Schematics - Liftgate Release.cgm
Opel EWD - 2017 - Cascada - EWD - Body Systems - Wipers and Washers - Front Wipers.cgm
Opel EWD - 2017 - Cascada - EWD - Body Systems - Wipers and Washers - Headlamp Washers.cgm
Opel EWD - 2017 - Cascada - EWD - Body Systems - Wipers and Washers - Windshield Window Washers.cgm
Opel EWD - 2017 - Cascada - EWD - Brakes - Antilock Brake System - Power, Ground and Serial Data.cgm
Opel EWD - 2017 - Cascada - EWD - Brakes - Antilock Brake System - Sensors.cgm
Opel EWD - 2017 - Cascada - EWD - Brakes - Hydraulic Brakes - Hydraulic Brakes (LHD+(LFS LUJ)).cgm
Opel EWD - 2017 - Cascada - EWD - Brakes - Hydraulic Brakes - Hydraulic Brakes (LHD+LWC).cgm
Opel EWD - 2017 - Cascada - EWD - Brakes - Hydraulic Brakes - Hydraulic Brakes (RHD+(LFS LUJ)).cgm
Opel EWD - 2017 - Cascada - EWD - Brakes - Hydraulic Brakes - Hydraulic Brakes (RHD+LWC).cgm
Opel EWD - 2017 - Cascada - EWD - Brakes - Park Brake - Park Brake (J71).cgm
Opel EWD - 2017 - Cascada - EWD - Driver Information and Entertainment - Cellular, Entertainment, and Navigation - OnStar Telematics Schematics - OnStar Telematics Schematics.cgm
Opel EWD - 2017 - Cascada - EWD - Driver Information and Entertainment - Cellular, Entertainment, and Navigation - Radio Navigation System Schematics - Auxiliary Inputs (TTX and NV).cgm
Opel EWD - 2017 - Cascada - EWD - Driver Information and Entertainment - Cellular, Entertainment, and Navigation - Radio Navigation System Schematics - Auxiliary Inputs (TTX).cgm
Opel EWD - 2017 - Cascada - EWD - Driver Information and Entertainment - Cellular, Entertainment, and Navigation - Radio Navigation System Schematics - Digital Radio Receiver (U4D).cgm
Opel EWD - 2017 - Cascada - EWD - Driver Information and Entertainment - Cellular, Entertainment, and Navigation - Radio Navigation System Schematics - Navigation System (UDN).cgm
Opel EWD - 2017 - Cascada - EWD - Driver Information and Entertainment - Cellular, Entertainment, and Navigation - Radio Navigation System Schematics - Navigation System (UFD or UAG).cgm
Opel EWD - 2017 - Cascada - EWD - Driver Information and Entertainment - Cellular, Entertainment, and Navigation - Radio Navigation System Schematics - Power, Ground and Serial Data.cgm
Opel EWD - 2017 - Cascada - EWD - Driver Information and Entertainment - Cellular, Entertainment, and Navigation - Radio Navigation System Schematics - Speakers (U65, U66 or UW4).cgm
Opel EWD - 2017 - Cascada - EWD - Driver Information and Entertainment - Displays and Gauges - Audible Warnings Schematics - Chime Alarm.cgm
Opel EWD - 2017 - Cascada - EWD - Driver Information and Entertainment - Displays and Gauges - Instrument Cluster Schematics - Ambient Air Temperature Sensor and Driver Information.cgm
Opel EWD - 2017 - Cascada - EWD - Driver Information and Entertainment - Displays and Gauges - Instrument Cluster Schematics - Gauges (LFS LUJ).cgm
Opel EWD - 2017 - Cascada - EWD - Driver Information and Entertainment - Displays and Gauges - Instrument Cluster Schematics - Gauges (LWC).cgm
Opel EWD - 2017 - Cascada - EWD - Driver Information and Entertainment - Displays and Gauges - Instrument Cluster Schematics - Indicators.cgm
Opel EWD - 2017 - Cascada - EWD - Driver Information and Entertainment - Secondary and Configurable Customer Controls - Steering Wheel Secondary Configurable Control Schematics - Steering Wheel Controls.cgm
Opel EWD - 2017 - Cascada - EWD - Engine - 1.4L (LUJ) - 12 V Starting and Charging - Charging ((LFS LUJ) with KL9).cgm
Opel EWD - 2017 - Cascada - EWD - Engine - 1.4L (LUJ) - 12 V Starting and Charging - Charging (LWC with KL9).cgm
Opel EWD - 2017 - Cascada - EWD - Engine - 1.4L (LUJ) - 12 V Starting and Charging - Charging (without KL9).cgm
Opel EWD - 2017 - Cascada - EWD - Engine - 1.4L (LUJ) - 12 V Starting and Charging - Starting (LFS LUJ).cgm
Opel EWD - 2017 - Cascada - EWD - Engine - 1.4L (LUJ) - 12 V Starting and Charging - Starting (LWC).cgm
Opel EWD - 2017 - Cascada - EWD - Engine - 1.4L (LUJ) - 12 V Starting and Charging - Stop Start System (with KL9).cgm
Opel EWD - 2017 - Cascada - EWD - Engine - 1.4L (LUJ) - Cruise Control - Cruise Control (LFS LUJ).cgm
Opel EWD - 2017 - Cascada - EWD - Engine - 1.4L (LUJ) - Cruise Control - Cruise Control (LWC).cgm
Opel EWD - 2017 - Cascada - EWD - Engine - 1.4L (LUJ) - Engine Controls and Fuel - 1.4L (LUJ) - 5V1, 5V2 and Low Reference Bus (LUJ) (1 of 2).cgm
Opel EWD - 2017 - Cascada - EWD - Engine - 1.4L (LUJ) - Engine Controls and Fuel - 1.4L (LUJ) - 5V3, 5V4 and Low Reference Bus (LUJ) (2 of 2).cgm
Opel EWD - 2017 - Cascada - EWD - Engine - 1.4L (LUJ) - Engine Controls and Fuel - 1.4L (LUJ) - Camshaft and Crankshaft Sensors and Actuators and Knock Sensor (LUJ).cgm
Opel EWD - 2017 - Cascada - EWD - Engine - 1.4L (LUJ) - Engine Controls and Fuel - 1.4L (LUJ) - Fuel Injectors and Ignition Controls (LUJ).cgm
Opel EWD - 2017 - Cascada - EWD - Engine - 1.4L (LUJ) - Engine Controls and Fuel - 1.4L (LUJ) - Intake Pressure and Air Temperature Sensors (LUJ).cgm
Opel EWD - 2017 - Cascada - EWD - Engine - 1.4L (LUJ) - Engine Controls and Fuel - 1.4L (LUJ) - Module Power, Ground, Serial Data and MIL (LUJ).cgm
Opel EWD - 2017 - Cascada - EWD - Engine - 1.4L (LUJ) - Engine Controls and Fuel - 1.4L (LUJ) - Module Power, Ground, Serial Data and MIL (LVP with NE9).cgm
Opel EWD - 2017 - Cascada - EWD - Engine - 1.4L (LUJ) - Engine Controls and Fuel - 1.4L (LUJ) - Oxygen Sensors and Evaporative Emission Controls (LUJ).cgm
Opel EWD - 2017 - Cascada - EWD - Engine - 1.4L (LUJ) - Engine Controls and Fuel - 1.4L (LUJ) - Pressure and Temperature Sensors (LUJ).cgm
Opel EWD - 2017 - Cascada - EWD - Engine - 1.4L (LUJ) - Engine Controls and Fuel - 1.4L (LUJ) - Throttle Controls (LUJ).cgm
Opel EWD - 2017 - Cascada - EWD - Engine - 1.4L (LUJ) - Engine Heating and Cooling - Coolant Pump - Auxiliary (LVP or LWC).cgm
Opel EWD - 2017 - Cascada - EWD - Engine - 1.4L (LUJ) - Engine Heating and Cooling - Coolant Pump Clutch (LFS).cgm
Opel EWD - 2017 - Cascada - EWD - Engine - 1.4L (LUJ) - Engine Heating and Cooling - Gas.cgm
Opel EWD - 2017 - Cascada - EWD - Engine - 1.6L (LWC) - 12 V Starting and Charging - Charging ((LFS LUJ) with KL9).cgm
Opel EWD - 2017 - Cascada - EWD - Engine - 1.6L (LWC) - 12 V Starting and Charging - Charging (LWC with KL9).cgm
Opel EWD - 2017 - Cascada - EWD - Engine - 1.6L (LWC) - 12 V Starting and Charging - Charging (without KL9).cgm
Opel EWD - 2017 - Cascada - EWD - Engine - 1.6L (LWC) - 12 V Starting and Charging - Starting (LFS LUJ).cgm
Opel EWD - 2017 - Cascada - EWD - Engine - 1.6L (LWC) - 12 V Starting and Charging - Starting (LWC).cgm
Opel EWD - 2017 - Cascada - EWD - Engine - 1.6L (LWC) - 12 V Starting and Charging - Stop Start System (with KL9).cgm
Opel EWD - 2017 - Cascada - EWD - Engine - 1.6L (LWC) - Cruise Control - Cruise Control (LFS LUJ).cgm
Opel EWD - 2017 - Cascada - EWD - Engine - 1.6L (LWC) - Cruise Control - Cruise Control (LWC).cgm
Opel EWD - 2017 - Cascada - EWD - Engine - 1.6L (LWC) - Engine Controls and Fuel - 1.6L (LWC) - Engine Controls Schematics (LVP or LWC with NE4) - 5V1, 5V2 and Low Reference Bus (LVP or LWC with NE4) (1 of 2).cgm
Opel EWD - 2017 - Cascada - EWD - Engine - 1.6L (LWC) - Engine Controls and Fuel - 1.6L (LWC) - Engine Controls Schematics (LVP or LWC with NE4) - 5V3, 5V4 and Low Reference Bus (LVP or LWC with NE4) (2 of 2).cgm
Opel EWD - 2017 - Cascada - EWD - Engine - 1.6L (LWC) - Engine Controls and Fuel - 1.6L (LWC) - Engine Controls Schematics (LVP or LWC with NE4) - Camshaft, Crankshaft and Knock Sensors and Camshaft Actuators (LVP or LWC with NE4).cgm
Opel EWD - 2017 - Cascada - EWD - Engine - 1.6L (LWC) - Engine Controls and Fuel - 1.6L (LWC) - Engine Controls Schematics (LVP or LWC with NE4) - Controlled Monitored Subsystem References (LVP or LWC with NE4).cgm
Opel EWD - 2017 - Cascada - EWD - Engine - 1.6L (LWC) - Engine Controls and Fuel - 1.6L (LWC) - Engine Controls Schematics (LVP or LWC with NE4) - Evaporative Emissions, Turbocharger Control and Engine Oil Pressure (LVP or LWC with NE4).cgm
Opel EWD - 2017 - Cascada - EWD - Engine - 1.6L (LWC) - Engine Controls and Fuel - 1.6L (LWC) - Engine Controls Schematics (LVP or LWC with NE4) - Fuel Injectors and High Pressure Control (LVP or LWC with NE4).cgm
Opel EWD - 2017 - Cascada - EWD - Engine - 1.6L (LWC) - Engine Controls and Fuel - 1.6L (LWC) - Engine Controls Schematics (LVP or LWC with NE4) - Fuel Pump (LVP or LWC with NE4).cgm
Opel EWD - 2017 - Cascada - EWD - Engine - 1.6L (LWC) - Engine Controls and Fuel - 1.6L (LWC) - Engine Controls Schematics (LVP or LWC with NE4) - Ignition Coils (LVP or LWC with NE4).cgm
Opel EWD - 2017 - Cascada - EWD - Engine - 1.6L (LWC) - Engine Controls and Fuel - 1.6L (LWC) - Engine Controls Schematics (LVP or LWC with NE4) - Intake Air and Temperature Sensors (LWC with NE4).cgm
Opel EWD - 2017 - Cascada - EWD - Engine - 1.6L (LWC) - Engine Controls and Fuel - 1.6L (LWC) - Engine Controls Schematics (LVP or LWC with NE4) - Module Power, Ground, Serial Data and MIL (LVP or LWC with NE4).cgm
Opel EWD - 2017 - Cascada - EWD - Engine - 1.6L (LWC) - Engine Controls and Fuel - 1.6L (LWC) - Engine Controls Schematics (LVP or LWC with NE4) - Pressure and Oxygen Sensors and Thermostat Heater (LVP or LWC with NE4).cgm
Opel EWD - 2017 - Cascada - EWD - Engine - 1.6L (LWC) - Engine Controls and Fuel - 1.6L (LWC) - Engine Controls Schematics (LVP or LWC with NE4) - Throttle Controls (LVP or LWC with NE4).cgm
Opel EWD - 2017 - Cascada - EWD - Engine - 1.6L (LWC) - Engine Controls and Fuel - 1.6L (LWC) - Engine Controls Schematics (LVP or LWC with NE9) - 5V1, 5V2 and Low Reference Bus (LVP or LWC with NE9) (1 of 2).cgm
Opel EWD - 2017 - Cascada - EWD - Engine - 1.6L (LWC) - Engine Controls and Fuel - 1.6L (LWC) - Engine Controls Schematics (LVP or LWC with NE9) - 5V3, 5V4 and Low Reference Bus (LVP or LWC with NE9) (2 of 2).cgm
Opel EWD - 2017 - Cascada - EWD - Engine - 1.6L (LWC) - Engine Controls and Fuel - 1.6L (LWC) - Engine Controls Schematics (LVP or LWC with NE9) - Camshaft, Crankshaft and Knock Sensors and Camshaft Actuators (LVP or LWC with NE9).cgm
Opel EWD - 2017 - Cascada - EWD - Engine - 1.6L (LWC) - Engine Controls and Fuel - 1.6L (LWC) - Engine Controls Schematics (LVP or LWC with NE9) - Controlled Monitored Subsystem References (LVP or LWC with NE9).cgm
Opel EWD - 2017 - Cascada - EWD - Engine - 1.6L (LWC) - Engine Controls and Fuel - 1.6L (LWC) - Engine Controls Schematics (LVP or LWC with NE9) - Evaporative Emissions, Turbocharger Control and Engine Oil Pressure (LVP or LWC with NE9).cgm
Opel EWD - 2017 - Cascada - EWD - Engine - 1.6L (LWC) - Engine Controls and Fuel - 1.6L (LWC) - Engine Controls Schematics (LVP or LWC with NE9) - Fuel Injectors and High Pressure Control (LVP or LWC with NE9).cgm
Opel EWD - 2017 - Cascada - EWD - Engine - 1.6L (LWC) - Engine Controls and Fuel - 1.6L (LWC) - Engine Controls Schematics (LVP or LWC with NE9) - Fuel Pump (LVP or LWC with NE9).cgm
Opel EWD - 2017 - Cascada - EWD - Engine - 1.6L (LWC) - Engine Controls and Fuel - 1.6L (LWC) - Engine Controls Schematics (LVP or LWC with NE9) - Ignition Coils (LVP or LWC with NE9).cgm
Opel EWD - 2017 - Cascada - EWD - Engine - 1.6L (LWC) - Engine Controls and Fuel - 1.6L (LWC) - Engine Controls Schematics (LVP or LWC with NE9) - Intake Air and Temperature Sensors (LVP or LWC with NE9).cgm
Opel EWD - 2017 - Cascada - EWD - Engine - 1.6L (LWC) - Engine Controls and Fuel - 1.6L (LWC) - Engine Controls Schematics (LVP or LWC with NE9) - Module Power, Ground, Serial Data and MIL (LVP or LWC with NE9).cgm
Opel EWD - 2017 - Cascada - EWD - Engine - 1.6L (LWC) - Engine Controls and Fuel - 1.6L (LWC) - Engine Controls Schematics (LVP or LWC with NE9) - Pressure and Oxygen Sensors and Thermostat Heater (LVP or LWC with NE9).cgm
Opel EWD - 2017 - Cascada - EWD - Engine - 1.6L (LWC) - Engine Controls and Fuel - 1.6L (LWC) - Engine Controls Schematics (LVP or LWC with NE9) - Throttle Controls (LVP or LWC with NE9).cgm
Opel EWD - 2017 - Cascada - EWD - Engine - 1.6L (LWC) - Engine Heating and Cooling - Coolant Pump - Auxiliary (LVP or LWC).cgm
Opel EWD - 2017 - Cascada - EWD - Engine - 1.6L (LWC) - Engine Heating and Cooling - Coolant Pump Clutch (LFS).cgm
Opel EWD - 2017 - Cascada - EWD - Engine - 1.6L (LWC) - Engine Heating and Cooling - Gas.cgm
Opel EWD - 2017 - Cascada - EWD - Engine - 1.6L (LWC) - Engine Mechanical - 1.6L (LWC) - Engine Oil Level and Pressure Control (LVP or LWC).cgm
Opel EWD - 2017 - Cascada - EWD - Engine - 2.0L (LFS) - 12 V Starting and Charging - Charging ((LFS LUJ) with KL9).cgm
Opel EWD - 2017 - Cascada - EWD - Engine - 2.0L (LFS) - 12 V Starting and Charging - Charging (LWC with KL9).cgm
Opel EWD - 2017 - Cascada - EWD - Engine - 2.0L (LFS) - 12 V Starting and Charging - Charging (without KL9).cgm
Opel EWD - 2017 - Cascada - EWD - Engine - 2.0L (LFS) - 12 V Starting and Charging - Starting (LFS LUJ).cgm
Opel EWD - 2017 - Cascada - EWD - Engine - 2.0L (LFS) - 12 V Starting and Charging - Starting (LWC).cgm
Opel EWD - 2017 - Cascada - EWD - Engine - 2.0L (LFS) - 12 V Starting and Charging - Stop Start System (with KL9).cgm
Opel EWD - 2017 - Cascada - EWD - Engine - 2.0L (LFS) - Cruise Control - Cruise Control (LFS LUJ).cgm
Opel EWD - 2017 - Cascada - EWD - Engine - 2.0L (LFS) - Cruise Control - Cruise Control (LWC).cgm
Opel EWD - 2017 - Cascada - EWD - Engine - 2.0L (LFS) - Engine Controls and Fuel - 2.0L (LFS) Diesel - 5V1, 5V2 and Low Reference Bus (LFS) (1 of 3).cgm
Opel EWD - 2017 - Cascada - EWD - Engine - 2.0L (LFS) - Engine Controls and Fuel - 2.0L (LFS) Diesel - 5V2, 5V3 and Low Reference Bus (LFS) (2 of 3).cgm
Opel EWD - 2017 - Cascada - EWD - Engine - 2.0L (LFS) - Engine Controls and Fuel - 2.0L (LFS) Diesel - Controlled Monitored Subsystem References (LFS).cgm
Opel EWD - 2017 - Cascada - EWD - Engine - 2.0L (LFS) - Engine Controls and Fuel - 2.0L (LFS) Diesel - Emissions Controls - Reductant System (LFS).cgm
Opel EWD - 2017 - Cascada - EWD - Engine - 2.0L (LFS) - Engine Controls and Fuel - 2.0L (LFS) Diesel - Engine Data Sensors - Exhaust Controls (LFS).cgm
Opel EWD - 2017 - Cascada - EWD - Engine - 2.0L (LFS) - Engine Controls and Fuel - 2.0L (LFS) Diesel - Engine Data Sensors - Heated Oxygen Sensor and Intake Manifold Runner Control (LFS).cgm
Opel EWD - 2017 - Cascada - EWD - Engine - 2.0L (LFS) - Engine Controls and Fuel - 2.0L (LFS) Diesel - Engine Data Sensors - Nitrogen Oxides and Reductant Sensor Module (LFS) (1 of 2).cgm
Opel EWD - 2017 - Cascada - EWD - Engine - 2.0L (LFS) - Engine Controls and Fuel - 2.0L (LFS) Diesel - Engine Data Sensors - Nitrogen Oxides and Reductant Sensor Module (LFS) (2 of 2).cgm
Opel EWD - 2017 - Cascada - EWD - Engine - 2.0L (LFS) - Engine Controls and Fuel - 2.0L (LFS) Diesel - Engine Data Sensors - Oil Pressure Solenoid, Camshaft and Crankshaft Sensors (LFS).cgm
Opel EWD - 2017 - Cascada - EWD - Engine - 2.0L (LFS) - Engine Controls and Fuel - 2.0L (LFS) Diesel - Engine Data Sensors - Pressure and Temperature (LFS).cgm
Opel EWD - 2017 - Cascada - EWD - Engine - 2.0L (LFS) - Engine Controls and Fuel - 2.0L (LFS) Diesel - Engine Data Sensors - Throttle and Turbocharger (LFS).cgm
Opel EWD - 2017 - Cascada - EWD - Engine - 2.0L (LFS) - Engine Controls and Fuel - 2.0L (LFS) Diesel - Fuel Controls - Fuel Pump, Fuel Injectors and Water in Fuel (LFS).cgm
Opel EWD - 2017 - Cascada - EWD - Engine - 2.0L (LFS) - Engine Controls and Fuel - 2.0L (LFS) Diesel - Fuel Controls - Glow Plugs, Pressure Sensors and Fuel Heater (LFS).cgm
Opel EWD - 2017 - Cascada - EWD - Engine - 2.0L (LFS) - Engine Controls and Fuel - 2.0L (LFS) Diesel - Low Reference Bus (LFS) (3 of 3).cgm
Opel EWD - 2017 - Cascada - EWD - Engine - 2.0L (LFS) - Engine Controls and Fuel - 2.0L (LFS) Diesel - Module Power, Ground, Serial Data and MIL (LFS).cgm
Opel EWD - 2017 - Cascada - EWD - Engine - 2.0L (LFS) - Engine Heating and Cooling - Coolant Pump - Auxiliary (LVP or LWC).cgm
Opel EWD - 2017 - Cascada - EWD - Engine - 2.0L (LFS) - Engine Heating and Cooling - Coolant Pump Clutch (LFS).cgm
Opel EWD - 2017 - Cascada - EWD - Engine - 2.0L (LFS) - Engine Heating and Cooling - Gas.cgm
Opel EWD - 2017 - Cascada - EWD - Engine - 2.0L (LFS) - Engine Mechanical - 2.0L (LFS) Diesel - Engine Oil Level and Pressure Control (LFS).cgm
Opel EWD - 2017 - Cascada - EWD - HVAC - HVAC - Automatic - Air Delivery and Temperature Controls (CJ2).cgm
Opel EWD - 2017 - Cascada - EWD - HVAC - HVAC - Automatic - Air Quality and Temperature Sensors (CJ2).cgm
Opel EWD - 2017 - Cascada - EWD - HVAC - HVAC - Automatic - Ambient Light Sunload Sensor and Front Spoiler Air Inlet Motor (CJ2).cgm
Opel EWD - 2017 - Cascada - EWD - HVAC - HVAC - Automatic - Auxiliary Heater (C32 with CJ2).cgm
Opel EWD - 2017 - Cascada - EWD - HVAC - HVAC - Automatic - Blower Motor Controls (CJ2).cgm
Opel EWD - 2017 - Cascada - EWD - HVAC - HVAC - Automatic - Compressor Controls ((LFS LUJ)+CJ2).cgm
Opel EWD - 2017 - Cascada - EWD - HVAC - HVAC - Automatic - Compressor Controls (LWC + CJ2).cgm
Opel EWD - 2017 - Cascada - EWD - HVAC - HVAC - Automatic - Coolant Pump - Auxiliary (LWC with CJ2).cgm
Opel EWD - 2017 - Cascada - EWD - HVAC - HVAC - Automatic - Parking Heater Power, Ground, Diagnostic Connector and Serial Data (K07 with CJ2).cgm
Opel EWD - 2017 - Cascada - EWD - HVAC - HVAC - Automatic - Parking Heater Sensors and Controls (K07 with CJ2).cgm
Opel EWD - 2017 - Cascada - EWD - HVAC - HVAC - Automatic - Parking Heater Switch (K07 with CJ2).cgm
Opel EWD - 2017 - Cascada - EWD - HVAC - HVAC - Automatic - Power, Ground, Blower Motor Controls and Subsystem References (CJ2).cgm
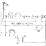
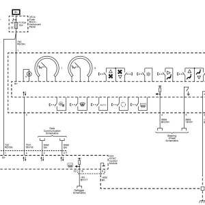
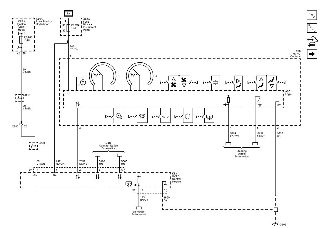
Opel EWD - 2017 - Cascada - EWD - HVAC - HVAC - Manual - Air Delivery and Temperature Controls (C42 or C67).cgm
Opel EWD - 2017 - Cascada - EWD - HVAC - HVAC - Manual - Auxiliary Heater (C32 with C42 or C67).cgm
Opel EWD - 2017 - Cascada - EWD - HVAC - HVAC - Manual - Blower Motor Controls (C42 or C67).cgm
Opel EWD - 2017 - Cascada - EWD - HVAC - HVAC - Manual - Compressor Controls (LFS OR LUJ) with (C42 or C67)).cgm
Opel EWD - 2017 - Cascada - EWD - HVAC - HVAC - Manual - Compressor Controls (LWC with (C42 or C67)).cgm
Opel EWD - 2017 - Cascada - EWD - HVAC - HVAC - Manual - Coolant Pump - Auxiliary (LVP or LWC with C42 or C67).cgm
Opel EWD - 2017 - Cascada - EWD - HVAC - HVAC - Manual - Power, Ground, Blower Motor Controls and Subsystem References (C42 or C67).cgm
Opel EWD - 2017 - Cascada - EWD - Power and Signal Distribution - Data Communications - Body Control System Schematics - Module Power, Ground and Serial Data.cgm
Opel EWD - 2017 - Cascada - EWD - Power and Signal Distribution - Data Communications - Body Control System Schematics - Subsystem References (1 of 3).cgm
Opel EWD - 2017 - Cascada - EWD - Power and Signal Distribution - Data Communications - Body Control System Schematics - Subsystem References (2 of 3).cgm
Opel EWD - 2017 - Cascada - EWD - Power and Signal Distribution - Data Communications - Body Control System Schematics - Subsystem References (3 of 3).cgm
Opel EWD - 2017 - Cascada - EWD - Power and Signal Distribution - Data Communications - Data Communication Schematics - Communication Enable Distribution.cgm
Opel EWD - 2017 - Cascada - EWD - Power and Signal Distribution - Data Communications - Data Communication Schematics - High Speed CAN (3 of 3).cgm
Opel EWD - 2017 - Cascada - EWD - Power and Signal Distribution - Data Communications - Data Communication Schematics - High Speed CAN (LFS LUJ) (2 of 3).cgm
Opel EWD - 2017 - Cascada - EWD - Power and Signal Distribution - Data Communications - Data Communication Schematics - High Speed CAN (LWC) (1 of 3).cgm
Opel EWD - 2017 - Cascada - EWD - Power and Signal Distribution - Data Communications - Data Communication Schematics - High Speed Chassis CAN.cgm
Opel EWD - 2017 - Cascada - EWD - Power and Signal Distribution - Data Communications - Data Communication Schematics - Linear Interconnect Network (LIN).cgm
Opel EWD - 2017 - Cascada - EWD - Power and Signal Distribution - Data Communications - Data Communication Schematics - Low Speed CAN.cgm
Opel EWD - 2017 - Cascada - EWD - Power and Signal Distribution - Data Communications - Data Communication Schematics - Mid Speed CAN (U4D without UNM or UPH without UNM).cgm
Opel EWD - 2017 - Cascada - EWD - Power and Signal Distribution - Data Communications - Data Communication Schematics - Powertrain Expansion Bus (LFS).cgm
Opel EWD - 2017 - Cascada - EWD - Power and Signal Distribution - Power Outlets - Cigar Lighter Power Outlet Schematics - Instrument Panel and Center Console Accessory Outlets.cgm
Opel EWD - 2017 - Cascada - EWD - Power and Signal Distribution - Wiring Systems and Power Management - Ground Distribution Schematics - G101 (1 of 2).cgm
Opel EWD - 2017 - Cascada - EWD - Power and Signal Distribution - Wiring Systems and Power Management - Ground Distribution Schematics - G101 (2 of 2).cgm
Opel EWD - 2017 - Cascada - EWD - Power and Signal Distribution - Wiring Systems and Power Management - Ground Distribution Schematics - G102.cgm
Opel EWD - 2017 - Cascada - EWD - Power and Signal Distribution - Wiring Systems and Power Management - Ground Distribution Schematics - G103 (LFS).cgm
Opel EWD - 2017 - Cascada - EWD - Power and Signal Distribution - Wiring Systems and Power Management - Ground Distribution Schematics - G103, G104 and G105 (LUJ, LVP or LWC).cgm
Opel EWD - 2017 - Cascada - EWD - Power and Signal Distribution - Wiring Systems and Power Management - Ground Distribution Schematics - G106, G111 and G112.cgm
Opel EWD - 2017 - Cascada - EWD - Power and Signal Distribution - Wiring Systems and Power Management - Ground Distribution Schematics - G110.cgm
Opel EWD - 2017 - Cascada - EWD - Power and Signal Distribution - Wiring Systems and Power Management - Ground Distribution Schematics - G201 (1 of 2).cgm
Opel EWD - 2017 - Cascada - EWD - Power and Signal Distribution - Wiring Systems and Power Management - Ground Distribution Schematics - G201 (2 of 2).cgm
Opel EWD - 2017 - Cascada - EWD - Power and Signal Distribution - Wiring Systems and Power Management - Ground Distribution Schematics - G202 and G204.cgm
Opel EWD - 2017 - Cascada - EWD - Power and Signal Distribution - Wiring Systems and Power Management - Ground Distribution Schematics - G203 (1 of 2).cgm
Opel EWD - 2017 - Cascada - EWD - Power and Signal Distribution - Wiring Systems and Power Management - Ground Distribution Schematics - G203 (2 of 2).cgm
Opel EWD - 2017 - Cascada - EWD - Power and Signal Distribution - Wiring Systems and Power Management - Ground Distribution Schematics - G301, G303, G306, G402 and G405.cgm
Opel EWD - 2017 - Cascada - EWD - Power and Signal Distribution - Wiring Systems and Power Management - Ground Distribution Schematics - G302.cgm
Opel EWD - 2017 - Cascada - EWD - Power and Signal Distribution - Wiring Systems and Power Management - Ground Distribution Schematics - G305.cgm
Opel EWD - 2017 - Cascada - EWD - Power and Signal Distribution - Wiring Systems and Power Management - Ground Distribution Schematics - G401.cgm
Opel EWD - 2017 - Cascada - EWD - Power and Signal Distribution - Wiring Systems and Power Management - Ground Distribution Schematics - G403.cgm
Opel EWD - 2017 - Cascada - EWD - Power and Signal Distribution - Wiring Systems and Power Management - Ignition Lock Schematics - Ignition Lock.cgm
Opel EWD - 2017 - Cascada - EWD - Power and Signal Distribution - Wiring Systems and Power Management - Power Distribution Schematics - B+ Bus (2 of 2).cgm
Opel EWD - 2017 - Cascada - EWD - Power and Signal Distribution - Wiring Systems and Power Management - Power Distribution Schematics - B+ Bus (LFS) (1 of 2).cgm
Opel EWD - 2017 - Cascada - EWD - Power and Signal Distribution - Wiring Systems and Power Management - Power Distribution Schematics - B+ Bus (-LFS) (2 of 3).cgm
Opel EWD - 2017 - Cascada - EWD - Power and Signal Distribution - Wiring Systems and Power Management - Power Distribution Schematics - Battery Fuse Block.cgm
Opel EWD - 2017 - Cascada - EWD - Power and Signal Distribution - Wiring Systems and Power Management - Power Distribution Schematics - F01UA. F04UA and F08UA Fuses.cgm
Opel EWD - 2017 - Cascada - EWD - Power and Signal Distribution - Wiring Systems and Power Management - Power Distribution Schematics - F02UA, and F27UA Fuses.cgm
Opel EWD - 2017 - Cascada - EWD - Power and Signal Distribution - Wiring Systems and Power Management - Power Distribution Schematics - F03UA and F07UA Fuses.cgm
Opel EWD - 2017 - Cascada - EWD - Power and Signal Distribution - Wiring Systems and Power Management - Power Distribution Schematics - F05UA, F32UA, F51UA and F54UA Fuses.cgm
Opel EWD - 2017 - Cascada - EWD - Power and Signal Distribution - Wiring Systems and Power Management - Power Distribution Schematics - F06UA, F18UA, F22UA, F24UA, F25UA, F41UA and F47UA Fuses.cgm
Opel EWD - 2017 - Cascada - EWD - Power and Signal Distribution - Wiring Systems and Power Management - Power Distribution Schematics - F11RA, F12RA, F14RA, F15RA, F16RA, F19RA, F20RA, F21RA, F27RA and F29RA Fuses.cgm
Opel EWD - 2017 - Cascada - EWD - Power and Signal Distribution - Wiring Systems and Power Management - Power Distribution Schematics - F14DA, F15DA, F17DA, F19DA, F21DA, F22DA, F23DA, F24DA, F25DA and F26DA Fuses.cgm
Opel EWD - 2017 - Cascada - EWD - Power and Signal Distribution - Wiring Systems and Power Management - Power Distribution Schematics - F1DA, F4DA, F5DA, F6DA, F7DA and F18DA Fuses.cgm
Opel EWD - 2017 - Cascada - EWD - Power and Signal Distribution - Wiring Systems and Power Management - Power Distribution Schematics - F1RA, F3RA, F7RA, F8RA, F9RA, F10RA, F23RA, F24RA, F25RA, F26RA, F32RA and F21UA Fuses.cgm
Opel EWD - 2017 - Cascada - EWD - Power and Signal Distribution - Wiring Systems and Power Management - Power Distribution Schematics - F1UA, F3UA, F4UA, F10UA, F12UA, F13UA, F15UA, F17UA, F19UA, F20UA and F30UA Fuses.cgm
Opel EWD - 2017 - Cascada - EWD - Power and Signal Distribution - Wiring Systems and Power Management - Power Distribution Schematics - F26UA, F45UA and F48UA Fuses.cgm
Opel EWD - 2017 - Cascada - EWD - Power and Signal Distribution - Wiring Systems and Power Management - Power Distribution Schematics - F28UA, F29UA, F35UA, F36UA, F38UA, F39UA and F43UA Fuses.cgm
Opel EWD - 2017 - Cascada - EWD - Power and Signal Distribution - Wiring Systems and Power Management - Power Distribution Schematics - F2DA, F3DA, F8DA, F9DA, F10DA and F11DA Fuses, F12DA and F13DA Circuit Breaker.cgm
Opel EWD - 2017 - Cascada - EWD - Power and Signal Distribution - Wiring Systems and Power Management - Power Distribution Schematics - F33UA, F49UA, F50UA and F53UA Fuses.cgm
Opel EWD - 2017 - Cascada - EWD - Power and Signal Distribution - Wiring Systems and Power Management - Power Distribution Schematics - Ignition Switch.cgm
Opel EWD - 2017 - Cascada - EWD - Power and Signal Distribution - Wiring Systems and Power Management - Power Moding Schematics - Auxiliary Power and Ignition Run Relays.cgm
Opel EWD - 2017 - Cascada - EWD - Power and Signal Distribution - Wiring Systems and Power Management - Power Moding Schematics - Ignition Main Relays.cgm
Opel EWD - 2017 - Cascada - EWD - Power and Signal Distribution - Wiring Systems and Power Management - Trailer Connector Provision Schematics - Power, Ground, Serial Data and Trailer Connector (RZW S0S).cgm
Opel EWD - 2017 - Cascada - EWD - Roof - Folding Top - Controlled Monitored Subsystem References (1 of 2).cgm
Opel EWD - 2017 - Cascada - EWD - Roof - Folding Top - Controlled Monitored Subsystem References (2 of 2).cgm
Opel EWD - 2017 - Cascada - EWD - Roof - Folding Top - Folding Top Sensors (1 of 2) and Front Latch Motor.cgm
Opel EWD - 2017 - Cascada - EWD - Roof - Folding Top - Folding Top Sensors (2 of 2), Liftgate Angle Sensor and Luggage Barrier Sensors.cgm
Opel EWD - 2017 - Cascada - EWD - Roof - Folding Top - Hydraulic Unit.cgm
Opel EWD - 2017 - Cascada - EWD - Roof - Folding Top - Power, Ground, Serial Data and Folding Top Control Switch.cgm
Opel EWD - 2017 - Cascada - EWD - Roof - Folding Top - Stowage Compartment Switches, Sensors and Motors (1 of 2).cgm
Opel EWD - 2017 - Cascada - EWD - Roof - Folding Top - Stowage Compartment Switches, Sensors and Motors (2 of 2).cgm
Opel EWD - 2017 - Cascada - EWD - Safety and Security - Immobilizer - Immobilizer (LWC).cgm
Opel EWD - 2017 - Cascada - EWD - Safety and Security - Immobilizer - Immobilizer.cgm
Opel EWD - 2017 - Cascada - EWD - Safety and Security - Object Detection and Pedestrian Protection - Front and Side Object Sensors (UD5 or UDP).cgm
Opel EWD - 2017 - Cascada - EWD - Safety and Security - Object Detection and Pedestrian Protection - Power, Ground, Serial Data, Controls and Display.cgm
Opel EWD - 2017 - Cascada - EWD - Safety and Security - Object Detection and Pedestrian Protection - Rear and Side Object Sensors (UD5, UD7, UDP or UDQ).cgm
Opel EWD - 2017 - Cascada - EWD - Safety and Security - Object Detection and Pedestrian Protection - Rear Vision Camera (UVC).cgm
Opel EWD - 2017 - Cascada - EWD - Safety and Security - Object Detection and Pedestrian Protection - Vehicle Direction Camera (UFL).cgm
Opel EWD - 2017 - Cascada - EWD - Safety and Security - Remote Functions - Keyless Entry.cgm
Opel EWD - 2017 - Cascada - EWD - Safety and Security - Seat Belts - Seat Belt Presenters (LHD).cgm
Opel EWD - 2017 - Cascada - EWD - Safety and Security - Seat Belts - Seat Belt Presenters (RHD).cgm
Opel EWD - 2017 - Cascada - EWD - Safety and Security - Seat Belts - Seat Belt Switches and Indicator.cgm
Opel EWD - 2017 - Cascada - EWD - Safety and Security - Supplemental Inflatable Restraints - Front Air Bags, Sensors and Pretensioners and Passenger Disable Switch.cgm
Opel EWD - 2017 - Cascada - EWD - Safety and Security - Supplemental Inflatable Restraints - Power, Ground, Serial Data and Indicators.cgm
Opel EWD - 2017 - Cascada - EWD - Safety and Security - Supplemental Inflatable Restraints - Side Impact Sensors, and Seat Air Bags and Pyrotechnic Rollover Bar Actuators.cgm
Opel EWD - 2017 - Cascada - EWD - Safety and Security - Theft Deterrent - Intrusion Sensor and Content Theft Deterrent Alarm.cgm
Opel EWD - 2017 - Cascada - EWD - Seats - Power Seats - Driver Seat Schematics - Lumbar Support Controls.cgm
Opel EWD - 2017 - Cascada - EWD - Seats - Power Seats - Driver Seat Schematics - Seat Adjuster Switch and Motors with 1 Connector at M51D Seat Horizontal Motor - Driver (AG1+LHD).cgm
Opel EWD - 2017 - Cascada - EWD - Seats - Power Seats - Driver Seat Schematics - Seat Adjuster Switch and Motors with 1 Connector at M51D Seat Horizontal Motor - Driver (AG1+RHD).cgm
Opel EWD - 2017 - Cascada - EWD - Seats - Power Seats - Driver Seat Schematics - Seat Adjuster Switch and Motors with 2 Connectors at M51D Seat Horizontal Motor - Driver (AG1+LHD).cgm
Opel EWD - 2017 - Cascada - EWD - Seats - Power Seats - Driver Seat Schematics - Seat Adjuster Switch and Motors with 2 Connectors at M51D Seat Horizontal Motor - Driver (AG1+RHD).cgm
Opel EWD - 2017 - Cascada - EWD - Seats - Power Seats - Passenger Seat Schematics - Lumbar Support Controls.cgm
Opel EWD - 2017 - Cascada - EWD - Seats - Power Seats - Passenger Seat Schematics - Seat Adjuster Switch and Motors with 1 Connector at M51P Seat Horizontal Motor - Passenger (AG2+LHD).cgm
Opel EWD - 2017 - Cascada - EWD - Seats - Power Seats - Passenger Seat Schematics - Seat Adjuster Switch and Motors with 1 Connector at M51P Seat Horizontal Motor - Passenger (AG2+RHD).cgm
Opel EWD - 2017 - Cascada - EWD - Seats - Power Seats - Passenger Seat Schematics - Seat Adjuster Switch and Motors with 2 Connectors at M51P Seat Horizontal Motor - Passenger (AG2+LHD).cgm
Opel EWD - 2017 - Cascada - EWD - Seats - Power Seats - Passenger Seat Schematics - Seat Adjuster Switch and Motors with 2 Connectors at M51P Seat Horizontal Motor - Passenger (AG2+RHD).cgm
Opel EWD - 2017 - Cascada - EWD - Seats - Power Seats - Rear Seat Schematics - Folding Rear Seats (A9U).cgm
Opel EWD - 2017 - Cascada - EWD - Seats - Seat Heating and Cooling - Seat Heating (KA1).cgm
Opel EWD - 2017 - Cascada - EWD - Seats - Seat Heating and Cooling - Seat Ventilation Switches (KU2+LHD).cgm
Opel EWD - 2017 - Cascada - EWD - Seats - Seat Heating and Cooling - Seat Ventilation Switches (KU2+RHD).cgm
Opel EWD - 2017 - Cascada - EWD - Seats - Seat Heating and Cooling - Vent Fans (KU2+LHD).cgm
Opel EWD - 2017 - Cascada - EWD - Seats - Seat Heating and Cooling - Vent Fans (KU2+RHD).cgm
Opel EWD - 2017 - Cascada - EWD - Steering - Power Steering - Electric Power Steering (NJ1).cgm
Opel EWD - 2017 - Cascada - EWD - Steering - Steering Wheel and Column - Heated Steering Wheel (UVD).cgm
Opel EWD - 2017 - Cascada - EWD - Suspension - Electronic Suspension Control - Power, Ground and Serial Data.cgm
Opel EWD - 2017 - Cascada - EWD - Suspension - Electronic Suspension Control - Sensors and Actuators.cgm
Opel EWD - 2017 - Cascada - EWD - Suspension - Electronic Suspension Control - Tour Mode and Sport Mode Switches (URC).cgm
Opel EWD - 2017 - Cascada - EWD - Transmission - Automatic Transmission - 6T45 (MH7) - Fluid Temperature and Speed Sensors, Valve Position, Pressure and Shift Controls.cgm
Opel EWD - 2017 - Cascada - EWD - Transmission - Automatic Transmission - 6T45 (MH7) - Internal Mode Switch and Tap Up Tap Down Switches.cgm
Opel EWD - 2017 - Cascada - EWD - Transmission - Automatic Transmission - 6T45 (MH7) - Module Power, Ground and Data Communication.cgm
Opel EWD - 2017 - Cascada - EWD - Transmission - Automatic Transmission - 6T45 (MH7) - Shift Lever Position Indicator.cgm
Opel EWD - 2017 - Cascada - EWD - Transmission - Manual Transmission - F40-6 (MYJ) - Manual Transmission (F40).cgm
Opel EWD - 2017 - Cascada - EWD - Transmission - Manual Transmission - M32-6 (MGS MR5 MZ0) - Manual Transmission (M32).cgm
Opel EWD - 2017 - Cascada - EWD - Transmission - Shift Lock Control - Shift Lock Control.cgm
#More Product: Opel Service Manual, Repair Manual, Electrical Wiring Diagram


