Opel Combo D 2016 Wiring Diagrams
Size: 10.0 MB
Format: PDF, CGM
Machine: Automotive
Machine Model: Opel Combo D 2016
Document: Wiring Diagrams
Contents:
Opel EWD - 2016 - Combo D - Control Module U Code List.pdf
Opel EWD - 2016 - Combo D - RPO Code List.pdf
Opel EWD - 2016 - Combo D - Schematics RPO Code List.pdf
Opel EWD - 2016 - Combo D - Service Interval reset 2016 MY.pdf
Opel EWD - 2016 - Combo D - Temperature Versus Resistance (ECT and IAT Sensor).pdf
Opel EWD - 2016 - Combo D - Temperature Versus Resistance (Exhaust Temperature Sensor).pdf
Opel EWD - 2016 - Combo D - EWD - Body Systems - Fixed and Moveable Windows - Defogger Schematics - Rear Window Defogger.cgm
Opel EWD - 2016 - Combo D - EWD - Body Systems - Fixed and Moveable Windows - Moveable Window Schematics - Driver Door.cgm
Opel EWD - 2016 - Combo D - EWD - Body Systems - Fixed and Moveable Windows - Moveable Window Schematics - Left Rear Door.cgm
Opel EWD - 2016 - Combo D - EWD - Body Systems - Fixed and Moveable Windows - Moveable Window Schematics - Passenger Door.cgm
Opel EWD - 2016 - Combo D - EWD - Body Systems - Fixed and Moveable Windows - Moveable Window Schematics - Right Rear Door.cgm
Opel EWD - 2016 - Combo D - EWD - Body Systems - Horns - Horn.cgm
Opel EWD - 2016 - Combo D - EWD - Body Systems - Lighting - Exterior Lights Schematics - Backup Lamps.cgm
Opel EWD - 2016 - Combo D - EWD - Body Systems - Lighting - Exterior Lights Schematics - Controls and Inputs.cgm
Opel EWD - 2016 - Combo D - EWD - Body Systems - Lighting - Exterior Lights Schematics - Front Lights.cgm
Opel EWD - 2016 - Combo D - EWD - Body Systems - Lighting - Exterior Lights Schematics - Rear Turn, Stop, and Tail Lamps.cgm
Opel EWD - 2016 - Combo D - EWD - Body Systems - Lighting - Fog Lights Schematics - Front and Rear Fog Lamps.cgm
Opel EWD - 2016 - Combo D - EWD - Body Systems - Lighting - Headlights Daytime Running Lights (DRL) Schematics - Headlamp Controls.cgm
Opel EWD - 2016 - Combo D - EWD - Body Systems - Lighting - Headlights Daytime Running Lights (DRL) Schematics - Headlamp Leveling.cgm
Opel EWD - 2016 - Combo D - EWD - Body Systems - Lighting - Headlights Daytime Running Lights (DRL) Schematics - High Beams.cgm
Opel EWD - 2016 - Combo D - EWD - Body Systems - Lighting - Headlights Daytime Running Lights (DRL) Schematics - Low Beams and Daytime Running Lamps.cgm
Opel EWD - 2016 - Combo D - EWD - Body Systems - Lighting - Interior Lights Dimming Schematics - Power Receptacles, HVAC Controls, Radio, and Displays.cgm
Opel EWD - 2016 - Combo D - EWD - Body Systems - Lighting - Interior Lights Dimming Schematics - Switches.cgm
Opel EWD - 2016 - Combo D - EWD - Body Systems - Lighting - Interior Lights Schematics - Ajar Switches.cgm
Opel EWD - 2016 - Combo D - EWD - Body Systems - Lighting - Interior Lights Schematics - Dome Reading and Courtesy Lamps.cgm
Opel EWD - 2016 - Combo D - EWD - Body Systems - Mirrors - Outside Rearview Mirror Schematics - Heated Mirrors.cgm
Opel EWD - 2016 - Combo D - EWD - Body Systems - Mirrors - Outside Rearview Mirror Schematics - Power Mirrors Controls and Motors (LHD).cgm
Opel EWD - 2016 - Combo D - EWD - Body Systems - Mirrors - Outside Rearview Mirror Schematics - Power Mirrors Controls and Motors (RHD).cgm
Opel EWD - 2016 - Combo D - EWD - Body Systems - Vehicle Access - Door Lock Indicator Schematics - Actuator and Unlatch Switch - Liftgate (J1U).cgm
Opel EWD - 2016 - Combo D - EWD - Body Systems - Vehicle Access - Door Lock Indicator Schematics - Actuators - Rear Cargo and Sliding Doors.cgm
Opel EWD - 2016 - Combo D - EWD - Body Systems - Vehicle Access - Door Lock Indicator Schematics - Front Actuators.cgm
Opel EWD - 2016 - Combo D - EWD - Body Systems - Vehicle Access - Door Lock Indicator Schematics - Indicators and Switches.cgm
Opel EWD - 2016 - Combo D - EWD - Body Systems - Vehicle Access - Release Systems Schematics - J1U.cgm
Opel EWD - 2016 - Combo D - EWD - Body Systems - Wipers and Washers - Front and Rear Washer.cgm
Opel EWD - 2016 - Combo D - EWD - Body Systems - Wipers and Washers - Headlamp Washer (CE3 with MMK).cgm
Opel EWD - 2016 - Combo D - EWD - Body Systems - Wipers and Washers - Headlamp Washer (CE3 without MMK).cgm
Opel EWD - 2016 - Combo D - EWD - Body Systems - Wipers and Washers - Rear Window Wiper.cgm
Opel EWD - 2016 - Combo D - EWD - Body Systems - Wipers and Washers - Windshield Wiper.cgm
Opel EWD - 2016 - Combo D - EWD - Brakes - Antilock Brake System - Module Power, Ground, Serial Data, Indicators, Traction Control, and Subsystem References.cgm
Opel EWD - 2016 - Combo D - EWD - Brakes - Antilock Brake System - Steering Angle Sensor Module (FX3).cgm
Opel EWD - 2016 - Combo D - EWD - Brakes - Antilock Brake System - Wheel Speed Sensors.cgm
Opel EWD - 2016 - Combo D - EWD - Brakes - Hydraulic Brakes - Hydraulic Brakes with (LJD).cgm
Opel EWD - 2016 - Combo D - EWD - Brakes - Hydraulic Brakes - Hydraulic Brakes with (LUS).cgm
Opel EWD - 2016 - Combo D - EWD - Brakes - Hydraulic Brakes - Hydraulic Brakes without (LJD or LUS).cgm
Opel EWD - 2016 - Combo D - EWD - Driver Information and Entertainment - Cellular, Entertainment, and Navigation - Cellular Telephone Schematics - Cellular Telephone (W51).cgm
Opel EWD - 2016 - Combo D - EWD - Driver Information and Entertainment - Cellular, Entertainment, and Navigation - Radio Navigation System Schematics - Auxiliary Audio Input, USB Receptacle and Mobile Navigation Device Connector (UGI).cgm
Opel EWD - 2016 - Combo D - EWD - Driver Information and Entertainment - Cellular, Entertainment, and Navigation - Radio Navigation System Schematics - Multimedia Player Interface (U3L with W51).cgm
Opel EWD - 2016 - Combo D - EWD - Driver Information and Entertainment - Cellular, Entertainment, and Navigation - Radio Navigation System Schematics - Power, Ground, Antenna, Data Communication, and Voltage Stabilizer.cgm
Opel EWD - 2016 - Combo D - EWD - Driver Information and Entertainment - Cellular, Entertainment, and Navigation - Radio Navigation System Schematics - Speakers.cgm
Opel EWD - 2016 - Combo D - EWD - Driver Information and Entertainment - Displays and Gauges - Audible Warnings Schematics - Audible Warnings.cgm
Opel EWD - 2016 - Combo D - EWD - Driver Information and Entertainment - Displays and Gauges - Instrument Cluster Schematics - Driver Information Display.cgm
Opel EWD - 2016 - Combo D - EWD - Driver Information and Entertainment - Displays and Gauges - Instrument Cluster Schematics - Indicators.cgm
Opel EWD - 2016 - Combo D - EWD - Driver Information and Entertainment - Displays and Gauges - Instrument Cluster Schematics - Power, Ground, Gauges, and Serial Data.cgm
Opel EWD - 2016 - Combo D - EWD - Driver Information and Entertainment - Secondary and Configurable Customer Controls - Steering Wheel Controls.cgm
Opel EWD - 2016 - Combo D - EWD - Engine - 1.3L (LN9) - 12 V Starting and Charging - Charging (KL9).cgm
Opel EWD - 2016 - Combo D - EWD - Engine - 1.3L (LN9) - 12 V Starting and Charging - Charging (without KL9).cgm
Opel EWD - 2016 - Combo D - EWD - Engine - 1.3L (LN9) - 12 V Starting and Charging - Start Stop System (KL9).cgm
Opel EWD - 2016 - Combo D - EWD - Engine - 1.3L (LN9) - 12 V Starting and Charging - Starting.cgm
Opel EWD - 2016 - Combo D - EWD - Engine - 1.3L (LN9) - Cruise Control - Cruise Control.cgm
Opel EWD - 2016 - Combo D - EWD - Engine - 1.3L (LN9) - Engine Controls and Fuel - 1.3L (LN9) Diesel - Engine Controls Schematics (LN9 with NCM) - 5V1, 5V2 and Low Reference Bus (LN9 with NCM) (1 of 2).cgm
Opel EWD - 2016 - Combo D - EWD - Engine - 1.3L (LN9) - Engine Controls and Fuel - 1.3L (LN9) Diesel - Engine Controls Schematics (LN9 with NCM) - 5V2 and Low Reference Bus (LN9 with NCM) (2 of 2).cgm
Opel EWD - 2016 - Combo D - EWD - Engine - 1.3L (LN9) - Engine Controls and Fuel - 1.3L (LN9) Diesel - Engine Controls Schematics (LN9 with NCM) - Controlled Monitored Subsystem References (LN9 with NCM).cgm
Opel EWD - 2016 - Combo D - EWD - Engine - 1.3L (LN9) - Engine Controls and Fuel - 1.3L (LN9) Diesel - Engine Controls Schematics (LN9 with NCM) - Engine Data Sensors - Camshaft, Crankshaft, Throttle Control (LN9 with NCM).cgm
Opel EWD - 2016 - Combo D - EWD - Engine - 1.3L (LN9) - Engine Controls and Fuel - 1.3L (LN9) Diesel - Engine Controls Schematics (LN9 with NCM) - Engine Data Sensors - Crankcase Ventilation Heater (LN9 with NCM).cgm
Opel EWD - 2016 - Combo D - EWD - Engine - 1.3L (LN9) - Engine Controls and Fuel - 1.3L (LN9) Diesel - Engine Controls Schematics (LN9 with NCM) - Engine Data Sensors - Exhaust and Turbocharger (LN9 with NCM).cgm
Opel EWD - 2016 - Combo D - EWD - Engine - 1.3L (LN9) - Engine Controls and Fuel - 1.3L (LN9) Diesel - Engine Controls Schematics (LN9 with NCM) - Engine Data Sensors - Fuel Heater Temperature Water in Fuel and Oxygen (LN9 with NCM).cgm
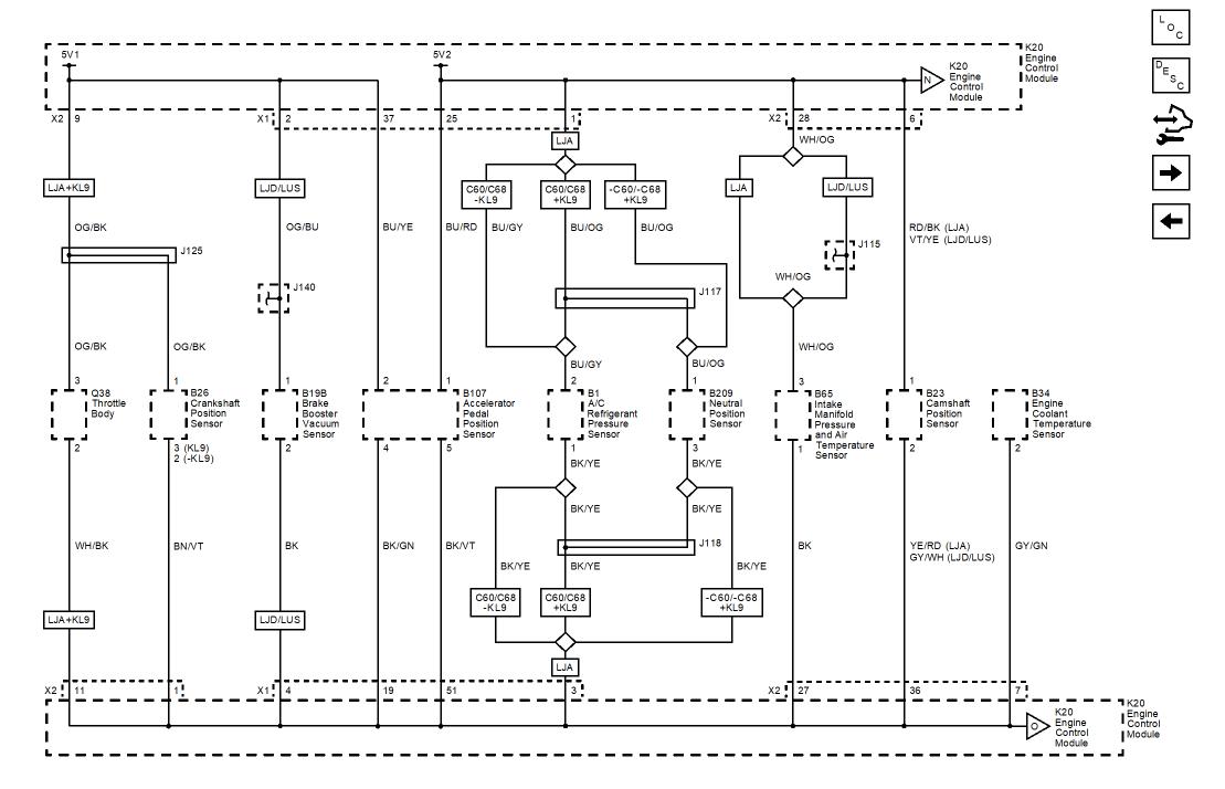
Opel EWD - 2016 - Combo D - EWD - Engine - 1.3L (LN9) - Engine Controls and Fuel - 1.3L (LN9) Diesel - Engine Controls Schematics (LN9 with NCM) - Engine Data Sensors - Pressure and Temperature (LN9 with NCM).cgm
Opel EWD - 2016 - Combo D - EWD - Engine - 1.3L (LN9) - Engine Controls and Fuel - 1.3L (LN9) Diesel - Engine Controls Schematics (LN9 with NCM) - Fuel Controls - Fuel Pump and Fuel Injectors (LN9 with NCM).cgm
Opel EWD - 2016 - Combo D - EWD - Engine - 1.3L (LN9) - Engine Controls and Fuel - 1.3L (LN9) Diesel - Engine Controls Schematics (LN9 with NCM) - Fuel Controls - Glow Plugs (LN9 with NCM).cgm
Opel EWD - 2016 - Combo D - EWD - Engine - 1.3L (LN9) - Engine Controls and Fuel - 1.3L (LN9) Diesel - Engine Controls Schematics (LN9 with NCM) - Module Power, Ground, Serial Data and MIL (LN9 with NCM).cgm
Opel EWD - 2016 - Combo D - EWD - Engine - 1.3L (LN9) - Engine Controls and Fuel - 1.3L (LN9) Diesel - Engine Controls Schematics (LN9 with NTA) - 5V1, 5V2 and 5V3 (LN9 with NTA).cgm
Opel EWD - 2016 - Combo D - EWD - Engine - 1.3L (LN9) - Engine Controls and Fuel - 1.3L (LN9) Diesel - Engine Controls Schematics (LN9 with NTA) - Controlled Monitored Subsystem References (LN9 with NTA).cgm
Opel EWD - 2016 - Combo D - EWD - Engine - 1.3L (LN9) - Engine Controls and Fuel - 1.3L (LN9) Diesel - Engine Controls Schematics (LN9 with NTA) - Engine Data Sensors - Camshaft, Crankshaft, Throttle Control and Turbocharger (LN9 with NTA).cgm
Opel EWD - 2016 - Combo D - EWD - Engine - 1.3L (LN9) - Engine Controls and Fuel - 1.3L (LN9) Diesel - Engine Controls Schematics (LN9 with NTA) - Engine Data Sensors - Crankcase Ventilation Heater (LN9 with NTA).cgm
Opel EWD - 2016 - Combo D - EWD - Engine - 1.3L (LN9) - Engine Controls and Fuel - 1.3L (LN9) Diesel - Engine Controls Schematics (LN9 with NTA) - Engine Data Sensors - Fuel Heater Temperature Water in Fuel and Oxygen (LN9 with NTA).cgm
Opel EWD - 2016 - Combo D - EWD - Engine - 1.3L (LN9) - Engine Controls and Fuel - 1.3L (LN9) Diesel - Engine Controls Schematics (LN9 with NTA) - Engine Data Sensors - Mass Air Flow, Exhaust Sensors and Crankcase Heater (LN9 with NTA).cgm
Opel EWD - 2016 - Combo D - EWD - Engine - 1.3L (LN9) - Engine Controls and Fuel - 1.3L (LN9) Diesel - Engine Controls Schematics (LN9 with NTA) - Engine Data Sensors - Pressure and Temperature Sensors (LN9 with NTA).cgm
Opel EWD - 2016 - Combo D - EWD - Engine - 1.3L (LN9) - Engine Controls and Fuel - 1.3L (LN9) Diesel - Engine Controls Schematics (LN9 with NTA) - Fuel Controls - Fuel Pump and Fuel Injectors (LN9 with NTA).cgm
Opel EWD - 2016 - Combo D - EWD - Engine - 1.3L (LN9) - Engine Controls and Fuel - 1.3L (LN9) Diesel - Engine Controls Schematics (LN9 with NTA) - Fuel Controls - Glow Plugs (LN9 with NTA).cgm
Opel EWD - 2016 - Combo D - EWD - Engine - 1.3L (LN9) - Engine Controls and Fuel - 1.3L (LN9) Diesel - Engine Controls Schematics (LN9 with NTA) - Low Reference Bus (LN9 with NTA).cgm
Opel EWD - 2016 - Combo D - EWD - Engine - 1.3L (LN9) - Engine Controls and Fuel - 1.3L (LN9) Diesel - Engine Controls Schematics (LN9 with NTA) - Module Power, Ground, Serial Data and MIL (LJ5 with NTA).cgm
Opel EWD - 2016 - Combo D - EWD - Engine - 1.3L (LN9) - Engine Heating and Cooling - Engine Cooling.cgm
Opel EWD - 2016 - Combo D - EWD - Engine - 1.3L (LN9) - Engine Mechanical - 1.3L (LN9) Diesel - Engine Oil Pressure Control (LN9 with NTA).cgm
Opel EWD - 2016 - Combo D - EWD - Engine - 1.4L (LJA) - 12 V Starting and Charging - Charging (KL9).cgm
Opel EWD - 2016 - Combo D - EWD - Engine - 1.4L (LJA) - 12 V Starting and Charging - Charging (without KL9).cgm
Opel EWD - 2016 - Combo D - EWD - Engine - 1.4L (LJA) - 12 V Starting and Charging - Start Stop System (KL9).cgm
Opel EWD - 2016 - Combo D - EWD - Engine - 1.4L (LJA) - 12 V Starting and Charging - Starting.cgm
Opel EWD - 2016 - Combo D - EWD - Engine - 1.4L (LJA) - Cruise Control - Cruise Control.cgm
Opel EWD - 2016 - Combo D - EWD - Engine - 1.4L (LJA) - Engine Controls and Fuel - 1.4L (LJA, LJD, LUS) - 5V and Low Reference Bus (LJA, LJD or LUS with NTA) (1 of 2).cgm
Opel EWD - 2016 - Combo D - EWD - Engine - 1.4L (LJA) - Engine Controls and Fuel - 1.4L (LJA, LJD, LUS) - 5V and Low Reference Bus (LJA, LJD or LUS with NTA) (2 of 2).cgm
Opel EWD - 2016 - Combo D - EWD - Engine - 1.4L (LJA) - Engine Controls and Fuel - 1.4L (LJA, LJD, LUS) - Controlled Monitored Subsystem References (LJA, LJD or LUS with NTA).cgm
Opel EWD - 2016 - Combo D - EWD - Engine - 1.4L (LJA) - Engine Controls and Fuel - 1.4L (LJA, LJD, LUS) - Engine Data Sensors - Camshaft, Crankshaft and Knock Sensors, Pressure and Temperature Sensors (LJA).cgm
Opel EWD - 2016 - Combo D - EWD - Engine - 1.4L (LJA) - Engine Controls and Fuel - 1.4L (LJA, LJD, LUS) - Engine Data Sensors - Camshaft, Crankshaft and Knock Sensors, Pressure, Temperature and Turbo Boost Sensors (LJD).cgm
Opel EWD - 2016 - Combo D - EWD - Engine - 1.4L (LJA) - Engine Controls and Fuel - 1.4L (LJA, LJD, LUS) - Engine Data Sensors - Oxygen and Evaporative Controls (LJA, LJD or LUS with NTA).cgm
Opel EWD - 2016 - Combo D - EWD - Engine - 1.4L (LJA) - Engine Controls and Fuel - 1.4L (LJA, LJD, LUS) - Engine Data Sensors - Throttle Control (LJA, LJD or LUS with NTA).cgm
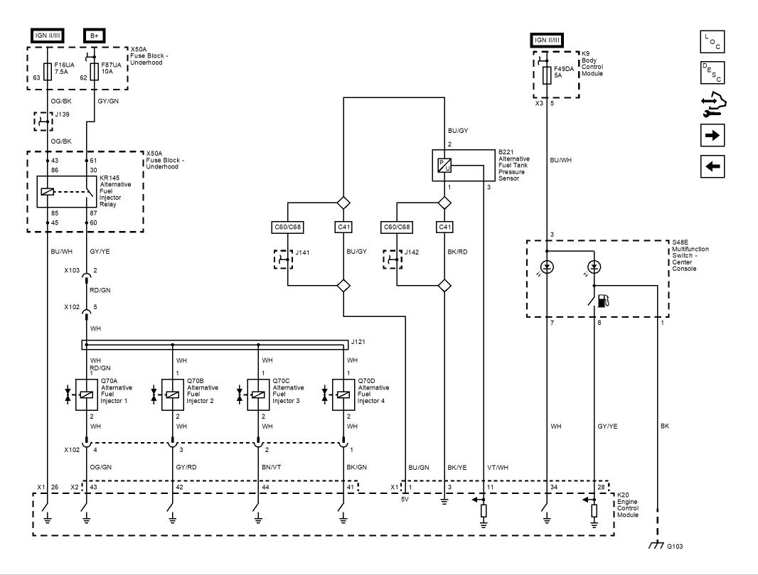
Opel EWD - 2016 - Combo D - EWD - Engine - 1.4L (LJA) - Engine Controls and Fuel - 1.4L (LJA, LJD, LUS) - Fuel Controls - CNG Injectors, Fuel Select and Fuel Tank Pressure Sensor (LJD).cgm
Opel EWD - 2016 - Combo D - EWD - Engine - 1.4L (LJA) - Engine Controls and Fuel - 1.4L (LJA, LJD, LUS) - Fuel Controls - Fuel Cut-Off Solenoid Valves (LJD).cgm
Opel EWD - 2016 - Combo D - EWD - Engine - 1.4L (LJA) - Engine Controls and Fuel - 1.4L (LJA, LJD, LUS) - Fuel Controls - Fuel Injectors, Fuel Pump and Ignition Controls (LJA, LJD or LUS with NTA).cgm
Opel EWD - 2016 - Combo D - EWD - Engine - 1.4L (LJA) - Engine Controls and Fuel - 1.4L (LJA, LJD, LUS) - Module Power, Ground, Serial Data and MIL (LJA, LJD or LUS with NTA).cgm
Opel EWD - 2016 - Combo D - EWD - Engine - 1.4L (LJA) - Engine Heating and Cooling - Engine Cooling.cgm
Opel EWD - 2016 - Combo D - EWD - Engine - 1.4L (LJD) - 12 V Starting and Charging - Charging (KL9).cgm
Opel EWD - 2016 - Combo D - EWD - Engine - 1.4L (LJD) - 12 V Starting and Charging - Charging (without KL9).cgm
Opel EWD - 2016 - Combo D - EWD - Engine - 1.4L (LJD) - 12 V Starting and Charging - Start Stop System (KL9).cgm
Opel EWD - 2016 - Combo D - EWD - Engine - 1.4L (LJD) - 12 V Starting and Charging - Starting.cgm
Opel EWD - 2016 - Combo D - EWD - Engine - 1.4L (LJD) - Cruise Control - Cruise Control.cgm
Opel EWD - 2016 - Combo D - EWD - Engine - 1.4L (LJD) - Engine Controls and Fuel - 1.4L (LJA, LJD, LUS) - 5V and Low Reference Bus (LJA, LJD or LUS with NTA) (1 of 2).cgm
Opel EWD - 2016 - Combo D - EWD - Engine - 1.4L (LJD) - Engine Controls and Fuel - 1.4L (LJA, LJD, LUS) - 5V and Low Reference Bus (LJA, LJD or LUS with NTA) (2 of 2).cgm
Opel EWD - 2016 - Combo D - EWD - Engine - 1.4L (LJD) - Engine Controls and Fuel - 1.4L (LJA, LJD, LUS) - Controlled Monitored Subsystem References (LJA, LJD or LUS with NTA).cgm
Opel EWD - 2016 - Combo D - EWD - Engine - 1.4L (LJD) - Engine Controls and Fuel - 1.4L (LJA, LJD, LUS) - Engine Data Sensors - Camshaft, Crankshaft and Knock Sensors, Pressure and Temperature Sensors (LJA).cgm
Opel EWD - 2016 - Combo D - EWD - Engine - 1.4L (LJD) - Engine Controls and Fuel - 1.4L (LJA, LJD, LUS) - Engine Data Sensors - Camshaft, Crankshaft and Knock Sensors, Pressure, Temperature and Turbo Boost Sensors (LJD).cgm
Opel EWD - 2016 - Combo D - EWD - Engine - 1.4L (LJD) - Engine Controls and Fuel - 1.4L (LJA, LJD, LUS) - Engine Data Sensors - Oxygen and Evaporative Controls (LJA, LJD or LUS with NTA).cgm
Opel EWD - 2016 - Combo D - EWD - Engine - 1.4L (LJD) - Engine Controls and Fuel - 1.4L (LJA, LJD, LUS) - Engine Data Sensors - Throttle Control (LJA, LJD or LUS with NTA).cgm
Opel EWD - 2016 - Combo D - EWD - Engine - 1.4L (LJD) - Engine Controls and Fuel - 1.4L (LJA, LJD, LUS) - Fuel Controls - CNG Injectors, Fuel Select and Fuel Tank Pressure Sensor (LJD).cgm
Opel EWD - 2016 - Combo D - EWD - Engine - 1.4L (LJD) - Engine Controls and Fuel - 1.4L (LJA, LJD, LUS) - Fuel Controls - Fuel Cut-Off Solenoid Valves (LJD).cgm
Opel EWD - 2016 - Combo D - EWD - Engine - 1.4L (LJD) - Engine Controls and Fuel - 1.4L (LJA, LJD, LUS) - Fuel Controls - Fuel Injectors, Fuel Pump and Ignition Controls (LJA, LJD or LUS with NTA).cgm
Opel EWD - 2016 - Combo D - EWD - Engine - 1.4L (LJD) - Engine Controls and Fuel - 1.4L (LJA, LJD, LUS) - Module Power, Ground, Serial Data and MIL (LJA, LJD or LUS with NTA).cgm
Opel EWD - 2016 - Combo D - EWD - Engine - 1.4L (LJD) - Engine Heating and Cooling - Engine Cooling.cgm
Opel EWD - 2016 - Combo D - EWD - Engine - 1.4L (LUS) - 12 V Starting and Charging - Charging (KL9).cgm
Opel EWD - 2016 - Combo D - EWD - Engine - 1.4L (LUS) - 12 V Starting and Charging - Charging (without KL9).cgm
Opel EWD - 2016 - Combo D - EWD - Engine - 1.4L (LUS) - 12 V Starting and Charging - Start Stop System (KL9).cgm
Opel EWD - 2016 - Combo D - EWD - Engine - 1.4L (LUS) - 12 V Starting and Charging - Starting.cgm
Opel EWD - 2016 - Combo D - EWD - Engine - 1.4L (LUS) - Cruise Control - Cruise Control.cgm
Opel EWD - 2016 - Combo D - EWD - Engine - 1.4L (LUS) - Engine Controls and Fuel - 1.4L (LJA, LJD, LUS) - 5V and Low Reference Bus (LJA, LJD or LUS with NTA) (1 of 2).cgm
Opel EWD - 2016 - Combo D - EWD - Engine - 1.4L (LUS) - Engine Controls and Fuel - 1.4L (LJA, LJD, LUS) - 5V and Low Reference Bus (LJA, LJD or LUS with NTA) (2 of 2).cgm
Opel EWD - 2016 - Combo D - EWD - Engine - 1.4L (LUS) - Engine Controls and Fuel - 1.4L (LJA, LJD, LUS) - Controlled Monitored Subsystem References (LJA, LJD or LUS with NTA).cgm
Opel EWD - 2016 - Combo D - EWD - Engine - 1.4L (LUS) - Engine Controls and Fuel - 1.4L (LJA, LJD, LUS) - Engine Data Sensors - Camshaft, Crankshaft and Knock Sensors, Pressure and Temperature Sensors (LJA).cgm
Opel EWD - 2016 - Combo D - EWD - Engine - 1.4L (LUS) - Engine Controls and Fuel - 1.4L (LJA, LJD, LUS) - Engine Data Sensors - Camshaft, Crankshaft and Knock Sensors, Pressure, Temperature and Turbo Boost Sensors (LJD).cgm
Opel EWD - 2016 - Combo D - EWD - Engine - 1.4L (LUS) - Engine Controls and Fuel - 1.4L (LJA, LJD, LUS) - Engine Data Sensors - Oxygen and Evaporative Controls (LJA, LJD or LUS with NTA).cgm
Opel EWD - 2016 - Combo D - EWD - Engine - 1.4L (LUS) - Engine Controls and Fuel - 1.4L (LJA, LJD, LUS) - Engine Data Sensors - Throttle Control (LJA, LJD or LUS with NTA).cgm
Opel EWD - 2016 - Combo D - EWD - Engine - 1.4L (LUS) - Engine Controls and Fuel - 1.4L (LJA, LJD, LUS) - Fuel Controls - CNG Injectors, Fuel Select and Fuel Tank Pressure Sensor (LJD).cgm
Opel EWD - 2016 - Combo D - EWD - Engine - 1.4L (LUS) - Engine Controls and Fuel - 1.4L (LJA, LJD, LUS) - Fuel Controls - Fuel Cut-Off Solenoid Valves (LJD).cgm
Opel EWD - 2016 - Combo D - EWD - Engine - 1.4L (LUS) - Engine Controls and Fuel - 1.4L (LJA, LJD, LUS) - Fuel Controls - Fuel Injectors, Fuel Pump and Ignition Controls (LJA, LJD or LUS with NTA).cgm
Opel EWD - 2016 - Combo D - EWD - Engine - 1.4L (LUS) - Engine Controls and Fuel - 1.4L (LJA, LJD, LUS) - Module Power, Ground, Serial Data and MIL (LJA, LJD or LUS with NTA).cgm
Opel EWD - 2016 - Combo D - EWD - Engine - 1.4L (LUS) - Engine Heating and Cooling - Engine Cooling.cgm
Opel EWD - 2016 - Combo D - EWD - Engine - 1.6L (LJ5) - 12 V Starting and Charging - Charging (KL9).cgm
Opel EWD - 2016 - Combo D - EWD - Engine - 1.6L (LJ5) - 12 V Starting and Charging - Charging (without KL9).cgm
Opel EWD - 2016 - Combo D - EWD - Engine - 1.6L (LJ5) - 12 V Starting and Charging - Start Stop System (KL9).cgm
Opel EWD - 2016 - Combo D - EWD - Engine - 1.6L (LJ5) - 12 V Starting and Charging - Starting.cgm
Opel EWD - 2016 - Combo D - EWD - Engine - 1.6L (LJ5) - Cruise Control - Cruise Control.cgm
Opel EWD - 2016 - Combo D - EWD - Engine - 1.6L (LJ5) - Engine Controls and Fuel - 1.6L (LJ5) or 2.0L (LHZ) Diesel - Engine Controls Schematics (LJ5 with NTA) - 5V1, 5V2 and 5V3 (LJ5 with NTA).cgm
Opel EWD - 2016 - Combo D - EWD - Engine - 1.6L (LJ5) - Engine Controls and Fuel - 1.6L (LJ5) or 2.0L (LHZ) Diesel - Engine Controls Schematics (LJ5 with NTA) - Controlled Monitored Subsystem References (LJ5 with NTA).cgm
Opel EWD - 2016 - Combo D - EWD - Engine - 1.6L (LJ5) - Engine Controls and Fuel - 1.6L (LJ5) or 2.0L (LHZ) Diesel - Engine Controls Schematics (LJ5 with NTA) - Engine Data Sensors - Camshaft, Crankshaft, Throttle Control and Turbocharger (LJ5 with NTA).cgm
Opel EWD - 2016 - Combo D - EWD - Engine - 1.6L (LJ5) - Engine Controls and Fuel - 1.6L (LJ5) or 2.0L (LHZ) Diesel - Engine Controls Schematics (LJ5 with NTA) - Engine Data Sensors - Fuel Heater Temperature Water in Fuel and Oxygen (LJ5 with NTA).cgm
Opel EWD - 2016 - Combo D - EWD - Engine - 1.6L (LJ5) - Engine Controls and Fuel - 1.6L (LJ5) or 2.0L (LHZ) Diesel - Engine Controls Schematics (LJ5 with NTA) - Engine Data Sensors - Mass Air Flow, Exhaust Sensors and Crankcase Heater (LJ5 with NTA).cgm
Opel EWD - 2016 - Combo D - EWD - Engine - 1.6L (LJ5) - Engine Controls and Fuel - 1.6L (LJ5) or 2.0L (LHZ) Diesel - Engine Controls Schematics (LJ5 with NTA) - Engine Data Sensors - Pressure and Temperature (LJ5 with NTA).cgm
Opel EWD - 2016 - Combo D - EWD - Engine - 1.6L (LJ5) - Engine Controls and Fuel - 1.6L (LJ5) or 2.0L (LHZ) Diesel - Engine Controls Schematics (LJ5 with NTA) - Fuel Controls - Fuel Pump and Fuel Injectors (LJ5 with NTA).cgm
Opel EWD - 2016 - Combo D - EWD - Engine - 1.6L (LJ5) - Engine Controls and Fuel - 1.6L (LJ5) or 2.0L (LHZ) Diesel - Engine Controls Schematics (LJ5 with NTA) - Fuel Controls - Glow Plugs (LJ5 with NTA).cgm
Opel EWD - 2016 - Combo D - EWD - Engine - 1.6L (LJ5) - Engine Controls and Fuel - 1.6L (LJ5) or 2.0L (LHZ) Diesel - Engine Controls Schematics (LJ5 with NTA) - Low Reference Bus (LJ5 with NTA).cgm
Opel EWD - 2016 - Combo D - EWD - Engine - 1.6L (LJ5) - Engine Controls and Fuel - 1.6L (LJ5) or 2.0L (LHZ) Diesel - Engine Controls Schematics (LJ5 with NTA) - Module Power, Ground, Serial Data and MIL (LJ5 with NTA).cgm
Opel EWD - 2016 - Combo D - EWD - Engine - 1.6L (LJ5) - Engine Controls and Fuel - 1.6L (LJ5) or 2.0L (LHZ) Diesel - Engine Controls Schematics (LJ5 LHZ with NCM) - 5V1, 5V2 and 5V3 (LJ5 or LHZ with NCM).cgm
Opel EWD - 2016 - Combo D - EWD - Engine - 1.6L (LJ5) - Engine Controls and Fuel - 1.6L (LJ5) or 2.0L (LHZ) Diesel - Engine Controls Schematics (LJ5 LHZ with NCM) - Controlled Monitored Subsystem References (LJ5 or LHZ with NCM).cgm
Opel EWD - 2016 - Combo D - EWD - Engine - 1.6L (LJ5) - Engine Controls and Fuel - 1.6L (LJ5) or 2.0L (LHZ) Diesel - Engine Controls Schematics (LJ5 LHZ with NCM) - Engine Data Sensors - Camshaft, Crankshaft, Throttle Control (LJ5 or LHZ with NCM).cgm
Opel EWD - 2016 - Combo D - EWD - Engine - 1.6L (LJ5) - Engine Controls and Fuel - 1.6L (LJ5) or 2.0L (LHZ) Diesel - Engine Controls Schematics (LJ5 LHZ with NCM) - Engine Data Sensors - Fuel Heater Temperature Water in Fuel and Oxygen (LJ5 or LHZ with NCM).cgm
Opel EWD - 2016 - Combo D - EWD - Engine - 1.6L (LJ5) - Engine Controls and Fuel - 1.6L (LJ5) or 2.0L (LHZ) Diesel - Engine Controls Schematics (LJ5 LHZ with NCM) - Engine Data Sensors - Mass Air Flow, Exhaust, Turbocharger and Crankcase Heater (LJ5 or LHZ with NCM).cgm
Opel EWD - 2016 - Combo D - EWD - Engine - 1.6L (LJ5) - Engine Controls and Fuel - 1.6L (LJ5) or 2.0L (LHZ) Diesel - Engine Controls Schematics (LJ5 LHZ with NCM) - Engine Data Sensors - Pressure and Temperature (LJ5 or LHZ with NCM).cgm
Opel EWD - 2016 - Combo D - EWD - Engine - 1.6L (LJ5) - Engine Controls and Fuel - 1.6L (LJ5) or 2.0L (LHZ) Diesel - Engine Controls Schematics (LJ5 LHZ with NCM) - Fuel Controls - Fuel Pump and Fuel Injectors (LJ5 or LHZ with NCM).cgm
Opel EWD - 2016 - Combo D - EWD - Engine - 1.6L (LJ5) - Engine Controls and Fuel - 1.6L (LJ5) or 2.0L (LHZ) Diesel - Engine Controls Schematics (LJ5 LHZ with NCM) - Fuel Controls - Glow Plugs (LJ5 or LHZ with NCM).cgm
Opel EWD - 2016 - Combo D - EWD - Engine - 1.6L (LJ5) - Engine Controls and Fuel - 1.6L (LJ5) or 2.0L (LHZ) Diesel - Engine Controls Schematics (LJ5 LHZ with NCM) - Low Reference Bus (LJ5 or LHZ with NCM).cgm
Opel EWD - 2016 - Combo D - EWD - Engine - 1.6L (LJ5) - Engine Controls and Fuel - 1.6L (LJ5) or 2.0L (LHZ) Diesel - Engine Controls Schematics (LJ5 LHZ with NCM) - Module Power, Ground, Serial Data and MIL (LJ5 or LHZ with NCM).cgm
Opel EWD - 2016 - Combo D - EWD - Engine - 1.6L (LJ5) - Engine Heating and Cooling - Engine Cooling.cgm
Opel EWD - 2016 - Combo D - EWD - Engine - 1.6L (LJ5) - Engine Mechanical - 1.6L (LJ5) or 2.0L (LHZ) Diesel - Engine Oil Level Switch (LJ5 or LHZ with NCM).cgm
Opel EWD - 2016 - Combo D - EWD - Engine - 1.6L (LJ5) - Engine Mechanical - 1.6L (LJ5) or 2.0L (LHZ) Diesel - Engine Oil Pressure Control (LJ5 with NTA).cgm
Opel EWD - 2016 - Combo D - EWD - HVAC - HVAC - Automatic - Air Delivery, Sunload and Temperature Sensors (C68).cgm
Opel EWD - 2016 - Combo D - EWD - HVAC - HVAC - Automatic - Auxiliary Heating (C68 with C32).cgm
Opel EWD - 2016 - Combo D - EWD - HVAC - HVAC - Automatic - Compressor Controls (C68).cgm
Opel EWD - 2016 - Combo D - EWD - HVAC - HVAC - Automatic - Module Power, Ground and Blower Controls (C68).cgm
Opel EWD - 2016 - Combo D - EWD - HVAC - HVAC - Manual - Auxiliary Heating (C41 or C60 with C32).cgm
Opel EWD - 2016 - Combo D - EWD - HVAC - HVAC - Manual - Compressor Controls (C60).cgm
Opel EWD - 2016 - Combo D - EWD - HVAC - HVAC - Manual - Module Power, Ground, Air Delivery and Controls (C41 with C32).cgm
Opel EWD - 2016 - Combo D - EWD - HVAC - HVAC - Manual - Module Power, Ground, Air Delivery and Controls (C41).cgm
Opel EWD - 2016 - Combo D - EWD - HVAC - HVAC - Manual - Module Power, Ground, Air Delivery and Controls (C60).cgm
Opel EWD - 2016 - Combo D - EWD - Power and Signal Distribution - Data Communications - Body Control System Schematics - Module Power, Ground, and Serial Data References.cgm
Opel EWD - 2016 - Combo D - EWD - Power and Signal Distribution - Data Communications - Body Control System Schematics - Subsystem References (1 of 4).cgm
Opel EWD - 2016 - Combo D - EWD - Power and Signal Distribution - Data Communications - Body Control System Schematics - Subsystem References (2 of 4).cgm
Opel EWD - 2016 - Combo D - EWD - Power and Signal Distribution - Data Communications - Body Control System Schematics - Subsystem References (3 of 4).cgm
Opel EWD - 2016 - Combo D - EWD - Power and Signal Distribution - Data Communications - Body Control System Schematics - Subsystem References (4 of 4).cgm
Opel EWD - 2016 - Combo D - EWD - Power and Signal Distribution - Data Communications - Data Communication Schematics - High Speed GMLAN.cgm
Opel EWD - 2016 - Combo D - EWD - Power and Signal Distribution - Data Communications - Data Communication Schematics - Low Speed GMLAN.cgm
Opel EWD - 2016 - Combo D - EWD - Power and Signal Distribution - Data Communications - Data Communication Schematics - Power, Ground, and LIN Bus.cgm
Opel EWD - 2016 - Combo D - EWD - Power and Signal Distribution - Power Outlets - Cigar Lighter Power Outlet.cgm
Opel EWD - 2016 - Combo D - EWD - Power and Signal Distribution - Wiring Systems and Power Management - Ground Distribution Schematics - G100, G101, G118, and G199.cgm
Opel EWD - 2016 - Combo D - EWD - Power and Signal Distribution - Wiring Systems and Power Management - Ground Distribution Schematics - G102.cgm
Opel EWD - 2016 - Combo D - EWD - Power and Signal Distribution - Wiring Systems and Power Management - Ground Distribution Schematics - G103 (1 of 2).cgm
Opel EWD - 2016 - Combo D - EWD - Power and Signal Distribution - Wiring Systems and Power Management - Ground Distribution Schematics - G103 (2 of 2) and G105 (LJA or LJD).cgm
Opel EWD - 2016 - Combo D - EWD - Power and Signal Distribution - Wiring Systems and Power Management - Ground Distribution Schematics - G200 (1 of 2).cgm
Opel EWD - 2016 - Combo D - EWD - Power and Signal Distribution - Wiring Systems and Power Management - Ground Distribution Schematics - G200 (2 of 2).cgm
Opel EWD - 2016 - Combo D - EWD - Power and Signal Distribution - Wiring Systems and Power Management - Ground Distribution Schematics - G204 and G205.cgm
Opel EWD - 2016 - Combo D - EWD - Power and Signal Distribution - Wiring Systems and Power Management - Ground Distribution Schematics - G206 and G216.cgm
Opel EWD - 2016 - Combo D - EWD - Power and Signal Distribution - Wiring Systems and Power Management - Ground Distribution Schematics - G211, G217 and G310.cgm
Opel EWD - 2016 - Combo D - EWD - Power and Signal Distribution - Wiring Systems and Power Management - Ground Distribution Schematics - G307.cgm
Opel EWD - 2016 - Combo D - EWD - Power and Signal Distribution - Wiring Systems and Power Management - Ground Distribution Schematics - G309.cgm
Opel EWD - 2016 - Combo D - EWD - Power and Signal Distribution - Wiring Systems and Power Management - Power Distribution Schematics - B+ Bus - X50A Fuse Block - Underhood.cgm
Opel EWD - 2016 - Combo D - EWD - Power and Signal Distribution - Wiring Systems and Power Management - Power Distribution Schematics - F01UA, F32DA, F36DA, F38DA, F43DA, F47DA, F48DA, and F53DA Fuses.cgm
Opel EWD - 2016 - Combo D - EWD - Power and Signal Distribution - Wiring Systems and Power Management - Power Distribution Schematics - F02UA, F06UA, F07UA, F82UA, and F83UA Fuses (without LJ5).cgm
Opel EWD - 2016 - Combo D - EWD - Power and Signal Distribution - Wiring Systems and Power Management - Power Distribution Schematics - F02UA, F06UA, F07UA, F82UA, F83UA, F90DB and F93DB Fuses.cgm
Opel EWD - 2016 - Combo D - EWD - Power and Signal Distribution - Wiring Systems and Power Management - Power Distribution Schematics - F03UA, F16UA, F24UA, and F31DA Fuses, and S39 Ignition Switch (KL9).cgm
Opel EWD - 2016 - Combo D - EWD - Power and Signal Distribution - Wiring Systems and Power Management - Power Distribution Schematics - F03UA, F16UA, F24UA, and F31DA Fuses, and S39 Ignition Switch (without KL9).cgm
Opel EWD - 2016 - Combo D - EWD - Power and Signal Distribution - Wiring Systems and Power Management - Power Distribution Schematics - F04UA, F05UA, F09UA, F15UA, F23UA, F81UA, and F87UA Fuses.cgm
Opel EWD - 2016 - Combo D - EWD - Power and Signal Distribution - Wiring Systems and Power Management - Power Distribution Schematics - F08UA, F85UA, F86UA, F94DB, F95DB, F96DB, F97DB, and F98DB Fuses.cgm
Opel EWD - 2016 - Combo D - EWD - Power and Signal Distribution - Wiring Systems and Power Management - Power Distribution Schematics - F10UA, F14UA, F19UA, F30UA, and F84UA Fuses.cgm
Opel EWD - 2016 - Combo D - EWD - Power and Signal Distribution - Wiring Systems and Power Management - Power Distribution Schematics - F11UA Fuse (1 of 2).cgm
Opel EWD - 2016 - Combo D - EWD - Power and Signal Distribution - Wiring Systems and Power Management - Power Distribution Schematics - F11UA Fuse (2 of 2).cgm
Opel EWD - 2016 - Combo D - EWD - Power and Signal Distribution - Wiring Systems and Power Management - Power Distribution Schematics - F12DA and F13DA Fuses.cgm
Opel EWD - 2016 - Combo D - EWD - Power and Signal Distribution - Wiring Systems and Power Management - Power Distribution Schematics - F17UA and F22UA Fuses.cgm
Opel EWD - 2016 - Combo D - EWD - Power and Signal Distribution - Wiring Systems and Power Management - Power Distribution Schematics - F18UA, F20UA, F21UA, and F88UA Fuses.cgm
Opel EWD - 2016 - Combo D - EWD - Power and Signal Distribution - Wiring Systems and Power Management - Power Distribution Schematics - F37DA, F49DA, and F50DA Fuses.cgm
Opel EWD - 2016 - Combo D - EWD - Power and Signal Distribution - Wiring Systems and Power Management - Power Distribution Schematics - F51DA (2 of 2) and F1UC Fuses.cgm
Opel EWD - 2016 - Combo D - EWD - Power and Signal Distribution - Wiring Systems and Power Management - Power Distribution Schematics - F51DA Fuse.cgm
Opel EWD - 2016 - Combo D - EWD - Power and Signal Distribution - Wiring Systems and Power Management - Power Moding Schematics - Retained Accessory Power Relay.cgm
Opel EWD - 2016 - Combo D - EWD - Power and Signal Distribution - Wiring Systems and Power Management - Trailer Connector Provision Schematics - Trailer Connector (XBG).cgm
Opel EWD - 2016 - Combo D - EWD - Power and Signal Distribution - Wiring Systems and Power Management - Trailer Connector Provision Schematics - Trailer Lighting Controls (XBG).cgm
Opel EWD - 2016 - Combo D - EWD - Power and Signal Distribution - Wiring Systems and Power Management - Upfitter Provision Schematics - Upfitter Provision.cgm
Opel EWD - 2016 - Combo D - EWD - Safety and Security - Immobilizer - Immobilizer.cgm
Opel EWD - 2016 - Combo D - EWD - Safety and Security - Object Detection and Pedestrian Protection - Power, Ground, Serial Data, and Sensors.cgm
Opel EWD - 2016 - Combo D - EWD - Safety and Security - Seat Belts - Seat Belt Switches, Passenger Presence.cgm
Opel EWD - 2016 - Combo D - EWD - Safety and Security - Supplemental Restraints - Front Impact Sensors and Air Bags, Pretensioners.cgm
Opel EWD - 2016 - Combo D - EWD - Safety and Security - Supplemental Restraints - Power, Ground, Serial Data, Indicator and Air Bag Disable.cgm
Opel EWD - 2016 - Combo D - EWD - Safety and Security - Supplemental Restraints - Side Impact Sensors and Air Bags.cgm
Opel EWD - 2016 - Combo D - EWD - Safety and Security - Theft Deterrent - Theft Deterrent.cgm
Opel EWD - 2016 - Combo D - EWD - Seats - Seat Heating and Cooling - Heated Seats (C37 or C38).cgm
Opel EWD - 2016 - Combo D - EWD - Suspension - Tire Pressure Monitoring System Schematics - Tire Pressure Indicator Module (UJM).cgm
Opel EWD - 2016 - Combo D - EWD - Transmission - Manual Transmission - 5-Speed (MMK MML) - Clutch Pedal Position, Neutral Position and Vehicle Speed Sensor (MMJ or MML).cgm
Opel EWD - 2016 - Combo D - EWD - Transmission - Manual Transmission - 6-Speed (MMJ) - Clutch Pedal Position Switch (MMJ).cgm
Opel EWD - 2016 - Combo D - EWD - Transmission - Supplemental Manual Transmission Auto Shift (MMK) - Module Power, Ground, Serial Data, Clutch Pedal Position and Mode Switch (MMK).cgm
Opel EWD - 2016 - Combo D - EWD - Transmission - Supplemental Manual Transmission Auto Shift (MMK) - Speed and Temperature Sensors, Pressure and Shift Controls, Hydraulic Oil Pump (MMK).cgm
Opel EWD - 2016 - Combo D - EWD - Transmission - Supplemental Manual Transmission Auto Shift (MMK) - Transmission Shift Lever (MMK).cgm
#More Product: Opel Service Manual, Repair Manual, Electrical Wiring Diagram


