Opel Corsa E 2018 Wiring Diagrams and Component Locator
Size: 70.3 MB
Format: PDF, CGM, XPS
Machine: Automotive
Machine Model: Opel Corsa E 2018
Document: Wiring Diagrams, Component Locator
Contents:
Opel EWD - 2018 - Corsa E - Control Module U Code List.pdf
Opel EWD - 2018 - Corsa E - RPO Code List.pdf
Opel EWD - 2018 - Corsa E - Schematics RPO Code List.pdf
Opel EWD - 2018 - Corsa E - Service Interval reset 2018 MY.pdf
Opel EWD - 2018 - Corsa E - Belts and Chains - 1.0L (LE1) - Balance Chain and Sprocket Installation.xps
Opel EWD - 2018 - Corsa E - Belts and Chains - 1.0L (LE1) - Balance Chain and Sprocket Removal.xps
Opel EWD - 2018 - Corsa E - Belts and Chains - 1.0L (LE1) - Camshaft Timing Chain Adjustment.xps
Opel EWD - 2018 - Corsa E - Belts and Chains - 1.0L (LE1) - Camshaft Timing Chain Inspection.xps
Opel EWD - 2018 - Corsa E - Belts and Chains - 1.0L (LE1) - Camshaft Timing Chain Replacement.xps
Opel EWD - 2018 - Corsa E - Belts and Chains - 1.0L (LE1) - Drive Belt Replacement.xps
Opel EWD - 2018 - Corsa E - Belts and Chains - 1.0L (LE1) - Engine Mechanical Specifications.xps
Opel EWD - 2018 - Corsa E - Belts and Chains - 1.2L (LDC), 1.4L (LDD, LUJ) - Camshaft Timing Chain Adjustment.xps
Opel EWD - 2018 - Corsa E - Belts and Chains - 1.2L (LDC), 1.4L (LDD, LUJ) - Camshaft Timing Chain Inspection.xps
Opel EWD - 2018 - Corsa E - Belts and Chains - 1.2L (LDC), 1.4L (LDD, LUJ) - Camshaft Timing Chain Replacement.xps
Opel EWD - 2018 - Corsa E - Belts and Chains - 1.2L (LDC), 1.4L (LDD, LUJ) - Drive Belt Replacement.xps
Opel EWD - 2018 - Corsa E - Belts and Chains - 1.2L (LDC), 1.4L (LDD, LUJ) - Engine Mechanical Specifications.xps
Opel EWD - 2018 - Corsa E - Belts and Chains - 1.3L (LKU, LKV) - Camshaft Timing Chain Adjustment.xps
Opel EWD - 2018 - Corsa E - Belts and Chains - 1.3L (LKU, LKV) - Camshaft Timing Chain and Sprocket Replacement.xps
Opel EWD - 2018 - Corsa E - Belts and Chains - 1.3L (LKU, LKV) - Camshaft Timing Chain Inspection.xps
Opel EWD - 2018 - Corsa E - Belts and Chains - 1.3L (LKU, LKV) - Engine Mechanical Specifications (1.3L Diesel LKU).xps
Opel EWD - 2018 - Corsa E - Belts and Chains - 1.3L (LKU, LKV) - Engine Mechanical Specifications (1.3L Diesel LKV).xps
Opel EWD - 2018 - Corsa E - Belts and Chains - 1.3L (LKU, LKV) - Generator and Air Conditioning Compressor Belt Replacement.xps
Opel EWD - 2018 - Corsa E - Belts and Chains - 1.3L (LKU, LKV) - Generator Belt Replacement.xps
Opel EWD - 2018 - Corsa E - Belts and Chains - 1.6L (LLU) - Drive Belt Replacement.xps
Opel EWD - 2018 - Corsa E - Belts and Chains - 1.6L (LLU) - Engine Mechanical Specifications.xps
Opel EWD - 2018 - Corsa E - Belts and Chains - 1.6L (LLU) - Timing Belt Adjustment.xps
Opel EWD - 2018 - Corsa E - Belts and Chains - 1.6L (LLU) - Timing Belt Inspection.xps
Opel EWD - 2018 - Corsa E - Belts and Chains - 1.6L (LLU) - Timing Belt Replacement.xps
Opel EWD - 2018 - Corsa E - Belts and Chains - 1.6L (LLU) - Valve Clearance Adjustment.xps
Opel EWD - 2018 - Corsa E - Component Locator - Master Electrical Component List.pdf
Opel EWD - 2018 - Corsa E - Component Locator - X84 Data Link Connector.pdf
Opel EWD - 2018 - Corsa E - Component Locator - Door Component Views - Driver Door Components (LHD).pdf
Opel EWD - 2018 - Corsa E - Component Locator - Door Component Views - Driver Door Components (RHD).pdf
Opel EWD - 2018 - Corsa E - Component Locator - Door Component Views - Driver Door Trim Panel Components (LHD).pdf
Opel EWD - 2018 - Corsa E - Component Locator - Door Component Views - Driver Door Trim Panel Components (RHD).pdf
Opel EWD - 2018 - Corsa E - Component Locator - Door Component Views - Left Rear Passenger Door Components.pdf
Opel EWD - 2018 - Corsa E - Component Locator - Door Component Views - Passenger Front Door Components (LHD).pdf
Opel EWD - 2018 - Corsa E - Component Locator - Door Component Views - Passenger Front Door Components (RHD).pdf
Opel EWD - 2018 - Corsa E - Component Locator - Door Component Views - Passenger Front Door Trim Panel Components (LHD).pdf
Opel EWD - 2018 - Corsa E - Component Locator - Door Component Views - Passenger Front Door Trim Panel Components (RHD).pdf
Opel EWD - 2018 - Corsa E - Component Locator - Door Component Views - Right Rear Passenger Door Components.pdf
Opel EWD - 2018 - Corsa E - Component Locator - Electrical Center Identification Views - KR166 Windshield Defogger Relay.pdf
Opel EWD - 2018 - Corsa E - Component Locator - Electrical Center Identification Views - X50A Fuse Block - Underhood Bottom View.pdf
Opel EWD - 2018 - Corsa E - Component Locator - Electrical Center Identification Views - X50A Fuse Block - Underhood Top View.pdf
Opel EWD - 2018 - Corsa E - Component Locator - Electrical Center Identification Views - X50A Fuse Block - Underhood X1.pdf
Opel EWD - 2018 - Corsa E - Component Locator - Electrical Center Identification Views - X50A Fuse Block - Underhood X2.pdf
Opel EWD - 2018 - Corsa E - Component Locator - Electrical Center Identification Views - X50A Fuse Block - Underhood X3 (LDC, LDD, LE1, LLU, LUJ).pdf
Opel EWD - 2018 - Corsa E - Component Locator - Electrical Center Identification Views - X50A Fuse Block - Underhood X3 (LKU, LKV).pdf
Opel EWD - 2018 - Corsa E - Component Locator - Electrical Center Identification Views - X50A Fuse Block - Underhood X4.pdf
Opel EWD - 2018 - Corsa E - Component Locator - Electrical Center Identification Views - X50D Fuse Block - Battery Top View.pdf
Opel EWD - 2018 - Corsa E - Component Locator - Electrical Center Identification Views - X50D Fuse Block - Battery X1.pdf
Opel EWD - 2018 - Corsa E - Component Locator - Electrical Center Identification Views - X50D Fuse Block - Battery X3.pdf
Opel EWD - 2018 - Corsa E - Component Locator - Electrical Center Identification Views - X50D Fuse Block - Battery X4.pdf
Opel EWD - 2018 - Corsa E - Component Locator - Electrical Center Identification Views - X50D Fuse Block - Battery X5 (LKU or LKV).pdf
Opel EWD - 2018 - Corsa E - Component Locator - Electrical Center Identification Views - X50D Fuse Block - Battery X6.pdf
Opel EWD - 2018 - Corsa E - Component Locator - Electrical Center Identification Views - X50D Fuse Block - Battery X7.pdf
Opel EWD - 2018 - Corsa E - Component Locator - Electrical Center Identification Views - X50D Fuse Block - Battery X8.pdf
Opel EWD - 2018 - Corsa E - Component Locator - Electrical Center Identification Views - X51A Fuse Block - Instrument Panel Top View.pdf
Opel EWD - 2018 - Corsa E - Component Locator - Electrical Center Identification Views - X51A Fuse Block - Instrument Panel Wire Entry.pdf
Opel EWD - 2018 - Corsa E - Component Locator - Electrical Center Identification Views - X51A Fuse Block - Instrument Panel X1.pdf
Opel EWD - 2018 - Corsa E - Component Locator - Electrical Center Identification Views - X54F Fuse Block - Windshield Defogger Top View (C50).pdf
Opel EWD - 2018 - Corsa E - Component Locator - Electrical Center Identification Views - X54F Fuse Block - Windshield Defogger.pdf
Opel EWD - 2018 - Corsa E - Component Locator - Front of Vehicle Engine Compartment Component Views - Engine Compartment Components (1 of 2).pdf
Opel EWD - 2018 - Corsa E - Component Locator - Front of Vehicle Engine Compartment Component Views - Engine Compartment Components (2 of 2).pdf
Opel EWD - 2018 - Corsa E - Component Locator - Front of Vehicle Engine Compartment Component Views - Front Bumper Components.pdf
Opel EWD - 2018 - Corsa E - Component Locator - Front of Vehicle Engine Compartment Component Views - Front of the Vehicle Components.pdf
Opel EWD - 2018 - Corsa E - Component Locator - Front of Vehicle Engine Compartment Component Views - Intercooler Components.pdf
Opel EWD - 2018 - Corsa E - Component Locator - Front of Vehicle Engine Compartment Component Views - Left Front of the Engine Compartment Components (1 of 2).pdf
Opel EWD - 2018 - Corsa E - Component Locator - Front of Vehicle Engine Compartment Component Views - Left Front of the Engine Compartment Components (2 of 2).pdf
Opel EWD - 2018 - Corsa E - Component Locator - Front of Vehicle Engine Compartment Component Views - Left Front of the Engine Compartment Components (LDD with KL7).pdf
Opel EWD - 2018 - Corsa E - Component Locator - Front of Vehicle Engine Compartment Component Views - Radiator Components.pdf
Opel EWD - 2018 - Corsa E - Component Locator - Front of Vehicle Engine Compartment Component Views - Right Front of the Engine Compartment Components (1 of 2).pdf
Opel EWD - 2018 - Corsa E - Component Locator - Front of Vehicle Engine Compartment Component Views - Right Front of the Engine Compartment Components (2 of 2).pdf
Opel EWD - 2018 - Corsa E - Component Locator - Ground Views - G100.pdf
Opel EWD - 2018 - Corsa E - Component Locator - Ground Views - G101 and G108.pdf
Opel EWD - 2018 - Corsa E - Component Locator - Ground Views - G102.pdf
Opel EWD - 2018 - Corsa E - Component Locator - Ground Views - G104 and G106.pdf
Opel EWD - 2018 - Corsa E - Component Locator - Ground Views - G105 (LDC, LDD, LUJ).pdf
Opel EWD - 2018 - Corsa E - Component Locator - Ground Views - G105 (LE1).pdf
Opel EWD - 2018 - Corsa E - Component Locator - Ground Views - G105 (LKU, LKV).pdf
Opel EWD - 2018 - Corsa E - Component Locator - Ground Views - G105 (LLU).pdf
Opel EWD - 2018 - Corsa E - Component Locator - Ground Views - G107 (LDC, LDD, LUJ).pdf
Opel EWD - 2018 - Corsa E - Component Locator - Ground Views - G107 (LE1).pdf
Opel EWD - 2018 - Corsa E - Component Locator - Ground Views - G107 (LLU).pdf
Opel EWD - 2018 - Corsa E - Component Locator - Ground Views - G201.pdf
Opel EWD - 2018 - Corsa E - Component Locator - Ground Views - G302, G306 and G307.pdf
Opel EWD - 2018 - Corsa E - Component Locator - Ground Views - G303.pdf
Opel EWD - 2018 - Corsa E - Component Locator - Ground Views - G305.pdf
Opel EWD - 2018 - Corsa E - Component Locator - Ground Views - G401 and G403 (3HB VAN).pdf
Opel EWD - 2018 - Corsa E - Component Locator - Ground Views - G401 and G403 (5HB).pdf
Opel EWD - 2018 - Corsa E - Component Locator - Ground Views - G402 (3HB VAN).pdf
Opel EWD - 2018 - Corsa E - Component Locator - Ground Views - G402 (5HB).pdf
Opel EWD - 2018 - Corsa E - Component Locator - Harness Routing Views - Body Harness Routing - Engine Compartment.pdf
Opel EWD - 2018 - Corsa E - Component Locator - Harness Routing Views - Body Harness Routing - Front Headliner.pdf
Opel EWD - 2018 - Corsa E - Component Locator - Harness Routing Views - Body Harness Routing - Front of Cargo Area.pdf
Opel EWD - 2018 - Corsa E - Component Locator - Harness Routing Views - Body Harness Routing - Left Front Passenger Compartment (LHD).pdf
Opel EWD - 2018 - Corsa E - Component Locator - Harness Routing Views - Body Harness Routing - Left Front Passenger Compartment (RHD).pdf
Opel EWD - 2018 - Corsa E - Component Locator - Harness Routing Views - Body Harness Routing - Left Rear Passenger Compartment.pdf
Opel EWD - 2018 - Corsa E - Component Locator - Harness Routing Views - Body Harness Routing - Rear of Vehicle.pdf
Opel EWD - 2018 - Corsa E - Component Locator - Harness Routing Views - Body Harness Routing - Right Passenger Compartment (LHD).pdf
Opel EWD - 2018 - Corsa E - Component Locator - Harness Routing Views - Body Harness Routing - Right Passenger Compartment (RHD).pdf
Opel EWD - 2018 - Corsa E - Component Locator - Harness Routing Views - Driver Door Harness Routing (LHD).pdf
Opel EWD - 2018 - Corsa E - Component Locator - Harness Routing Views - Driver Door Harness Routing (RHD).pdf
Opel EWD - 2018 - Corsa E - Component Locator - Harness Routing Views - Engine Harness Routing (LDC or LDD) (1 of 2).pdf
Opel EWD - 2018 - Corsa E - Component Locator - Harness Routing Views - Engine Harness Routing (LDC or LDD) (2 of 2).pdf
Opel EWD - 2018 - Corsa E - Component Locator - Harness Routing Views - Engine Harness Routing (LE1) (1 of 2).pdf
Opel EWD - 2018 - Corsa E - Component Locator - Harness Routing Views - Engine Harness Routing (LE1) (2 of 2).pdf
Opel EWD - 2018 - Corsa E - Component Locator - Harness Routing Views - Engine Harness Routing (LKU or LKV).pdf
Opel EWD - 2018 - Corsa E - Component Locator - Harness Routing Views - Engine Harness Routing (LLU) (1 of 2).pdf
Opel EWD - 2018 - Corsa E - Component Locator - Harness Routing Views - Engine Harness Routing (LLU) (2 of 2).pdf
Opel EWD - 2018 - Corsa E - Component Locator - Harness Routing Views - Engine Harness Routing (LUJ) (1 of 2).pdf
Opel EWD - 2018 - Corsa E - Component Locator - Harness Routing Views - Engine Harness Routing (LUJ) (2 of 2).pdf
Opel EWD - 2018 - Corsa E - Component Locator - Harness Routing Views - Forward Lamp (1 of 3).pdf
Opel EWD - 2018 - Corsa E - Component Locator - Harness Routing Views - Forward Lamp (2 of 3).pdf
Opel EWD - 2018 - Corsa E - Component Locator - Harness Routing Views - Forward Lamp (3 of 3).pdf
Opel EWD - 2018 - Corsa E - Component Locator - Harness Routing Views - Front Bumper Harness Routing (UD5).pdf
Opel EWD - 2018 - Corsa E - Component Locator - Harness Routing Views - Front Bumper Harness Routing (without UD5).pdf
Opel EWD - 2018 - Corsa E - Component Locator - Harness Routing Views - Fuel Injector Harness Routing (LLU).pdf
Opel EWD - 2018 - Corsa E - Component Locator - Harness Routing Views - HVAC Harness Routing.pdf
Opel EWD - 2018 - Corsa E - Component Locator - Harness Routing Views - Instrument Panel Harness Routing (LHD).pdf
Opel EWD - 2018 - Corsa E - Component Locator - Harness Routing Views - Instrument Panel Harness Routing (RHD).pdf
Opel EWD - 2018 - Corsa E - Component Locator - Harness Routing Views - Left Rear Door Harness Routing.pdf
Opel EWD - 2018 - Corsa E - Component Locator - Harness Routing Views - Liftgate Harness Routing.pdf
Opel EWD - 2018 - Corsa E - Component Locator - Harness Routing Views - Passenger Door Harness Routing (LHD).pdf
Opel EWD - 2018 - Corsa E - Component Locator - Harness Routing Views - Passenger Door Harness Routing (RHD).pdf
Opel EWD - 2018 - Corsa E - Component Locator - Harness Routing Views - Rear Bumper Harness Routing (1 of 2).pdf
Opel EWD - 2018 - Corsa E - Component Locator - Harness Routing Views - Rear Bumper Harness Routing (2 of 2).pdf
Opel EWD - 2018 - Corsa E - Component Locator - Harness Routing Views - Right Rear Door Harness Routing.pdf
Opel EWD - 2018 - Corsa E - Component Locator - Harness Routing Views - Trailer Harness Routing.pdf
Opel EWD - 2018 - Corsa E - Component Locator - Instrument Panel Center Console Component Views - Behind the Center of the Instrument Panel Components (LHD).pdf
Opel EWD - 2018 - Corsa E - Component Locator - Instrument Panel Center Console Component Views - Behind the Center of the Instrument Panel Components (RHD).pdf
Opel EWD - 2018 - Corsa E - Component Locator - Instrument Panel Center Console Component Views - HVAC Module Components (1 of 2).pdf
Opel EWD - 2018 - Corsa E - Component Locator - Instrument Panel Center Console Component Views - HVAC Module Components (2 of 2).pdf
Opel EWD - 2018 - Corsa E - Component Locator - Instrument Panel Center Console Component Views - Instrument Panel and Floor Console Components (LHD).pdf
Opel EWD - 2018 - Corsa E - Component Locator - Instrument Panel Center Console Component Views - Instrument Panel and Floor Console Components (RHD).pdf
Opel EWD - 2018 - Corsa E - Component Locator - Instrument Panel Center Console Component Views - Steering Column Components.pdf
Opel EWD - 2018 - Corsa E - Component Locator - Luggage Compartment Rear of Vehicle Component Views - Left Side of the Luggage Compartment Components.pdf
Opel EWD - 2018 - Corsa E - Component Locator - Luggage Compartment Rear of Vehicle Component Views - Liftgate Components.pdf
Opel EWD - 2018 - Corsa E - Component Locator - Luggage Compartment Rear of Vehicle Component Views - Rear Bumper Components.pdf
Opel EWD - 2018 - Corsa E - Component Locator - Luggage Compartment Rear of Vehicle Component Views - Rear of the Vehicle Components (with T94).pdf
Opel EWD - 2018 - Corsa E - Component Locator - Luggage Compartment Rear of Vehicle Component Views - Rear of the Vehicle Components (without T94).pdf
Opel EWD - 2018 - Corsa E - Component Locator - Luggage Compartment Rear of Vehicle Component Views - Rear of the Vehicle Components.pdf
Opel EWD - 2018 - Corsa E - Component Locator - Luggage Compartment Rear of Vehicle Component Views - Right Side of Luggage Compartment Components.pdf
Opel EWD - 2018 - Corsa E - Component Locator - Luggage Compartment Rear of Vehicle Component Views - Trailer Hitch Components.pdf
Opel EWD - 2018 - Corsa E - Component Locator - Passenger Compartment Roof Component Views - Left Front Passenger Compartment Components (1 of 2).pdf
Opel EWD - 2018 - Corsa E - Component Locator - Passenger Compartment Roof Component Views - Left Front Passenger Compartment Components (2 of 2).pdf
Opel EWD - 2018 - Corsa E - Component Locator - Passenger Compartment Roof Component Views - Left Front Passenger Compartment Components (LHD).pdf
Opel EWD - 2018 - Corsa E - Component Locator - Passenger Compartment Roof Component Views - Left Front Passenger Compartment Components (RHD).pdf
Opel EWD - 2018 - Corsa E - Component Locator - Passenger Compartment Roof Component Views - Rear Passenger Compartment Components.pdf
Opel EWD - 2018 - Corsa E - Component Locator - Passenger Compartment Roof Component Views - Right Front Passenger Compartment Components (LHD).pdf
Opel EWD - 2018 - Corsa E - Component Locator - Passenger Compartment Roof Component Views - Right Front Passenger Compartment Components (RHD).pdf
Opel EWD - 2018 - Corsa E - Component Locator - Passenger Compartment Roof Component Views - Roof Compartment Components (1 of 3).pdf
Opel EWD - 2018 - Corsa E - Component Locator - Passenger Compartment Roof Component Views - Roof Compartment Components (2 of 3).pdf
Opel EWD - 2018 - Corsa E - Component Locator - Passenger Compartment Roof Component Views - Roof Compartment Components (3 of 3).pdf
Opel EWD - 2018 - Corsa E - Component Locator - Powertrain Component Views - Left Rear of the Engine Components (LDC or LDD).pdf
Opel EWD - 2018 - Corsa E - Component Locator - Powertrain Component Views - Left Rear of the Engine Components (LE1).pdf
Opel EWD - 2018 - Corsa E - Component Locator - Powertrain Component Views - Left Rear of the Engine Components (LKU or LKV).pdf
Opel EWD - 2018 - Corsa E - Component Locator - Powertrain Component Views - Left Rear of the Engine Components (LLU).pdf
Opel EWD - 2018 - Corsa E - Component Locator - Powertrain Component Views - Left Rear of the Engine Components (LUJ).pdf
Opel EWD - 2018 - Corsa E - Component Locator - Powertrain Component Views - Manual Transmission Components (MDG).pdf
Opel EWD - 2018 - Corsa E - Component Locator - Powertrain Component Views - Manual Transmission Components (MFX).pdf
Opel EWD - 2018 - Corsa E - Component Locator - Powertrain Component Views - Manual Transmission Components (MZ0).pdf
Opel EWD - 2018 - Corsa E - Component Locator - Powertrain Component Views - Manual Transmission Components (MZ2).pdf
Opel EWD - 2018 - Corsa E - Component Locator - Powertrain Component Views - Rear of the Engine Components (LDD with KL7).pdf
Opel EWD - 2018 - Corsa E - Component Locator - Powertrain Component Views - Right Front of the Engine Components (LDC or LDD).pdf
Opel EWD - 2018 - Corsa E - Component Locator - Powertrain Component Views - Right Front of the Engine Components (LE1).pdf
Opel EWD - 2018 - Corsa E - Component Locator - Powertrain Component Views - Right Front of the Engine Components (LKU or LKV).pdf
Opel EWD - 2018 - Corsa E - Component Locator - Powertrain Component Views - Right Front of the Engine Components (LLU).pdf
Opel EWD - 2018 - Corsa E - Component Locator - Powertrain Component Views - Right Front of the Engine Components (LUJ).pdf
Opel EWD - 2018 - Corsa E - Component Locator - Powertrain Component Views - Right Rear Bottom of Engine Components (LDC or LDD).pdf
Opel EWD - 2018 - Corsa E - Component Locator - Powertrain Component Views - Right Rear Bottom of Engine Components (LE1).pdf
Opel EWD - 2018 - Corsa E - Component Locator - Powertrain Component Views - Top of the Engine Components (LDC or LDD).pdf
Opel EWD - 2018 - Corsa E - Component Locator - Powertrain Component Views - Top of the Engine Components (LE1).pdf
Opel EWD - 2018 - Corsa E - Component Locator - Powertrain Component Views - Top of the Engine Components (LKU OR LKV).pdf
Opel EWD - 2018 - Corsa E - Component Locator - Powertrain Component Views - Top of the Engine Components (LUJ).pdf
Opel EWD - 2018 - Corsa E - Component Locator - Wheels Vehicle Underbody Component Views - Fuel Tank Components.pdf
Opel EWD - 2018 - Corsa E - Component Locator - Wheels Vehicle Underbody Component Views - Left Front Wheel Housing Components.pdf
Opel EWD - 2018 - Corsa E - Component Locator - Wheels Vehicle Underbody Component Views - Left Rear Wheel Housing Components.pdf
Opel EWD - 2018 - Corsa E - Component Locator - Wheels Vehicle Underbody Component Views - Right Front Wheel Housing Components.pdf
Opel EWD - 2018 - Corsa E - Component Locator - Wheels Vehicle Underbody Component Views - Right Rear Wheel Housing Components.pdf
Opel EWD - 2018 - Corsa E - EWD - Body Repair - Bolted Exterior Body Panels and Closures - Hood Latch Schematics.cgm
Opel EWD - 2018 - Corsa E - EWD - Body Systems - Air Compressor - Auxiliary - Air Compressor - Auxiliary (KTI).cgm
Opel EWD - 2018 - Corsa E - EWD - Body Systems - Fixed and Moveable Windows - Defogger Schematics - Front Window Defogger (C50).cgm
Opel EWD - 2018 - Corsa E - EWD - Body Systems - Fixed and Moveable Windows - Defogger Schematics - Rear Window Defogger.cgm
Opel EWD - 2018 - Corsa E - EWD - Body Systems - Fixed and Moveable Windows - Moveable Window Schematics - Driver Window.cgm
Opel EWD - 2018 - Corsa E - EWD - Body Systems - Fixed and Moveable Windows - Moveable Window Schematics - Passenger Window.cgm
Opel EWD - 2018 - Corsa E - EWD - Body Systems - Horns - Horn.cgm
Opel EWD - 2018 - Corsa E - EWD - Body Systems - Lighting - Exterior Lights Schematics - Park and Tail Lamps.cgm
Opel EWD - 2018 - Corsa E - EWD - Body Systems - Lighting - Exterior Lights Schematics - Park, Turn, Hazard, Backup and Brake Lamps Controls.cgm
Opel EWD - 2018 - Corsa E - EWD - Body Systems - Lighting - Exterior Lights Schematics - Rear Multifunction Carrier (D8G).cgm
Opel EWD - 2018 - Corsa E - EWD - Body Systems - Lighting - Exterior Lights Schematics - Stop, Backup and License Plate Lamps.cgm
Opel EWD - 2018 - Corsa E - EWD - Body Systems - Lighting - Exterior Lights Schematics - Turn Signal Lamps.cgm
Opel EWD - 2018 - Corsa E - EWD - Body Systems - Lighting - Fog Lights Schematics - Front and Rear Fog Lights.cgm
Opel EWD - 2018 - Corsa E - EWD - Body Systems - Lighting - Headlights Daytime Running Lights (DRL) Schematics - Cornering Lamps (T4F).cgm
Opel EWD - 2018 - Corsa E - EWD - Body Systems - Lighting - Headlights Daytime Running Lights (DRL) Schematics - Headlamp Controls and Indicators.cgm
Opel EWD - 2018 - Corsa E - EWD - Body Systems - Lighting - Headlights Daytime Running Lights (DRL) Schematics - Headlamp Leveling.cgm
Opel EWD - 2018 - Corsa E - EWD - Body Systems - Lighting - Headlights Daytime Running Lights (DRL) Schematics - Low, High Beams and Daytime Running Lights (T4A with T3S).cgm
Opel EWD - 2018 - Corsa E - EWD - Body Systems - Lighting - Headlights Daytime Running Lights (DRL) Schematics - Low, High Beams and Daytime Running Lights (T4A with T3Z).cgm
Opel EWD - 2018 - Corsa E - EWD - Body Systems - Lighting - Headlights Daytime Running Lights (DRL) Schematics - Low, High Beams and Daytime Running Lights (T4F).cgm
Opel EWD - 2018 - Corsa E - EWD - Body Systems - Lighting - Interior Lights Dimming Schematics - Accent Lamps.cgm
Opel EWD - 2018 - Corsa E - EWD - Body Systems - Lighting - Interior Lights Dimming Schematics - Dimming Controls, Steering Wheel, HVAC Controls and Instrument Panel Switches (1 of 2).cgm
Opel EWD - 2018 - Corsa E - EWD - Body Systems - Lighting - Interior Lights Dimming Schematics - Door and Roof Switches, HVAC Controls and Instrument Panel Switches (2 of 2).cgm
Opel EWD - 2018 - Corsa E - EWD - Body Systems - Lighting - Interior Lights Schematics - Front Interior Overhead Lamps and Cargo Lamp.cgm
Opel EWD - 2018 - Corsa E - EWD - Body Systems - Mirrors - Inside Rearview Mirror Schematics - Inside Rearview Mirror (DD8).cgm
Opel EWD - 2018 - Corsa E - EWD - Body Systems - Mirrors - Outside Rearview Mirror Schematics - Heated Mirrors (DJA or DJ8).cgm
Opel EWD - 2018 - Corsa E - EWD - Body Systems - Mirrors - Outside Rearview Mirror Schematics - Left Hand Drive (DJA, DJ8 or D77).cgm
Opel EWD - 2018 - Corsa E - EWD - Body Systems - Mirrors - Outside Rearview Mirror Schematics - Right Hand Drive (DJA, DJ8 or D77).cgm
Opel EWD - 2018 - Corsa E - EWD - Body Systems - Vehicle Access - Door Lock Indicator Schematics - Actuators (with UTT).cgm
Opel EWD - 2018 - Corsa E - EWD - Body Systems - Vehicle Access - Door Lock Indicator Schematics - Actuators (without UTT).cgm
Opel EWD - 2018 - Corsa E - EWD - Body Systems - Vehicle Access - Door Lock Indicator Schematics - Controls.cgm
Opel EWD - 2018 - Corsa E - EWD - Body Systems - Vehicle Access - Door Lock Indicator Schematics - Indicators.cgm
Opel EWD - 2018 - Corsa E - EWD - Body Systems - Vehicle Access - Release Systems Schematics - Liftgate.cgm
Opel EWD - 2018 - Corsa E - EWD - Body Systems - Wipers and Washers - Front Wiper Washer Control and Wiper.cgm
Opel EWD - 2018 - Corsa E - EWD - Body Systems - Wipers and Washers - Rear Wiper Washer Control and Wiper.cgm
Opel EWD - 2018 - Corsa E - EWD - Body Systems - Wipers and Washers - Windshield Washer.cgm
Opel EWD - 2018 - Corsa E - EWD - Brakes - Antilock Brake System - Module Power, Ground and Serial Data.cgm
Opel EWD - 2018 - Corsa E - EWD - Brakes - Antilock Brake System - Wheel Speed Sensors.cgm
Opel EWD - 2018 - Corsa E - EWD - Brakes - Hydraulic Brakes - Hydraulic Brake (-LE1).cgm
Opel EWD - 2018 - Corsa E - EWD - Brakes - Hydraulic Brakes - Hydraulic Brake (LE1+NCV).cgm
Opel EWD - 2018 - Corsa E - EWD - Brakes - Hydraulic Brakes - Hydraulic Brake (LE1+NE4).cgm
Opel EWD - 2018 - Corsa E - EWD - Driver Information and Entertainment - Cellular, Entertainment, and Navigation - OnStar Telematics Schematics - OnStar Telematics Schematics.cgm
Opel EWD - 2018 - Corsa E - EWD - Driver Information and Entertainment - Cellular, Entertainment, and Navigation - Radio Navigation System Schematics - Auxiliary Audio Input (IOA UH7).cgm
Opel EWD - 2018 - Corsa E - EWD - Driver Information and Entertainment - Cellular, Entertainment, and Navigation - Radio Navigation System Schematics - Power, Ground, Serial Data, Antenna and Microphone.cgm
Opel EWD - 2018 - Corsa E - EWD - Driver Information and Entertainment - Cellular, Entertainment, and Navigation - Radio Navigation System Schematics - Speakers (UW4 or UW6 with LHD).cgm
Opel EWD - 2018 - Corsa E - EWD - Driver Information and Entertainment - Cellular, Entertainment, and Navigation - Radio Navigation System Schematics - Speakers (UW4 or UW6 with RHD).cgm
Opel EWD - 2018 - Corsa E - EWD - Driver Information and Entertainment - Displays and Gauges - Audible Warnings Schematics - Audible Warnings.cgm
Opel EWD - 2018 - Corsa E - EWD - Driver Information and Entertainment - Displays and Gauges - Instrument Cluster Schematics - Ambient Air Temperature Sensor and Driver Information.cgm
Opel EWD - 2018 - Corsa E - EWD - Driver Information and Entertainment - Displays and Gauges - Instrument Cluster Schematics - Indicators.cgm
Opel EWD - 2018 - Corsa E - EWD - Driver Information and Entertainment - Displays and Gauges - Instrument Cluster Schematics - Oil Level Sensor (LLU).cgm
Opel EWD - 2018 - Corsa E - EWD - Driver Information and Entertainment - Displays and Gauges - Instrument Cluster Schematics - Power, Ground, Serial Data and Gauges (LDC, LDD, LLU, LUJ).cgm
Opel EWD - 2018 - Corsa E - EWD - Driver Information and Entertainment - Displays and Gauges - Instrument Cluster Schematics - Power, Ground, Serial Data and Gauges (LE1).cgm
Opel EWD - 2018 - Corsa E - EWD - Driver Information and Entertainment - Displays and Gauges - Instrument Cluster Schematics - Power, Ground, Serial Data and Gauges (LKU, LKV).cgm
Opel EWD - 2018 - Corsa E - EWD - Driver Information and Entertainment - Image Display Cameras - Rear Vision Camera (UVC).cgm
Opel EWD - 2018 - Corsa E - EWD - Driver Information and Entertainment - Secondary and Configurable Customer Controls - Steering Wheel Controls.cgm
Opel EWD - 2018 - Corsa E - EWD - Engine - 1.0L (LE1) - 12 V Starting and Charging - Charging (KL9 except LKU LKV).cgm
Opel EWD - 2018 - Corsa E - EWD - Engine - 1.0L (LE1) - 12 V Starting and Charging - Charging (KL9 with LKU LKV).cgm
Opel EWD - 2018 - Corsa E - EWD - Engine - 1.0L (LE1) - 12 V Starting and Charging - Charging (without KL9).cgm
Opel EWD - 2018 - Corsa E - EWD - Engine - 1.0L (LE1) - 12 V Starting and Charging - Starting (LDC, LDD, LLU, LUJ).cgm
Opel EWD - 2018 - Corsa E - EWD - Engine - 1.0L (LE1) - 12 V Starting and Charging - Starting (LE1).cgm
Opel EWD - 2018 - Corsa E - EWD - Engine - 1.0L (LE1) - 12 V Starting and Charging - Starting (LKU, LKV).cgm
Opel EWD - 2018 - Corsa E - EWD - Engine - 1.0L (LE1) - 12 V Starting and Charging - Stop Start System (KL9).cgm
Opel EWD - 2018 - Corsa E - EWD - Engine - 1.0L (LE1) - Cruise Control - Cruise Control (K33).cgm
Opel EWD - 2018 - Corsa E - EWD - Engine - 1.0L (LE1) - Engine Controls and Fuel - 1.0L (LE1) - Engine Controls Schematics (LE1 with NCV) - 5V Reference Bus (LE1 with NCV).cgm
Opel EWD - 2018 - Corsa E - EWD - Engine - 1.0L (LE1) - Engine Controls and Fuel - 1.0L (LE1) - Engine Controls Schematics (LE1 with NCV) - Controlled Monitored Subsystem References (LE1 with NCV).cgm
Opel EWD - 2018 - Corsa E - EWD - Engine - 1.0L (LE1) - Engine Controls and Fuel - 1.0L (LE1) - Engine Controls Schematics (LE1 with NCV) - Engine Data Sensors - Oxygen Sensors (LE1 with NCV).cgm
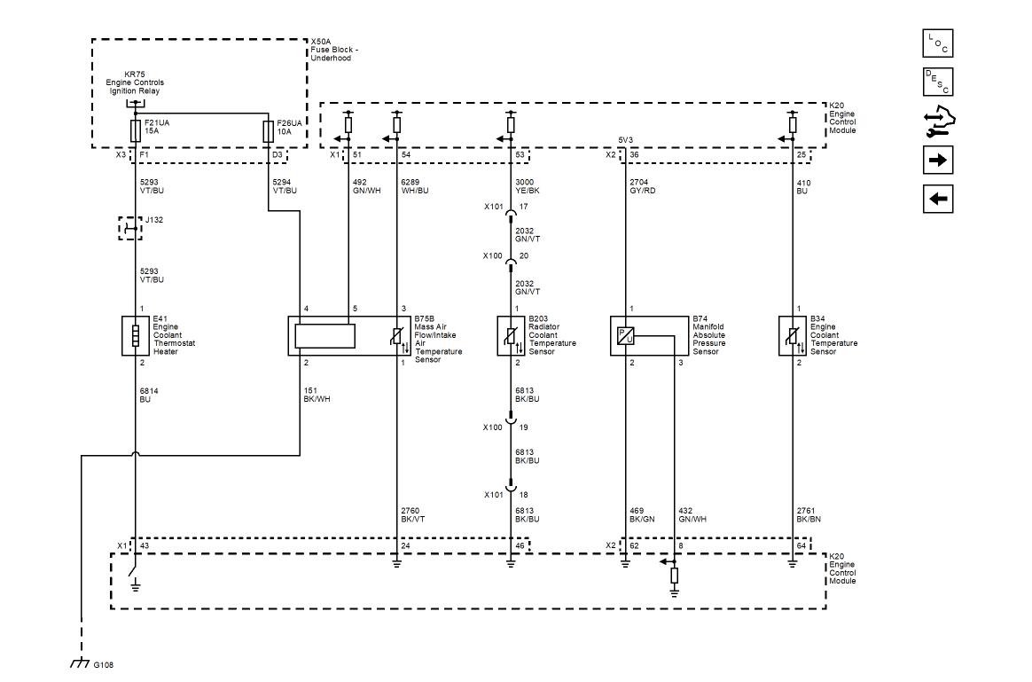
Opel EWD - 2018 - Corsa E - EWD - Engine - 1.0L (LE1) - Engine Controls and Fuel - 1.0L (LE1) - Engine Controls Schematics (LE1 with NCV) - Engine Data Sensors - Pressure and Temperature (LE1 with NCV).cgm
Opel EWD - 2018 - Corsa E - EWD - Engine - 1.0L (LE1) - Engine Controls and Fuel - 1.0L (LE1) - Engine Controls Schematics (LE1 with NCV) - Engine Data Sensors - Throttle Controls (LE1 with NCV).cgm
Opel EWD - 2018 - Corsa E - EWD - Engine - 1.0L (LE1) - Engine Controls and Fuel - 1.0L (LE1) - Engine Controls Schematics (LE1 with NCV) - Fuel Controls - Evaporative Emission and Turbo (LE1 with NCV).cgm
Opel EWD - 2018 - Corsa E - EWD - Engine - 1.0L (LE1) - Engine Controls and Fuel - 1.0L (LE1) - Engine Controls Schematics (LE1 with NCV) - Fuel Controls - Fuel Injectors and High Pressure Control (LE1 with NCV).cgm
Opel EWD - 2018 - Corsa E - EWD - Engine - 1.0L (LE1) - Engine Controls and Fuel - 1.0L (LE1) - Engine Controls Schematics (LE1 with NCV) - Fuel Controls - Fuel Pump and Fuel Pump Driver Control Module (LE1 with NCV).cgm
Opel EWD - 2018 - Corsa E - EWD - Engine - 1.0L (LE1) - Engine Controls and Fuel - 1.0L (LE1) - Engine Controls Schematics (LE1 with NCV) - Ignition Controls - Camshaft Actuators and Camshaft, Crankshaft and Knock Sensors (LE1 with NCV).cgm
Opel EWD - 2018 - Corsa E - EWD - Engine - 1.0L (LE1) - Engine Controls and Fuel - 1.0L (LE1) - Engine Controls Schematics (LE1 with NCV) - Ignition Controls - Ignition Coils (LE1 with NCV).cgm
Opel EWD - 2018 - Corsa E - EWD - Engine - 1.0L (LE1) - Engine Controls and Fuel - 1.0L (LE1) - Engine Controls Schematics (LE1 with NCV) - Low Reference Bus (LE1 with NCV).cgm
Opel EWD - 2018 - Corsa E - EWD - Engine - 1.0L (LE1) - Engine Controls and Fuel - 1.0L (LE1) - Engine Controls Schematics (LE1 with NCV) - Module Power, Ground, Serial Data and MIL (LE1 with NCV).cgm
Opel EWD - 2018 - Corsa E - EWD - Engine - 1.0L (LE1) - Engine Controls and Fuel - 1.0L (LE1) - Engine Controls Schematics (LE1 with NE4) - 5V1, 5V2 and Low Reference Bus (LE1 with NE4) (1 of 2).cgm
Opel EWD - 2018 - Corsa E - EWD - Engine - 1.0L (LE1) - Engine Controls and Fuel - 1.0L (LE1) - Engine Controls Schematics (LE1 with NE4) - 5V3, 5V4, 5V5 and Low Reference Bus (LE1 with NE4) (2 of 2).cgm
Opel EWD - 2018 - Corsa E - EWD - Engine - 1.0L (LE1) - Engine Controls and Fuel - 1.0L (LE1) - Engine Controls Schematics (LE1 with NE4) - Controlled Monitored Subsystem References (LE1 with NE4).cgm
Opel EWD - 2018 - Corsa E - EWD - Engine - 1.0L (LE1) - Engine Controls and Fuel - 1.0L (LE1) - Engine Controls Schematics (LE1 with NE4) - Engine Data Sensors - Oxygen Sensors and Evaporative Emission Controls (LE1 with NE4).cgm
Opel EWD - 2018 - Corsa E - EWD - Engine - 1.0L (LE1) - Engine Controls and Fuel - 1.0L (LE1) - Engine Controls Schematics (LE1 with NE4) - Engine Data Sensors - Pressure and Temperature (LE1 with NE4).cgm
Opel EWD - 2018 - Corsa E - EWD - Engine - 1.0L (LE1) - Engine Controls and Fuel - 1.0L (LE1) - Engine Controls Schematics (LE1 with NE4) - Engine Data Sensors - Throttle Controls (LE1 with NE4).cgm
Opel EWD - 2018 - Corsa E - EWD - Engine - 1.0L (LE1) - Engine Controls and Fuel - 1.0L (LE1) - Engine Controls Schematics (LE1 with NE4) - Fuel Controls - Fuel Injectors and High Pressure Control (LE1 with NE4).cgm
Opel EWD - 2018 - Corsa E - EWD - Engine - 1.0L (LE1) - Engine Controls and Fuel - 1.0L (LE1) - Engine Controls Schematics (LE1 with NE4) - Fuel Controls - Fuel Pump and Chassis Control Module (LE1 with NE4).cgm
Opel EWD - 2018 - Corsa E - EWD - Engine - 1.0L (LE1) - Engine Controls and Fuel - 1.0L (LE1) - Engine Controls Schematics (LE1 with NE4) - Ignition Controls - Camshaft, Crankshaft and Knock Sensor and Camshaft Actuators (LE1 with NE4).cgm
Opel EWD - 2018 - Corsa E - EWD - Engine - 1.0L (LE1) - Engine Controls and Fuel - 1.0L (LE1) - Engine Controls Schematics (LE1 with NE4) - Ignition Controls - Ignition Coils (LE1 with NE4).cgm
Opel EWD - 2018 - Corsa E - EWD - Engine - 1.0L (LE1) - Engine Controls and Fuel - 1.0L (LE1) - Engine Controls Schematics (LE1 with NE4) - Module Power, Ground, Serial Data and MIL (LE1 with NE4).cgm
Opel EWD - 2018 - Corsa E - EWD - Engine - 1.0L (LE1) - Engine Heating and Cooling - Coolant Pump Clutch (LKU with 5EA).cgm
Opel EWD - 2018 - Corsa E - EWD - Engine - 1.0L (LE1) - Engine Heating and Cooling - Dual Speed Fan (LDC or LDD with MM3 and C60 or C68).cgm
Opel EWD - 2018 - Corsa E - EWD - Engine - 1.0L (LE1) - Engine Heating and Cooling - Single Speed Fan (LDC or LDD with MM3 and C41).cgm
Opel EWD - 2018 - Corsa E - EWD - Engine - 1.0L (LE1) - Engine Heating and Cooling - Three Speed Fan (LE1, LUJ or (LDD with MNJ)).cgm
Opel EWD - 2018 - Corsa E - EWD - Engine - 1.0L (LE1) - Engine Heating and Cooling - Three Speed Fan (LKU or LKV).cgm
Opel EWD - 2018 - Corsa E - EWD - Engine - 1.0L (LE1) - Engine Heating and Cooling - Variable Speed Fan (LLU).cgm
Opel EWD - 2018 - Corsa E - EWD - Engine - 1.0L (LE1) - Engine Mechanical - 1.0L (LE1) - Oil Pressure Control (LE1).cgm
Opel EWD - 2018 - Corsa E - EWD - Engine - 1.2L (LDC) - 12 V Starting and Charging - Charging (KL9 except LKU LKV).cgm
Opel EWD - 2018 - Corsa E - EWD - Engine - 1.2L (LDC) - 12 V Starting and Charging - Charging (KL9 with LKU LKV).cgm
Opel EWD - 2018 - Corsa E - EWD - Engine - 1.2L (LDC) - 12 V Starting and Charging - Charging (without KL9).cgm
Opel EWD - 2018 - Corsa E - EWD - Engine - 1.2L (LDC) - 12 V Starting and Charging - Starting (LDC, LDD, LLU, LUJ).cgm
Opel EWD - 2018 - Corsa E - EWD - Engine - 1.2L (LDC) - 12 V Starting and Charging - Starting (LE1).cgm
Opel EWD - 2018 - Corsa E - EWD - Engine - 1.2L (LDC) - 12 V Starting and Charging - Starting (LKU, LKV).cgm
Opel EWD - 2018 - Corsa E - EWD - Engine - 1.2L (LDC) - 12 V Starting and Charging - Stop Start System (KL9).cgm
Opel EWD - 2018 - Corsa E - EWD - Engine - 1.2L (LDC) - Cruise Control - Cruise Control (K33).cgm
Opel EWD - 2018 - Corsa E - EWD - Engine - 1.2L (LDC) - Engine Controls and Fuel - 1.2L (LDC) or 1.4L (LDD LUJ) - Engine Controls Schematics (LDC,LUJ or (LDD except MM3 without KL7 or KL9)) - 5V1, 5V2 and Low Reference Bus (LDC, LUJ or (LDD except MM3 without KL7 or KL9)) (1 of 2).cgm
Opel EWD - 2018 - Corsa E - EWD - Engine - 1.2L (LDC) - Engine Controls and Fuel - 1.2L (LDC) or 1.4L (LDD LUJ) - Engine Controls Schematics (LDC,LUJ or (LDD except MM3 without KL7 or KL9)) - 5V3, 5V4 and Low Reference Bus (LDC, LUJ or (LDD except MM3 without KL7 or KL9)) (2 of 2).cgm
Opel EWD - 2018 - Corsa E - EWD - Engine - 1.2L (LDC) - Engine Controls and Fuel - 1.2L (LDC) or 1.4L (LDD LUJ) - Engine Controls Schematics (LDC,LUJ or (LDD except MM3 without KL7 or KL9)) - Controlled Monitored Subsystem References (LDC, LUJ or (LDD except MM3 without KL7 or KL9)).cgm
Opel EWD - 2018 - Corsa E - EWD - Engine - 1.2L (LDC) - Engine Controls and Fuel - 1.2L (LDC) or 1.4L (LDD LUJ) - Engine Controls Schematics (LDC,LUJ or (LDD except MM3 without KL7 or KL9)) - Engine Data Sensors - Oxygen Sensors and Evaporative Emission Controls (LDC, LUJ or (LDD except MM3 without KL7 or KL9)).cgm
Opel EWD - 2018 - Corsa E - EWD - Engine - 1.2L (LDC) - Engine Controls and Fuel - 1.2L (LDC) or 1.4L (LDD LUJ) - Engine Controls Schematics (LDC,LUJ or (LDD except MM3 without KL7 or KL9)) - Engine Data Sensors - Pressure and Temperature (LDC or (LDD except MM3 without KL7 or KL9)).cgm
Opel EWD - 2018 - Corsa E - EWD - Engine - 1.2L (LDC) - Engine Controls and Fuel - 1.2L (LDC) or 1.4L (LDD LUJ) - Engine Controls Schematics (LDC,LUJ or (LDD except MM3 without KL7 or KL9)) - Engine Data Sensors - Pressure and Temperature (LUJ).cgm
Opel EWD - 2018 - Corsa E - EWD - Engine - 1.2L (LDC) - Engine Controls and Fuel - 1.2L (LDC) or 1.4L (LDD LUJ) - Engine Controls Schematics (LDC,LUJ or (LDD except MM3 without KL7 or KL9)) - Engine Data Sensors - Throttle Controls and Override (LDC, LUJ or (LDD except MM3 without KL7 or KL9)).cgm
Opel EWD - 2018 - Corsa E - EWD - Engine - 1.2L (LDC) - Engine Controls and Fuel - 1.2L (LDC) or 1.4L (LDD LUJ) - Engine Controls Schematics (LDC,LUJ or (LDD except MM3 without KL7 or KL9)) - Fuel Controls - Fuel Pump and Fuel Injectors (LDC, LUJ or (LDD except MM3 without KL7 or KL9)).cgm
Opel EWD - 2018 - Corsa E - EWD - Engine - 1.2L (LDC) - Engine Controls and Fuel - 1.2L (LDC) or 1.4L (LDD LUJ) - Engine Controls Schematics (LDC,LUJ or (LDD except MM3 without KL7 or KL9)) - Fuel Controls - LPG Fuel Injectors (LDD with KL7).cgm
Opel EWD - 2018 - Corsa E - EWD - Engine - 1.2L (LDC) - Engine Controls and Fuel - 1.2L (LDC) or 1.4L (LDD LUJ) - Engine Controls Schematics (LDC,LUJ or (LDD except MM3 without KL7 or KL9)) - Fuel Injector Control Module - Sensors and Switches (LDD with KL7).cgm
Opel EWD - 2018 - Corsa E - EWD - Engine - 1.2L (LDC) - Engine Controls and Fuel - 1.2L (LDC) or 1.4L (LDD LUJ) - Engine Controls Schematics (LDC,LUJ or (LDD except MM3 without KL7 or KL9)) - Ignition Controls - Camshaft, Crankshaft, Knock Sensors and Camshaft Actuators (LDC, LUJ or (LDD except MM3 without KL7 or KL9)).cgm
Opel EWD - 2018 - Corsa E - EWD - Engine - 1.2L (LDC) - Engine Controls and Fuel - 1.2L (LDC) or 1.4L (LDD LUJ) - Engine Controls Schematics (LDC,LUJ or (LDD except MM3 without KL7 or KL9)) - Ignition Controls - Ignition Coil Module (LDC, LUJ or (LDD except MM3 without KL7 or KL9)).cgm
Opel EWD - 2018 - Corsa E - EWD - Engine - 1.2L (LDC) - Engine Controls and Fuel - 1.2L (LDC) or 1.4L (LDD LUJ) - Engine Controls Schematics (LDC,LUJ or (LDD except MM3 without KL7 or KL9)) - Module Power, Ground, Serial Data and MIL (LDC, LUJ or (LDD except MM3 without KL7 or KL9)).cgm
Opel EWD - 2018 - Corsa E - EWD - Engine - 1.2L (LDC) - Engine Controls and Fuel - 1.2L (LDC) or 1.4L (LDD LUJ) - Engine Controls Schematics (LDD with MM3 without KL7 or KL9) - 5V Reference Bus (LDD with MM3 without KL7 or KL9).cgm
Opel EWD - 2018 - Corsa E - EWD - Engine - 1.2L (LDC) - Engine Controls and Fuel - 1.2L (LDC) or 1.4L (LDD LUJ) - Engine Controls Schematics (LDD with MM3 without KL7 or KL9) - Controlled Monitored Subsystem References (LDD with MM3 without KL7 or KL9).cgm
Opel EWD - 2018 - Corsa E - EWD - Engine - 1.2L (LDC) - Engine Controls and Fuel - 1.2L (LDC) or 1.4L (LDD LUJ) - Engine Controls Schematics (LDD with MM3 without KL7 or KL9) - Engine Data Sensors - Oxygen Sensors and Evaporative Emission Controls (LDD with MM3 without KL7 or KL9).cgm
Opel EWD - 2018 - Corsa E - EWD - Engine - 1.2L (LDC) - Engine Controls and Fuel - 1.2L (LDC) or 1.4L (LDD LUJ) - Engine Controls Schematics (LDD with MM3 without KL7 or KL9) - Engine Data Sensors - Pressure and Temperature (LDD with MM3 without KL7 or KL9).cgm
Opel EWD - 2018 - Corsa E - EWD - Engine - 1.2L (LDC) - Engine Controls and Fuel - 1.2L (LDC) or 1.4L (LDD LUJ) - Engine Controls Schematics (LDD with MM3 without KL7 or KL9) - Engine Data Sensors - Throttle Controls (LDD with MM3 without KL7 or KL9).cgm
Opel EWD - 2018 - Corsa E - EWD - Engine - 1.2L (LDC) - Engine Controls and Fuel - 1.2L (LDC) or 1.4L (LDD LUJ) - Engine Controls Schematics (LDD with MM3 without KL7 or KL9) - Fuel Controls - Fuel Pump and Fuel Injectors (LDD with MM3 without KL7 or KL9).cgm
Opel EWD - 2018 - Corsa E - EWD - Engine - 1.2L (LDC) - Engine Controls and Fuel - 1.2L (LDC) or 1.4L (LDD LUJ) - Engine Controls Schematics (LDD with MM3 without KL7 or KL9) - Ignition Controls - Camshaft, Crankshaft and Knock Sensors and Camshaft Actuators (LDD with MM3 without KL7 or KL9).cgm
Opel EWD - 2018 - Corsa E - EWD - Engine - 1.2L (LDC) - Engine Controls and Fuel - 1.2L (LDC) or 1.4L (LDD LUJ) - Engine Controls Schematics (LDD with MM3 without KL7 or KL9) - Ignition Controls - Ignition Coil Module (LDD with MM3 without KL7 or KL9).cgm
Opel EWD - 2018 - Corsa E - EWD - Engine - 1.2L (LDC) - Engine Controls and Fuel - 1.2L (LDC) or 1.4L (LDD LUJ) - Engine Controls Schematics (LDD with MM3 without KL7 or KL9) - Low Reference Bus (LDD with MM3 without KL7 or KL9).cgm
Opel EWD - 2018 - Corsa E - EWD - Engine - 1.2L (LDC) - Engine Controls and Fuel - 1.2L (LDC) or 1.4L (LDD LUJ) - Engine Controls Schematics (LDD with MM3 without KL7 or KL9) - Module Power, Ground, Serial Data and MIL (LDD with MM3 without KL7 or KL9).cgm
Opel EWD - 2018 - Corsa E - EWD - Engine - 1.2L (LDC) - Engine Heating and Cooling - Coolant Pump Clutch (LKU with 5EA).cgm
Opel EWD - 2018 - Corsa E - EWD - Engine - 1.2L (LDC) - Engine Heating and Cooling - Dual Speed Fan (LDC or LDD with MM3 and C60 or C68).cgm
Opel EWD - 2018 - Corsa E - EWD - Engine - 1.2L (LDC) - Engine Heating and Cooling - Single Speed Fan (LDC or LDD with MM3 and C41).cgm
Opel EWD - 2018 - Corsa E - EWD - Engine - 1.2L (LDC) - Engine Heating and Cooling - Three Speed Fan (LE1, LUJ or (LDD with MNJ)).cgm
Opel EWD - 2018 - Corsa E - EWD - Engine - 1.2L (LDC) - Engine Heating and Cooling - Three Speed Fan (LKU or LKV).cgm
Opel EWD - 2018 - Corsa E - EWD - Engine - 1.2L (LDC) - Engine Heating and Cooling - Variable Speed Fan (LLU).cgm
Opel EWD - 2018 - Corsa E - EWD - Engine - 1.3L (LKU) - 12 V Starting and Charging - Charging (KL9 except LKU LKV).cgm
Opel EWD - 2018 - Corsa E - EWD - Engine - 1.3L (LKU) - 12 V Starting and Charging - Charging (KL9 with LKU LKV).cgm
Opel EWD - 2018 - Corsa E - EWD - Engine - 1.3L (LKU) - 12 V Starting and Charging - Charging (without KL9).cgm
Opel EWD - 2018 - Corsa E - EWD - Engine - 1.3L (LKU) - 12 V Starting and Charging - Starting (LDC, LDD, LLU, LUJ).cgm
Opel EWD - 2018 - Corsa E - EWD - Engine - 1.3L (LKU) - 12 V Starting and Charging - Starting (LE1).cgm
Opel EWD - 2018 - Corsa E - EWD - Engine - 1.3L (LKU) - 12 V Starting and Charging - Starting (LKU, LKV).cgm
Opel EWD - 2018 - Corsa E - EWD - Engine - 1.3L (LKU) - 12 V Starting and Charging - Stop Start System (KL9).cgm
Opel EWD - 2018 - Corsa E - EWD - Engine - 1.3L (LKU) - Cruise Control - Cruise Control (K33).cgm
Opel EWD - 2018 - Corsa E - EWD - Engine - 1.3L (LKU) - Engine Controls and Fuel - 1.3L (LKU LKV) Diesel - 5V1 and Low Reference Bus (LKU or LKV) (1 of 3).cgm
Opel EWD - 2018 - Corsa E - EWD - Engine - 1.3L (LKU) - Engine Controls and Fuel - 1.3L (LKU LKV) Diesel - 5V2 and Low Reference Bus (LKU or LKV) (2 of 3).cgm
Opel EWD - 2018 - Corsa E - EWD - Engine - 1.3L (LKU) - Engine Controls and Fuel - 1.3L (LKU LKV) Diesel - 5V3, 5V4 and Low Reference Bus (LKU or LKV) (3 of 3).cgm
Opel EWD - 2018 - Corsa E - EWD - Engine - 1.3L (LKU) - Engine Controls and Fuel - 1.3L (LKU LKV) Diesel - Controlled Monitored Subsystem References (LKU LKV).cgm
Opel EWD - 2018 - Corsa E - EWD - Engine - 1.3L (LKU) - Engine Controls and Fuel - 1.3L (LKU LKV) Diesel - Engine Data Sensors - Camshaft and Crankshaft Sensors (LKU or LKV).cgm
Opel EWD - 2018 - Corsa E - EWD - Engine - 1.3L (LKU) - Engine Controls and Fuel - 1.3L (LKU LKV) Diesel - Engine Data Sensors - Exhaust Controls (LKU or LKV).cgm
Opel EWD - 2018 - Corsa E - EWD - Engine - 1.3L (LKU) - Engine Controls and Fuel - 1.3L (LKU LKV) Diesel - Engine Data Sensors - Heated Oxygen Sensors (LKU or LKV).cgm
Opel EWD - 2018 - Corsa E - EWD - Engine - 1.3L (LKU) - Engine Controls and Fuel - 1.3L (LKU LKV) Diesel - Engine Data Sensors - Pressure and Temperature (LKU or LKV).cgm
Opel EWD - 2018 - Corsa E - EWD - Engine - 1.3L (LKU) - Engine Controls and Fuel - 1.3L (LKU LKV) Diesel - Engine Data Sensors - Throttle Controls and Override (LKU or LKV).cgm
Opel EWD - 2018 - Corsa E - EWD - Engine - 1.3L (LKU) - Engine Controls and Fuel - 1.3L (LKU LKV) Diesel - Fuel Controls - Fuel Pump and Fuel Injectors (LKU or LKV).cgm
Opel EWD - 2018 - Corsa E - EWD - Engine - 1.3L (LKU) - Engine Controls and Fuel - 1.3L (LKU LKV) Diesel - Fuel Controls - Glow Plugs and Fuel Temperature Water in Fuel Sensor (LKU or LKV).cgm
Opel EWD - 2018 - Corsa E - EWD - Engine - 1.3L (LKU) - Engine Controls and Fuel - 1.3L (LKU LKV) Diesel - Module Power, Ground, Serial Data and MIL (LKU or LKV).cgm
Opel EWD - 2018 - Corsa E - EWD - Engine - 1.3L (LKU) - Engine Heating and Cooling - Coolant Pump Clutch (LKU with 5EA).cgm
Opel EWD - 2018 - Corsa E - EWD - Engine - 1.3L (LKU) - Engine Heating and Cooling - Dual Speed Fan (LDC or LDD with MM3 and C60 or C68).cgm
Opel EWD - 2018 - Corsa E - EWD - Engine - 1.3L (LKU) - Engine Heating and Cooling - Single Speed Fan (LDC or LDD with MM3 and C41).cgm
Opel EWD - 2018 - Corsa E - EWD - Engine - 1.3L (LKU) - Engine Heating and Cooling - Three Speed Fan (LE1, LUJ or (LDD with MNJ)).cgm
Opel EWD - 2018 - Corsa E - EWD - Engine - 1.3L (LKU) - Engine Heating and Cooling - Three Speed Fan (LKU or LKV).cgm
Opel EWD - 2018 - Corsa E - EWD - Engine - 1.3L (LKU) - Engine Heating and Cooling - Variable Speed Fan (LLU).cgm
Opel EWD - 2018 - Corsa E - EWD - Engine - 1.3L (LKU) - Engine Mechanical - 1.3L (LKU LKV) Diesel - Oil Pressure Control (LKU or LKV).cgm
Opel EWD - 2018 - Corsa E - EWD - Engine - 1.3L (LKV) - 12 V Starting and Charging - Charging (KL9 except LKU LKV).cgm
Opel EWD - 2018 - Corsa E - EWD - Engine - 1.3L (LKV) - 12 V Starting and Charging - Charging (KL9 with LKU LKV).cgm
Opel EWD - 2018 - Corsa E - EWD - Engine - 1.3L (LKV) - 12 V Starting and Charging - Charging (without KL9).cgm
Opel EWD - 2018 - Corsa E - EWD - Engine - 1.3L (LKV) - 12 V Starting and Charging - Starting (LDC, LDD, LLU, LUJ).cgm
Opel EWD - 2018 - Corsa E - EWD - Engine - 1.3L (LKV) - 12 V Starting and Charging - Starting (LE1).cgm
Opel EWD - 2018 - Corsa E - EWD - Engine - 1.3L (LKV) - 12 V Starting and Charging - Starting (LKU, LKV).cgm
Opel EWD - 2018 - Corsa E - EWD - Engine - 1.3L (LKV) - 12 V Starting and Charging - Stop Start System (KL9).cgm
Opel EWD - 2018 - Corsa E - EWD - Engine - 1.3L (LKV) - Cruise Control - Cruise Control (K33).cgm
Opel EWD - 2018 - Corsa E - EWD - Engine - 1.3L (LKV) - Engine Controls and Fuel - 1.3L (LKU LKV) Diesel - 5V1 and Low Reference Bus (LKU or LKV) (1 of 3).cgm
Opel EWD - 2018 - Corsa E - EWD - Engine - 1.3L (LKV) - Engine Controls and Fuel - 1.3L (LKU LKV) Diesel - 5V2 and Low Reference Bus (LKU or LKV) (2 of 3).cgm
Opel EWD - 2018 - Corsa E - EWD - Engine - 1.3L (LKV) - Engine Controls and Fuel - 1.3L (LKU LKV) Diesel - 5V3, 5V4 and Low Reference Bus (LKU or LKV) (3 of 3).cgm
Opel EWD - 2018 - Corsa E - EWD - Engine - 1.3L (LKV) - Engine Controls and Fuel - 1.3L (LKU LKV) Diesel - Controlled Monitored Subsystem References (LKU LKV).cgm
Opel EWD - 2018 - Corsa E - EWD - Engine - 1.3L (LKV) - Engine Controls and Fuel - 1.3L (LKU LKV) Diesel - Engine Data Sensors - Camshaft and Crankshaft Sensors (LKU or LKV).cgm
Opel EWD - 2018 - Corsa E - EWD - Engine - 1.3L (LKV) - Engine Controls and Fuel - 1.3L (LKU LKV) Diesel - Engine Data Sensors - Exhaust Controls (LKU or LKV).cgm
Opel EWD - 2018 - Corsa E - EWD - Engine - 1.3L (LKV) - Engine Controls and Fuel - 1.3L (LKU LKV) Diesel - Engine Data Sensors - Heated Oxygen Sensors (LKU or LKV).cgm
Opel EWD - 2018 - Corsa E - EWD - Engine - 1.3L (LKV) - Engine Controls and Fuel - 1.3L (LKU LKV) Diesel - Engine Data Sensors - Pressure and Temperature (LKU or LKV).cgm
Opel EWD - 2018 - Corsa E - EWD - Engine - 1.3L (LKV) - Engine Controls and Fuel - 1.3L (LKU LKV) Diesel - Engine Data Sensors - Throttle Controls and Override (LKU or LKV).cgm
Opel EWD - 2018 - Corsa E - EWD - Engine - 1.3L (LKV) - Engine Controls and Fuel - 1.3L (LKU LKV) Diesel - Fuel Controls - Fuel Pump and Fuel Injectors (LKU or LKV).cgm
Opel EWD - 2018 - Corsa E - EWD - Engine - 1.3L (LKV) - Engine Controls and Fuel - 1.3L (LKU LKV) Diesel - Fuel Controls - Glow Plugs and Fuel Temperature Water in Fuel Sensor (LKU or LKV).cgm
Opel EWD - 2018 - Corsa E - EWD - Engine - 1.3L (LKV) - Engine Controls and Fuel - 1.3L (LKU LKV) Diesel - Module Power, Ground, Serial Data and MIL (LKU or LKV).cgm
Opel EWD - 2018 - Corsa E - EWD - Engine - 1.3L (LKV) - Engine Heating and Cooling - Coolant Pump Clutch (LKU with 5EA).cgm
Opel EWD - 2018 - Corsa E - EWD - Engine - 1.3L (LKV) - Engine Heating and Cooling - Dual Speed Fan (LDC or LDD with MM3 and C60 or C68).cgm
Opel EWD - 2018 - Corsa E - EWD - Engine - 1.3L (LKV) - Engine Heating and Cooling - Single Speed Fan (LDC or LDD with MM3 and C41).cgm
Opel EWD - 2018 - Corsa E - EWD - Engine - 1.3L (LKV) - Engine Heating and Cooling - Three Speed Fan (LE1, LUJ or (LDD with MNJ)).cgm
Opel EWD - 2018 - Corsa E - EWD - Engine - 1.3L (LKV) - Engine Heating and Cooling - Three Speed Fan (LKU or LKV).cgm
Opel EWD - 2018 - Corsa E - EWD - Engine - 1.3L (LKV) - Engine Heating and Cooling - Variable Speed Fan (LLU).cgm
Opel EWD - 2018 - Corsa E - EWD - Engine - 1.3L (LKV) - Engine Mechanical - 1.3L (LKU LKV) Diesel - Oil Pressure Control (LKU or LKV).cgm
Opel EWD - 2018 - Corsa E - EWD - Engine - 1.4L (LDD) - 12 V Starting and Charging - Charging (KL9 except LKU LKV).cgm
Opel EWD - 2018 - Corsa E - EWD - Engine - 1.4L (LDD) - 12 V Starting and Charging - Charging (KL9 with LKU LKV).cgm
Opel EWD - 2018 - Corsa E - EWD - Engine - 1.4L (LDD) - 12 V Starting and Charging - Charging (without KL9).cgm
Opel EWD - 2018 - Corsa E - EWD - Engine - 1.4L (LDD) - 12 V Starting and Charging - Starting (LDC, LDD, LLU, LUJ).cgm
Opel EWD - 2018 - Corsa E - EWD - Engine - 1.4L (LDD) - 12 V Starting and Charging - Starting (LE1).cgm
Opel EWD - 2018 - Corsa E - EWD - Engine - 1.4L (LDD) - 12 V Starting and Charging - Starting (LKU, LKV).cgm
Opel EWD - 2018 - Corsa E - EWD - Engine - 1.4L (LDD) - 12 V Starting and Charging - Stop Start System (KL9).cgm
Opel EWD - 2018 - Corsa E - EWD - Engine - 1.4L (LDD) - Cruise Control - Cruise Control (K33).cgm
Opel EWD - 2018 - Corsa E - EWD - Engine - 1.4L (LDD) - Engine Controls and Fuel - 1.2L (LDC) or 1.4L (LDD LUJ) - Engine Controls Schematics (LDC,LUJ or (LDD except MM3 without KL7 or KL9)) - 5V1, 5V2 and Low Reference Bus (LDC, LUJ or (LDD except MM3 without KL7 or KL9)) (1 of 2).cgm
Opel EWD - 2018 - Corsa E - EWD - Engine - 1.4L (LDD) - Engine Controls and Fuel - 1.2L (LDC) or 1.4L (LDD LUJ) - Engine Controls Schematics (LDC,LUJ or (LDD except MM3 without KL7 or KL9)) - 5V3, 5V4 and Low Reference Bus (LDC, LUJ or (LDD except MM3 without KL7 or KL9)) (2 of 2).cgm
Opel EWD - 2018 - Corsa E - EWD - Engine - 1.4L (LDD) - Engine Controls and Fuel - 1.2L (LDC) or 1.4L (LDD LUJ) - Engine Controls Schematics (LDC,LUJ or (LDD except MM3 without KL7 or KL9)) - Controlled Monitored Subsystem References (LDC, LUJ or (LDD except MM3 without KL7 or KL9)).cgm
Opel EWD - 2018 - Corsa E - EWD - Engine - 1.4L (LDD) - Engine Controls and Fuel - 1.2L (LDC) or 1.4L (LDD LUJ) - Engine Controls Schematics (LDC,LUJ or (LDD except MM3 without KL7 or KL9)) - Engine Data Sensors - Oxygen Sensors and Evaporative Emission Controls (LDC, LUJ or (LDD except MM3 without KL7 or KL9)).cgm
Opel EWD - 2018 - Corsa E - EWD - Engine - 1.4L (LDD) - Engine Controls and Fuel - 1.2L (LDC) or 1.4L (LDD LUJ) - Engine Controls Schematics (LDC,LUJ or (LDD except MM3 without KL7 or KL9)) - Engine Data Sensors - Pressure and Temperature (LDC or (LDD except MM3 without KL7 or KL9)).cgm
Opel EWD - 2018 - Corsa E - EWD - Engine - 1.4L (LDD) - Engine Controls and Fuel - 1.2L (LDC) or 1.4L (LDD LUJ) - Engine Controls Schematics (LDC,LUJ or (LDD except MM3 without KL7 or KL9)) - Engine Data Sensors - Pressure and Temperature (LUJ).cgm
Opel EWD - 2018 - Corsa E - EWD - Engine - 1.4L (LDD) - Engine Controls and Fuel - 1.2L (LDC) or 1.4L (LDD LUJ) - Engine Controls Schematics (LDC,LUJ or (LDD except MM3 without KL7 or KL9)) - Engine Data Sensors - Throttle Controls and Override (LDC, LUJ or (LDD except MM3 without KL7 or KL9)).cgm
Opel EWD - 2018 - Corsa E - EWD - Engine - 1.4L (LDD) - Engine Controls and Fuel - 1.2L (LDC) or 1.4L (LDD LUJ) - Engine Controls Schematics (LDC,LUJ or (LDD except MM3 without KL7 or KL9)) - Fuel Controls - Fuel Pump and Fuel Injectors (LDC, LUJ or (LDD except MM3 without KL7 or KL9)).cgm
Opel EWD - 2018 - Corsa E - EWD - Engine - 1.4L (LDD) - Engine Controls and Fuel - 1.2L (LDC) or 1.4L (LDD LUJ) - Engine Controls Schematics (LDC,LUJ or (LDD except MM3 without KL7 or KL9)) - Fuel Controls - LPG Fuel Injectors (LDD with KL7).cgm
Opel EWD - 2018 - Corsa E - EWD - Engine - 1.4L (LDD) - Engine Controls and Fuel - 1.2L (LDC) or 1.4L (LDD LUJ) - Engine Controls Schematics (LDC,LUJ or (LDD except MM3 without KL7 or KL9)) - Fuel Injector Control Module - Sensors and Switches (LDD with KL7).cgm
Opel EWD - 2018 - Corsa E - EWD - Engine - 1.4L (LDD) - Engine Controls and Fuel - 1.2L (LDC) or 1.4L (LDD LUJ) - Engine Controls Schematics (LDC,LUJ or (LDD except MM3 without KL7 or KL9)) - Ignition Controls - Camshaft, Crankshaft, Knock Sensors and Camshaft Actuators (LDC, LUJ or (LDD except MM3 without KL7 or KL9)).cgm
Opel EWD - 2018 - Corsa E - EWD - Engine - 1.4L (LDD) - Engine Controls and Fuel - 1.2L (LDC) or 1.4L (LDD LUJ) - Engine Controls Schematics (LDC,LUJ or (LDD except MM3 without KL7 or KL9)) - Ignition Controls - Ignition Coil Module (LDC, LUJ or (LDD except MM3 without KL7 or KL9)).cgm
Opel EWD - 2018 - Corsa E - EWD - Engine - 1.4L (LDD) - Engine Controls and Fuel - 1.2L (LDC) or 1.4L (LDD LUJ) - Engine Controls Schematics (LDC,LUJ or (LDD except MM3 without KL7 or KL9)) - Module Power, Ground, Serial Data and MIL (LDC, LUJ or (LDD except MM3 without KL7 or KL9)).cgm
Opel EWD - 2018 - Corsa E - EWD - Engine - 1.4L (LDD) - Engine Controls and Fuel - 1.2L (LDC) or 1.4L (LDD LUJ) - Engine Controls Schematics (LDD with MM3 without KL7 or KL9) - 5V Reference Bus (LDD with MM3 without KL7 or KL9).cgm
Opel EWD - 2018 - Corsa E - EWD - Engine - 1.4L (LDD) - Engine Controls and Fuel - 1.2L (LDC) or 1.4L (LDD LUJ) - Engine Controls Schematics (LDD with MM3 without KL7 or KL9) - Controlled Monitored Subsystem References (LDD with MM3 without KL7 or KL9).cgm
Opel EWD - 2018 - Corsa E - EWD - Engine - 1.4L (LDD) - Engine Controls and Fuel - 1.2L (LDC) or 1.4L (LDD LUJ) - Engine Controls Schematics (LDD with MM3 without KL7 or KL9) - Engine Data Sensors - Oxygen Sensors and Evaporative Emission Controls (LDD with MM3 without KL7 or KL9).cgm
Opel EWD - 2018 - Corsa E - EWD - Engine - 1.4L (LDD) - Engine Controls and Fuel - 1.2L (LDC) or 1.4L (LDD LUJ) - Engine Controls Schematics (LDD with MM3 without KL7 or KL9) - Engine Data Sensors - Pressure and Temperature (LDD with MM3 without KL7 or KL9).cgm
Opel EWD - 2018 - Corsa E - EWD - Engine - 1.4L (LDD) - Engine Controls and Fuel - 1.2L (LDC) or 1.4L (LDD LUJ) - Engine Controls Schematics (LDD with MM3 without KL7 or KL9) - Engine Data Sensors - Throttle Controls (LDD with MM3 without KL7 or KL9).cgm
Opel EWD - 2018 - Corsa E - EWD - Engine - 1.4L (LDD) - Engine Controls and Fuel - 1.2L (LDC) or 1.4L (LDD LUJ) - Engine Controls Schematics (LDD with MM3 without KL7 or KL9) - Fuel Controls - Fuel Pump and Fuel Injectors (LDD with MM3 without KL7 or KL9).cgm
Opel EWD - 2018 - Corsa E - EWD - Engine - 1.4L (LDD) - Engine Controls and Fuel - 1.2L (LDC) or 1.4L (LDD LUJ) - Engine Controls Schematics (LDD with MM3 without KL7 or KL9) - Ignition Controls - Camshaft, Crankshaft and Knock Sensors and Camshaft Actuators (LDD with MM3 without KL7 or KL9).cgm
Opel EWD - 2018 - Corsa E - EWD - Engine - 1.4L (LDD) - Engine Controls and Fuel - 1.2L (LDC) or 1.4L (LDD LUJ) - Engine Controls Schematics (LDD with MM3 without KL7 or KL9) - Ignition Controls - Ignition Coil Module (LDD with MM3 without KL7 or KL9).cgm
Opel EWD - 2018 - Corsa E - EWD - Engine - 1.4L (LDD) - Engine Controls and Fuel - 1.2L (LDC) or 1.4L (LDD LUJ) - Engine Controls Schematics (LDD with MM3 without KL7 or KL9) - Low Reference Bus (LDD with MM3 without KL7 or KL9).cgm
Opel EWD - 2018 - Corsa E - EWD - Engine - 1.4L (LDD) - Engine Controls and Fuel - 1.2L (LDC) or 1.4L (LDD LUJ) - Engine Controls Schematics (LDD with MM3 without KL7 or KL9) - Module Power, Ground, Serial Data and MIL (LDD with MM3 without KL7 or KL9).cgm
Opel EWD - 2018 - Corsa E - EWD - Engine - 1.4L (LDD) - Engine Heating and Cooling - Coolant Pump Clutch (LKU with 5EA).cgm
Opel EWD - 2018 - Corsa E - EWD - Engine - 1.4L (LDD) - Engine Heating and Cooling - Dual Speed Fan (LDC or LDD with MM3 and C60 or C68).cgm
Opel EWD - 2018 - Corsa E - EWD - Engine - 1.4L (LDD) - Engine Heating and Cooling - Single Speed Fan (LDC or LDD with MM3 and C41).cgm
Opel EWD - 2018 - Corsa E - EWD - Engine - 1.4L (LDD) - Engine Heating and Cooling - Three Speed Fan (LE1, LUJ or (LDD with MNJ)).cgm
Opel EWD - 2018 - Corsa E - EWD - Engine - 1.4L (LDD) - Engine Heating and Cooling - Three Speed Fan (LKU or LKV).cgm
Opel EWD - 2018 - Corsa E - EWD - Engine - 1.4L (LDD) - Engine Heating and Cooling - Variable Speed Fan (LLU).cgm
Opel EWD - 2018 - Corsa E - EWD - Engine - 1.4L (LUJ) - 12 V Starting and Charging - Charging (KL9 except LKU LKV).cgm
Opel EWD - 2018 - Corsa E - EWD - Engine - 1.4L (LUJ) - 12 V Starting and Charging - Charging (KL9 with LKU LKV).cgm
Opel EWD - 2018 - Corsa E - EWD - Engine - 1.4L (LUJ) - 12 V Starting and Charging - Charging (without KL9).cgm
Opel EWD - 2018 - Corsa E - EWD - Engine - 1.4L (LUJ) - 12 V Starting and Charging - Starting (LDC, LDD, LLU, LUJ).cgm
Opel EWD - 2018 - Corsa E - EWD - Engine - 1.4L (LUJ) - 12 V Starting and Charging - Starting (LE1).cgm
Opel EWD - 2018 - Corsa E - EWD - Engine - 1.4L (LUJ) - 12 V Starting and Charging - Starting (LKU, LKV).cgm
Opel EWD - 2018 - Corsa E - EWD - Engine - 1.4L (LUJ) - 12 V Starting and Charging - Stop Start System (KL9).cgm
Opel EWD - 2018 - Corsa E - EWD - Engine - 1.4L (LUJ) - Cruise Control - Cruise Control (K33).cgm
Opel EWD - 2018 - Corsa E - EWD - Engine - 1.4L (LUJ) - Engine Controls and Fuel - 1.2L (LDC) or 1.4L (LDD LUJ) - Engine Controls Schematics (LDC,LUJ or (LDD except MM3 without KL7 or KL9)) - 5V1, 5V2 and Low Reference Bus (LDC, LUJ or (LDD except MM3 without KL7 or KL9)) (1 of 2).cgm
Opel EWD - 2018 - Corsa E - EWD - Engine - 1.4L (LUJ) - Engine Controls and Fuel - 1.2L (LDC) or 1.4L (LDD LUJ) - Engine Controls Schematics (LDC,LUJ or (LDD except MM3 without KL7 or KL9)) - 5V3, 5V4 and Low Reference Bus (LDC, LUJ or (LDD except MM3 without KL7 or KL9)) (2 of 2).cgm
Opel EWD - 2018 - Corsa E - EWD - Engine - 1.4L (LUJ) - Engine Controls and Fuel - 1.2L (LDC) or 1.4L (LDD LUJ) - Engine Controls Schematics (LDC,LUJ or (LDD except MM3 without KL7 or KL9)) - Controlled Monitored Subsystem References (LDC, LUJ or (LDD except MM3 without KL7 or KL9)).cgm
Opel EWD - 2018 - Corsa E - EWD - Engine - 1.4L (LUJ) - Engine Controls and Fuel - 1.2L (LDC) or 1.4L (LDD LUJ) - Engine Controls Schematics (LDC,LUJ or (LDD except MM3 without KL7 or KL9)) - Engine Data Sensors - Oxygen Sensors and Evaporative Emission Controls (LDC, LUJ or (LDD except MM3 without KL7 or KL9)).cgm
Opel EWD - 2018 - Corsa E - EWD - Engine - 1.4L (LUJ) - Engine Controls and Fuel - 1.2L (LDC) or 1.4L (LDD LUJ) - Engine Controls Schematics (LDC,LUJ or (LDD except MM3 without KL7 or KL9)) - Engine Data Sensors - Pressure and Temperature (LDC or (LDD except MM3 without KL7 or KL9)).cgm
Opel EWD - 2018 - Corsa E - EWD - Engine - 1.4L (LUJ) - Engine Controls and Fuel - 1.2L (LDC) or 1.4L (LDD LUJ) - Engine Controls Schematics (LDC,LUJ or (LDD except MM3 without KL7 or KL9)) - Engine Data Sensors - Pressure and Temperature (LUJ).cgm
Opel EWD - 2018 - Corsa E - EWD - Engine - 1.4L (LUJ) - Engine Controls and Fuel - 1.2L (LDC) or 1.4L (LDD LUJ) - Engine Controls Schematics (LDC,LUJ or (LDD except MM3 without KL7 or KL9)) - Engine Data Sensors - Throttle Controls and Override (LDC, LUJ or (LDD except MM3 without KL7 or KL9)).cgm
Opel EWD - 2018 - Corsa E - EWD - Engine - 1.4L (LUJ) - Engine Controls and Fuel - 1.2L (LDC) or 1.4L (LDD LUJ) - Engine Controls Schematics (LDC,LUJ or (LDD except MM3 without KL7 or KL9)) - Fuel Controls - Fuel Pump and Fuel Injectors (LDC, LUJ or (LDD except MM3 without KL7 or KL9)).cgm
Opel EWD - 2018 - Corsa E - EWD - Engine - 1.4L (LUJ) - Engine Controls and Fuel - 1.2L (LDC) or 1.4L (LDD LUJ) - Engine Controls Schematics (LDC,LUJ or (LDD except MM3 without KL7 or KL9)) - Fuel Controls - LPG Fuel Injectors (LDD with KL7).cgm
Opel EWD - 2018 - Corsa E - EWD - Engine - 1.4L (LUJ) - Engine Controls and Fuel - 1.2L (LDC) or 1.4L (LDD LUJ) - Engine Controls Schematics (LDC,LUJ or (LDD except MM3 without KL7 or KL9)) - Fuel Injector Control Module - Sensors and Switches (LDD with KL7).cgm
Opel EWD - 2018 - Corsa E - EWD - Engine - 1.4L (LUJ) - Engine Controls and Fuel - 1.2L (LDC) or 1.4L (LDD LUJ) - Engine Controls Schematics (LDC,LUJ or (LDD except MM3 without KL7 or KL9)) - Ignition Controls - Camshaft, Crankshaft, Knock Sensors and Camshaft Actuators (LDC, LUJ or (LDD except MM3 without KL7 or KL9)).cgm
Opel EWD - 2018 - Corsa E - EWD - Engine - 1.4L (LUJ) - Engine Controls and Fuel - 1.2L (LDC) or 1.4L (LDD LUJ) - Engine Controls Schematics (LDC,LUJ or (LDD except MM3 without KL7 or KL9)) - Ignition Controls - Ignition Coil Module (LDC, LUJ or (LDD except MM3 without KL7 or KL9)).cgm
Opel EWD - 2018 - Corsa E - EWD - Engine - 1.4L (LUJ) - Engine Controls and Fuel - 1.2L (LDC) or 1.4L (LDD LUJ) - Engine Controls Schematics (LDC,LUJ or (LDD except MM3 without KL7 or KL9)) - Module Power, Ground, Serial Data and MIL (LDC, LUJ or (LDD except MM3 without KL7 or KL9)).cgm
Opel EWD - 2018 - Corsa E - EWD - Engine - 1.4L (LUJ) - Engine Controls and Fuel - 1.2L (LDC) or 1.4L (LDD LUJ) - Engine Controls Schematics (LDD with MM3 without KL7 or KL9) - 5V Reference Bus (LDD with MM3 without KL7 or KL9).cgm
Opel EWD - 2018 - Corsa E - EWD - Engine - 1.4L (LUJ) - Engine Controls and Fuel - 1.2L (LDC) or 1.4L (LDD LUJ) - Engine Controls Schematics (LDD with MM3 without KL7 or KL9) - Controlled Monitored Subsystem References (LDD with MM3 without KL7 or KL9).cgm
Opel EWD - 2018 - Corsa E - EWD - Engine - 1.4L (LUJ) - Engine Controls and Fuel - 1.2L (LDC) or 1.4L (LDD LUJ) - Engine Controls Schematics (LDD with MM3 without KL7 or KL9) - Engine Data Sensors - Oxygen Sensors and Evaporative Emission Controls (LDD with MM3 without KL7 or KL9).cgm
Opel EWD - 2018 - Corsa E - EWD - Engine - 1.4L (LUJ) - Engine Controls and Fuel - 1.2L (LDC) or 1.4L (LDD LUJ) - Engine Controls Schematics (LDD with MM3 without KL7 or KL9) - Engine Data Sensors - Pressure and Temperature (LDD with MM3 without KL7 or KL9).cgm
Opel EWD - 2018 - Corsa E - EWD - Engine - 1.4L (LUJ) - Engine Controls and Fuel - 1.2L (LDC) or 1.4L (LDD LUJ) - Engine Controls Schematics (LDD with MM3 without KL7 or KL9) - Engine Data Sensors - Throttle Controls (LDD with MM3 without KL7 or KL9).cgm
Opel EWD - 2018 - Corsa E - EWD - Engine - 1.4L (LUJ) - Engine Controls and Fuel - 1.2L (LDC) or 1.4L (LDD LUJ) - Engine Controls Schematics (LDD with MM3 without KL7 or KL9) - Fuel Controls - Fuel Pump and Fuel Injectors (LDD with MM3 without KL7 or KL9).cgm
Opel EWD - 2018 - Corsa E - EWD - Engine - 1.4L (LUJ) - Engine Controls and Fuel - 1.2L (LDC) or 1.4L (LDD LUJ) - Engine Controls Schematics (LDD with MM3 without KL7 or KL9) - Ignition Controls - Camshaft, Crankshaft and Knock Sensors and Camshaft Actuators (LDD with MM3 without KL7 or KL9).cgm
Opel EWD - 2018 - Corsa E - EWD - Engine - 1.4L (LUJ) - Engine Controls and Fuel - 1.2L (LDC) or 1.4L (LDD LUJ) - Engine Controls Schematics (LDD with MM3 without KL7 or KL9) - Ignition Controls - Ignition Coil Module (LDD with MM3 without KL7 or KL9).cgm
Opel EWD - 2018 - Corsa E - EWD - Engine - 1.4L (LUJ) - Engine Controls and Fuel - 1.2L (LDC) or 1.4L (LDD LUJ) - Engine Controls Schematics (LDD with MM3 without KL7 or KL9) - Low Reference Bus (LDD with MM3 without KL7 or KL9).cgm
Opel EWD - 2018 - Corsa E - EWD - Engine - 1.4L (LUJ) - Engine Controls and Fuel - 1.2L (LDC) or 1.4L (LDD LUJ) - Engine Controls Schematics (LDD with MM3 without KL7 or KL9) - Module Power, Ground, Serial Data and MIL (LDD with MM3 without KL7 or KL9).cgm
Opel EWD - 2018 - Corsa E - EWD - Engine - 1.4L (LUJ) - Engine Heating and Cooling - Coolant Pump Clutch (LKU with 5EA).cgm
Opel EWD - 2018 - Corsa E - EWD - Engine - 1.4L (LUJ) - Engine Heating and Cooling - Dual Speed Fan (LDC or LDD with MM3 and C60 or C68).cgm
Opel EWD - 2018 - Corsa E - EWD - Engine - 1.4L (LUJ) - Engine Heating and Cooling - Single Speed Fan (LDC or LDD with MM3 and C41).cgm
Opel EWD - 2018 - Corsa E - EWD - Engine - 1.4L (LUJ) - Engine Heating and Cooling - Three Speed Fan (LE1, LUJ or (LDD with MNJ)).cgm
Opel EWD - 2018 - Corsa E - EWD - Engine - 1.4L (LUJ) - Engine Heating and Cooling - Three Speed Fan (LKU or LKV).cgm
Opel EWD - 2018 - Corsa E - EWD - Engine - 1.4L (LUJ) - Engine Heating and Cooling - Variable Speed Fan (LLU).cgm
Opel EWD - 2018 - Corsa E - EWD - Engine - 1.6L (LLU) - 12 V Starting and Charging - Charging (KL9 except LKU LKV).cgm
Opel EWD - 2018 - Corsa E - EWD - Engine - 1.6L (LLU) - 12 V Starting and Charging - Charging (KL9 with LKU LKV).cgm
Opel EWD - 2018 - Corsa E - EWD - Engine - 1.6L (LLU) - 12 V Starting and Charging - Charging (without KL9).cgm
Opel EWD - 2018 - Corsa E - EWD - Engine - 1.6L (LLU) - 12 V Starting and Charging - Starting (LDC, LDD, LLU, LUJ).cgm
Opel EWD - 2018 - Corsa E - EWD - Engine - 1.6L (LLU) - 12 V Starting and Charging - Starting (LE1).cgm
Opel EWD - 2018 - Corsa E - EWD - Engine - 1.6L (LLU) - 12 V Starting and Charging - Starting (LKU, LKV).cgm
Opel EWD - 2018 - Corsa E - EWD - Engine - 1.6L (LLU) - 12 V Starting and Charging - Stop Start System (KL9).cgm
Opel EWD - 2018 - Corsa E - EWD - Engine - 1.6L (LLU) - Cruise Control - Cruise Control (K33).cgm
Opel EWD - 2018 - Corsa E - EWD - Engine - 1.6L (LLU) - Engine Controls and Fuel - 1.6L (LLU) - 5V1, 5V2 and Low Reference Bus (LLU) (1 of 2).cgm
Opel EWD - 2018 - Corsa E - EWD - Engine - 1.6L (LLU) - Engine Controls and Fuel - 1.6L (LLU) - 5V3, 5V4 and Low Reference Bus (LLU) (2 of 2).cgm
Opel EWD - 2018 - Corsa E - EWD - Engine - 1.6L (LLU) - Engine Controls and Fuel - 1.6L (LLU) - Controlled Monitored Subsystem References (LLU).cgm
Opel EWD - 2018 - Corsa E - EWD - Engine - 1.6L (LLU) - Engine Controls and Fuel - 1.6L (LLU) - Engine Data Sensors - Barometric Pressure, Intake Pressure and Air Temperature Sensors (LLU).cgm
Opel EWD - 2018 - Corsa E - EWD - Engine - 1.6L (LLU) - Engine Controls and Fuel - 1.6L (LLU) - Engine Data Sensors - Oxygen Sensors and Evaporative Controls (LLU).cgm
Opel EWD - 2018 - Corsa E - EWD - Engine - 1.6L (LLU) - Engine Controls and Fuel - 1.6L (LLU) - Engine Data Sensors - Pressure and Temperature Sensors (LLU).cgm
Opel EWD - 2018 - Corsa E - EWD - Engine - 1.6L (LLU) - Engine Controls and Fuel - 1.6L (LLU) - Engine Data Sensors - Throttle Controls (LLU).cgm
Opel EWD - 2018 - Corsa E - EWD - Engine - 1.6L (LLU) - Engine Controls and Fuel - 1.6L (LLU) - Fuel Controls - Fuel Pump and Fuel Injectors (LLU).cgm
Opel EWD - 2018 - Corsa E - EWD - Engine - 1.6L (LLU) - Engine Controls and Fuel - 1.6L (LLU) - Ignition Controls - Camshaft, Crankshaft and Knock Sensors (LLU).cgm
Opel EWD - 2018 - Corsa E - EWD - Engine - 1.6L (LLU) - Engine Controls and Fuel - 1.6L (LLU) - Ignition Controls - Ignition Coil Module (LLU).cgm
Opel EWD - 2018 - Corsa E - EWD - Engine - 1.6L (LLU) - Engine Controls and Fuel - 1.6L (LLU) - Module Power, Ground, Serial Data and MIL (LLU).cgm
Opel EWD - 2018 - Corsa E - EWD - Engine - 1.6L (LLU) - Engine Heating and Cooling - Coolant Pump Clutch (LKU with 5EA).cgm
Opel EWD - 2018 - Corsa E - EWD - Engine - 1.6L (LLU) - Engine Heating and Cooling - Dual Speed Fan (LDC or LDD with MM3 and C60 or C68).cgm
Opel EWD - 2018 - Corsa E - EWD - Engine - 1.6L (LLU) - Engine Heating and Cooling - Single Speed Fan (LDC or LDD with MM3 and C41).cgm
Opel EWD - 2018 - Corsa E - EWD - Engine - 1.6L (LLU) - Engine Heating and Cooling - Three Speed Fan (LE1, LUJ or (LDD with MNJ)).cgm
Opel EWD - 2018 - Corsa E - EWD - Engine - 1.6L (LLU) - Engine Heating and Cooling - Three Speed Fan (LKU or LKV).cgm
Opel EWD - 2018 - Corsa E - EWD - Engine - 1.6L (LLU) - Engine Heating and Cooling - Variable Speed Fan (LLU).cgm
Opel EWD - 2018 - Corsa E - EWD - HVAC - HVAC - Automatic - Air Quality, Ambient Light Sunload, Evaporator Temperature and Duct Air Sensors (C68).cgm
Opel EWD - 2018 - Corsa E - EWD - HVAC - HVAC - Automatic - Compressor Controls (C68+LE1).cgm
Opel EWD - 2018 - Corsa E - EWD - HVAC - HVAC - Automatic - Compressor Controls (C68-LE1).cgm
Opel EWD - 2018 - Corsa E - EWD - HVAC - HVAC - Automatic - Mode, Recirculation and Air Temperature Doors (C68).cgm
Opel EWD - 2018 - Corsa E - EWD - HVAC - HVAC - Automatic - Module Power, Ground, Heater Coolant Cut-Off Valve, Serial Data and Blower Control (C68).cgm
Opel EWD - 2018 - Corsa E - EWD - HVAC - HVAC - Manual - Blower Controls and Temperature Sensors (C41 or C60).cgm
Opel EWD - 2018 - Corsa E - EWD - HVAC - HVAC - Manual - Compressor Controls (C60+LE1).cgm
Opel EWD - 2018 - Corsa E - EWD - HVAC - HVAC - Manual - Compressor Controls (C60-LE1).cgm
Opel EWD - 2018 - Corsa E - EWD - HVAC - HVAC - Manual - Module Power, Ground, Heater Coolant Cut-Off Valve, Serial Data and Blower Control (C41 or C60).cgm
Opel EWD - 2018 - Corsa E - EWD - Power and Signal Distribution - Data Communications - Body Control System Schematics - Power, Ground and Data Communication.cgm
Opel EWD - 2018 - Corsa E - EWD - Power and Signal Distribution - Data Communications - Body Control System Schematics - Subsystem References (1 of 3).cgm
Opel EWD - 2018 - Corsa E - EWD - Power and Signal Distribution - Data Communications - Body Control System Schematics - Subsystem References (2 of 3).cgm
Opel EWD - 2018 - Corsa E - EWD - Power and Signal Distribution - Data Communications - Body Control System Schematics - Subsystem References (3 of 3).cgm
Opel EWD - 2018 - Corsa E - EWD - Power and Signal Distribution - Data Communications - Data Communication Schematics - Chassis Expansion Bus.cgm
Opel EWD - 2018 - Corsa E - EWD - Power and Signal Distribution - Data Communications - Data Communication Schematics - Data Communication Enable.cgm
Opel EWD - 2018 - Corsa E - EWD - Power and Signal Distribution - Data Communications - Data Communication Schematics - High Speed Bus (LE1).cgm
Opel EWD - 2018 - Corsa E - EWD - Power and Signal Distribution - Data Communications - Data Communication Schematics - High Speed Bus (-LE1).cgm
Opel EWD - 2018 - Corsa E - EWD - Power and Signal Distribution - Data Communications - Data Communication Schematics - Linear Interconnect Network (LIN).cgm
Opel EWD - 2018 - Corsa E - EWD - Power and Signal Distribution - Data Communications - Data Communication Schematics - Low Speed GMLAN.cgm
Opel EWD - 2018 - Corsa E - EWD - Power and Signal Distribution - Data Communications - Data Communication Schematics - Powertrain Expansion Bus (KL7).cgm
Opel EWD - 2018 - Corsa E - EWD - Power and Signal Distribution - Data Communications - Data Communication Schematics - Powertrain High Speed GMLAN (LE1+NCV).cgm
Opel EWD - 2018 - Corsa E - EWD - Power and Signal Distribution - Power Outlets - Cigar Lighter Power Outlet Schematics - Accessory Power Outlets.cgm
Opel EWD - 2018 - Corsa E - EWD - Power and Signal Distribution - Wiring Systems and Power Management - Ground Distribution Schematics - G100, G105, G107 and G108.cgm
Opel EWD - 2018 - Corsa E - EWD - Power and Signal Distribution - Wiring Systems and Power Management - Ground Distribution Schematics - G101.cgm
Opel EWD - 2018 - Corsa E - EWD - Power and Signal Distribution - Wiring Systems and Power Management - Ground Distribution Schematics - G102 and G106.cgm
Opel EWD - 2018 - Corsa E - EWD - Power and Signal Distribution - Wiring Systems and Power Management - Ground Distribution Schematics - G104 (1 of 2).cgm
Opel EWD - 2018 - Corsa E - EWD - Power and Signal Distribution - Wiring Systems and Power Management - Ground Distribution Schematics - G104 (2 of 2).cgm
Opel EWD - 2018 - Corsa E - EWD - Power and Signal Distribution - Wiring Systems and Power Management - Ground Distribution Schematics - G201 (1 of 2).cgm
Opel EWD - 2018 - Corsa E - EWD - Power and Signal Distribution - Wiring Systems and Power Management - Ground Distribution Schematics - G201 (2 of 2).cgm
Opel EWD - 2018 - Corsa E - EWD - Power and Signal Distribution - Wiring Systems and Power Management - Ground Distribution Schematics - G302.cgm
Opel EWD - 2018 - Corsa E - EWD - Power and Signal Distribution - Wiring Systems and Power Management - Ground Distribution Schematics - G303.cgm
Opel EWD - 2018 - Corsa E - EWD - Power and Signal Distribution - Wiring Systems and Power Management - Ground Distribution Schematics - G305, G306, G307 and G402.cgm
Opel EWD - 2018 - Corsa E - EWD - Power and Signal Distribution - Wiring Systems and Power Management - Ground Distribution Schematics - G401 (LHD).cgm
Opel EWD - 2018 - Corsa E - EWD - Power and Signal Distribution - Wiring Systems and Power Management - Ground Distribution Schematics - G401 (RHD).cgm
Opel EWD - 2018 - Corsa E - EWD - Power and Signal Distribution - Wiring Systems and Power Management - Ground Distribution Schematics - G403 (1 of 2).cgm
Opel EWD - 2018 - Corsa E - EWD - Power and Signal Distribution - Wiring Systems and Power Management - Ground Distribution Schematics - G403 (2 of 2).cgm
Opel EWD - 2018 - Corsa E - EWD - Power and Signal Distribution - Wiring Systems and Power Management - Ignition Lock Schematics - Ignition Lock.cgm
Opel EWD - 2018 - Corsa E - EWD - Power and Signal Distribution - Wiring Systems and Power Management - Power Distribution Schematics - B+ Bus (1 of 2).cgm
Opel EWD - 2018 - Corsa E - EWD - Power and Signal Distribution - Wiring Systems and Power Management - Power Distribution Schematics - B+ Bus (2 of 2).cgm
Opel EWD - 2018 - Corsa E - EWD - Power and Signal Distribution - Wiring Systems and Power Management - Power Distribution Schematics - Battery Fuse Block.cgm
Opel EWD - 2018 - Corsa E - EWD - Power and Signal Distribution - Wiring Systems and Power Management - Power Distribution Schematics - F01DA, F02DA, F03DA, F04DA, F05DA, F06DA, F07DA, F08DA, F09DA, F10DA, F11DA, F12DA, F22DA, F23DA, F24DA, F25DA and F26DA Fuses.cgm
Opel EWD - 2018 - Corsa E - EWD - Power and Signal Distribution - Wiring Systems and Power Management - Power Distribution Schematics - F01UA, F02UA, F03UA, F04UA, F05UA, F06UA, F08UA, F09UA and F13UA Fuses.cgm
Opel EWD - 2018 - Corsa E - EWD - Power and Signal Distribution - Wiring Systems and Power Management - Power Distribution Schematics - F10UA, F16UA, F18UA, F19UA and F04UB Fuses.cgm
Opel EWD - 2018 - Corsa E - EWD - Power and Signal Distribution - Wiring Systems and Power Management - Power Distribution Schematics - F11UA, F24UA, F31UA, F32UA, F02UB, F06UB Fuses.cgm
Opel EWD - 2018 - Corsa E - EWD - Power and Signal Distribution - Wiring Systems and Power Management - Power Distribution Schematics - F12UA, F14UA, F34UA, F03UB and F09UB Fuses.cgm
Opel EWD - 2018 - Corsa E - EWD - Power and Signal Distribution - Wiring Systems and Power Management - Power Distribution Schematics - F14DA, F15DA, F16DA, F17DA, F18DA, F19DA, F20DA and F21DA Fuses.cgm
Opel EWD - 2018 - Corsa E - EWD - Power and Signal Distribution - Wiring Systems and Power Management - Power Distribution Schematics - F17UA and F33DA Fuses.cgm
Opel EWD - 2018 - Corsa E - EWD - Power and Signal Distribution - Wiring Systems and Power Management - Power Distribution Schematics - F21UA, F27UA, F35UA, F05UB and F08UB Fuses.cgm
Opel EWD - 2018 - Corsa E - EWD - Power and Signal Distribution - Wiring Systems and Power Management - Power Distribution Schematics - F23UA Fuse.cgm
Opel EWD - 2018 - Corsa E - EWD - Power and Signal Distribution - Wiring Systems and Power Management - Power Distribution Schematics - F25UA, F33UA, F36UA, F01UB, F07UB, F10UB Fuses.cgm
Opel EWD - 2018 - Corsa E - EWD - Power and Signal Distribution - Wiring Systems and Power Management - Power Distribution Schematics - F26UA, F28UA, F29UA and F30UA Fuses.cgm
Opel EWD - 2018 - Corsa E - EWD - Power and Signal Distribution - Wiring Systems and Power Management - Power Distribution Schematics - F31DA, F35DA, F36DA, F37DA, F38DA, F39DA and F40DA Fuses.cgm
Opel EWD - 2018 - Corsa E - EWD - Power and Signal Distribution - Wiring Systems and Power Management - Power Distribution Schematics - Ignition Switch.cgm
Opel EWD - 2018 - Corsa E - EWD - Power and Signal Distribution - Wiring Systems and Power Management - Power Moding Schematics - KR73 Ignition Main Relay.cgm
Opel EWD - 2018 - Corsa E - EWD - Power and Signal Distribution - Wiring Systems and Power Management - Power Moding Schematics - KR76 Retained Accessory Power Relay.cgm
Opel EWD - 2018 - Corsa E - EWD - Power and Signal Distribution - Wiring Systems and Power Management - Trailer Connector Provision Schematics - Power, Ground and Serial Data (D8G or V65).cgm
Opel EWD - 2018 - Corsa E - EWD - Power and Signal Distribution - Wiring Systems and Power Management - Trailer Connector Provision Schematics - Trailer Connector (V65).cgm
Opel EWD - 2018 - Corsa E - EWD - Roof - Sunroof - Power, Ground and Sunroof Switches (CF5).cgm
Opel EWD - 2018 - Corsa E - EWD - Safety and Security - Driver Assistance Systems - Blind Spot Indicators (UFQ).cgm
Opel EWD - 2018 - Corsa E - EWD - Safety and Security - Driver Assistance Systems - Forward Collision Alert (UEU) and Lane Departure Warning (UFL).cgm
Opel EWD - 2018 - Corsa E - EWD - Safety and Security - Immobilizer - Immobilizer (UTJ or UTT).cgm
Opel EWD - 2018 - Corsa E - EWD - Safety and Security - Parking Assistance Systems - Park Assist - Rear and Side Object Sensors (UD7 or UFQ).cgm
Opel EWD - 2018 - Corsa E - EWD - Safety and Security - Parking Assistance Systems - Parking Assist - Front and Side Object Sensors (UD5,UD7 or UFQ).cgm
Opel EWD - 2018 - Corsa E - EWD - Safety and Security - Parking Assistance Systems - Parking Assist - Module Power, Ground, Serial Data, Controls and Display (UD5, UD7 or UFQ).cgm
Opel EWD - 2018 - Corsa E - EWD - Safety and Security - Remote Functions - Keyless Entry.cgm
Opel EWD - 2018 - Corsa E - EWD - Safety and Security - Seat Belts - Seat Belt Switches.cgm
Opel EWD - 2018 - Corsa E - EWD - Safety and Security - Supplemental Restraints - Front Impact Sensing and Deployment.cgm
Opel EWD - 2018 - Corsa E - EWD - Safety and Security - Supplemental Restraints - Module Power, Ground, Serial Data and Indicators.cgm
Opel EWD - 2018 - Corsa E - EWD - Safety and Security - Supplemental Restraints - Side Impact Sensing and Deployment.cgm
Opel EWD - 2018 - Corsa E - EWD - Safety and Security - Theft Deterrent - Content Theft (UTJ or UTP).cgm
Opel EWD - 2018 - Corsa E - EWD - Seats - Seat Heating and Cooling - Heated Seats (LHD with KA1).cgm
Opel EWD - 2018 - Corsa E - EWD - Seats - Seat Heating and Cooling - Heated Seats (RHD with KA1).cgm
Opel EWD - 2018 - Corsa E - EWD - Steering - Power Steering - Power Steering.cgm
Opel EWD - 2018 - Corsa E - EWD - Steering - Steering Wheel and Column - Heated Steering Wheel (UVD).cgm
Opel EWD - 2018 - Corsa E - EWD - Transmission - Automatic Transmission - 6T30 (MNJ) - Fluid Temperature and Speed Sensors, Valve Position, Pressure and Shift Controls (6T30).cgm
Opel EWD - 2018 - Corsa E - EWD - Transmission - Automatic Transmission - 6T30 (MNJ) - Internal Mode Switch (6T30).cgm
Opel EWD - 2018 - Corsa E - EWD - Transmission - Automatic Transmission - 6T30 (MNJ) - Module Power, Ground and Data Communication (6T30).cgm
Opel EWD - 2018 - Corsa E - EWD - Transmission - Automatic Transmission - 6T30 (MNJ) - Shift Lever Position Indicator and Manual Shift Control (6T30).cgm
Opel EWD - 2018 - Corsa E - EWD - Transmission - Manual Transmission - F17-5 (MDG M7Q MJA MKG) - Neutral Position and Clutch Pedal Position Sensors F17-5 (M7Q, MDG or MKG).cgm
Opel EWD - 2018 - Corsa E - EWD - Transmission - Manual Transmission - M1x (MFX M8Z) - Neutral Position and Clutch Pedal Position Sensors (M1X-6) (LE1+NCV).cgm
Opel EWD - 2018 - Corsa E - EWD - Transmission - Manual Transmission - M1x (MFX M8Z) - Neutral Position and Clutch Pedal Position Sensors (M1X-6) (LE1+NE4).cgm
Opel EWD - 2018 - Corsa E - EWD - Transmission - Manual Transmission - M20-6 (MZ2), M32-6 (MZ0) - Neutral Position and Clutch Pedal Position Sensors (M20-6).cgm
Opel EWD - 2018 - Corsa E - EWD - Transmission - Manual Transmission - M20-6 (MZ2), M32-6 (MZ0) - Neutral Position and Clutch Pedal Position Sensors (M32-6).cgm
Opel EWD - 2018 - Corsa E - EWD - Transmission - Shift Lock Control - Shift Lock Control.cgm
Opel EWD - 2018 - Corsa E - EWD - Transmission - Supplemental Manual Transmission Auto Shift (MJA) - Automated Manual Shift Controls (MJA).cgm
Opel EWD - 2018 - Corsa E - EWD - Transmission - Supplemental Manual Transmission Auto Shift (MJA) - Transmission Control Module Inputs (MJA).cgm
Opel EWD - 2018 - Corsa E - Specifications - Approximate Fluid Capacities.pdf
#More Product: Opel Service Manual, Repair Manual, Electrical Wiring Diagram


