Opel GM Ampera E 2019 Wiring Diagrams
Size: 7.22 MB
Format: PDF, CGM
Machine: Automotive
Machine Model: Opel GM Ampera E 2019
Document: Wiring Diagrams
Contents:
EWD:
Body Repair
Bolted Exterior Body Panels and Closures
Bumpers and Fascias
Body Systems
Fixed and Moveable Windows
Horns and Pedestrian Alerts
Lighting
Mirrors
Vehicle Access
Wipers and Washers
Brakes
Antilock Brake System
Hydraulic Brakes
Park Brake
Driver Information and Entertainment
Cellular, Entertainment, and Navigation
Displays and Gauges
Image Display Cameras
Secondary and Configurable Customer Controls
Engine EN0
12 V Starting and Charging
Cruise Control
Hybrid_EV Controls
Hybrid_EV Energy Storage
Hybrid_EV System Heating and Cooling
Plug-In Charging
HVAC
HVAC - Automatic
Power and Signal Distribution
Data Communications
Power Outlets
Wiring Systems and Power Management
Roof
Moveable Roof
Safety and Security
Driver Assistance Systems
Immobilizer
Parking Assistance Systems
Remote Functions
Seat Belts
Supplemental Restraints
Theft Deterrent
Seats
Seat Heating and Cooling
Steering
Power Steering
Steering Wheel and Column
Transmission
Automatic Transmission - 1ET25 (MMF)
Electronic Transmission Range Select
Control Module U Code List.pdf
RPO Code List.pdf
Schematics RPO Code List.pdf
Service Interval reset 2019 MY
Contents:
Opel GM Ampera E 2019 Wiring Diagrams - Control Module U Code List.pdf
Opel GM Ampera E 2019 Wiring Diagrams - RPO Code List.pdf
Opel GM Ampera E 2019 Wiring Diagrams - Schematics RPO Code List.pdf
Opel GM Ampera E 2019 Wiring Diagrams - Service Interval reset 2019 MY.pdf
Opel GM Ampera E 2019 Wiring Diagrams - EWD - Body Repair - Bolted Exterior Body Panels and Closures - Engine Hood Switch.cgm
Opel GM Ampera E 2019 Wiring Diagrams - EWD - Body Repair - Bumpers and Fascias - Active Grille Air Shutter.cgm
Opel GM Ampera E 2019 Wiring Diagrams - EWD - Body Systems - Fixed and Moveable Windows - Defogger Schematics - Rear Window Defogger.cgm
Opel GM Ampera E 2019 Wiring Diagrams - EWD - Body Systems - Fixed and Moveable Windows - Moveable Window Schematics - Driver Door.cgm
Opel GM Ampera E 2019 Wiring Diagrams - EWD - Body Systems - Fixed and Moveable Windows - Moveable Window Schematics - Passenger Door.cgm
Opel GM Ampera E 2019 Wiring Diagrams - EWD - Body Systems - Fixed and Moveable Windows - Moveable Window Schematics - Rear Doors.cgm
Opel GM Ampera E 2019 Wiring Diagrams - EWD - Body Systems - Horns and Pedestrian Alerts - Horn.cgm
Opel GM Ampera E 2019 Wiring Diagrams - EWD - Body Systems - Horns and Pedestrian Alerts - Pedestrian Alert.cgm
Opel GM Ampera E 2019 Wiring Diagrams - EWD - Body Systems - Lighting - Exterior Lights Schematics - Backup, Center Stop, and License Lamps.cgm
Opel GM Ampera E 2019 Wiring Diagrams - EWD - Body Systems - Lighting - Exterior Lights Schematics - Controls and Indicators.cgm
Opel GM Ampera E 2019 Wiring Diagrams - EWD - Body Systems - Lighting - Exterior Lights Schematics - Front Turn Signal and Repeater Lamps.cgm
Opel GM Ampera E 2019 Wiring Diagrams - EWD - Body Systems - Lighting - Exterior Lights Schematics - Park Position Lamps.cgm
Opel GM Ampera E 2019 Wiring Diagrams - EWD - Body Systems - Lighting - Exterior Lights Schematics - Tail, Stop, and Rear Turn Signal Lamps.cgm
Opel GM Ampera E 2019 Wiring Diagrams - EWD - Body Systems - Lighting - Fog Lights Schematics - Rear Fog Light.cgm
Opel GM Ampera E 2019 Wiring Diagrams - EWD - Body Systems - Lighting - Headlights Daytime Running Lights (DRL) Schematics - Controls and Indicators.cgm
Opel GM Ampera E 2019 Wiring Diagrams - EWD - Body Systems - Lighting - Headlights Daytime Running Lights (DRL) Schematics - Headlamps and Daytime Running Lamps.cgm
Opel GM Ampera E 2019 Wiring Diagrams - EWD - Body Systems - Lighting - Headlights Daytime Running Lights (DRL) Schematics - Manual Headlamp Leveling.cgm
Opel GM Ampera E 2019 Wiring Diagrams - EWD - Body Systems - Lighting - Interior Lights Dimming Schematics - Controls and Instrument Panel Lamps.cgm
Opel GM Ampera E 2019 Wiring Diagrams - EWD - Body Systems - Lighting - Interior Lights Dimming Schematics - Doors, Seats and Center Console.cgm
Opel GM Ampera E 2019 Wiring Diagrams - EWD - Body Systems - Lighting - Interior Lights Dimming Schematics - Indicator Lamps.cgm
Opel GM Ampera E 2019 Wiring Diagrams - EWD - Body Systems - Lighting - Interior Lights Schematics - Accent Lamps - Instrument Panel (C9J).cgm
Opel GM Ampera E 2019 Wiring Diagrams - EWD - Body Systems - Lighting - Interior Lights Schematics - Controls.cgm
Opel GM Ampera E 2019 Wiring Diagrams - EWD - Body Systems - Lighting - Interior Lights Schematics - Dome and Courtesy Lamps.cgm
Opel GM Ampera E 2019 Wiring Diagrams - EWD - Body Systems - Mirrors - Inside Rearview Mirror Schematics - Inside Rearview Mirror.cgm
Opel GM Ampera E 2019 Wiring Diagrams - EWD - Body Systems - Mirrors - Outside Rearview Mirror Schematics - Folding (DLR).cgm
Opel GM Ampera E 2019 Wiring Diagrams - EWD - Body Systems - Mirrors - Outside Rearview Mirror Schematics - Heating.cgm
Opel GM Ampera E 2019 Wiring Diagrams - EWD - Body Systems - Mirrors - Outside Rearview Mirror Schematics - Outside Rearview Mirrors.cgm
Opel GM Ampera E 2019 Wiring Diagrams - EWD - Body Systems - Vehicle Access - Door Lock Indicator Schematics - Ajar Switches and Lock Indicators.cgm
Opel GM Ampera E 2019 Wiring Diagrams - EWD - Body Systems - Vehicle Access - Door Lock Indicator Schematics - Door Handle Switches.cgm
Opel GM Ampera E 2019 Wiring Diagrams - EWD - Body Systems - Vehicle Access - Door Lock Indicator Schematics - Door Lock Actuators.cgm
Opel GM Ampera E 2019 Wiring Diagrams - EWD - Body Systems - Vehicle Access - Door Lock Indicator Schematics - Lock Switches.cgm
Opel GM Ampera E 2019 Wiring Diagrams - EWD - Body Systems - Vehicle Access - Release Systems Schematics - Liftgate Release.cgm
Opel GM Ampera E 2019 Wiring Diagrams - EWD - Body Systems - Wipers and Washers - Front Wiper Washer Control.cgm
Opel GM Ampera E 2019 Wiring Diagrams - EWD - Body Systems - Wipers and Washers - Rear Wiper Washer Control.cgm
Opel GM Ampera E 2019 Wiring Diagrams - EWD - Body Systems - Wipers and Washers - Washer.cgm
Opel GM Ampera E 2019 Wiring Diagrams - EWD - Brakes - Antilock Brake System - Power, Ground, Serial Data and Traction Control Switch.cgm
Opel GM Ampera E 2019 Wiring Diagrams - EWD - Brakes - Antilock Brake System - Wheel Speed Sensors.cgm
Opel GM Ampera E 2019 Wiring Diagrams - EWD - Brakes - Hydraulic Brakes - Hydraulic Brakes.cgm
Opel GM Ampera E 2019 Wiring Diagrams - EWD - Brakes - Park Brake - Electric Park Brake.cgm
Opel GM Ampera E 2019 Wiring Diagrams - EWD - Driver Information and Entertainment - Cellular, Entertainment, and Navigation - OnStar Telematics Schematics - Controls and Audio Signals.cgm
Opel GM Ampera E 2019 Wiring Diagrams - EWD - Driver Information and Entertainment - Cellular, Entertainment, and Navigation - OnStar Telematics Schematics - Power, Ground, Serial Data and Antennas.cgm
Opel GM Ampera E 2019 Wiring Diagrams - EWD - Driver Information and Entertainment - Cellular, Entertainment, and Navigation - Radio Navigation System Schematics - Amplifier Power, Ground and Data (UQA).cgm
Opel GM Ampera E 2019 Wiring Diagrams - EWD - Driver Information and Entertainment - Cellular, Entertainment, and Navigation - Radio Navigation System Schematics - Antenna Signals.cgm
Opel GM Ampera E 2019 Wiring Diagrams - EWD - Driver Information and Entertainment - Cellular, Entertainment, and Navigation - Radio Navigation System Schematics - Auxiliary Input.cgm
Opel GM Ampera E 2019 Wiring Diagrams - EWD - Driver Information and Entertainment - Cellular, Entertainment, and Navigation - Radio Navigation System Schematics - Controls.cgm
Opel GM Ampera E 2019 Wiring Diagrams - EWD - Driver Information and Entertainment - Cellular, Entertainment, and Navigation - Radio Navigation System Schematics - Radio Power, Ground, Data and Microphone.cgm
Opel GM Ampera E 2019 Wiring Diagrams - EWD - Driver Information and Entertainment - Cellular, Entertainment, and Navigation - Radio Navigation System Schematics - Radio Speaker Outputs (UQA).cgm
Opel GM Ampera E 2019 Wiring Diagrams - EWD - Driver Information and Entertainment - Cellular, Entertainment, and Navigation - Radio Navigation System Schematics - Speakers (UQ3).cgm
Opel GM Ampera E 2019 Wiring Diagrams - EWD - Driver Information and Entertainment - Cellular, Entertainment, and Navigation - Radio Navigation System Schematics - Speakers (UQA).cgm
Opel GM Ampera E 2019 Wiring Diagrams - EWD - Driver Information and Entertainment - Displays and Gauges - Audible Warnings Schematics - Audible Warnings.cgm
Opel GM Ampera E 2019 Wiring Diagrams - EWD - Driver Information and Entertainment - Displays and Gauges - Instrument Cluster Schematics - Driver Information Center.cgm
Opel GM Ampera E 2019 Wiring Diagrams - EWD - Driver Information and Entertainment - Displays and Gauges - Instrument Cluster Schematics - Power, Ground, Serial Data, and Subsystem References.cgm
Opel GM Ampera E 2019 Wiring Diagrams - EWD - Driver Information and Entertainment - Image Display Cameras - 360 Degree Vision - Front and Rear Cameras (UVH).cgm
Opel GM Ampera E 2019 Wiring Diagrams - EWD - Driver Information and Entertainment - Image Display Cameras - 360 Degree Vision - Power, Ground, Serial Data, and Camera Signals (UVH).cgm
Opel GM Ampera E 2019 Wiring Diagrams - EWD - Driver Information and Entertainment - Image Display Cameras - 360 Degree Vision - Side Vision Cameras (UVH).cgm
Opel GM Ampera E 2019 Wiring Diagrams - EWD - Driver Information and Entertainment - Image Display Cameras - Rearview Camera (UVC).cgm
Opel GM Ampera E 2019 Wiring Diagrams - EWD - Driver Information and Entertainment - Secondary and Configurable Customer Controls - Steering Wheel Secondary Configurable Control Schematics.cgm
Opel GM Ampera E 2019 Wiring Diagrams - EWD - Engine - EN0 - 12 V Starting and Charging - 12V Battery Management.cgm
Opel GM Ampera E 2019 Wiring Diagrams - EWD - Engine - EN0 - Cruise Control - Cruise Control.cgm
Opel GM Ampera E 2019 Wiring Diagrams - EWD - Engine - EN0 - Hybrid EV Controls - Drive Mode Select Switch.cgm
Opel GM Ampera E 2019 Wiring Diagrams - EWD - Engine - EN0 - Hybrid EV Controls - Drive Motor and Transmission Fluid Pump Controls.cgm
Opel GM Ampera E 2019 Wiring Diagrams - EWD - Engine - EN0 - Hybrid EV Controls - Drive Motor Monitoring.cgm
Opel GM Ampera E 2019 Wiring Diagrams - EWD - Engine - EN0 - Hybrid EV Controls - ECM 5-Volt and Low Reference Busses.cgm
Opel GM Ampera E 2019 Wiring Diagrams - EWD - Engine - EN0 - Hybrid EV Controls - ECM Controlled Monitored Subsystem References.cgm
Opel GM Ampera E 2019 Wiring Diagrams - EWD - Engine - EN0 - Hybrid EV Controls - ECM Data Sensors - Throttle Controls and Override.cgm
Opel GM Ampera E 2019 Wiring Diagrams - EWD - Engine - EN0 - Hybrid EV Controls - ECM Power, Ground, Serial Data and MIL.cgm
Opel GM Ampera E 2019 Wiring Diagrams - EWD - Engine - EN0 - Hybrid EV Controls - Hybrid EV Powertrain Control Module 1 Power Inverter Module Power, Ground, and Data Communication.cgm
Opel GM Ampera E 2019 Wiring Diagrams - EWD - Engine - EN0 - Hybrid EV Energy Storage - Battery Energy and Interface Control Module Power, Ground, and Data Communication.cgm
Opel GM Ampera E 2019 Wiring Diagrams - EWD - Engine - EN0 - Hybrid EV Energy Storage - High Voltage Cable Connections.cgm
Opel GM Ampera E 2019 Wiring Diagrams - EWD - Engine - EN0 - Hybrid EV Energy Storage - High Voltage Contactors - Control.cgm
Opel GM Ampera E 2019 Wiring Diagrams - EWD - Engine - EN0 - Hybrid EV Energy Storage - High Voltage Contactors - High Voltage Negative.cgm
Opel GM Ampera E 2019 Wiring Diagrams - EWD - Engine - EN0 - Hybrid EV Energy Storage - High Voltage Contactors - High Voltage Positive.cgm
Opel GM Ampera E 2019 Wiring Diagrams - EWD - Engine - EN0 - Hybrid EV Energy Storage - High Voltage Interlock Loop.cgm
Opel GM Ampera E 2019 Wiring Diagrams - EWD - Engine - EN0 - Hybrid EV Energy Storage - Hybrid EV Battery Bussing.cgm
Opel GM Ampera E 2019 Wiring Diagrams - EWD - Engine - EN0 - Hybrid EV Energy Storage - Hybrid EV Battery Module 1.cgm
Opel GM Ampera E 2019 Wiring Diagrams - EWD - Engine - EN0 - Hybrid EV Energy Storage - Hybrid EV Battery Module 10.cgm
Opel GM Ampera E 2019 Wiring Diagrams - EWD - Engine - EN0 - Hybrid EV Energy Storage - Hybrid EV Battery Module 2.cgm
Opel GM Ampera E 2019 Wiring Diagrams - EWD - Engine - EN0 - Hybrid EV Energy Storage - Hybrid EV Battery Module 3.cgm
Opel GM Ampera E 2019 Wiring Diagrams - EWD - Engine - EN0 - Hybrid EV Energy Storage - Hybrid EV Battery Module 4.cgm
Opel GM Ampera E 2019 Wiring Diagrams - EWD - Engine - EN0 - Hybrid EV Energy Storage - Hybrid EV Battery Module 5.cgm
Opel GM Ampera E 2019 Wiring Diagrams - EWD - Engine - EN0 - Hybrid EV Energy Storage - Hybrid EV Battery Module 6 and Manual Service Disconnect.cgm
Opel GM Ampera E 2019 Wiring Diagrams - EWD - Engine - EN0 - Hybrid EV Energy Storage - Hybrid EV Battery Module 7.cgm
Opel GM Ampera E 2019 Wiring Diagrams - EWD - Engine - EN0 - Hybrid EV Energy Storage - Hybrid EV Battery Module 8.cgm
Opel GM Ampera E 2019 Wiring Diagrams - EWD - Engine - EN0 - Hybrid EV Energy Storage - Hybrid EV Battery Module 9.cgm
Opel GM Ampera E 2019 Wiring Diagrams - EWD - Engine - EN0 - Hybrid EV Energy Storage - Hybrid EV Module Powertrain Control Module 2 Power, Ground and Data Communication.cgm
Opel GM Ampera E 2019 Wiring Diagrams - EWD - Engine - EN0 - Hybrid EV System Heating and Cooling - Hybrid EV Battery Pack Cooling - Coolant Heater.cgm
Opel GM Ampera E 2019 Wiring Diagrams - EWD - Engine - EN0 - Hybrid EV System Heating and Cooling - Hybrid EV Battery Pack Cooling - Pump and Level Switch.cgm
Opel GM Ampera E 2019 Wiring Diagrams - EWD - Engine - EN0 - Hybrid EV System Heating and Cooling - Hybrid EV Battery Temperature Sensors.cgm
Opel GM Ampera E 2019 Wiring Diagrams - EWD - Engine - EN0 - Hybrid EV System Heating and Cooling - Hybrid EV Electronics Cooling.cgm
Opel GM Ampera E 2019 Wiring Diagrams - EWD - Engine - EN0 - Plug-In Charging - AC Battery Charging.cgm
Opel GM Ampera E 2019 Wiring Diagrams - EWD - Engine - EN0 - Plug-In Charging - Battery Charging Door Receptacle.cgm
Opel GM Ampera E 2019 Wiring Diagrams - EWD - Engine - EN0 - Plug-In Charging - Battery State of Charge Indicators.cgm
Opel GM Ampera E 2019 Wiring Diagrams - EWD - Engine - EN0 - Plug-In Charging - DC Battery Charging - Contactors and Receptacle.cgm
Opel GM Ampera E 2019 Wiring Diagrams - EWD - Engine - EN0 - Plug-In Charging - DC Battery Charging - Power, Ground, Serial Data, and Receptacle Signals.cgm
Opel GM Ampera E 2019 Wiring Diagrams - EWD - Engine - EN0 - Plug-In Charging - DC Battery Charging - Sense Signals and Contactor Controls.cgm
Opel GM Ampera E 2019 Wiring Diagrams - EWD - HVAC - HVAC - Automatic - Actuators.cgm
Opel GM Ampera E 2019 Wiring Diagrams - EWD - HVAC - HVAC - Automatic - Compressor Controls.cgm
Opel GM Ampera E 2019 Wiring Diagrams - EWD - HVAC - HVAC - Automatic - Heater Coolant Pump.cgm
Opel GM Ampera E 2019 Wiring Diagrams - EWD - HVAC - HVAC - Automatic - Power, Ground, Data Communication and Blower Controls.cgm
Opel GM Ampera E 2019 Wiring Diagrams - EWD - HVAC - HVAC - Automatic - Sensors.cgm
Opel GM Ampera E 2019 Wiring Diagrams - EWD - Power and Signal Distribution - Data Communications - Body Control System Schematics - Power, Ground and Data Communications.cgm
Opel GM Ampera E 2019 Wiring Diagrams - EWD - Power and Signal Distribution - Data Communications - Body Control System Schematics - Subsystem References (1 of 3).cgm
Opel GM Ampera E 2019 Wiring Diagrams - EWD - Power and Signal Distribution - Data Communications - Body Control System Schematics - Subsystem References (2 of 3).cgm
Opel GM Ampera E 2019 Wiring Diagrams - EWD - Power and Signal Distribution - Data Communications - Body Control System Schematics - Subsystem References (3 of 3).cgm
Opel GM Ampera E 2019 Wiring Diagrams - EWD - Power and Signal Distribution - Data Communications - Data Communication Schematics - Chassis High Speed GMLAN.cgm
Opel GM Ampera E 2019 Wiring Diagrams - EWD - Power and Signal Distribution - Data Communications - Data Communication Schematics - Ethernet Bus.cgm
Opel GM Ampera E 2019 Wiring Diagrams - EWD - Power and Signal Distribution - Data Communications - Data Communication Schematics - GMLAN Communication Enable.cgm
Opel GM Ampera E 2019 Wiring Diagrams - EWD - Power and Signal Distribution - Data Communications - Data Communication Schematics - High Speed GMLAN (1 of 2).cgm
Opel GM Ampera E 2019 Wiring Diagrams - EWD - Power and Signal Distribution - Data Communications - Data Communication Schematics - High Speed GMLAN (2 of 2).cgm
Opel GM Ampera E 2019 Wiring Diagrams - EWD - Power and Signal Distribution - Data Communications - Data Communication Schematics - High Voltage Management Bus.cgm
Opel GM Ampera E 2019 Wiring Diagrams - EWD - Power and Signal Distribution - Data Communications - Data Communication Schematics - Isolated High Speed GMLAN.cgm
Opel GM Ampera E 2019 Wiring Diagrams - EWD - Power and Signal Distribution - Data Communications - Data Communication Schematics - Isolated Low Speed GMLAN.cgm
Opel GM Ampera E 2019 Wiring Diagrams - EWD - Power and Signal Distribution - Data Communications - Data Communication Schematics - Local Interconnect Network (LIN) Communication Busses (1 of 2).cgm
Opel GM Ampera E 2019 Wiring Diagrams - EWD - Power and Signal Distribution - Data Communications - Data Communication Schematics - Local Interconnect Network (LIN) Communication Busses (2 of 2).cgm
Opel GM Ampera E 2019 Wiring Diagrams - EWD - Power and Signal Distribution - Data Communications - Data Communication Schematics - Low Speed GMLAN.cgm
Opel GM Ampera E 2019 Wiring Diagrams - EWD - Power and Signal Distribution - Data Communications - Data Communication Schematics - Powertrain Expansion Bus.cgm
Opel GM Ampera E 2019 Wiring Diagrams - EWD - Power and Signal Distribution - Data Communications - Data Communication Schematics - Serial Data Gateway Module and Data Link Connector Power and Ground.cgm
Opel GM Ampera E 2019 Wiring Diagrams - EWD - Power and Signal Distribution - Data Communications - Data Communication Schematics - Serial Data Wake-Up.cgm
Opel GM Ampera E 2019 Wiring Diagrams - EWD - Power and Signal Distribution - Power Outlets - Cigar Lighter Power Outlet Schematics - Accessory Power Receptacles and Wireless Charging.cgm
Opel GM Ampera E 2019 Wiring Diagrams - EWD - Power and Signal Distribution - Wiring Systems and Power Management - Ground Distribution Schematics - G100 and G104.cgm
Opel GM Ampera E 2019 Wiring Diagrams - EWD - Power and Signal Distribution - Wiring Systems and Power Management - Ground Distribution Schematics - G101, G102 and G108.cgm
Opel GM Ampera E 2019 Wiring Diagrams - EWD - Power and Signal Distribution - Wiring Systems and Power Management - Ground Distribution Schematics - G103, G105, G107, G116, G201 and G310.cgm
Opel GM Ampera E 2019 Wiring Diagrams - EWD - Power and Signal Distribution - Wiring Systems and Power Management - Ground Distribution Schematics - G111, G150, G151, G153, G154, G155, G156, G157 and G158.cgm
Opel GM Ampera E 2019 Wiring Diagrams - EWD - Power and Signal Distribution - Wiring Systems and Power Management - Ground Distribution Schematics - G200 (1 of 2).cgm
Opel GM Ampera E 2019 Wiring Diagrams - EWD - Power and Signal Distribution - Wiring Systems and Power Management - Ground Distribution Schematics - G200 (2 of 2).cgm
Opel GM Ampera E 2019 Wiring Diagrams - EWD - Power and Signal Distribution - Wiring Systems and Power Management - Ground Distribution Schematics - G202, G203, G260, G261, G262 and G263.cgm
Opel GM Ampera E 2019 Wiring Diagrams - EWD - Power and Signal Distribution - Wiring Systems and Power Management - Ground Distribution Schematics - G304.cgm
Opel GM Ampera E 2019 Wiring Diagrams - EWD - Power and Signal Distribution - Wiring Systems and Power Management - Ground Distribution Schematics - G305.cgm
Opel GM Ampera E 2019 Wiring Diagrams - EWD - Power and Signal Distribution - Wiring Systems and Power Management - Ground Distribution Schematics - G355, G356, G357, G358, G401 and G405.cgm
Opel GM Ampera E 2019 Wiring Diagrams - EWD - Power and Signal Distribution - Wiring Systems and Power Management - Ground Distribution Schematics - G404.cgm
Opel GM Ampera E 2019 Wiring Diagrams - EWD - Power and Signal Distribution - Wiring Systems and Power Management - Power Distribution Schematics - B+ Bus (1 of 2).cgm
Opel GM Ampera E 2019 Wiring Diagrams - EWD - Power and Signal Distribution - Wiring Systems and Power Management - Power Distribution Schematics - B+ Bus (2 of 2).cgm
Opel GM Ampera E 2019 Wiring Diagrams - EWD - Power and Signal Distribution - Wiring Systems and Power Management - Power Distribution Schematics - F17UA, F18UA, and F20UA Fuses.cgm
Opel GM Ampera E 2019 Wiring Diagrams - EWD - Power and Signal Distribution - Wiring Systems and Power Management - Power Distribution Schematics - F1BA, F2BA, F3BA, and F4BA Fuses.cgm
Opel GM Ampera E 2019 Wiring Diagrams - EWD - Power and Signal Distribution - Wiring Systems and Power Management - Power Distribution Schematics - F1DA, F2DA, F3DA, F4DA, F5DA, F16DA, F44DA, F45DA, F46DA, F47DA, F48DA, F49DA, F50DA, F55DA, and F56DA Fuses.cgm
Opel GM Ampera E 2019 Wiring Diagrams - EWD - Power and Signal Distribution - Wiring Systems and Power Management - Power Distribution Schematics - F1UA, F2UA, F3UA, F4UA, F5UA, F12UA, F13UA, F15UA, F16UA, F19UA, F22UA and F23UA Fuses.cgm
Opel GM Ampera E 2019 Wiring Diagrams - EWD - Power and Signal Distribution - Wiring Systems and Power Management - Power Distribution Schematics - F22DA, F23DA, F24DA, F51DA and CB53DA Fuses.cgm
Opel GM Ampera E 2019 Wiring Diagrams - EWD - Power and Signal Distribution - Wiring Systems and Power Management - Power Distribution Schematics - F24UA, F28UA, F29UA, F30UA, F34UA, F38UA, F40UA, F41UA, F42UA, F43UA, and F56UA Fuses.cgm
Opel GM Ampera E 2019 Wiring Diagrams - EWD - Power and Signal Distribution - Wiring Systems and Power Management - Power Distribution Schematics - F25DA, F26DA, F27DA, F28DA, F29DA, and F30DA Fuses.cgm
Opel GM Ampera E 2019 Wiring Diagrams - EWD - Power and Signal Distribution - Wiring Systems and Power Management - Power Distribution Schematics - F26UA, F27UA, F36UA, F39UA, F44UA, F45UA, F54UA, F65UA, F66UA, F67UA, F70UA, F72UA and F73UA.cgm
Opel GM Ampera E 2019 Wiring Diagrams - EWD - Power and Signal Distribution - Wiring Systems and Power Management - Power Distribution Schematics - F31DA, F32DA, F33DA, F34DA, F35DA, F36DA, and F52DA Fuses.cgm
Opel GM Ampera E 2019 Wiring Diagrams - EWD - Power and Signal Distribution - Wiring Systems and Power Management - Power Distribution Schematics - F31UA, F47UA, F48UA, F49UA, F50UA, F51UA, F52UA, F59UA, F64UA, and F71UA Fuses.cgm
Opel GM Ampera E 2019 Wiring Diagrams - EWD - Power and Signal Distribution - Wiring Systems and Power Management - Power Distribution Schematics - F35UA, F46UA, F54UA, F55UA, F57UA, F58UA, F60UA, F62UA and F63UA Fuses.cgm
Opel GM Ampera E 2019 Wiring Diagrams - EWD - Power and Signal Distribution - Wiring Systems and Power Management - Power Distribution Schematics - F6DA, F7DA, F8DA, F9DA, F10DA, F11DA, F12DA, F13DA, F14DA, F15DA, F17DA, F18DA, and F43DA Fuses.cgm
Opel GM Ampera E 2019 Wiring Diagrams - EWD - Power and Signal Distribution - Wiring Systems and Power Management - Power Distribution Schematics - F7UA, F8UA, F9UA, F10UA, F11UA, F32UA, and F33UA Fuses.cgm
Opel GM Ampera E 2019 Wiring Diagrams - EWD - Power and Signal Distribution - Wiring Systems and Power Management - Power Moding Schematics - Accessory Power and Retained Accessory Power Relay.cgm
Opel GM Ampera E 2019 Wiring Diagrams - EWD - Power and Signal Distribution - Wiring Systems and Power Management - Power Moding Schematics - Battery Saver Relay.cgm
Opel GM Ampera E 2019 Wiring Diagrams - EWD - Power and Signal Distribution - Wiring Systems and Power Management - Power Moding Schematics - Ignition Main Relay 2.cgm
Opel GM Ampera E 2019 Wiring Diagrams - EWD - Power and Signal Distribution - Wiring Systems and Power Management - Power Moding Schematics - Ignition Mode Switch.cgm
Opel GM Ampera E 2019 Wiring Diagrams - EWD - Power and Signal Distribution - Wiring Systems and Power Management - Power Moding Schematics - Ignition Power and Ignition Main Relay 1.cgm
Opel GM Ampera E 2019 Wiring Diagrams - EWD - Safety and Security - Driver Assistance Systems - Lane Keep Assist (UHX) and Forward Collision Alert (UEU).cgm
Opel GM Ampera E 2019 Wiring Diagrams - EWD - Safety and Security - Driver Assistance Systems - Rear Cross Traffic Alert (UFG) and Side Object Detection (UKC).cgm
Opel GM Ampera E 2019 Wiring Diagrams - EWD - Safety and Security - Immobilizer - Immobilizer.cgm
Opel GM Ampera E 2019 Wiring Diagrams - EWD - Safety and Security - Parking Assistance Systems - Park Assist - Front Sensors (UD5 and UFQ).cgm
Opel GM Ampera E 2019 Wiring Diagrams - EWD - Safety and Security - Parking Assistance Systems - Park Assist - Power, Ground, Serial Data and Control (UD5, UD7 or UFQ).cgm
Opel GM Ampera E 2019 Wiring Diagrams - EWD - Safety and Security - Parking Assistance Systems - Park Assist - Rear Sensors (UD5, UD7 and UFQ).cgm
Opel GM Ampera E 2019 Wiring Diagrams - EWD - Safety and Security - Remote Functions - Keyless Entry - Active.cgm
Opel GM Ampera E 2019 Wiring Diagrams - EWD - Safety and Security - Remote Functions - Keyless Entry - Passive and Keyless Start.cgm
Opel GM Ampera E 2019 Wiring Diagrams - EWD - Safety and Security - Seat Belts - Switches and Indicators.cgm
Opel GM Ampera E 2019 Wiring Diagrams - EWD - Safety and Security - Supplemental Restraints - Front Impact Sensing and Deployment.cgm
Opel GM Ampera E 2019 Wiring Diagrams - EWD - Safety and Security - Supplemental Restraints - Power, Ground, Serial Data, Indicators and Passenger Presence System.cgm
Opel GM Ampera E 2019 Wiring Diagrams - EWD - Safety and Security - Supplemental Restraints - Side Impact Sensing and Deployment.cgm
Opel GM Ampera E 2019 Wiring Diagrams - EWD - Safety and Security - Theft Deterrent - Theft Deterrent.cgm
Opel GM Ampera E 2019 Wiring Diagrams - EWD - Seats - Seat Heating and Cooling - Heated Seats - Front (KA1).cgm
Opel GM Ampera E 2019 Wiring Diagrams - EWD - Seats - Seat Heating and Cooling - Heated Seats - Rear (KA6).cgm
Opel GM Ampera E 2019 Wiring Diagrams - EWD - Steering - Power Steering - Power Steering.cgm
Opel GM Ampera E 2019 Wiring Diagrams - EWD - Steering - Steering Wheel and Column - Column Lock.cgm
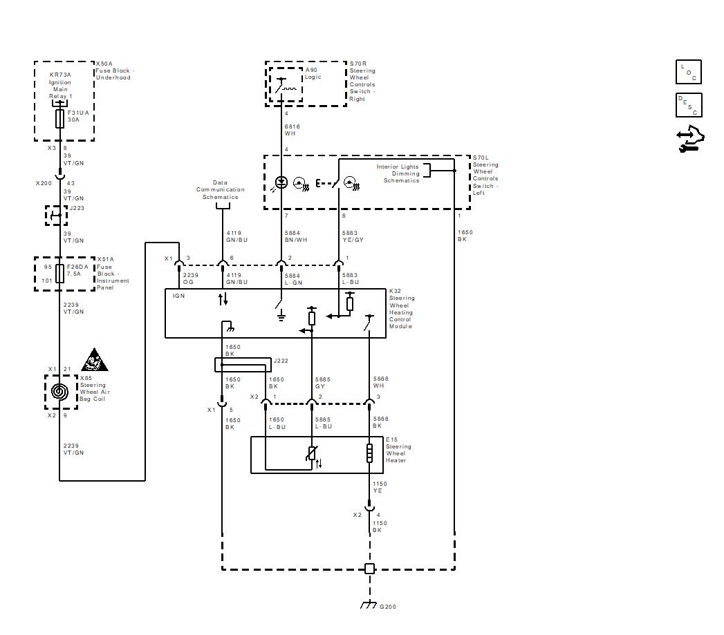
Opel GM Ampera E 2019 Wiring Diagrams - EWD - Steering - Steering Wheel and Column - Heated Steering Wheel (KI3).cgm
Opel GM Ampera E 2019 Wiring Diagrams - EWD - Transmission - Automatic Transmission - 1ET25 (MMF) - Regenerative Braking On-Demand Switch.cgm
Opel GM Ampera E 2019 Wiring Diagrams - EWD - Transmission - Automatic Transmission - 1ET25 (MMF) - Temperature and Internal Mode Switch.cgm
Opel GM Ampera E 2019 Wiring Diagrams - EWD - Transmission - Electronic Transmission Range Select - Electronic Shift Lever.cgm
Opel GM Ampera E 2019 Wiring Diagrams - EWD - Transmission - Electronic Transmission Range Select - Power, Ground and Serial Data.cgm
#More Product: Opel Service Manual, Repair Manual, Electrical Wiring Diagram


