Opel GM Astra J 2019 Wiring Diagrams
Size: 17.0 MB
Language: English
Format: PDF, CGM
Machine: Automotive
Machine Model: Opel GM Astra J 2019
Document: Wiring Diagrams
Contents:
EWD:
Body Repair
Bolted Exterior Body Panels and Closures
Bumpers and Fascias
Body Systems
Fixed and Moveable Windows
Horns and Pedestrian Alerts
Lighting
Mirrors
Vehicle Access
Wipers and Washers
Brakes
Antilock Brake System
Hydraulic Brakes
Park Brake
Driver Information and Entertainment
Cellular, Entertainment, and Navigation
Displays and Gauges
Image Display Cameras
Secondary and Configurable Customer Controls
Engine
1.4L (LUJ)
1.6L (LDE)
1.6L (LLU)
1.6L (LVL)
1.6L (LVM)
1.6L (LWC)
2.0L (LHU)
HVAC
HVAC - Automatic
HVAC - Manual
Power and Signal Distribution
Data Communications
Power Outlets
Wiring Systems and Power Management
Roof
SunRoof
Safety and Security
Driver Assistance Systems
Immobilizer
Parking Assistance Systems
Remote Functions
Seat Belts
Supplemental Restraints
Theft Deterrent
Seats
Power Seats
Seat Heating and Cooling
Steering
Power Steering
Steering Wheel and Column
Suspension
Electronic Suspension Control
Transmission
Automatic Transmission - 6T30 (MH9), 6T40 (MH8) or 6T45 (MH7 MNP)
Manual Transmission - F17-5 (MDG)
Manual Transmission - F40-6 (MK6)
Manual Transmission - M32-6 (MF3 MR5 MZ0 MZ4 M06)
Shift Lock Control
Control Module U Code List.pdf
RPO Code List.pdf
Schematics RPO Code List.pdf
Service Interval reset 2019 MY
Full
Contents:
Opel GM Astra J 2019 Wiring Diagrams - Control Module U Code List.pdf
Opel GM Astra J 2019 Wiring Diagrams - RPO Code List.pdf
Opel GM Astra J 2019 Wiring Diagrams - Schematics RPO Code List.pdf
Opel GM Astra J 2019 Wiring Diagrams - Service Interval reset 2019 MY.pdf
Opel GM Astra J 2019 Wiring Diagrams - EWD - Body Repair - Bolted Exterior Body Panels and Closures - Hood Latch Schematics.cgm
Opel GM Astra J 2019 Wiring Diagrams - EWD - Body Repair - Bumpers and Fascias - Active Grille Air Shutter Actuator.cgm
Opel GM Astra J 2019 Wiring Diagrams - EWD - Body Systems - Fixed and Moveable Windows - Defogger Schematics - Rear Window Defogger.cgm
Opel GM Astra J 2019 Wiring Diagrams - EWD - Body Systems - Fixed and Moveable Windows - Moveable Window Schematics - Driver Window (AER or AXG).cgm
Opel GM Astra J 2019 Wiring Diagrams - EWD - Body Systems - Fixed and Moveable Windows - Moveable Window Schematics - Left Hand Drive (without AER).cgm
Opel GM Astra J 2019 Wiring Diagrams - EWD - Body Systems - Fixed and Moveable Windows - Moveable Window Schematics - Passenger Window (AEF, AER or AXG).cgm
Opel GM Astra J 2019 Wiring Diagrams - EWD - Body Systems - Fixed and Moveable Windows - Moveable Window Schematics - Rear Windows (AER).cgm
Opel GM Astra J 2019 Wiring Diagrams - EWD - Body Systems - Fixed and Moveable Windows - Moveable Window Schematics - Right Hand Drive (without AER).cgm
Opel GM Astra J 2019 Wiring Diagrams - EWD - Body Systems - Horns and Pedestrian Alerts - Horn.cgm
Opel GM Astra J 2019 Wiring Diagrams - EWD - Body Systems - Lighting - Exterior Lights Schematics - Controls and Indicators.cgm
Opel GM Astra J 2019 Wiring Diagrams - EWD - Body Systems - Lighting - Exterior Lights Schematics - Left Turn Signal and Cornering Lamps.cgm
Opel GM Astra J 2019 Wiring Diagrams - EWD - Body Systems - Lighting - Exterior Lights Schematics - License and Backup Lamps.cgm
Opel GM Astra J 2019 Wiring Diagrams - EWD - Body Systems - Lighting - Exterior Lights Schematics - Park Lamps Left.cgm
Opel GM Astra J 2019 Wiring Diagrams - EWD - Body Systems - Lighting - Exterior Lights Schematics - Park Lamps Right.cgm
Opel GM Astra J 2019 Wiring Diagrams - EWD - Body Systems - Lighting - Exterior Lights Schematics - Rear Multifunction Carrier (D8G).cgm
Opel GM Astra J 2019 Wiring Diagrams - EWD - Body Systems - Lighting - Exterior Lights Schematics - Rear Multifunction Carrier (D9Y).cgm
Opel GM Astra J 2019 Wiring Diagrams - EWD - Body Systems - Lighting - Exterior Lights Schematics - Right Turn Signal and Cornering Lamps.cgm
Opel GM Astra J 2019 Wiring Diagrams - EWD - Body Systems - Lighting - Exterior Lights Schematics - Stop and Tail Lamps.cgm
Opel GM Astra J 2019 Wiring Diagrams - EWD - Body Systems - Lighting - Fog Lights Schematics - Front and Rear Fog Lights.cgm
Opel GM Astra J 2019 Wiring Diagrams - EWD - Body Systems - Lighting - Headlights Daytime Running Lights (DRL) Schematics - Adaptive Forward Lighting (T4F or T95 with HB3).cgm
Opel GM Astra J 2019 Wiring Diagrams - EWD - Body Systems - Lighting - Headlights Daytime Running Lights (DRL) Schematics - Adaptive Forward Lighting (T4F or T95 without HB3).cgm
Opel GM Astra J 2019 Wiring Diagrams - EWD - Body Systems - Lighting - Headlights Daytime Running Lights (DRL) Schematics - Daytime Running Lights (T4F with T95).cgm
Opel GM Astra J 2019 Wiring Diagrams - EWD - Body Systems - Lighting - Headlights Daytime Running Lights (DRL) Schematics - Headlamp Leveling (T4A).cgm
Opel GM Astra J 2019 Wiring Diagrams - EWD - Body Systems - Lighting - Headlights Daytime Running Lights (DRL) Schematics - Headlamp Leveling and Steering (T4F with T95).cgm
Opel GM Astra J 2019 Wiring Diagrams - EWD - Body Systems - Lighting - Headlights Daytime Running Lights (DRL) Schematics - High Beams (T4F with T95).cgm
Opel GM Astra J 2019 Wiring Diagrams - EWD - Body Systems - Lighting - Headlights Daytime Running Lights (DRL) Schematics - Low and High Beams and Daytime Running Lights (HB3 with T4A).cgm
Opel GM Astra J 2019 Wiring Diagrams - EWD - Body Systems - Lighting - Headlights Daytime Running Lights (DRL) Schematics - Low and High Beams and Daytime Running Lights (Not HB3 with T4A).cgm
Opel GM Astra J 2019 Wiring Diagrams - EWD - Body Systems - Lighting - Headlights Daytime Running Lights (DRL) Schematics - Switches and Inputs.cgm
Opel GM Astra J 2019 Wiring Diagrams - EWD - Body Systems - Lighting - Interior Lights Dimming Schematics - Accent Lamps (C9B).cgm
Opel GM Astra J 2019 Wiring Diagrams - EWD - Body Systems - Lighting - Interior Lights Dimming Schematics - Dimmer Switch and Window Switches.cgm
Opel GM Astra J 2019 Wiring Diagrams - EWD - Body Systems - Lighting - Interior Lights Dimming Schematics - Dome and Sunroof Switches.cgm
Opel GM Astra J 2019 Wiring Diagrams - EWD - Body Systems - Lighting - Interior Lights Dimming Schematics - Instrument Panel (1 of 2), Steering Wheel Switches and Accessory Power Receptacle.cgm
Opel GM Astra J 2019 Wiring Diagrams - EWD - Body Systems - Lighting - Interior Lights Dimming Schematics - Instrument Panel Switches (2 of 2).cgm
Opel GM Astra J 2019 Wiring Diagrams - EWD - Body Systems - Lighting - Interior Lights Schematics - Dome Reading and Rear Compartment Lamps.cgm
Opel GM Astra J 2019 Wiring Diagrams - EWD - Body Systems - Lighting - Interior Lights Schematics - Instrument Panel Compartment, Dome Reading and Sunshade Lamps.cgm
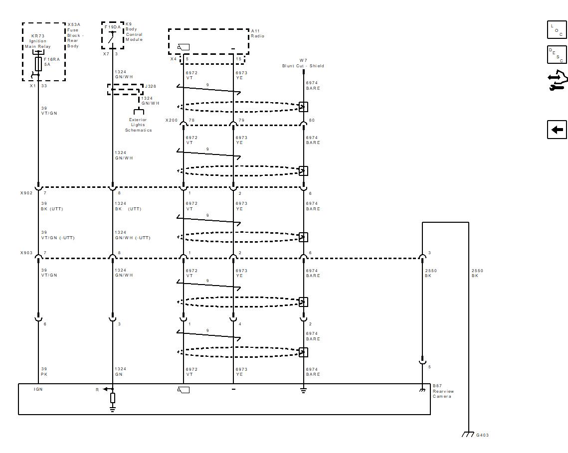
Opel GM Astra J 2019 Wiring Diagrams - EWD - Body Systems - Mirrors - Inside Rearview Mirror Schematics - Inside Rearview Mirror (UE1).cgm
Opel GM Astra J 2019 Wiring Diagrams - EWD - Body Systems - Mirrors - Inside Rearview Mirror Schematics - Inside Rearview Mirror (UI3).cgm
Opel GM Astra J 2019 Wiring Diagrams - EWD - Body Systems - Mirrors - Inside Rearview Mirror Schematics - Inside Rearview Mirror (Without UE1 UI3).cgm
Opel GM Astra J 2019 Wiring Diagrams - EWD - Body Systems - Mirrors - Outside Rearview Mirror Schematics - Heated Mirrors (DWE or DWF).cgm
Opel GM Astra J 2019 Wiring Diagrams - EWD - Body Systems - Mirrors - Outside Rearview Mirror Schematics - Left Hand Drive (DWF).cgm
Opel GM Astra J 2019 Wiring Diagrams - EWD - Body Systems - Mirrors - Outside Rearview Mirror Schematics - Left Hand Drive (without DWF).cgm
Opel GM Astra J 2019 Wiring Diagrams - EWD - Body Systems - Mirrors - Outside Rearview Mirror Schematics - Right Hand Drive (DWF).cgm
Opel GM Astra J 2019 Wiring Diagrams - EWD - Body Systems - Mirrors - Outside Rearview Mirror Schematics - Right Hand Drive (without DWF).cgm
Opel GM Astra J 2019 Wiring Diagrams - EWD - Body Systems - Vehicle Access - Door Lock Indicator Schematics - Actuators.cgm
Opel GM Astra J 2019 Wiring Diagrams - EWD - Body Systems - Vehicle Access - Door Lock Indicator Schematics - Controls.cgm
Opel GM Astra J 2019 Wiring Diagrams - EWD - Body Systems - Vehicle Access - Door Lock Indicator Schematics - Indicators.cgm
Opel GM Astra J 2019 Wiring Diagrams - EWD - Body Systems - Vehicle Access - Release Systems Schematics - Fuel Door.cgm
Opel GM Astra J 2019 Wiring Diagrams - EWD - Body Systems - Vehicle Access - Release Systems Schematics - Liftgate Release.cgm
Opel GM Astra J 2019 Wiring Diagrams - EWD - Body Systems - Wipers and Washers - Front Wipers.cgm
Opel GM Astra J 2019 Wiring Diagrams - EWD - Body Systems - Wipers and Washers - Headlamp Washers.cgm
Opel GM Astra J 2019 Wiring Diagrams - EWD - Body Systems - Wipers and Washers - Rear Wipers.cgm
Opel GM Astra J 2019 Wiring Diagrams - EWD - Body Systems - Wipers and Washers - Windshield and Rear Window Washers.cgm
Opel GM Astra J 2019 Wiring Diagrams - EWD - Brakes - Antilock Brake System Schematics - Power, Ground and Serial Data.cgm
Opel GM Astra J 2019 Wiring Diagrams - EWD - Brakes - Antilock Brake System Schematics - Sensors.cgm
Opel GM Astra J 2019 Wiring Diagrams - EWD - Brakes - Hydraulic Brakes - Hydraulic Brakes (LHD).cgm
Opel GM Astra J 2019 Wiring Diagrams - EWD - Brakes - Hydraulic Brakes - Hydraulic Brakes (RHD).cgm
Opel GM Astra J 2019 Wiring Diagrams - EWD - Brakes - Park Brake - Park Brake (J71).cgm
Opel GM Astra J 2019 Wiring Diagrams - EWD - Driver Information and Entertainment - Cellular, Entertainment, and Navigation - Cellular Telephone Schematics - Audio Input and Microphone OnStar (UE1).cgm
Opel GM Astra J 2019 Wiring Diagrams - EWD - Driver Information and Entertainment - Cellular, Entertainment, and Navigation - Cellular Telephone Schematics - Power, Ground, Radio and Microphone.cgm
Opel GM Astra J 2019 Wiring Diagrams - EWD - Driver Information and Entertainment - Cellular, Entertainment, and Navigation - OnStar Telematics Schematics - OnStar Telematics Schematics (UE1).cgm
Opel GM Astra J 2019 Wiring Diagrams - EWD - Driver Information and Entertainment - Cellular, Entertainment, and Navigation - OnStar Telematics Schematics - OnStar Telematics Schematics (UI3).cgm
Opel GM Astra J 2019 Wiring Diagrams - EWD - Driver Information and Entertainment - Cellular, Entertainment, and Navigation - OnStar Telematics Schematics - Power, Ground, Serial Data and Antenna OnStar (UE1 UI3).cgm
Opel GM Astra J 2019 Wiring Diagrams - EWD - Driver Information and Entertainment - Cellular, Entertainment, and Navigation - Radio Navigation System Schematics - Amplifier (UQA).cgm
Opel GM Astra J 2019 Wiring Diagrams - EWD - Driver Information and Entertainment - Cellular, Entertainment, and Navigation - Radio Navigation System Schematics - Antennas.cgm
Opel GM Astra J 2019 Wiring Diagrams - EWD - Driver Information and Entertainment - Cellular, Entertainment, and Navigation - Radio Navigation System Schematics - Auxiliary Inputs (TTX with KTA).cgm
Opel GM Astra J 2019 Wiring Diagrams - EWD - Driver Information and Entertainment - Cellular, Entertainment, and Navigation - Radio Navigation System Schematics - Auxiliary Inputs (UFW,UHR or TTX without KTA).cgm
Opel GM Astra J 2019 Wiring Diagrams - EWD - Driver Information and Entertainment - Cellular, Entertainment, and Navigation - Radio Navigation System Schematics - Digital Radio Receiver (U4D).cgm
Opel GM Astra J 2019 Wiring Diagrams - EWD - Driver Information and Entertainment - Cellular, Entertainment, and Navigation - Radio Navigation System Schematics - Mobile Navigation Device (E84).cgm
Opel GM Astra J 2019 Wiring Diagrams - EWD - Driver Information and Entertainment - Cellular, Entertainment, and Navigation - Radio Navigation System Schematics - Navigation System (UDN).cgm
Opel GM Astra J 2019 Wiring Diagrams - EWD - Driver Information and Entertainment - Cellular, Entertainment, and Navigation - Radio Navigation System Schematics - Power, Ground and Serial Data.cgm
Opel GM Astra J 2019 Wiring Diagrams - EWD - Driver Information and Entertainment - Cellular, Entertainment, and Navigation - Radio Navigation System Schematics - Radio System (UAG or UFD).cgm
Opel GM Astra J 2019 Wiring Diagrams - EWD - Driver Information and Entertainment - Cellular, Entertainment, and Navigation - Radio Navigation System Schematics - Speakers (UQA).cgm
Opel GM Astra J 2019 Wiring Diagrams - EWD - Driver Information and Entertainment - Cellular, Entertainment, and Navigation - Radio Navigation System Schematics - Speakers (UW4, UW6 or UZ6).cgm
Opel GM Astra J 2019 Wiring Diagrams - EWD - Driver Information and Entertainment - Cellular, Entertainment, and Navigation - Radio Navigation System Schematics - Voice Navigation (UP9 without UPH or UPI).cgm
Opel GM Astra J 2019 Wiring Diagrams - EWD - Driver Information and Entertainment - Displays and Gauges - Audible Warnings Schematics - Chime Alarm.cgm
Opel GM Astra J 2019 Wiring Diagrams - EWD - Driver Information and Entertainment - Displays and Gauges - Instrument Cluster Schematics - Ambient Air Temperature Sensor and Driver Information.cgm
Opel GM Astra J 2019 Wiring Diagrams - EWD - Driver Information and Entertainment - Displays and Gauges - Instrument Cluster Schematics - Gauges.cgm
Opel GM Astra J 2019 Wiring Diagrams - EWD - Driver Information and Entertainment - Displays and Gauges - Instrument Cluster Schematics - Indicators.cgm
Opel GM Astra J 2019 Wiring Diagrams - EWD - Driver Information and Entertainment - Image Display Cameras - Rear Vision Camera (UVC+35).cgm
Opel GM Astra J 2019 Wiring Diagrams - EWD - Driver Information and Entertainment - Image Display Cameras - Rear Vision Camera (UVC+68).cgm
Opel GM Astra J 2019 Wiring Diagrams - EWD - Driver Information and Entertainment - Secondary and Configurable Customer Controls - Steering Wheel Controls.cgm
Opel GM Astra J 2019 Wiring Diagrams - EWD - Engine - 1.4L (LUJ) - 12 V Starting and Charging - Charging (KL9).cgm
Opel GM Astra J 2019 Wiring Diagrams - EWD - Engine - 1.4L (LUJ) - 12 V Starting and Charging - Charging (without KL9).cgm
Opel GM Astra J 2019 Wiring Diagrams - EWD - Engine - 1.4L (LUJ) - 12 V Starting and Charging - Starting.cgm
Opel GM Astra J 2019 Wiring Diagrams - EWD - Engine - 1.4L (LUJ) - 12 V Starting and Charging - Stop Start System (KL9).cgm
Opel GM Astra J 2019 Wiring Diagrams - EWD - Engine - 1.4L (LUJ) - Cruise Control - Cruise Control.cgm
Opel GM Astra J 2019 Wiring Diagrams - EWD - Engine - 1.4L (LUJ) - Engine Controls and Fuel - 1.4L (LUJ) Gasoline or LPG - 5V1, 5V2 and Low Reference Bus (LDD with 5EA or LUJ) (1 of 2).cgm
Opel GM Astra J 2019 Wiring Diagrams - EWD - Engine - 1.4L (LUJ) - Engine Controls and Fuel - 1.4L (LUJ) Gasoline or LPG - 5V1, 5V2 and Low Reference Bus (LDD without 5EA) (1 of 2).cgm
Opel GM Astra J 2019 Wiring Diagrams - EWD - Engine - 1.4L (LUJ) - Engine Controls and Fuel - 1.4L (LUJ) Gasoline or LPG - 5V3, 5V4 and Low Reference Bus (LDD with 5EA or LUJ) (2 of 2).cgm
Opel GM Astra J 2019 Wiring Diagrams - EWD - Engine - 1.4L (LUJ) - Engine Controls and Fuel - 1.4L (LUJ) Gasoline or LPG - 5V3, 5V4 and Low Reference Bus (LDD without 5EA) (2 of 2).cgm
Opel GM Astra J 2019 Wiring Diagrams - EWD - Engine - 1.4L (LUJ) - Engine Controls and Fuel - 1.4L (LUJ) Gasoline or LPG - Barometric Pressure, Intake Pressure and Air Temperature Sensors (LUJ).cgm
Opel GM Astra J 2019 Wiring Diagrams - EWD - Engine - 1.4L (LUJ) - Engine Controls and Fuel - 1.4L (LUJ) Gasoline or LPG - Camshaft and Crankshaft Sensors and Actuators and Knock Sensor (LDD with 5EA or LUJ).cgm
Opel GM Astra J 2019 Wiring Diagrams - EWD - Engine - 1.4L (LUJ) - Engine Controls and Fuel - 1.4L (LUJ) Gasoline or LPG - Camshaft and Crankshaft Sensors and Actuators and Knock Sensor (LDD without 5EA).cgm
Opel GM Astra J 2019 Wiring Diagrams - EWD - Engine - 1.4L (LUJ) - Engine Controls and Fuel - 1.4L (LUJ) Gasoline or LPG - Controlled Monitored Subsystem References (LDD with 5EA or LUJ).cgm
Opel GM Astra J 2019 Wiring Diagrams - EWD - Engine - 1.4L (LUJ) - Engine Controls and Fuel - 1.4L (LUJ) Gasoline or LPG - Controlled Monitored Subsystem References (LDD without 5EA).cgm
Opel GM Astra J 2019 Wiring Diagrams - EWD - Engine - 1.4L (LUJ) - Engine Controls and Fuel - 1.4L (LUJ) Gasoline or LPG - Fuel Controls - Fuel Injectors (LUJ with KL7).cgm
Opel GM Astra J 2019 Wiring Diagrams - EWD - Engine - 1.4L (LUJ) - Engine Controls and Fuel - 1.4L (LUJ) Gasoline or LPG - Fuel Injector Control Module - Sensors and Switches (LUJ with KL7).cgm
Opel GM Astra J 2019 Wiring Diagrams - EWD - Engine - 1.4L (LUJ) - Engine Controls and Fuel - 1.4L (LUJ) Gasoline or LPG - Fuel Injectors and Ignition Controls (LDD with 5EA or LUJ).cgm
Opel GM Astra J 2019 Wiring Diagrams - EWD - Engine - 1.4L (LUJ) - Engine Controls and Fuel - 1.4L (LUJ) Gasoline or LPG - Fuel Pump, Fuel Injectors and Ignition Controls (LDD without 5EA).cgm
Opel GM Astra J 2019 Wiring Diagrams - EWD - Engine - 1.4L (LUJ) - Engine Controls and Fuel - 1.4L (LUJ) Gasoline or LPG - Module Power, Ground, Serial Data and MIL (LDD with 5EA or LUJ).cgm
Opel GM Astra J 2019 Wiring Diagrams - EWD - Engine - 1.4L (LUJ) - Engine Controls and Fuel - 1.4L (LUJ) Gasoline or LPG - Module Power, Ground, Serial Data, and MIL (LDD without 5EA).cgm
Opel GM Astra J 2019 Wiring Diagrams - EWD - Engine - 1.4L (LUJ) - Engine Controls and Fuel - 1.4L (LUJ) Gasoline or LPG - Oxygen Sensors and Evaporative Emission Controls (LDD with 5EA or LUJ).cgm
Opel GM Astra J 2019 Wiring Diagrams - EWD - Engine - 1.4L (LUJ) - Engine Controls and Fuel - 1.4L (LUJ) Gasoline or LPG - Oxygen Sensors and Evaporative Emission Controls (LDD without 5EA).cgm
Opel GM Astra J 2019 Wiring Diagrams - EWD - Engine - 1.4L (LUJ) - Engine Controls and Fuel - 1.4L (LUJ) Gasoline or LPG - Pressure and Temperature Sensors (LDD without 5EA).cgm
Opel GM Astra J 2019 Wiring Diagrams - EWD - Engine - 1.4L (LUJ) - Engine Controls and Fuel - 1.4L (LUJ) Gasoline or LPG - Pressure and Temperature Sensors (LUJ with 5EA or LDD).cgm
Opel GM Astra J 2019 Wiring Diagrams - EWD - Engine - 1.4L (LUJ) - Engine Controls and Fuel - 1.4L (LUJ) Gasoline or LPG - Pressure and Temperature Sensors (LUJ without 5EA).cgm
Opel GM Astra J 2019 Wiring Diagrams - EWD - Engine - 1.4L (LUJ) - Engine Controls and Fuel - 1.4L (LUJ) Gasoline or LPG - Throttle Controls (LDD with 5EA or LUJ).cgm
Opel GM Astra J 2019 Wiring Diagrams - EWD - Engine - 1.4L (LUJ) - Engine Controls and Fuel - 1.4L (LUJ) Gasoline or LPG - Throttle Controls (LDD without 5EA).cgm
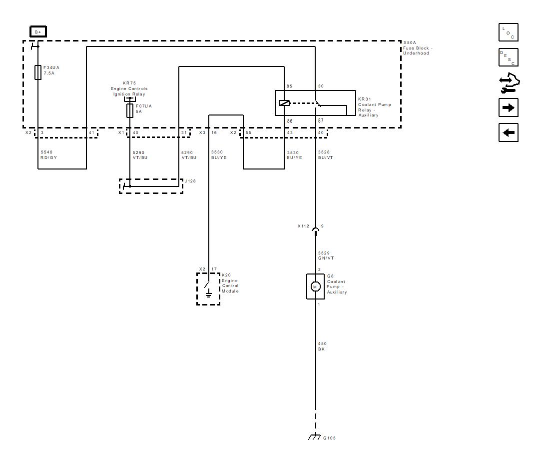
Opel GM Astra J 2019 Wiring Diagrams - EWD - Engine - 1.4L (LUJ) - Engine Heating and Cooling - Coolant Pump - Auxiliary (LWC).cgm
Opel GM Astra J 2019 Wiring Diagrams - EWD - Engine - 1.4L (LUJ) - Engine Heating and Cooling - Coolant Pump Clutch (LVL or LVM).cgm
Opel GM Astra J 2019 Wiring Diagrams - EWD - Engine - 1.4L (LUJ) - Engine Heating and Cooling - Diesel (LVL or LVM).cgm
Opel GM Astra J 2019 Wiring Diagrams - EWD - Engine - 1.4L (LUJ) - Engine Heating and Cooling - Gas.cgm
Opel GM Astra J 2019 Wiring Diagrams - EWD - Engine - 1.6L (LDE) - 12 V Starting and Charging - Charging (KL9).cgm
Opel GM Astra J 2019 Wiring Diagrams - EWD - Engine - 1.6L (LDE) - 12 V Starting and Charging - Charging (without KL9).cgm
Opel GM Astra J 2019 Wiring Diagrams - EWD - Engine - 1.6L (LDE) - 12 V Starting and Charging - Starting.cgm
Opel GM Astra J 2019 Wiring Diagrams - EWD - Engine - 1.6L (LDE) - 12 V Starting and Charging - Stop Start System (KL9).cgm
Opel GM Astra J 2019 Wiring Diagrams - EWD - Engine - 1.6L (LDE) - Cruise Control - Cruise Control.cgm
Opel GM Astra J 2019 Wiring Diagrams - EWD - Engine - 1.6L (LDE) - Engine Controls and Fuel - 1.6L (LDE, LLU) - 5V1, 5V2 and Low Reference Bus (LDE with KL9) (1 of 2).cgm
Opel GM Astra J 2019 Wiring Diagrams - EWD - Engine - 1.6L (LDE) - Engine Controls and Fuel - 1.6L (LDE, LLU) - 5V1, 5V2 and Low Reference Bus (LLU) (1 of 2).cgm
Opel GM Astra J 2019 Wiring Diagrams - EWD - Engine - 1.6L (LDE) - Engine Controls and Fuel - 1.6L (LDE, LLU) - 5V1, 5V2 and Low Reference Busses (LDE without KL9 or 2H0) (1 of 2).cgm
Opel GM Astra J 2019 Wiring Diagrams - EWD - Engine - 1.6L (LDE) - Engine Controls and Fuel - 1.6L (LDE, LLU) - 5V3, 5V4 and Low Reference Bus (LDE with KL9) (2 of 2).cgm
Opel GM Astra J 2019 Wiring Diagrams - EWD - Engine - 1.6L (LDE) - Engine Controls and Fuel - 1.6L (LDE, LLU) - 5V3, 5V4 and Low Reference Bus (LLU) (2 of 2).cgm
Opel GM Astra J 2019 Wiring Diagrams - EWD - Engine - 1.6L (LDE) - Engine Controls and Fuel - 1.6L (LDE, LLU) - 5V3, 5V4 and Low Reference Busses (LDE without KL9 or 2H0) (2 of 2).cgm
Opel GM Astra J 2019 Wiring Diagrams - EWD - Engine - 1.6L (LDE) - Engine Controls and Fuel - 1.6L (LDE, LLU) - Barometric Pressure, Intake Pressure and Air Temperature Sensors (LLU).cgm
Opel GM Astra J 2019 Wiring Diagrams - EWD - Engine - 1.6L (LDE) - Engine Controls and Fuel - 1.6L (LDE, LLU) - Camshaft and Crankshaft Sensors and Actuators, Knock Sensor (LDE with KL9).cgm
Opel GM Astra J 2019 Wiring Diagrams - EWD - Engine - 1.6L (LDE) - Engine Controls and Fuel - 1.6L (LDE, LLU) - Camshaft, Crankshaft and Knock Sensors (LLU).cgm
Opel GM Astra J 2019 Wiring Diagrams - EWD - Engine - 1.6L (LDE) - Engine Controls and Fuel - 1.6L (LDE, LLU) - Controlled Monitored Subsystem References (LDE with KL9).cgm
Opel GM Astra J 2019 Wiring Diagrams - EWD - Engine - 1.6L (LDE) - Engine Controls and Fuel - 1.6L (LDE, LLU) - Controlled Monitored Subsystem References (LDE without KL9 or 2H0).cgm
Opel GM Astra J 2019 Wiring Diagrams - EWD - Engine - 1.6L (LDE) - Engine Controls and Fuel - 1.6L (LDE, LLU) - Controlled Monitored Subsystem References (LLU).cgm
Opel GM Astra J 2019 Wiring Diagrams - EWD - Engine - 1.6L (LDE) - Engine Controls and Fuel - 1.6L (LDE, LLU) - Engine Data Sensors - Camshaft, Crankshaft, Knock and Camshaft Actuators (LDE without KL9 or 2H0).cgm
Opel GM Astra J 2019 Wiring Diagrams - EWD - Engine - 1.6L (LDE) - Engine Controls and Fuel - 1.6L (LDE, LLU) - Engine Data Sensors - Oxygen Sensors and Evaporative Controls (LDE without KL9 or 2H0).cgm
Opel GM Astra J 2019 Wiring Diagrams - EWD - Engine - 1.6L (LDE) - Engine Controls and Fuel - 1.6L (LDE, LLU) - Engine Data Sensors - Oxygen Sensors and Evaporative Controls (LLU).cgm
Opel GM Astra J 2019 Wiring Diagrams - EWD - Engine - 1.6L (LDE) - Engine Controls and Fuel - 1.6L (LDE, LLU) - Engine Data Sensors - Pressure and Temperature and Thermostat Heater (LDE without KL9 or 2H0).cgm
Opel GM Astra J 2019 Wiring Diagrams - EWD - Engine - 1.6L (LDE) - Engine Controls and Fuel - 1.6L (LDE, LLU) - Engine Data Sensors - Throttle Controls (LDE without KL9 or 2H0).cgm
Opel GM Astra J 2019 Wiring Diagrams - EWD - Engine - 1.6L (LDE) - Engine Controls and Fuel - 1.6L (LDE, LLU) - Fuel Controls - Fuel Injectors and Ignition Controls (LDE without KL9 or 2H0).cgm
Opel GM Astra J 2019 Wiring Diagrams - EWD - Engine - 1.6L (LDE) - Engine Controls and Fuel - 1.6L (LDE, LLU) - Fuel Injectors and Ignition Controls (LDE with KL9).cgm
Opel GM Astra J 2019 Wiring Diagrams - EWD - Engine - 1.6L (LDE) - Engine Controls and Fuel - 1.6L (LDE, LLU) - Fuel Pump, Fuel Injectors and Ignition Controls (LLU).cgm
Opel GM Astra J 2019 Wiring Diagrams - EWD - Engine - 1.6L (LDE) - Engine Controls and Fuel - 1.6L (LDE, LLU) - Module Power, Ground, Data Communication and MIL (LDE without KL9 or 2H0).cgm
Opel GM Astra J 2019 Wiring Diagrams - EWD - Engine - 1.6L (LDE) - Engine Controls and Fuel - 1.6L (LDE, LLU) - Module Power, Ground, Serial Data and MIL (LDE with KL9).cgm
Opel GM Astra J 2019 Wiring Diagrams - EWD - Engine - 1.6L (LDE) - Engine Controls and Fuel - 1.6L (LDE, LLU) - Module Power, Ground, Serial Data and MIL (LLU).cgm
Opel GM Astra J 2019 Wiring Diagrams - EWD - Engine - 1.6L (LDE) - Engine Controls and Fuel - 1.6L (LDE, LLU) - Oxygen Sensors and Evaporative Emission Controls (LDE with KL9).cgm
Opel GM Astra J 2019 Wiring Diagrams - EWD - Engine - 1.6L (LDE) - Engine Controls and Fuel - 1.6L (LDE, LLU) - Pressure and Temperature Sensors (LDE with KL9).cgm
Opel GM Astra J 2019 Wiring Diagrams - EWD - Engine - 1.6L (LDE) - Engine Controls and Fuel - 1.6L (LDE, LLU) - Pressure and Temperature Sensors (LLU).cgm
Opel GM Astra J 2019 Wiring Diagrams - EWD - Engine - 1.6L (LDE) - Engine Controls and Fuel - 1.6L (LDE, LLU) - Throttle Controls (LDE with KL9).cgm
Opel GM Astra J 2019 Wiring Diagrams - EWD - Engine - 1.6L (LDE) - Engine Controls and Fuel - 1.6L (LDE, LLU) - Throttle Controls (LLU).cgm
Opel GM Astra J 2019 Wiring Diagrams - EWD - Engine - 1.6L (LDE) - Engine Heating and Cooling - Coolant Pump - Auxiliary (LWC).cgm
Opel GM Astra J 2019 Wiring Diagrams - EWD - Engine - 1.6L (LDE) - Engine Heating and Cooling - Coolant Pump Clutch (LVL or LVM).cgm
Opel GM Astra J 2019 Wiring Diagrams - EWD - Engine - 1.6L (LDE) - Engine Heating and Cooling - Diesel (LVL or LVM).cgm
Opel GM Astra J 2019 Wiring Diagrams - EWD - Engine - 1.6L (LDE) - Engine Heating and Cooling - Gas.cgm
Opel GM Astra J 2019 Wiring Diagrams - EWD - Engine - 1.6L (LLU) - 12 V Starting and Charging - Charging (KL9).cgm
Opel GM Astra J 2019 Wiring Diagrams - EWD - Engine - 1.6L (LLU) - 12 V Starting and Charging - Charging (without KL9).cgm
Opel GM Astra J 2019 Wiring Diagrams - EWD - Engine - 1.6L (LLU) - 12 V Starting and Charging - Starting.cgm
Opel GM Astra J 2019 Wiring Diagrams - EWD - Engine - 1.6L (LLU) - 12 V Starting and Charging - Stop Start System (KL9).cgm
Opel GM Astra J 2019 Wiring Diagrams - EWD - Engine - 1.6L (LLU) - Cruise Control - Cruise Control.cgm
Opel GM Astra J 2019 Wiring Diagrams - EWD - Engine - 1.6L (LLU) - Engine Controls and Fuel - 1.6L (LDE, LLU) - 5V1, 5V2 and Low Reference Bus (LDE with KL9) (1 of 2).cgm
Opel GM Astra J 2019 Wiring Diagrams - EWD - Engine - 1.6L (LLU) - Engine Controls and Fuel - 1.6L (LDE, LLU) - 5V1, 5V2 and Low Reference Bus (LLU) (1 of 2).cgm
Opel GM Astra J 2019 Wiring Diagrams - EWD - Engine - 1.6L (LLU) - Engine Controls and Fuel - 1.6L (LDE, LLU) - 5V1, 5V2 and Low Reference Busses (LDE without KL9 or 2H0) (1 of 2).cgm
Opel GM Astra J 2019 Wiring Diagrams - EWD - Engine - 1.6L (LLU) - Engine Controls and Fuel - 1.6L (LDE, LLU) - 5V3, 5V4 and Low Reference Bus (LDE with KL9) (2 of 2).cgm
Opel GM Astra J 2019 Wiring Diagrams - EWD - Engine - 1.6L (LLU) - Engine Controls and Fuel - 1.6L (LDE, LLU) - 5V3, 5V4 and Low Reference Bus (LLU) (2 of 2).cgm
Opel GM Astra J 2019 Wiring Diagrams - EWD - Engine - 1.6L (LLU) - Engine Controls and Fuel - 1.6L (LDE, LLU) - 5V3, 5V4 and Low Reference Busses (LDE without KL9 or 2H0) (2 of 2).cgm
Opel GM Astra J 2019 Wiring Diagrams - EWD - Engine - 1.6L (LLU) - Engine Controls and Fuel - 1.6L (LDE, LLU) - Barometric Pressure, Intake Pressure and Air Temperature Sensors (LLU).cgm
Opel GM Astra J 2019 Wiring Diagrams - EWD - Engine - 1.6L (LLU) - Engine Controls and Fuel - 1.6L (LDE, LLU) - Camshaft and Crankshaft Sensors and Actuators, Knock Sensor (LDE with KL9).cgm
Opel GM Astra J 2019 Wiring Diagrams - EWD - Engine - 1.6L (LLU) - Engine Controls and Fuel - 1.6L (LDE, LLU) - Camshaft, Crankshaft and Knock Sensors (LLU).cgm
Opel GM Astra J 2019 Wiring Diagrams - EWD - Engine - 1.6L (LLU) - Engine Controls and Fuel - 1.6L (LDE, LLU) - Controlled Monitored Subsystem References (LDE with KL9).cgm
Opel GM Astra J 2019 Wiring Diagrams - EWD - Engine - 1.6L (LLU) - Engine Controls and Fuel - 1.6L (LDE, LLU) - Controlled Monitored Subsystem References (LDE without KL9 or 2H0).cgm
Opel GM Astra J 2019 Wiring Diagrams - EWD - Engine - 1.6L (LLU) - Engine Controls and Fuel - 1.6L (LDE, LLU) - Controlled Monitored Subsystem References (LLU).cgm
Opel GM Astra J 2019 Wiring Diagrams - EWD - Engine - 1.6L (LLU) - Engine Controls and Fuel - 1.6L (LDE, LLU) - Engine Data Sensors - Camshaft, Crankshaft, Knock and Camshaft Actuators (LDE without KL9 or 2H0).cgm
Opel GM Astra J 2019 Wiring Diagrams - EWD - Engine - 1.6L (LLU) - Engine Controls and Fuel - 1.6L (LDE, LLU) - Engine Data Sensors - Oxygen Sensors and Evaporative Controls (LDE without KL9 or 2H0).cgm
Opel GM Astra J 2019 Wiring Diagrams - EWD - Engine - 1.6L (LLU) - Engine Controls and Fuel - 1.6L (LDE, LLU) - Engine Data Sensors - Oxygen Sensors and Evaporative Controls (LLU).cgm
Opel GM Astra J 2019 Wiring Diagrams - EWD - Engine - 1.6L (LLU) - Engine Controls and Fuel - 1.6L (LDE, LLU) - Engine Data Sensors - Pressure and Temperature and Thermostat Heater (LDE without KL9 or 2H0).cgm
Opel GM Astra J 2019 Wiring Diagrams - EWD - Engine - 1.6L (LLU) - Engine Controls and Fuel - 1.6L (LDE, LLU) - Engine Data Sensors - Throttle Controls (LDE without KL9 or 2H0).cgm
Opel GM Astra J 2019 Wiring Diagrams - EWD - Engine - 1.6L (LLU) - Engine Controls and Fuel - 1.6L (LDE, LLU) - Fuel Controls - Fuel Injectors and Ignition Controls (LDE without KL9 or 2H0).cgm
Opel GM Astra J 2019 Wiring Diagrams - EWD - Engine - 1.6L (LLU) - Engine Controls and Fuel - 1.6L (LDE, LLU) - Fuel Injectors and Ignition Controls (LDE with KL9).cgm
Opel GM Astra J 2019 Wiring Diagrams - EWD - Engine - 1.6L (LLU) - Engine Controls and Fuel - 1.6L (LDE, LLU) - Fuel Pump, Fuel Injectors and Ignition Controls (LLU).cgm
Opel GM Astra J 2019 Wiring Diagrams - EWD - Engine - 1.6L (LLU) - Engine Controls and Fuel - 1.6L (LDE, LLU) - Module Power, Ground, Data Communication and MIL (LDE without KL9 or 2H0).cgm
Opel GM Astra J 2019 Wiring Diagrams - EWD - Engine - 1.6L (LLU) - Engine Controls and Fuel - 1.6L (LDE, LLU) - Module Power, Ground, Serial Data and MIL (LDE with KL9).cgm
Opel GM Astra J 2019 Wiring Diagrams - EWD - Engine - 1.6L (LLU) - Engine Controls and Fuel - 1.6L (LDE, LLU) - Module Power, Ground, Serial Data and MIL (LLU).cgm
Opel GM Astra J 2019 Wiring Diagrams - EWD - Engine - 1.6L (LLU) - Engine Controls and Fuel - 1.6L (LDE, LLU) - Oxygen Sensors and Evaporative Emission Controls (LDE with KL9).cgm
Opel GM Astra J 2019 Wiring Diagrams - EWD - Engine - 1.6L (LLU) - Engine Controls and Fuel - 1.6L (LDE, LLU) - Pressure and Temperature Sensors (LDE with KL9).cgm
Opel GM Astra J 2019 Wiring Diagrams - EWD - Engine - 1.6L (LLU) - Engine Controls and Fuel - 1.6L (LDE, LLU) - Pressure and Temperature Sensors (LLU).cgm
Opel GM Astra J 2019 Wiring Diagrams - EWD - Engine - 1.6L (LLU) - Engine Controls and Fuel - 1.6L (LDE, LLU) - Throttle Controls (LDE with KL9).cgm
Opel GM Astra J 2019 Wiring Diagrams - EWD - Engine - 1.6L (LLU) - Engine Controls and Fuel - 1.6L (LDE, LLU) - Throttle Controls (LLU).cgm
Opel GM Astra J 2019 Wiring Diagrams - EWD - Engine - 1.6L (LLU) - Engine Heating and Cooling - Coolant Pump - Auxiliary (LWC).cgm
Opel GM Astra J 2019 Wiring Diagrams - EWD - Engine - 1.6L (LLU) - Engine Heating and Cooling - Coolant Pump Clutch (LVL or LVM).cgm
Opel GM Astra J 2019 Wiring Diagrams - EWD - Engine - 1.6L (LLU) - Engine Heating and Cooling - Diesel (LVL or LVM).cgm
Opel GM Astra J 2019 Wiring Diagrams - EWD - Engine - 1.6L (LLU) - Engine Heating and Cooling - Gas.cgm
Opel GM Astra J 2019 Wiring Diagrams - EWD - Engine - 1.6L (LVL) - 12 V Starting and Charging - Charging (KL9).cgm
Opel GM Astra J 2019 Wiring Diagrams - EWD - Engine - 1.6L (LVL) - 12 V Starting and Charging - Charging (without KL9).cgm
Opel GM Astra J 2019 Wiring Diagrams - EWD - Engine - 1.6L (LVL) - 12 V Starting and Charging - Starting.cgm
Opel GM Astra J 2019 Wiring Diagrams - EWD - Engine - 1.6L (LVL) - 12 V Starting and Charging - Stop Start System (KL9).cgm
Opel GM Astra J 2019 Wiring Diagrams - EWD - Engine - 1.6L (LVL) - Cruise Control - Cruise Control.cgm
Opel GM Astra J 2019 Wiring Diagrams - EWD - Engine - 1.6L (LVL) - Engine Controls and Fuel - 1.6L (LVL, LVM) Diesel - 5V1 and Low Reference (LVL or LVM) (1 of 3).cgm
Opel GM Astra J 2019 Wiring Diagrams - EWD - Engine - 1.6L (LVL) - Engine Controls and Fuel - 1.6L (LVL, LVM) Diesel - 5V2 and Low Reference (LVL or LVM) (2 of 3).cgm
Opel GM Astra J 2019 Wiring Diagrams - EWD - Engine - 1.6L (LVL) - Engine Controls and Fuel - 1.6L (LVL, LVM) Diesel - Controlled Monitored Subsystem References (LVL or LVM).cgm
Opel GM Astra J 2019 Wiring Diagrams - EWD - Engine - 1.6L (LVL) - Engine Controls and Fuel - 1.6L (LVL, LVM) Diesel - Engine Data Sensors - Exhaust Controls (LVL or LVM).cgm
Opel GM Astra J 2019 Wiring Diagrams - EWD - Engine - 1.6L (LVL) - Engine Controls and Fuel - 1.6L (LVL, LVM) Diesel - Engine Data Sensors - Heated Oxygen Sensor and Intake Manifold Runner Control (LVL or LVM).cgm
Opel GM Astra J 2019 Wiring Diagrams - EWD - Engine - 1.6L (LVL) - Engine Controls and Fuel - 1.6L (LVL, LVM) Diesel - Engine Data Sensors - Oil Pressure Solenoid, Piston Cooling Oil Jet Solenoid, Camshaft and Crankshaft Sensors (LVL or LVM).cgm
Opel GM Astra J 2019 Wiring Diagrams - EWD - Engine - 1.6L (LVL) - Engine Controls and Fuel - 1.6L (LVL, LVM) Diesel - Engine Data Sensors - Pressure and Temperature (LVL or LVM).cgm
Opel GM Astra J 2019 Wiring Diagrams - EWD - Engine - 1.6L (LVL) - Engine Controls and Fuel - 1.6L (LVL, LVM) Diesel - Engine Data Sensors - Throttle and Turbocharger (LVL or LVM).cgm
Opel GM Astra J 2019 Wiring Diagrams - EWD - Engine - 1.6L (LVL) - Engine Controls and Fuel - 1.6L (LVL, LVM) Diesel - Fuel Controls - Fuel Pump, Fuel Injectors and Water in Fuel (LVL or LVM).cgm
Opel GM Astra J 2019 Wiring Diagrams - EWD - Engine - 1.6L (LVL) - Engine Controls and Fuel - 1.6L (LVL, LVM) Diesel - Fuel Controls - Glow Plugs, Pressure Sensors and Fuel Heater (LVL or LVM).cgm
Opel GM Astra J 2019 Wiring Diagrams - EWD - Engine - 1.6L (LVL) - Engine Controls and Fuel - 1.6L (LVL, LVM) Diesel - Low Reference Bus (LVL or LVM) (3 of 3).cgm
Opel GM Astra J 2019 Wiring Diagrams - EWD - Engine - 1.6L (LVL) - Engine Controls and Fuel - 1.6L (LVL, LVM) Diesel - Module Power, Ground, Serial Data and MIL (LVL or LVM).cgm
Opel GM Astra J 2019 Wiring Diagrams - EWD - Engine - 1.6L (LVL) - Engine Heating and Cooling - Coolant Pump - Auxiliary (LWC).cgm
Opel GM Astra J 2019 Wiring Diagrams - EWD - Engine - 1.6L (LVL) - Engine Heating and Cooling - Coolant Pump Clutch (LVL or LVM).cgm
Opel GM Astra J 2019 Wiring Diagrams - EWD - Engine - 1.6L (LVL) - Engine Heating and Cooling - Diesel (LVL or LVM).cgm
Opel GM Astra J 2019 Wiring Diagrams - EWD - Engine - 1.6L (LVL) - Engine Heating and Cooling - Gas.cgm
Opel GM Astra J 2019 Wiring Diagrams - EWD - Engine - 1.6L (LVL) - Engine Mechanical - 1.6L (LVL, LVM) Diesel - Engine Oil Level and Pressure Control (LVL or LVM).cgm
Opel GM Astra J 2019 Wiring Diagrams - EWD - Engine - 1.6L (LVM) - 12 V Starting and Charging - Charging (KL9).cgm
Opel GM Astra J 2019 Wiring Diagrams - EWD - Engine - 1.6L (LVM) - 12 V Starting and Charging - Charging (without KL9).cgm
Opel GM Astra J 2019 Wiring Diagrams - EWD - Engine - 1.6L (LVM) - 12 V Starting and Charging - Starting.cgm
Opel GM Astra J 2019 Wiring Diagrams - EWD - Engine - 1.6L (LVM) - 12 V Starting and Charging - Stop Start System (KL9).cgm
Opel GM Astra J 2019 Wiring Diagrams - EWD - Engine - 1.6L (LVM) - Cruise Control - Cruise Control.cgm
Opel GM Astra J 2019 Wiring Diagrams - EWD - Engine - 1.6L (LVM) - Engine Controls and Fuel - 1.6L (LVL, LVM) Diesel - 5V1 and Low Reference (LVL or LVM) (1 of 3).cgm
Opel GM Astra J 2019 Wiring Diagrams - EWD - Engine - 1.6L (LVM) - Engine Controls and Fuel - 1.6L (LVL, LVM) Diesel - 5V2 and Low Reference (LVL or LVM) (2 of 3).cgm
Opel GM Astra J 2019 Wiring Diagrams - EWD - Engine - 1.6L (LVM) - Engine Controls and Fuel - 1.6L (LVL, LVM) Diesel - Controlled Monitored Subsystem References (LVL or LVM).cgm
Opel GM Astra J 2019 Wiring Diagrams - EWD - Engine - 1.6L (LVM) - Engine Controls and Fuel - 1.6L (LVL, LVM) Diesel - Engine Data Sensors - Exhaust Controls (LVL or LVM).cgm
Opel GM Astra J 2019 Wiring Diagrams - EWD - Engine - 1.6L (LVM) - Engine Controls and Fuel - 1.6L (LVL, LVM) Diesel - Engine Data Sensors - Heated Oxygen Sensor and Intake Manifold Runner Control (LVL or LVM).cgm
Opel GM Astra J 2019 Wiring Diagrams - EWD - Engine - 1.6L (LVM) - Engine Controls and Fuel - 1.6L (LVL, LVM) Diesel - Engine Data Sensors - Oil Pressure Solenoid, Piston Cooling Oil Jet Solenoid, Camshaft and Crankshaft Sensors (LVL or LVM).cgm
Opel GM Astra J 2019 Wiring Diagrams - EWD - Engine - 1.6L (LVM) - Engine Controls and Fuel - 1.6L (LVL, LVM) Diesel - Engine Data Sensors - Pressure and Temperature (LVL or LVM).cgm
Opel GM Astra J 2019 Wiring Diagrams - EWD - Engine - 1.6L (LVM) - Engine Controls and Fuel - 1.6L (LVL, LVM) Diesel - Engine Data Sensors - Throttle and Turbocharger (LVL or LVM).cgm
Opel GM Astra J 2019 Wiring Diagrams - EWD - Engine - 1.6L (LVM) - Engine Controls and Fuel - 1.6L (LVL, LVM) Diesel - Fuel Controls - Fuel Pump, Fuel Injectors and Water in Fuel (LVL or LVM).cgm
Opel GM Astra J 2019 Wiring Diagrams - EWD - Engine - 1.6L (LVM) - Engine Controls and Fuel - 1.6L (LVL, LVM) Diesel - Fuel Controls - Glow Plugs, Pressure Sensors and Fuel Heater (LVL or LVM).cgm
Opel GM Astra J 2019 Wiring Diagrams - EWD - Engine - 1.6L (LVM) - Engine Controls and Fuel - 1.6L (LVL, LVM) Diesel - Low Reference Bus (LVL or LVM) (3 of 3).cgm
Opel GM Astra J 2019 Wiring Diagrams - EWD - Engine - 1.6L (LVM) - Engine Controls and Fuel - 1.6L (LVL, LVM) Diesel - Module Power, Ground, Serial Data and MIL (LVL or LVM).cgm
Opel GM Astra J 2019 Wiring Diagrams - EWD - Engine - 1.6L (LVM) - Engine Heating and Cooling - Coolant Pump - Auxiliary (LWC).cgm
Opel GM Astra J 2019 Wiring Diagrams - EWD - Engine - 1.6L (LVM) - Engine Heating and Cooling - Coolant Pump Clutch (LVL or LVM).cgm
Opel GM Astra J 2019 Wiring Diagrams - EWD - Engine - 1.6L (LVM) - Engine Heating and Cooling - Diesel (LVL or LVM).cgm
Opel GM Astra J 2019 Wiring Diagrams - EWD - Engine - 1.6L (LVM) - Engine Heating and Cooling - Gas.cgm
Opel GM Astra J 2019 Wiring Diagrams - EWD - Engine - 1.6L (LVM) - Engine Mechanical - 1.6L (LVL, LVM) Diesel - Engine Oil Level and Pressure Control (LVL or LVM).cgm
Opel GM Astra J 2019 Wiring Diagrams - EWD - Engine - 1.6L (LWC) - 12 V Starting and Charging - Charging (KL9).cgm
Opel GM Astra J 2019 Wiring Diagrams - EWD - Engine - 1.6L (LWC) - 12 V Starting and Charging - Charging (without KL9).cgm
Opel GM Astra J 2019 Wiring Diagrams - EWD - Engine - 1.6L (LWC) - 12 V Starting and Charging - Starting.cgm
Opel GM Astra J 2019 Wiring Diagrams - EWD - Engine - 1.6L (LWC) - 12 V Starting and Charging - Stop Start System (KL9).cgm
Opel GM Astra J 2019 Wiring Diagrams - EWD - Engine - 1.6L (LWC) - Cruise Control - Cruise Control.cgm
Opel GM Astra J 2019 Wiring Diagrams - EWD - Engine - 1.6L (LWC) - Engine Controls and Fuel - 1.6L (LWC) - 5V1, 5V2 and Low Reference Bus (LWC with NE4) (1 of 2).cgm
Opel GM Astra J 2019 Wiring Diagrams - EWD - Engine - 1.6L (LWC) - Engine Controls and Fuel - 1.6L (LWC) - 5V3, 5V4 and Low Reference Bus (LWC with NE4) (2 of 2).cgm
Opel GM Astra J 2019 Wiring Diagrams - EWD - Engine - 1.6L (LWC) - Engine Controls and Fuel - 1.6L (LWC) - Controlled Monitored Subsystem References (LWC with NE4).cgm
Opel GM Astra J 2019 Wiring Diagrams - EWD - Engine - 1.6L (LWC) - Engine Controls and Fuel - 1.6L (LWC) - Engine Data Sensors - Intake Air and Temperature Sensors (LWC with NE4).cgm
Opel GM Astra J 2019 Wiring Diagrams - EWD - Engine - 1.6L (LWC) - Engine Controls and Fuel - 1.6L (LWC) - Engine Data Sensors - Pressure and Oxygen Sensors and Thermostat Heater (LWC with NE4).cgm
Opel GM Astra J 2019 Wiring Diagrams - EWD - Engine - 1.6L (LWC) - Engine Controls and Fuel - 1.6L (LWC) - Engine Data Sensors - Throttle Controls (LWC with NE4).cgm
Opel GM Astra J 2019 Wiring Diagrams - EWD - Engine - 1.6L (LWC) - Engine Controls and Fuel - 1.6L (LWC) - Fuel Controls - Evaporative Emissions, Turbocharger Control and Engine Oil Pressure (LWC with NE4).cgm
Opel GM Astra J 2019 Wiring Diagrams - EWD - Engine - 1.6L (LWC) - Engine Controls and Fuel - 1.6L (LWC) - Fuel Controls - Fuel Injectors and High Pressure Control (LWC with NE4).cgm
Opel GM Astra J 2019 Wiring Diagrams - EWD - Engine - 1.6L (LWC) - Engine Controls and Fuel - 1.6L (LWC) - Fuel Controls - Fuel Pump (LWC with NE4).cgm
Opel GM Astra J 2019 Wiring Diagrams - EWD - Engine - 1.6L (LWC) - Engine Controls and Fuel - 1.6L (LWC) - Ignition Controls - Camshaft, Crankshaft and Knock Sensors, Camshaft Actuators (LWC with NE4).cgm
Opel GM Astra J 2019 Wiring Diagrams - EWD - Engine - 1.6L (LWC) - Engine Controls and Fuel - 1.6L (LWC) - Ignition Controls - Ignition Coils (LWC with NE4).cgm
Opel GM Astra J 2019 Wiring Diagrams - EWD - Engine - 1.6L (LWC) - Engine Controls and Fuel - 1.6L (LWC) - Module Power, Ground, Serial Data and MIL (LWC with NE4).cgm
Opel GM Astra J 2019 Wiring Diagrams - EWD - Engine - 1.6L (LWC) - Engine Heating and Cooling - Coolant Pump - Auxiliary (LWC).cgm
Opel GM Astra J 2019 Wiring Diagrams - EWD - Engine - 1.6L (LWC) - Engine Heating and Cooling - Coolant Pump Clutch (LVL or LVM).cgm
Opel GM Astra J 2019 Wiring Diagrams - EWD - Engine - 1.6L (LWC) - Engine Heating and Cooling - Diesel (LVL or LVM).cgm
Opel GM Astra J 2019 Wiring Diagrams - EWD - Engine - 1.6L (LWC) - Engine Heating and Cooling - Gas.cgm
Opel GM Astra J 2019 Wiring Diagrams - EWD - Engine - 1.6L (LWC) - Engine Mechanical - 1.6L (LWC) - Engine Oil Level (LWC).cgm
Opel GM Astra J 2019 Wiring Diagrams - EWD - Engine - 2.0L (LHU) - 12 V Starting and Charging - Charging (KL9).cgm
Opel GM Astra J 2019 Wiring Diagrams - EWD - Engine - 2.0L (LHU) - 12 V Starting and Charging - Charging (without KL9).cgm
Opel GM Astra J 2019 Wiring Diagrams - EWD - Engine - 2.0L (LHU) - 12 V Starting and Charging - Starting.cgm
Opel GM Astra J 2019 Wiring Diagrams - EWD - Engine - 2.0L (LHU) - 12 V Starting and Charging - Stop Start System (KL9).cgm
Opel GM Astra J 2019 Wiring Diagrams - EWD - Engine - 2.0L (LHU) - Cruise Control - Cruise Control.cgm
Opel GM Astra J 2019 Wiring Diagrams - EWD - Engine - 2.0L (LHU) - Engine Controls and Fuel - 2.0L (LHU) - 5V1, 5V2 and Low Reference Bus (1 of 2) (LHU).cgm
Opel GM Astra J 2019 Wiring Diagrams - EWD - Engine - 2.0L (LHU) - Engine Controls and Fuel - 2.0L (LHU) - 5V3, 5V4 and Low Reference Bus (2 of 2) (LHU).cgm
Opel GM Astra J 2019 Wiring Diagrams - EWD - Engine - 2.0L (LHU) - Engine Controls and Fuel - 2.0L (LHU) - Controlled Monitored Subsystem References (LHU).cgm
Opel GM Astra J 2019 Wiring Diagrams - EWD - Engine - 2.0L (LHU) - Engine Controls and Fuel - 2.0L (LHU) - Engine Data Sensors - Intake Air and Temperature Sensors, Throttle Controls (LHU).cgm
Opel GM Astra J 2019 Wiring Diagrams - EWD - Engine - 2.0L (LHU) - Engine Controls and Fuel - 2.0L (LHU) - Engine Data Sensors - Pressure and Oxygen Sensors (LHU).cgm
Opel GM Astra J 2019 Wiring Diagrams - EWD - Engine - 2.0L (LHU) - Engine Controls and Fuel - 2.0L (LHU) - Fuel Controls - Evaporative Emissions and Turbocharger Control (LHU).cgm
Opel GM Astra J 2019 Wiring Diagrams - EWD - Engine - 2.0L (LHU) - Engine Controls and Fuel - 2.0L (LHU) - Fuel Controls - Fuel Injectors and High Pressure Control (LHU).cgm
Opel GM Astra J 2019 Wiring Diagrams - EWD - Engine - 2.0L (LHU) - Engine Controls and Fuel - 2.0L (LHU) - Fuel Controls - Fuel Pump (LHU).cgm
Opel GM Astra J 2019 Wiring Diagrams - EWD - Engine - 2.0L (LHU) - Engine Controls and Fuel - 2.0L (LHU) - Ignition Controls - Camshaft, Crankshaft, Knock Sensors and Camshaft Actuators (LHU).cgm
Opel GM Astra J 2019 Wiring Diagrams - EWD - Engine - 2.0L (LHU) - Engine Controls and Fuel - 2.0L (LHU) - Ignition Controls - Ignition Coils (LHU).cgm
Opel GM Astra J 2019 Wiring Diagrams - EWD - Engine - 2.0L (LHU) - Engine Controls and Fuel - 2.0L (LHU) - Module Power, Ground, Serial Data and MIL (LHU).cgm
Opel GM Astra J 2019 Wiring Diagrams - EWD - Engine - 2.0L (LHU) - Engine Heating and Cooling - Coolant Pump - Auxiliary (LWC).cgm
Opel GM Astra J 2019 Wiring Diagrams - EWD - Engine - 2.0L (LHU) - Engine Heating and Cooling - Coolant Pump Clutch (LVL or LVM).cgm
Opel GM Astra J 2019 Wiring Diagrams - EWD - Engine - 2.0L (LHU) - Engine Heating and Cooling - Diesel (LVL or LVM).cgm
Opel GM Astra J 2019 Wiring Diagrams - EWD - Engine - 2.0L (LHU) - Engine Heating and Cooling - Gas.cgm
Opel GM Astra J 2019 Wiring Diagrams - EWD - HVAC - HVAC - Automatic - Air Delivery and Temperature Controls (CJ2).cgm
Opel GM Astra J 2019 Wiring Diagrams - EWD - HVAC - HVAC - Automatic - Air Quality and Temperature Sensors (CJ2).cgm
Opel GM Astra J 2019 Wiring Diagrams - EWD - HVAC - HVAC - Automatic - Ambient Light Sunload Sensor and Front Spoiler Air Inlet Motor (CJ2).cgm
Opel GM Astra J 2019 Wiring Diagrams - EWD - HVAC - HVAC - Automatic - Auxiliary Heater (C32 with CJ2).cgm
Opel GM Astra J 2019 Wiring Diagrams - EWD - HVAC - HVAC - Automatic - Blower Motor Controls (CJ2).cgm
Opel GM Astra J 2019 Wiring Diagrams - EWD - HVAC - HVAC - Automatic - Compressor Controls (CJ2) (Diesel).cgm
Opel GM Astra J 2019 Wiring Diagrams - EWD - HVAC - HVAC - Automatic - Compressor Controls (CJ2) (Gasoline-LWC).cgm
Opel GM Astra J 2019 Wiring Diagrams - EWD - HVAC - HVAC - Automatic - Compressor Controls (CJ2) (LWC).cgm
Opel GM Astra J 2019 Wiring Diagrams - EWD - HVAC - HVAC - Automatic - Coolant Pump - Auxiliary (LWC with CJ2).cgm
Opel GM Astra J 2019 Wiring Diagrams - EWD - HVAC - HVAC - Automatic - Parking Heater Power, Diagnostic Connector, and Serial Data (K07 with CJ2).cgm
Opel GM Astra J 2019 Wiring Diagrams - EWD - HVAC - HVAC - Automatic - Parking Heater Sensors and Controls (K07 with CJ2).cgm
Opel GM Astra J 2019 Wiring Diagrams - EWD - HVAC - HVAC - Automatic - Parking Heater Switch (K07 with CJ2).cgm
Opel GM Astra J 2019 Wiring Diagrams - EWD - HVAC - HVAC - Automatic - Power, Ground, Blower Motor Controls and Subsystem References (CJ2).cgm
Opel GM Astra J 2019 Wiring Diagrams - EWD - HVAC - HVAC - Manual - Air Delivery and Temperature Controls (C42 or C67).cgm
Opel GM Astra J 2019 Wiring Diagrams - EWD - HVAC - HVAC - Manual - Auxiliary Heater (C32 with C42 or C67).cgm
Opel GM Astra J 2019 Wiring Diagrams - EWD - HVAC - HVAC - Manual - Blower Motor Controls (C42 or C67).cgm
Opel GM Astra J 2019 Wiring Diagrams - EWD - HVAC - HVAC - Manual - Compressor Controls (C42 or C67) (Diesel).cgm
Opel GM Astra J 2019 Wiring Diagrams - EWD - HVAC - HVAC - Manual - Compressor Controls (C42 or C67) (Gasoline-LWC).cgm
Opel GM Astra J 2019 Wiring Diagrams - EWD - HVAC - HVAC - Manual - Compressor Controls (C42 or C67) (LWC).cgm
Opel GM Astra J 2019 Wiring Diagrams - EWD - HVAC - HVAC - Manual - Coolant Pump - Auxiliary (LWC with C42 or C67).cgm
Opel GM Astra J 2019 Wiring Diagrams - EWD - HVAC - HVAC - Manual - Evaporator Temperature Sensor (C42 or C67).cgm
Opel GM Astra J 2019 Wiring Diagrams - EWD - HVAC - HVAC - Manual - Power, Ground, Blower Motor Controls and Subsystem References (C42 or C67).cgm
Opel GM Astra J 2019 Wiring Diagrams - EWD - Power and Signal Distribution - Data Communications - Body Control System Schematics - Module Power, Ground and Serial Data.cgm
Opel GM Astra J 2019 Wiring Diagrams - EWD - Power and Signal Distribution - Data Communications - Body Control System Schematics - Subsystem References (1 of 3).cgm
Opel GM Astra J 2019 Wiring Diagrams - EWD - Power and Signal Distribution - Data Communications - Body Control System Schematics - Subsystem References (2 of 3).cgm
Opel GM Astra J 2019 Wiring Diagrams - EWD - Power and Signal Distribution - Data Communications - Body Control System Schematics - Subsystem References (3 of 3).cgm
Opel GM Astra J 2019 Wiring Diagrams - EWD - Power and Signal Distribution - Data Communications - Data Communication Schematics - Communication Enable Distribution.cgm
Opel GM Astra J 2019 Wiring Diagrams - EWD - Power and Signal Distribution - Data Communications - Data Communication Schematics - High Speed CAN (1 of 3).cgm
Opel GM Astra J 2019 Wiring Diagrams - EWD - Power and Signal Distribution - Data Communications - Data Communication Schematics - High Speed CAN (2 of 3).cgm
Opel GM Astra J 2019 Wiring Diagrams - EWD - Power and Signal Distribution - Data Communications - Data Communication Schematics - High Speed CAN (3 of 3).cgm
Opel GM Astra J 2019 Wiring Diagrams - EWD - Power and Signal Distribution - Data Communications - Data Communication Schematics - High Speed Chassis CAN.cgm
Opel GM Astra J 2019 Wiring Diagrams - EWD - Power and Signal Distribution - Data Communications - Data Communication Schematics - Linear Interconnect Network (LIN).cgm
Opel GM Astra J 2019 Wiring Diagrams - EWD - Power and Signal Distribution - Data Communications - Data Communication Schematics - Low Speed CAN.cgm
Opel GM Astra J 2019 Wiring Diagrams - EWD - Power and Signal Distribution - Data Communications - Data Communication Schematics - Mid Speed CAN (KTA, U4D without UNM or UPH without UNM).cgm
Opel GM Astra J 2019 Wiring Diagrams - EWD - Power and Signal Distribution - Data Communications - Data Communication Schematics - Powertrain Expansion Bus (LVL or LVM).cgm
Opel GM Astra J 2019 Wiring Diagrams - EWD - Power and Signal Distribution - Power Outlets - Cigar Lighter Power Outlet Schematics - Instrument Panel and Center Console Accessory Outlets.cgm
Opel GM Astra J 2019 Wiring Diagrams - EWD - Power and Signal Distribution - Wiring Systems and Power Management - Ground Distribution Schematics - G101 (1 of 2).cgm
Opel GM Astra J 2019 Wiring Diagrams - EWD - Power and Signal Distribution - Wiring Systems and Power Management - Ground Distribution Schematics - G101 (2 of 2).cgm
Opel GM Astra J 2019 Wiring Diagrams - EWD - Power and Signal Distribution - Wiring Systems and Power Management - Ground Distribution Schematics - G102 (Hatchback).cgm
Opel GM Astra J 2019 Wiring Diagrams - EWD - Power and Signal Distribution - Wiring Systems and Power Management - Ground Distribution Schematics - G102 (Notchback).cgm
Opel GM Astra J 2019 Wiring Diagrams - EWD - Power and Signal Distribution - Wiring Systems and Power Management - Ground Distribution Schematics - G103, G106, G110, G111, and G112.cgm
Opel GM Astra J 2019 Wiring Diagrams - EWD - Power and Signal Distribution - Wiring Systems and Power Management - Ground Distribution Schematics - G104 (Diesel).cgm
Opel GM Astra J 2019 Wiring Diagrams - EWD - Power and Signal Distribution - Wiring Systems and Power Management - Ground Distribution Schematics - G104 and G105 (Gas).cgm
Opel GM Astra J 2019 Wiring Diagrams - EWD - Power and Signal Distribution - Wiring Systems and Power Management - Ground Distribution Schematics - G201 (LHD).cgm
Opel GM Astra J 2019 Wiring Diagrams - EWD - Power and Signal Distribution - Wiring Systems and Power Management - Ground Distribution Schematics - G201 (RHD).cgm
Opel GM Astra J 2019 Wiring Diagrams - EWD - Power and Signal Distribution - Wiring Systems and Power Management - Ground Distribution Schematics - G202 and G204.cgm
Opel GM Astra J 2019 Wiring Diagrams - EWD - Power and Signal Distribution - Wiring Systems and Power Management - Ground Distribution Schematics - G203.cgm
Opel GM Astra J 2019 Wiring Diagrams - EWD - Power and Signal Distribution - Wiring Systems and Power Management - Ground Distribution Schematics - G302 (LHD).cgm
Opel GM Astra J 2019 Wiring Diagrams - EWD - Power and Signal Distribution - Wiring Systems and Power Management - Ground Distribution Schematics - G302 (RHD).cgm
Opel GM Astra J 2019 Wiring Diagrams - EWD - Power and Signal Distribution - Wiring Systems and Power Management - Ground Distribution Schematics - G303, G305, and G306.cgm
Opel GM Astra J 2019 Wiring Diagrams - EWD - Power and Signal Distribution - Wiring Systems and Power Management - Ground Distribution Schematics - G401 and G405.cgm
Opel GM Astra J 2019 Wiring Diagrams - EWD - Power and Signal Distribution - Wiring Systems and Power Management - Ground Distribution Schematics - G403 and G404.cgm
Opel GM Astra J 2019 Wiring Diagrams - EWD - Power and Signal Distribution - Wiring Systems and Power Management - Ignition Lock Schematics - Ignition Lock.cgm
Opel GM Astra J 2019 Wiring Diagrams - EWD - Power and Signal Distribution - Wiring Systems and Power Management - Power Distribution Schematics - B+ Bus (1 of 4).cgm
Opel GM Astra J 2019 Wiring Diagrams - EWD - Power and Signal Distribution - Wiring Systems and Power Management - Power Distribution Schematics - B+ Bus (2 of 4) (Diesel).cgm
Opel GM Astra J 2019 Wiring Diagrams - EWD - Power and Signal Distribution - Wiring Systems and Power Management - Power Distribution Schematics - B+ Bus (2 of 4) (Gasoline).cgm
Opel GM Astra J 2019 Wiring Diagrams - EWD - Power and Signal Distribution - Wiring Systems and Power Management - Power Distribution Schematics - B+ Bus (3 of 4).cgm
Opel GM Astra J 2019 Wiring Diagrams - EWD - Power and Signal Distribution - Wiring Systems and Power Management - Power Distribution Schematics - B+ Bus (4 of 4).cgm
Opel GM Astra J 2019 Wiring Diagrams - EWD - Power and Signal Distribution - Wiring Systems and Power Management - Power Distribution Schematics - F01UA, F03UA, F07UA and F08UA Fuses (Diesel).cgm
Opel GM Astra J 2019 Wiring Diagrams - EWD - Power and Signal Distribution - Wiring Systems and Power Management - Power Distribution Schematics - F01UA, F03UA, F07UA and F08UA Fuses (Gasoline).cgm
Opel GM Astra J 2019 Wiring Diagrams - EWD - Power and Signal Distribution - Wiring Systems and Power Management - Power Distribution Schematics - F02UA, F04UA, F27UA and F36UA Fuses.cgm
Opel GM Astra J 2019 Wiring Diagrams - EWD - Power and Signal Distribution - Wiring Systems and Power Management - Power Distribution Schematics - F05UA, F32UA, F51UA and F54UA Fuses.cgm
Opel GM Astra J 2019 Wiring Diagrams - EWD - Power and Signal Distribution - Wiring Systems and Power Management - Power Distribution Schematics - F06UA, F09UA, F18UA, F22UA, F41UA and F47UA Fuses.cgm
Opel GM Astra J 2019 Wiring Diagrams - EWD - Power and Signal Distribution - Wiring Systems and Power Management - Power Distribution Schematics - F11RA, F13RA, F16RA, F17RA, F19RA, F24UA and F25UA Fuses.cgm
Opel GM Astra J 2019 Wiring Diagrams - EWD - Power and Signal Distribution - Wiring Systems and Power Management - Power Distribution Schematics - F13UA, F17UA, F28UA, F29UA, F30UA, F35UA, F37UA, F38UA and F39UA Fuses.cgm
Opel GM Astra J 2019 Wiring Diagrams - EWD - Power and Signal Distribution - Wiring Systems and Power Management - Power Distribution Schematics - F14DA, F15DA, F17DA, F21DA, F23DA, F24DA and F26DA Fuses.cgm
Opel GM Astra J 2019 Wiring Diagrams - EWD - Power and Signal Distribution - Wiring Systems and Power Management - Power Distribution Schematics - F14RA, F15RA, F20RA, F27RA and F31RA Fuses.cgm
Opel GM Astra J 2019 Wiring Diagrams - EWD - Power and Signal Distribution - Wiring Systems and Power Management - Power Distribution Schematics - F14UA, F21UA, F26UA, F34UA, F43UA, F45UA and F48UA Fuses (Diesel).cgm
Opel GM Astra J 2019 Wiring Diagrams - EWD - Power and Signal Distribution - Wiring Systems and Power Management - Power Distribution Schematics - F14UA, F21UA, F26UA, F34UA, F43UA, F45UA and F48UA Fuses (Gasoline).cgm
Opel GM Astra J 2019 Wiring Diagrams - EWD - Power and Signal Distribution - Wiring Systems and Power Management - Power Distribution Schematics - F1DA, F4DA, F5DA, F6DA and F7DA Fuses.cgm
Opel GM Astra J 2019 Wiring Diagrams - EWD - Power and Signal Distribution - Wiring Systems and Power Management - Power Distribution Schematics - F1UA, F2UA, F3UA, F4UA, F10UA, F12UA, F15UA, F19UA and F20UA Fuses.cgm
Opel GM Astra J 2019 Wiring Diagrams - EWD - Power and Signal Distribution - Wiring Systems and Power Management - Power Distribution Schematics - F22DA Fuses and Ignition Switch.cgm
Opel GM Astra J 2019 Wiring Diagrams - EWD - Power and Signal Distribution - Wiring Systems and Power Management - Power Distribution Schematics - F2DA, F3DA, F6UD, F8DA, F9DA, F10DA, F11DA, F12DA and F19DA Fuses and F12DA Circuit Breeaker.cgm
Opel GM Astra J 2019 Wiring Diagrams - EWD - Power and Signal Distribution - Wiring Systems and Power Management - Power Distribution Schematics - F2RA, F3RA, F7RA, F8RA, F12RA, F21RA, F26RA and F32RA Fuses.cgm
Opel GM Astra J 2019 Wiring Diagrams - EWD - Power and Signal Distribution - Wiring Systems and Power Management - Power Distribution Schematics - F33UA, F50UA, F52UA and F53UA Fuses.cgm
Opel GM Astra J 2019 Wiring Diagrams - EWD - Power and Signal Distribution - Wiring Systems and Power Management - Power Moding Schematics - Auxiliary Power and Ignition Run Relays.cgm
Opel GM Astra J 2019 Wiring Diagrams - EWD - Power and Signal Distribution - Wiring Systems and Power Management - Power Moding Schematics - Ignition Main Relays.cgm
Opel GM Astra J 2019 Wiring Diagrams - EWD - Power and Signal Distribution - Wiring Systems and Power Management - Trailer Connector Provision Schematics - Power, Ground, and Serial Data (D8G, D9Y, and VQ9).cgm
Opel GM Astra J 2019 Wiring Diagrams - EWD - Power and Signal Distribution - Wiring Systems and Power Management - Trailer Connector Provision Schematics - Trailer Connector (VQ9).cgm
Opel GM Astra J 2019 Wiring Diagrams - EWD - Roof - Sunroof - Power, Ground, and Sunroof Switches.cgm
Opel GM Astra J 2019 Wiring Diagrams - EWD - Safety and Security - Driver Assistance Systems - Driver Assistance (UFL).cgm
Opel GM Astra J 2019 Wiring Diagrams - EWD - Safety and Security - Driver Assistance Systems - Side Blind Spot Detection (LHD).cgm
Opel GM Astra J 2019 Wiring Diagrams - EWD - Safety and Security - Driver Assistance Systems - Side Blind Spot Detection (RHD).cgm
Opel GM Astra J 2019 Wiring Diagrams - EWD - Safety and Security - Immobilizer - Indicator and Inputs.cgm
Opel GM Astra J 2019 Wiring Diagrams - EWD - Safety and Security - Parking Assistance Systems - Front and Side Object Sensors.cgm
Opel GM Astra J 2019 Wiring Diagrams - EWD - Safety and Security - Parking Assistance Systems - Power, Ground, Serial Data, Controls and Display.cgm
Opel GM Astra J 2019 Wiring Diagrams - EWD - Safety and Security - Parking Assistance Systems - Rear Sensors.cgm
Opel GM Astra J 2019 Wiring Diagrams - EWD - Safety and Security - Remote Functions - Keyless Entry.cgm
Opel GM Astra J 2019 Wiring Diagrams - EWD - Safety and Security - Seat Belts - Seat Belt Switches and Indicator.cgm
Opel GM Astra J 2019 Wiring Diagrams - EWD - Safety and Security - Supplemental Restraints - Front Air Bags, Sensors, and Pretensioners, and Passenger Disable Switch.cgm
Opel GM Astra J 2019 Wiring Diagrams - EWD - Safety and Security - Supplemental Restraints - Power, Ground, Serial Data and Indicators.cgm
Opel GM Astra J 2019 Wiring Diagrams - EWD - Safety and Security - Supplemental Restraints - Side Impact Sensors and Seat and Roof Rail Air Bags.cgm
Opel GM Astra J 2019 Wiring Diagrams - EWD - Safety and Security - Theft Deterrent - Glass Breakage Sensors and Indicator.cgm
Opel GM Astra J 2019 Wiring Diagrams - EWD - Safety and Security - Theft Deterrent - Intrusion Sensor and Content Theft Deterrent Alarm.cgm
Opel GM Astra J 2019 Wiring Diagrams - EWD - Seats - Power Seats - Driver Seat Schematics - Lumbar Support Controls.cgm
Opel GM Astra J 2019 Wiring Diagrams - EWD - Seats - Power Seats - Passenger Seat Schematics - Lumbar Support Controls (OPC or VXR) (1 of 2).cgm
Opel GM Astra J 2019 Wiring Diagrams - EWD - Seats - Power Seats - Passenger Seat Schematics - Lumbar Support Controls (OPC or VXR) (2 of 2).cgm
Opel GM Astra J 2019 Wiring Diagrams - EWD - Seats - Power Seats - Passenger Seat Schematics - Lumbar Support Controls.cgm
Opel GM Astra J 2019 Wiring Diagrams - EWD - Seats - Seat Heating and Cooling - Seat Heating Control Module (KA1).cgm
Opel GM Astra J 2019 Wiring Diagrams - EWD - Steering - Power Steering - Power Steering Control Module (NJ0 or NJ1).cgm
Opel GM Astra J 2019 Wiring Diagrams - EWD - Steering - Power Steering - Power Steering Control Module (NV7).cgm
Opel GM Astra J 2019 Wiring Diagrams - EWD - Steering - Steering Wheel and Column - Heated Steering Wheel (UVD with N49).cgm
Opel GM Astra J 2019 Wiring Diagrams - EWD - Steering - Steering Wheel and Column - Heated Steering Wheel (UVD without N49).cgm
Opel GM Astra J 2019 Wiring Diagrams - EWD - Suspension - Electronic Suspension Control - Power, Ground, and Serial Data.cgm
Opel GM Astra J 2019 Wiring Diagrams - EWD - Suspension - Electronic Suspension Control - Sensors and Actuators.cgm
Opel GM Astra J 2019 Wiring Diagrams - EWD - Suspension - Electronic Suspension Control - Tour Mode and Sport Mode Switches (URC).cgm
Opel GM Astra J 2019 Wiring Diagrams - EWD - Transmission - Automatic Transmission - 6T30 (MH9), 6T40 (MH8) or 6T45 (MH7 MNP) - Fluid Temperature and Speed Sensors, Valve Position, Pressure and Shift Controls (MH7, MH8 or MH9).cgm
Opel GM Astra J 2019 Wiring Diagrams - EWD - Transmission - Automatic Transmission - 6T30 (MH9), 6T40 (MH8) or 6T45 (MH7 MNP) - Fluid Temperature and Speed Sensors, Valve Position, Pressure and Shift Controls (MNP).cgm
Opel GM Astra J 2019 Wiring Diagrams - EWD - Transmission - Automatic Transmission - 6T30 (MH9), 6T40 (MH8) or 6T45 (MH7 MNP) - Internal Mode Switch and Tap Up Tap Down Switches (MH7, MH8 or MH9).cgm
Opel GM Astra J 2019 Wiring Diagrams - EWD - Transmission - Automatic Transmission - 6T30 (MH9), 6T40 (MH8) or 6T45 (MH7 MNP) - Internal Mode Switch and Tap Up Tap Down Switches (MNP).cgm
Opel GM Astra J 2019 Wiring Diagrams - EWD - Transmission - Automatic Transmission - 6T30 (MH9), 6T40 (MH8) or 6T45 (MH7 MNP) - Module Power, Ground, and Data Communication (MH7, MH8 or MH9).cgm
Opel GM Astra J 2019 Wiring Diagrams - EWD - Transmission - Automatic Transmission - 6T30 (MH9), 6T40 (MH8) or 6T45 (MH7 MNP) - Module Power, Ground, Serial Data, Sport Switch and Indicator Light (MNP).cgm
Opel GM Astra J 2019 Wiring Diagrams - EWD - Transmission - Automatic Transmission - 6T30 (MH9), 6T40 (MH8) or 6T45 (MH7 MNP) - Shift Lever Position Indicator (MH7, MH8 or MH9).cgm
Opel GM Astra J 2019 Wiring Diagrams - EWD - Transmission - Automatic Transmission - 6T30 (MH9), 6T40 (MH8) or 6T45 (MH7 MNP) - Shift Lever Position Indicator (MNP).cgm
Opel GM Astra J 2019 Wiring Diagrams - EWD - Transmission - Manual Transmission - F17-5 (MDG) - Neutral Position Sensors and Clutch Pedal Position Sensors (F17-5).cgm
Opel GM Astra J 2019 Wiring Diagrams - EWD - Transmission - Manual Transmission - F40-6 (MK6) - Neutral Position Sensors and Clutch Pedal Position Sensors (F40).cgm
Opel GM Astra J 2019 Wiring Diagrams - EWD - Transmission - Manual Transmission - M32-6 (MF3 MR5 MZ0 MZ4 M06) - Neutral Position Sensors and Clutch Pedal Position Sensors (M32).cgm
Opel GM Astra J 2019 Wiring Diagrams - EWD - Transmission - Shift Lock Control - Shift Lock Control.cgm
#More Product: Opel Service Manual, Repair Manual, Electrical Wiring Diagram


