Opel GM Crossland X 2020 Wiring Diagrams
Size: 12.5 MB
Format: PDF, CGM
Machine: Automotive
Machine Model: Opel GM Crossland X 2020
Document: Wiring Diagrams
Contents:
EWD:
Body Repair
Bolted Exterior Body Panels and Closures
Bumpers and Fascias
Body Systems
Fixed and Moveable Windows
Horns and Pedestrian Alerts
Lighting
Mirrors
Vehicle Access
Wipers and Washers
Brakes
Antilock Brake System
Hydraulic Brakes
Driver Information and Entertainment
Cellular, Entertainment, and Navigation
Displays and Gauges
Image Display Cameras
Secondary and Configurable Customer Controls
Engine
1.2L (LEG)
1.2L (LES)
1.2L (LEZ)
1.2L (O5D)
1.2L (O5E)
1.5L (LQJ)
1.5L (LQP)
1.6L (LFU)
HVAC
HVAC - Automatic_Manual
Power and Signal Distribution
Data Communications
Power Outlets
Wiring Systems and Power Management
Roof
Sunroof
Safety and Security
Driver Assistance Systems
Immobilizer
Parking Assistance Systems
Remote Functions
Seat Belts
Supplemental Restraints
Theft Deterrent
Seats
Power Seats
Seat Heating and Cooling
Steering
Power Steering
Steering Wheel and Column
Suspension
Tire Pressure Monitoring
Transmission
Automatic Transmission - 6III (ME1)
Manual Transmission - MA (M0E)
Manual Transmission - MB (M0F)
Shift Lock Control
Control Module U Code List.pdf
RPO Code List.pdf
Schematics RPO Code List.pdf
Service Interval reset 2019 MY
Detail
Contents:
Crossland X - Control Module U Code List.pdf
Crossland X - RPO Code List.pdf
Crossland X - Schematics RPO Code List.pdf
Crossland X - Service Interval reset 2020 MY.pdf
Crossland X - EWD - Body Repair - Bolted Exterior Body Panels and Closures - Hood Latch.cgm
Crossland X - EWD - Body Repair - Bumpers and Fascias - Active Grille Air Shutter (VRI).cgm
Crossland X - EWD - Body Systems - Fixed and Moveable Windows - Defogger Schematics - Rear Defogger.cgm
Crossland X - EWD - Body Systems - Fixed and Moveable Windows - Defogger Schematics - Windshield Defogger (C50).cgm
Crossland X - EWD - Body Systems - Fixed and Moveable Windows - Moveable Window Schematics - Front Windows (LHD+AER+DXK).cgm
Crossland X - EWD - Body Systems - Fixed and Moveable Windows - Moveable Window Schematics - Front Windows (LHD+AER+DXL).cgm
Crossland X - EWD - Body Systems - Fixed and Moveable Windows - Moveable Window Schematics - Front Windows (RHD+AER+DXK).cgm
Crossland X - EWD - Body Systems - Fixed and Moveable Windows - Moveable Window Schematics - Front Windows (RHD+AER+DXL).cgm
Crossland X - EWD - Body Systems - Fixed and Moveable Windows - Moveable Window Schematics - Front Windows (Without AER).cgm
Crossland X - EWD - Body Systems - Fixed and Moveable Windows - Moveable Window Schematics - Rear Windows (AER+DXK).cgm
Crossland X - EWD - Body Systems - Fixed and Moveable Windows - Moveable Window Schematics - Rear Windows (AER+DXL).cgm
Crossland X - EWD - Body Systems - Horns and Pedestrian Alerts - Horn.cgm
Crossland X - EWD - Body Systems - Lighting - Exterior Lights Schematics - Controls and Indicators.cgm
Crossland X - EWD - Body Systems - Lighting - Exterior Lights Schematics - Front Turn Signals (T4A).cgm
Crossland X - EWD - Body Systems - Lighting - Exterior Lights Schematics - Front Turn Signals and Cornering Lamps (T4L).cgm
Crossland X - EWD - Body Systems - Lighting - Exterior Lights Schematics - License Plate Lamp.cgm
Crossland X - EWD - Body Systems - Lighting - Exterior Lights Schematics - Tail, Stop, Turn and Backup Lamps (with UGE).cgm
Crossland X - EWD - Body Systems - Lighting - Exterior Lights Schematics - Tail, Stop, Turn and Backup Lamps (without UGE).cgm
Crossland X - EWD - Body Systems - Lighting - Fog Lights Schematics - Fog Lamps.cgm
Crossland X - EWD - Body Systems - Lighting - Headlights_Daytime Running Lights (DRL) Schematics - Automatic Leveling (TR7).cgm
Crossland X - EWD - Body Systems - Lighting - Headlights_Daytime Running Lights (DRL) Schematics - Controls and Indicators.cgm
Crossland X - EWD - Body Systems - Lighting - Headlights_Daytime Running Lights (DRL) Schematics - High, Low Beams and Daytime Running Lamps (T4A).cgm
Crossland X - EWD - Body Systems - Lighting - Headlights_Daytime Running Lights (DRL) Schematics - Left High and Low Beams and Daytime Running Lamps (T4L).cgm
Crossland X - EWD - Body Systems - Lighting - Headlights_Daytime Running Lights (DRL) Schematics - Manual Leveling (TR6).cgm
Crossland X - EWD - Body Systems - Lighting - Headlights_Daytime Running Lights (DRL) Schematics - Right High and Low Beams and Daytime Running Lamps (T4L).cgm
Crossland X - EWD - Body Systems - Lighting - Interior Lights Dimming Schematics - Interior Lights Dimming.cgm
Crossland X - EWD - Body Systems - Lighting - Interior Lights Schematics - Dome and Sunshade Lamps.cgm
Crossland X - EWD - Body Systems - Lighting - Interior Lights Schematics - Interior Lighting.cgm
Crossland X - EWD - Body Systems - Mirrors - Inside Rearview Mirror Schematics - Inside Rearview Mirror (DD8).cgm
Crossland X - EWD - Body Systems - Mirrors - Outside Rearview Mirror Schematics - Folding Mirrors (DXL).cgm
Crossland X - EWD - Body Systems - Mirrors - Outside Rearview Mirror Schematics - Heating (DXL_DXK).cgm
Crossland X - EWD - Body Systems - Mirrors - Outside Rearview Mirror Schematics - Outside Rearview Mirror Position (DXK+LHD).cgm
Crossland X - EWD - Body Systems - Mirrors - Outside Rearview Mirror Schematics - Outside Rearview Mirror Position (DXK+RHD).cgm
Crossland X - EWD - Body Systems - Mirrors - Outside Rearview Mirror Schematics - Outside Rearview Mirror Position (DXL+LHD).cgm
Crossland X - EWD - Body Systems - Mirrors - Outside Rearview Mirror Schematics - Outside Rearview Mirror Position (DXL+RHD).cgm
Crossland X - EWD - Body Systems - Vehicle Access - Door Lock_Indicator Schematics - Ajar Switches and Lock Indicators.cgm
Crossland X - EWD - Body Systems - Vehicle Access - Door Lock_Indicator Schematics - Door Handle Switches (ATH_BTM).cgm
Crossland X - EWD - Body Systems - Vehicle Access - Door Lock_Indicator Schematics - Door Lock Actuators (UTT).cgm
Crossland X - EWD - Body Systems - Vehicle Access - Door Lock_Indicator Schematics - Door Lock Actuators (without UTT).cgm
Crossland X - EWD - Body Systems - Vehicle Access - Door Lock_Indicator Schematics - Keyless Entry Antennas (ATH_BTM).cgm
Crossland X - EWD - Body Systems - Vehicle Access - Door Lock_Indicator Schematics - Lock Switch and Child Lock Status.cgm
Crossland X - EWD - Body Systems - Vehicle Access - Release Systems Schematics - Liftgate Release.cgm
Crossland X - EWD - Body Systems - Wipers and Washers - Front Wipers.cgm
Crossland X - EWD - Body Systems - Wipers and Washers - Washer System and Rear Wiper.cgm
Crossland X - EWD - Brakes - Antilock Brake System - Power, Ground, Serial Data and Traction Control Switch.cgm
Crossland X - EWD - Brakes - Antilock Brake System - Wheel Speed Sensors.cgm
Crossland X - EWD - Brakes - Hydraulic Brakes - Hydraulic Brake.cgm
Crossland X - EWD - Driver Information and Entertainment - Cellular, Entertainment, and Navigation - OnStar_Telematics Schematics - Controls and Audio Signals (UE1).cgm
Crossland X - EWD - Driver Information and Entertainment - Cellular, Entertainment, and Navigation - OnStar_Telematics Schematics - Power, Ground, Serial Data and Antennas (UE1).cgm
Crossland X - EWD - Driver Information and Entertainment - Cellular, Entertainment, and Navigation - Radio_Navigation System Schematics (IO6) - Audio Amplifier and Subwoofer (IO6+UQG).cgm
Crossland X - EWD - Driver Information and Entertainment - Cellular, Entertainment, and Navigation - Radio_Navigation System Schematics (IO6) - Auxiliary Inputs (IO6).cgm
Crossland X - EWD - Driver Information and Entertainment - Cellular, Entertainment, and Navigation - Radio_Navigation System Schematics (IO6) - CD Player (IO6+TG5).cgm
Crossland X - EWD - Driver Information and Entertainment - Cellular, Entertainment, and Navigation - Radio_Navigation System Schematics (IO6) - Power, Ground, Serial Data, Microphone and Antenna (IO6).cgm
Crossland X - EWD - Driver Information and Entertainment - Cellular, Entertainment, and Navigation - Radio_Navigation System Schematics (IO6) - Radio Controls and Display (IO6).cgm
Crossland X - EWD - Driver Information and Entertainment - Cellular, Entertainment, and Navigation - Radio_Navigation System Schematics (IO6) - Speakers (IO6).cgm
Crossland X - EWD - Driver Information and Entertainment - Cellular, Entertainment, and Navigation - Radio_Navigation System Schematics (IO7) - Auxiliary Inputs (IO7).cgm
Crossland X - EWD - Driver Information and Entertainment - Cellular, Entertainment, and Navigation - Radio_Navigation System Schematics (IO7) - CD Player (IO7+TG5).cgm
Crossland X - EWD - Driver Information and Entertainment - Cellular, Entertainment, and Navigation - Radio_Navigation System Schematics (IO7) - Power, Ground, Serial Data, Microphone and Antenna (IO7).cgm
Crossland X - EWD - Driver Information and Entertainment - Cellular, Entertainment, and Navigation - Radio_Navigation System Schematics (IO7) - Radio Controls and Display (IO7).cgm
Crossland X - EWD - Driver Information and Entertainment - Cellular, Entertainment, and Navigation - Radio_Navigation System Schematics (IO7) - Speakers (IO7).cgm
Crossland X - EWD - Driver Information and Entertainment - Cellular, Entertainment, and Navigation - Radio_Navigation System Schematics (IOA) - Auxiliary Inputs (IOA).cgm
Crossland X - EWD - Driver Information and Entertainment - Cellular, Entertainment, and Navigation - Radio_Navigation System Schematics (IOA) - Power, Ground, Serial Data, Microphone and Antenna (IOA).cgm
Crossland X - EWD - Driver Information and Entertainment - Cellular, Entertainment, and Navigation - Radio_Navigation System Schematics (IOA) - Speakers (IOA).cgm
Crossland X - EWD - Driver Information and Entertainment - Cellular, Entertainment, and Navigation - Telematics Schematics - Controls and Audio Signals (UOR_UOU).cgm
Crossland X - EWD - Driver Information and Entertainment - Cellular, Entertainment, and Navigation - Telematics Schematics - Power, Ground, and Serial Data (U0R_UOU).cgm
Crossland X - EWD - Driver Information and Entertainment - Displays and Gauges - Audible Warnings Schematics - Audible Warnings.cgm
Crossland X - EWD - Driver Information and Entertainment - Displays and Gauges - Head-Up Display Schematics - Head-Up Display (UV6).cgm
Crossland X - EWD - Driver Information and Entertainment - Displays and Gauges - Instrument Cluster Schematics - Indicators.cgm
Crossland X - EWD - Driver Information and Entertainment - Displays and Gauges - Instrument Cluster Schematics - Power, Ground, Serial Data and Gauges.cgm
Crossland X - EWD - Driver Information and Entertainment - Image Display Cameras - Rearview Camera (UVC_UVP).cgm
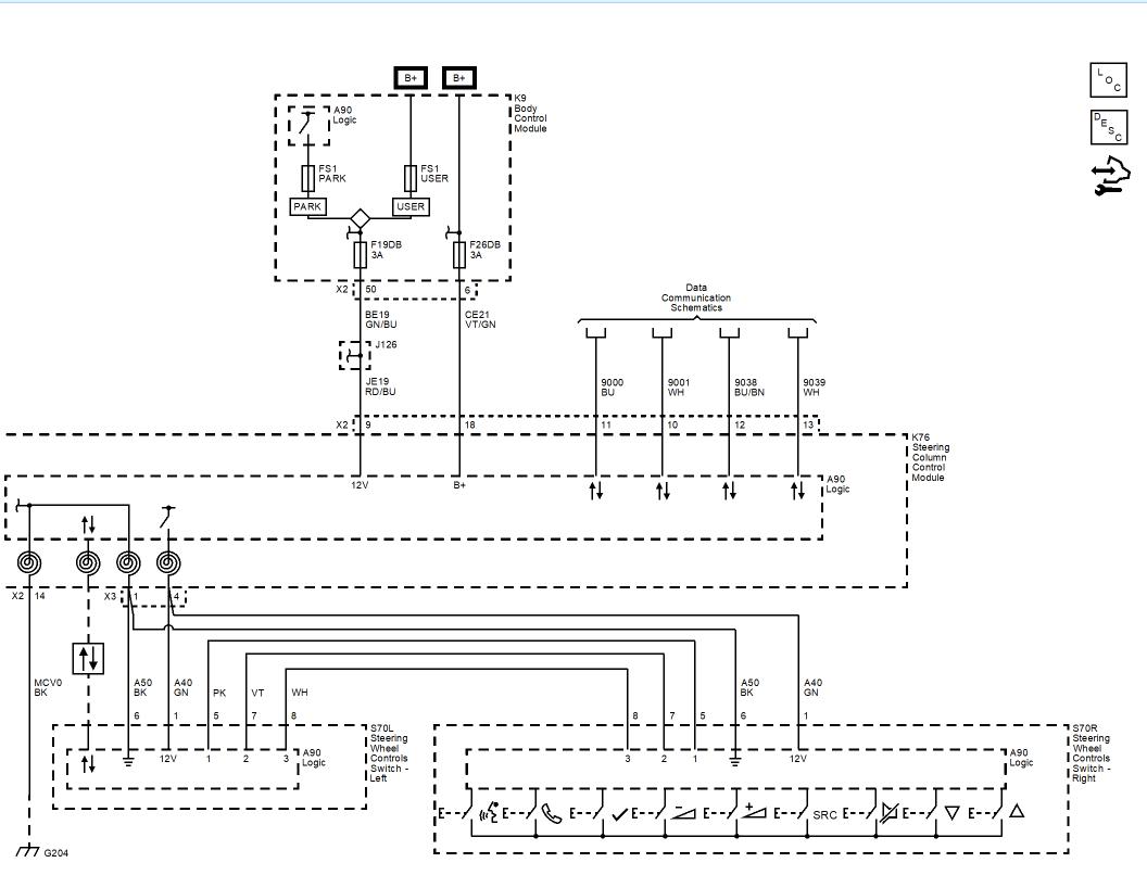
Crossland X - EWD - Driver Information and Entertainment - Secondary and Configurable Customer Controls - Steering Wheel Controls.cgm
Crossland X - EWD - Engine - 1.2L (LEG) - 12 V Starting and Charging - Charging.cgm
Crossland X - EWD - Engine - 1.2L (LEG) - 12 V Starting and Charging - Start_Stop System.cgm
Crossland X - EWD - Engine - 1.2L (LEG) - 12 V Starting and Charging - Starting (KL9).cgm
Crossland X - EWD - Engine - 1.2L (LEG) - 12 V Starting and Charging - Starting (-KL9).cgm
Crossland X - EWD - Engine - 1.2L (LEG) - Cruise Control - Cruise Control.cgm
Crossland X - EWD - Engine - 1.2L (LEG) - Engine Controls and Fuel - 1.2L (LEG, LES, O5D, O5E) - 5V and Low Reference (LES_LEG).cgm
Crossland X - EWD - Engine - 1.2L (LEG) - Engine Controls and Fuel - 1.2L (LEG, LES, O5D, O5E) - Controlled_Monitored Subsystem References (LES_LEG).cgm
Crossland X - EWD - Engine - 1.2L (LEG) - Engine Controls and Fuel - 1.2L (LEG, LES, O5D, O5E) - Device and Fuel Controls - EVAP Emissions and Turbocharger Controls (LES_LEG).cgm
Crossland X - EWD - Engine - 1.2L (LEG) - Engine Controls and Fuel - 1.2L (LEG, LES, O5D, O5E) - Engine Data Sensors - Camshaft, Crankshaft and Knock Sensors and Camshaft Actuators (LES_LEG).cgm
Crossland X - EWD - Engine - 1.2L (LEG) - Engine Controls and Fuel - 1.2L (LEG, LES, O5D, O5E) - Engine Data Sensors - Oxygen and Throttle ((LEG_LES)+NCV).cgm
Crossland X - EWD - Engine - 1.2L (LEG) - Engine Controls and Fuel - 1.2L (LEG, LES, O5D, O5E) - Engine Data Sensors - Oxygen and Throttle ((LES_LEG)-NCV).cgm
Crossland X - EWD - Engine - 1.2L (LEG) - Engine Controls and Fuel - 1.2L (LEG, LES, O5D, O5E) - Engine Data Sensors - Pressure, Temperature and Exhaust (LES_LEG).cgm
Crossland X - EWD - Engine - 1.2L (LEG) - Engine Controls and Fuel - 1.2L (LEG, LES, O5D, O5E) - Fuel Controls - Fuel Pump and Fuel Injectors (LES_LEG).cgm
Crossland X - EWD - Engine - 1.2L (LEG) - Engine Controls and Fuel - 1.2L (LEG, LES, O5D, O5E) - Fused Power Devices (LEG_LES).cgm
Crossland X - EWD - Engine - 1.2L (LEG) - Engine Controls and Fuel - 1.2L (LEG, LES, O5D, O5E) - Ignition Controls - Ignition Coil (LES_LEG).cgm
Crossland X - EWD - Engine - 1.2L (LEG) - Engine Controls and Fuel - 1.2L (LEG, LES, O5D, O5E) - Module Power, Ground and Serial Data (LES_LEG).cgm
Crossland X - EWD - Engine - 1.2L (LEG) - Engine Heating and Cooling - Fans.cgm
Crossland X - EWD - Engine - 1.2L (LEG) - Engine Heating and Cooling - Turbocharger Coolant Pump (LES_LEG).cgm
Crossland X - EWD - Engine - 1.2L (LEG) - Engine Mechanical - 1.2L (LEG, LES, O5D, O5E) - Oil Pressure Control.cgm
Crossland X - EWD - Engine - 1.2L (LES) - 12 V Starting and Charging - Charging.cgm
Crossland X - EWD - Engine - 1.2L (LES) - 12 V Starting and Charging - Start_Stop System.cgm
Crossland X - EWD - Engine - 1.2L (LES) - 12 V Starting and Charging - Starting (KL9).cgm
Crossland X - EWD - Engine - 1.2L (LES) - 12 V Starting and Charging - Starting (-KL9).cgm
Crossland X - EWD - Engine - 1.2L (LES) - Cruise Control - Cruise Control.cgm
Crossland X - EWD - Engine - 1.2L (LES) - Engine Controls and Fuel - 1.2L (LEG, LES, O5D, O5E) - 5V and Low Reference (LES_LEG).cgm
Crossland X - EWD - Engine - 1.2L (LES) - Engine Controls and Fuel - 1.2L (LEG, LES, O5D, O5E) - Controlled_Monitored Subsystem References (LES_LEG).cgm
Crossland X - EWD - Engine - 1.2L (LES) - Engine Controls and Fuel - 1.2L (LEG, LES, O5D, O5E) - Device and Fuel Controls - EVAP Emissions and Turbocharger Controls (LES_LEG).cgm
Crossland X - EWD - Engine - 1.2L (LES) - Engine Controls and Fuel - 1.2L (LEG, LES, O5D, O5E) - Engine Data Sensors - Camshaft, Crankshaft and Knock Sensors and Camshaft Actuators (LES_LEG).cgm
Crossland X - EWD - Engine - 1.2L (LES) - Engine Controls and Fuel - 1.2L (LEG, LES, O5D, O5E) - Engine Data Sensors - Oxygen and Throttle ((LEG_LES)+NCV).cgm
Crossland X - EWD - Engine - 1.2L (LES) - Engine Controls and Fuel - 1.2L (LEG, LES, O5D, O5E) - Engine Data Sensors - Oxygen and Throttle ((LES_LEG)-NCV).cgm
Crossland X - EWD - Engine - 1.2L (LES) - Engine Controls and Fuel - 1.2L (LEG, LES, O5D, O5E) - Engine Data Sensors - Pressure, Temperature and Exhaust (LES_LEG).cgm
Crossland X - EWD - Engine - 1.2L (LES) - Engine Controls and Fuel - 1.2L (LEG, LES, O5D, O5E) - Fuel Controls - Fuel Pump and Fuel Injectors (LES_LEG).cgm
Crossland X - EWD - Engine - 1.2L (LES) - Engine Controls and Fuel - 1.2L (LEG, LES, O5D, O5E) - Fused Power Devices (LEG_LES).cgm
Crossland X - EWD - Engine - 1.2L (LES) - Engine Controls and Fuel - 1.2L (LEG, LES, O5D, O5E) - Ignition Controls - Ignition Coil (LES_LEG).cgm
Crossland X - EWD - Engine - 1.2L (LES) - Engine Controls and Fuel - 1.2L (LEG, LES, O5D, O5E) - Module Power, Ground and Serial Data (LES_LEG).cgm
Crossland X - EWD - Engine - 1.2L (LES) - Engine Heating and Cooling - Fans.cgm
Crossland X - EWD - Engine - 1.2L (LES) - Engine Heating and Cooling - Turbocharger Coolant Pump (LES_LEG).cgm
Crossland X - EWD - Engine - 1.2L (LES) - Engine Mechanical - 1.2L (LEG, LES, O5D, O5E) - Oil Pressure Control.cgm
Crossland X - EWD - Engine - 1.2L (LEZ) - 12 V Starting and Charging - Charging.cgm
Crossland X - EWD - Engine - 1.2L (LEZ) - 12 V Starting and Charging - Start_Stop System.cgm
Crossland X - EWD - Engine - 1.2L (LEZ) - 12 V Starting and Charging - Starting (KL9).cgm
Crossland X - EWD - Engine - 1.2L (LEZ) - 12 V Starting and Charging - Starting (-KL9).cgm
Crossland X - EWD - Engine - 1.2L (LEZ) - Cruise Control - Cruise Control.cgm
Crossland X - EWD - Engine - 1.2L (LEZ) - Engine Controls and Fuel - 1.2L (LEZ) - Engine Controls Schematics (LEZ with NCV) - 5V Low Reference (LEZ+NCV).cgm
Crossland X - EWD - Engine - 1.2L (LEZ) - Engine Controls and Fuel - 1.2L (LEZ) - Engine Controls Schematics (LEZ with NCV) - Controlled_Monitored Subsystem References (LEZ+NCV).cgm
Crossland X - EWD - Engine - 1.2L (LEZ) - Engine Controls and Fuel - 1.2L (LEZ) - Engine Controls Schematics (LEZ with NCV) - Engine Data Sensors - Camshaft, Crankshaft and Knock Sensors and Camshaft Actuators (LEZ+NCV).cgm
Crossland X - EWD - Engine - 1.2L (LEZ) - Engine Controls and Fuel - 1.2L (LEZ) - Engine Controls Schematics (LEZ with NCV) - Engine Data Sensors - Oxygen and Throttle (LEZ+NCV).cgm
Crossland X - EWD - Engine - 1.2L (LEZ) - Engine Controls and Fuel - 1.2L (LEZ) - Engine Controls Schematics (LEZ with NCV) - Engine Data Sensors - Pressure and Temperature (LEZ+NCV).cgm
Crossland X - EWD - Engine - 1.2L (LEZ) - Engine Controls and Fuel - 1.2L (LEZ) - Engine Controls Schematics (LEZ with NCV) - EVAP Controls (LEZ+NCV).cgm
Crossland X - EWD - Engine - 1.2L (LEZ) - Engine Controls and Fuel - 1.2L (LEZ) - Engine Controls Schematics (LEZ with NCV) - Fuel Controls - Fuel Pump and Fuel Injectors (LEZ+NCV).cgm
Crossland X - EWD - Engine - 1.2L (LEZ) - Engine Controls and Fuel - 1.2L (LEZ) - Engine Controls Schematics (LEZ with NCV) - Fused Power Devices (LEZ+NCV).cgm
Crossland X - EWD - Engine - 1.2L (LEZ) - Engine Controls and Fuel - 1.2L (LEZ) - Engine Controls Schematics (LEZ with NCV) - Ignition Controls - Ignition Coil (LEZ+NCV).cgm
Crossland X - EWD - Engine - 1.2L (LEZ) - Engine Controls and Fuel - 1.2L (LEZ) - Engine Controls Schematics (LEZ with NCV) - Module Power, Ground and Serial Data (LEZ+NCV).cgm
Crossland X - EWD - Engine - 1.2L (LEZ) - Engine Controls and Fuel - 1.2L (LEZ) - Engine Controls Schematics (LEZ without NCV) - 5V Low Reference (LEZ-NCV).cgm
Crossland X - EWD - Engine - 1.2L (LEZ) - Engine Controls and Fuel - 1.2L (LEZ) - Engine Controls Schematics (LEZ without NCV) - Controlled_Monitored Subsystem References (LEZ-NCV).cgm
Crossland X - EWD - Engine - 1.2L (LEZ) - Engine Controls and Fuel - 1.2L (LEZ) - Engine Controls Schematics (LEZ without NCV) - Engine Data Sensors - Camshaft, Crankshaft and Knock Sensors and Camshaft Actuators (LEZ-NCV).cgm
Crossland X - EWD - Engine - 1.2L (LEZ) - Engine Controls and Fuel - 1.2L (LEZ) - Engine Controls Schematics (LEZ without NCV) - Engine Data Sensors - Oxygen and Throttle (LEZ-NCV).cgm
Crossland X - EWD - Engine - 1.2L (LEZ) - Engine Controls and Fuel - 1.2L (LEZ) - Engine Controls Schematics (LEZ without NCV) - Engine Data Sensors - Pressure and Temperature (LEZ-NCV).cgm
Crossland X - EWD - Engine - 1.2L (LEZ) - Engine Controls and Fuel - 1.2L (LEZ) - Engine Controls Schematics (LEZ without NCV) - EVAP Controls (LEZ-NCV).cgm
Crossland X - EWD - Engine - 1.2L (LEZ) - Engine Controls and Fuel - 1.2L (LEZ) - Engine Controls Schematics (LEZ without NCV) - Fuel Controls - Fuel Pump and Fuel Injectors (LEZ-NCV).cgm
Crossland X - EWD - Engine - 1.2L (LEZ) - Engine Controls and Fuel - 1.2L (LEZ) - Engine Controls Schematics (LEZ without NCV) - Fused Power Devices (LEZ-NCV).cgm
Crossland X - EWD - Engine - 1.2L (LEZ) - Engine Controls and Fuel - 1.2L (LEZ) - Engine Controls Schematics (LEZ without NCV) - Ignition Controls - Ignition Coil (LEZ-NCV).cgm
Crossland X - EWD - Engine - 1.2L (LEZ) - Engine Controls and Fuel - 1.2L (LEZ) - Engine Controls Schematics (LEZ without NCV) - Module Power, Ground and Serial Data (LEZ-NCV).cgm
Crossland X - EWD - Engine - 1.2L (LEZ) - Engine Heating and Cooling - Fans.cgm
Crossland X - EWD - Engine - 1.2L (LEZ) - Engine Heating and Cooling - Turbocharger Coolant Pump (LES_LEG).cgm
Crossland X - EWD - Engine - 1.2L (O5D) - 12 V Starting and Charging - Charging.cgm
Crossland X - EWD - Engine - 1.2L (O5D) - 12 V Starting and Charging - Start_Stop System.cgm
Crossland X - EWD - Engine - 1.2L (O5D) - 12 V Starting and Charging - Starting (KL9).cgm
Crossland X - EWD - Engine - 1.2L (O5D) - 12 V Starting and Charging - Starting (-KL9).cgm
Crossland X - EWD - Engine - 1.2L (O5D) - Cruise Control - Cruise Control.cgm
Crossland X - EWD - Engine - 1.2L (O5D) - Engine Controls and Fuel - 1.2L (LEG, LES, O5D, O5E) - 5V and Low Reference (LES_LEG).cgm
Crossland X - EWD - Engine - 1.2L (O5D) - Engine Controls and Fuel - 1.2L (LEG, LES, O5D, O5E) - Controlled_Monitored Subsystem References (LES_LEG).cgm
Crossland X - EWD - Engine - 1.2L (O5D) - Engine Controls and Fuel - 1.2L (LEG, LES, O5D, O5E) - Device and Fuel Controls - EVAP Emissions and Turbocharger Controls (LES_LEG).cgm
Crossland X - EWD - Engine - 1.2L (O5D) - Engine Controls and Fuel - 1.2L (LEG, LES, O5D, O5E) - Engine Data Sensors - Camshaft, Crankshaft and Knock Sensors and Camshaft Actuators (LES_LEG).cgm
Crossland X - EWD - Engine - 1.2L (O5D) - Engine Controls and Fuel - 1.2L (LEG, LES, O5D, O5E) - Engine Data Sensors - Oxygen and Throttle ((LEG_LES)+NCV).cgm
Crossland X - EWD - Engine - 1.2L (O5D) - Engine Controls and Fuel - 1.2L (LEG, LES, O5D, O5E) - Engine Data Sensors - Oxygen and Throttle ((LES_LEG)-NCV).cgm
Crossland X - EWD - Engine - 1.2L (O5D) - Engine Controls and Fuel - 1.2L (LEG, LES, O5D, O5E) - Engine Data Sensors - Pressure, Temperature and Exhaust (LES_LEG).cgm
Crossland X - EWD - Engine - 1.2L (O5D) - Engine Controls and Fuel - 1.2L (LEG, LES, O5D, O5E) - Fuel Controls - Fuel Pump and Fuel Injectors (LES_LEG).cgm
Crossland X - EWD - Engine - 1.2L (O5D) - Engine Controls and Fuel - 1.2L (LEG, LES, O5D, O5E) - Fused Power Devices (LEG_LES).cgm
Crossland X - EWD - Engine - 1.2L (O5D) - Engine Controls and Fuel - 1.2L (LEG, LES, O5D, O5E) - Ignition Controls - Ignition Coil (LES_LEG).cgm
Crossland X - EWD - Engine - 1.2L (O5D) - Engine Controls and Fuel - 1.2L (LEG, LES, O5D, O5E) - Module Power, Ground and Serial Data (LES_LEG).cgm
Crossland X - EWD - Engine - 1.2L (O5D) - Engine Heating and Cooling - Fans.cgm
Crossland X - EWD - Engine - 1.2L (O5D) - Engine Heating and Cooling - Turbocharger Coolant Pump (LES_LEG).cgm
Crossland X - EWD - Engine - 1.2L (O5D) - Engine Mechanical - 1.2L (LEG, LES, O5D, O5E) - Oil Pressure Control.cgm
Crossland X - EWD - Engine - 1.2L (O5E) - 12 V Starting and Charging - Charging.cgm
Crossland X - EWD - Engine - 1.2L (O5E) - 12 V Starting and Charging - Start_Stop System.cgm
Crossland X - EWD - Engine - 1.2L (O5E) - 12 V Starting and Charging - Starting (KL9).cgm
Crossland X - EWD - Engine - 1.2L (O5E) - 12 V Starting and Charging - Starting (-KL9).cgm
Crossland X - EWD - Engine - 1.2L (O5E) - Cruise Control - Cruise Control.cgm
Crossland X - EWD - Engine - 1.2L (O5E) - Engine Controls and Fuel - 1.2L (LEG, LES, O5D, O5E) - 5V and Low Reference (LES_LEG).cgm
Crossland X - EWD - Engine - 1.2L (O5E) - Engine Controls and Fuel - 1.2L (LEG, LES, O5D, O5E) - Controlled_Monitored Subsystem References (LES_LEG).cgm
Crossland X - EWD - Engine - 1.2L (O5E) - Engine Controls and Fuel - 1.2L (LEG, LES, O5D, O5E) - Device and Fuel Controls - EVAP Emissions and Turbocharger Controls (LES_LEG).cgm
Crossland X - EWD - Engine - 1.2L (O5E) - Engine Controls and Fuel - 1.2L (LEG, LES, O5D, O5E) - Engine Data Sensors - Camshaft, Crankshaft and Knock Sensors and Camshaft Actuators (LES_LEG).cgm
Crossland X - EWD - Engine - 1.2L (O5E) - Engine Controls and Fuel - 1.2L (LEG, LES, O5D, O5E) - Engine Data Sensors - Oxygen and Throttle ((LEG_LES)+NCV).cgm
Crossland X - EWD - Engine - 1.2L (O5E) - Engine Controls and Fuel - 1.2L (LEG, LES, O5D, O5E) - Engine Data Sensors - Oxygen and Throttle ((LES_LEG)-NCV).cgm
Crossland X - EWD - Engine - 1.2L (O5E) - Engine Controls and Fuel - 1.2L (LEG, LES, O5D, O5E) - Engine Data Sensors - Pressure, Temperature and Exhaust (LES_LEG).cgm
Crossland X - EWD - Engine - 1.2L (O5E) - Engine Controls and Fuel - 1.2L (LEG, LES, O5D, O5E) - Fuel Controls - Fuel Pump and Fuel Injectors (LES_LEG).cgm
Crossland X - EWD - Engine - 1.2L (O5E) - Engine Controls and Fuel - 1.2L (LEG, LES, O5D, O5E) - Fused Power Devices (LEG_LES).cgm
Crossland X - EWD - Engine - 1.2L (O5E) - Engine Controls and Fuel - 1.2L (LEG, LES, O5D, O5E) - Ignition Controls - Ignition Coil (LES_LEG).cgm
Crossland X - EWD - Engine - 1.2L (O5E) - Engine Controls and Fuel - 1.2L (LEG, LES, O5D, O5E) - Module Power, Ground and Serial Data (LES_LEG).cgm
Crossland X - EWD - Engine - 1.2L (O5E) - Engine Heating and Cooling - Fans.cgm
Crossland X - EWD - Engine - 1.2L (O5E) - Engine Heating and Cooling - Turbocharger Coolant Pump (LES_LEG).cgm
Crossland X - EWD - Engine - 1.2L (O5E) - Engine Mechanical - 1.2L (LEG, LES, O5D, O5E) - Oil Pressure Control.cgm
Crossland X - EWD - Engine - 1.5L (LQJ) - 12 V Starting and Charging - Charging.cgm
Crossland X - EWD - Engine - 1.5L (LQJ) - 12 V Starting and Charging - Start_Stop System.cgm
Crossland X - EWD - Engine - 1.5L (LQJ) - 12 V Starting and Charging - Starting (KL9).cgm
Crossland X - EWD - Engine - 1.5L (LQJ) - 12 V Starting and Charging - Starting (-KL9).cgm
Crossland X - EWD - Engine - 1.5L (LQJ) - Cruise Control - Cruise Control.cgm
Crossland X - EWD - Engine - 1.5L (LQJ) - Engine Controls and Fuel - 1.5L (LQJ, LQP) Diesel - 5V1, 5V2 and Low Reference (LQJ_LQP) (1 of 2).cgm
Crossland X - EWD - Engine - 1.5L (LQJ) - Engine Controls and Fuel - 1.5L (LQJ, LQP) Diesel - 5V3 and Low Reference (LQJ_LQP) (2 of 2).cgm
Crossland X - EWD - Engine - 1.5L (LQJ) - Engine Controls and Fuel - 1.5L (LQJ, LQP) Diesel - Controlled_Monitored Subsystem References (LQJ_LQP).cgm
Crossland X - EWD - Engine - 1.5L (LQJ) - Engine Controls and Fuel - 1.5L (LQJ, LQP) Diesel - Emissions Controls - Reductant System, Nitrogen Oxides Sensor, and Crankcase Heater (LQJ_LQP).cgm
Crossland X - EWD - Engine - 1.5L (LQJ) - Engine Controls and Fuel - 1.5L (LQJ, LQP) Diesel - Engine Data Sensors - Camshaft and Crankshaft Sensors (LQJ_LQP).cgm
Crossland X - EWD - Engine - 1.5L (LQJ) - Engine Controls and Fuel - 1.5L (LQJ, LQP) Diesel - Engine Data Sensors - Exhaust Controls and Sensors (LQJ_LQP).cgm
Crossland X - EWD - Engine - 1.5L (LQJ) - Engine Controls and Fuel - 1.5L (LQJ, LQP) Diesel - Engine Data Sensors - Pressure and Temperature (LQJ_LQP).cgm
Crossland X - EWD - Engine - 1.5L (LQJ) - Engine Controls and Fuel - 1.5L (LQJ, LQP) Diesel - Engine Data Sensors - Throttle and Turbocharger (LQJ_LQP).cgm
Crossland X - EWD - Engine - 1.5L (LQJ) - Engine Controls and Fuel - 1.5L (LQJ, LQP) Diesel - Fuel Controls - Fuel Pumps and Fuel Injectors (LQJ_LQP).cgm
Crossland X - EWD - Engine - 1.5L (LQJ) - Engine Controls and Fuel - 1.5L (LQJ, LQP) Diesel - Fuel Controls - Glow Plugs, Fuel Pressure Sensors and Fuel Heater (LQJ_LQP).cgm
Crossland X - EWD - Engine - 1.5L (LQJ) - Engine Controls and Fuel - 1.5L (LQJ, LQP) Diesel - Fused Power Devices (LQJ_LQP).cgm
Crossland X - EWD - Engine - 1.5L (LQJ) - Engine Controls and Fuel - 1.5L (LQJ, LQP) Diesel - Module Power, Ground, Serial Data and MIL (LQJ_LQP).cgm
Crossland X - EWD - Engine - 1.5L (LQJ) - Engine Heating and Cooling - Fans.cgm
Crossland X - EWD - Engine - 1.5L (LQJ) - Engine Heating and Cooling - Turbocharger Coolant Pump (LES_LEG).cgm
Crossland X - EWD - Engine - 1.5L (LQJ) - Engine Mechanical - 1.5L (LQJ, LQP) Diesel - Oil Pressure Control (LQJ_LQP).cgm
Crossland X - EWD - Engine - 1.5L (LQP) - 12 V Starting and Charging - Charging.cgm
Crossland X - EWD - Engine - 1.5L (LQP) - 12 V Starting and Charging - Start_Stop System.cgm
Crossland X - EWD - Engine - 1.5L (LQP) - 12 V Starting and Charging - Starting (KL9).cgm
Crossland X - EWD - Engine - 1.5L (LQP) - 12 V Starting and Charging - Starting (-KL9).cgm
Crossland X - EWD - Engine - 1.5L (LQP) - Cruise Control - Cruise Control.cgm
Crossland X - EWD - Engine - 1.5L (LQP) - Engine Controls and Fuel - 1.5L (LQJ, LQP) Diesel - 5V1, 5V2 and Low Reference (LQJ_LQP) (1 of 2).cgm
Crossland X - EWD - Engine - 1.5L (LQP) - Engine Controls and Fuel - 1.5L (LQJ, LQP) Diesel - 5V3 and Low Reference (LQJ_LQP) (2 of 2).cgm
Crossland X - EWD - Engine - 1.5L (LQP) - Engine Controls and Fuel - 1.5L (LQJ, LQP) Diesel - Controlled_Monitored Subsystem References (LQJ_LQP).cgm
Crossland X - EWD - Engine - 1.5L (LQP) - Engine Controls and Fuel - 1.5L (LQJ, LQP) Diesel - Emissions Controls - Reductant System, Nitrogen Oxides Sensor, and Crankcase Heater (LQJ_LQP).cgm
Crossland X - EWD - Engine - 1.5L (LQP) - Engine Controls and Fuel - 1.5L (LQJ, LQP) Diesel - Engine Data Sensors - Camshaft and Crankshaft Sensors (LQJ_LQP).cgm
Crossland X - EWD - Engine - 1.5L (LQP) - Engine Controls and Fuel - 1.5L (LQJ, LQP) Diesel - Engine Data Sensors - Exhaust Controls and Sensors (LQJ_LQP).cgm
Crossland X - EWD - Engine - 1.5L (LQP) - Engine Controls and Fuel - 1.5L (LQJ, LQP) Diesel - Engine Data Sensors - Pressure and Temperature (LQJ_LQP).cgm
Crossland X - EWD - Engine - 1.5L (LQP) - Engine Controls and Fuel - 1.5L (LQJ, LQP) Diesel - Engine Data Sensors - Throttle and Turbocharger (LQJ_LQP).cgm
Crossland X - EWD - Engine - 1.5L (LQP) - Engine Controls and Fuel - 1.5L (LQJ, LQP) Diesel - Fuel Controls - Fuel Pumps and Fuel Injectors (LQJ_LQP).cgm
Crossland X - EWD - Engine - 1.5L (LQP) - Engine Controls and Fuel - 1.5L (LQJ, LQP) Diesel - Fuel Controls - Glow Plugs, Fuel Pressure Sensors and Fuel Heater (LQJ_LQP).cgm
Crossland X - EWD - Engine - 1.5L (LQP) - Engine Controls and Fuel - 1.5L (LQJ, LQP) Diesel - Fused Power Devices (LQJ_LQP).cgm
Crossland X - EWD - Engine - 1.5L (LQP) - Engine Controls and Fuel - 1.5L (LQJ, LQP) Diesel - Module Power, Ground, Serial Data and MIL (LQJ_LQP).cgm
Crossland X - EWD - Engine - 1.5L (LQP) - Engine Heating and Cooling - Fans.cgm
Crossland X - EWD - Engine - 1.5L (LQP) - Engine Heating and Cooling - Turbocharger Coolant Pump (LES_LEG).cgm
Crossland X - EWD - Engine - 1.5L (LQP) - Engine Mechanical - 1.5L (LQJ, LQP) Diesel - Oil Pressure Control (LQJ_LQP).cgm
Crossland X - EWD - Engine - 1.6L (LFU) - 12 V Starting and Charging - Charging.cgm
Crossland X - EWD - Engine - 1.6L (LFU) - 12 V Starting and Charging - Start_Stop System.cgm
Crossland X - EWD - Engine - 1.6L (LFU) - 12 V Starting and Charging - Starting (KL9).cgm
Crossland X - EWD - Engine - 1.6L (LFU) - 12 V Starting and Charging - Starting (-KL9).cgm
Crossland X - EWD - Engine - 1.6L (LFU) - Cruise Control - Cruise Control.cgm
Crossland X - EWD - Engine - 1.6L (LFU) - Engine Controls and Fuel - 1.6L (LFU) Diesel - 5V and Low Reference (LFU).cgm
Crossland X - EWD - Engine - 1.6L (LFU) - Engine Controls and Fuel - 1.6L (LFU) Diesel - Emissions Controls - Crankcase Heater (LFU).cgm
Crossland X - EWD - Engine - 1.6L (LFU) - Engine Controls and Fuel - 1.6L (LFU) Diesel - Engine Data Sensors - Camshaft and Crankshaft Sensors (LFU).cgm
Crossland X - EWD - Engine - 1.6L (LFU) - Engine Controls and Fuel - 1.6L (LFU) Diesel - Engine Data Sensors - Exhaust Controls and Sensors (LFU).cgm
Crossland X - EWD - Engine - 1.6L (LFU) - Engine Controls and Fuel - 1.6L (LFU) Diesel - Engine Data Sensors - Pressure and Temperature (LFU).cgm
Crossland X - EWD - Engine - 1.6L (LFU) - Engine Controls and Fuel - 1.6L (LFU) Diesel - Engine Data Sensors - Throttle and Turbocharger (LFU).cgm
Crossland X - EWD - Engine - 1.6L (LFU) - Engine Controls and Fuel - 1.6L (LFU) Diesel - Fuel Controls - Fuel Pumps and Fuel Injectors (LFU).cgm
Crossland X - EWD - Engine - 1.6L (LFU) - Engine Controls and Fuel - 1.6L (LFU) Diesel - Fuel Controls - Glow Plugs, Fuel Pressure Sensor, and Fuel Heater (LFU).cgm
Crossland X - EWD - Engine - 1.6L (LFU) - Engine Controls and Fuel - 1.6L (LFU) Diesel - Fused Power Devices (LFU).cgm
Crossland X - EWD - Engine - 1.6L (LFU) - Engine Controls and Fuel - 1.6L (LFU) Diesel - Module Power, Ground, Serial Data and MIL (LFU).cgm
Crossland X - EWD - Engine - 1.6L (LFU) - Engine Heating and Cooling - Fans.cgm
Crossland X - EWD - Engine - 1.6L (LFU) - Engine Heating and Cooling - Turbocharger Coolant Pump (LES_LEG).cgm
Crossland X - EWD - HVAC - HVAC - Automatic_Manual - Auxiliary Heater (C32).cgm
Crossland X - EWD - HVAC - HVAC - Automatic_Manual - Blower Controls.cgm
Crossland X - EWD - HVAC - HVAC - Automatic_Manual - Compressor Controls.cgm
Crossland X - EWD - HVAC - HVAC - Automatic_Manual - Mode and Temperature Actuators.cgm
Crossland X - EWD - HVAC - HVAC - Automatic_Manual - Power, Ground, Serial Data and Controls.cgm
Crossland X - EWD - Power and Signal Distribution - Data Communications - Body Control System Schematics - Power and Ground.cgm
Crossland X - EWD - Power and Signal Distribution - Data Communications - Body Control System Schematics - Subsystem References (1 of 3).cgm
Crossland X - EWD - Power and Signal Distribution - Data Communications - Body Control System Schematics - Subsystem References (2 of 3).cgm
Crossland X - EWD - Power and Signal Distribution - Data Communications - Body Control System Schematics - Subsystem References (3 of 3).cgm
Crossland X - EWD - Power and Signal Distribution - Data Communications - Data Communication Schematics - Body Control Module LIN Bus.cgm
Crossland X - EWD - Power and Signal Distribution - Data Communications - Data Communication Schematics - Data Link Connector Power, Ground and Serial Data.cgm
Crossland X - EWD - Power and Signal Distribution - Data Communications - Data Communication Schematics - Engine Control Module LIN Bus 1.cgm
Crossland X - EWD - Power and Signal Distribution - Data Communications - Data Communication Schematics - Headlamp Control Module LIN Bus 1.cgm
Crossland X - EWD - Power and Signal Distribution - Data Communications - Data Communication Schematics - High Speed CAN Bus.cgm
Crossland X - EWD - Power and Signal Distribution - Data Communications - Data Communication Schematics - Low Speed CAN Bus.cgm
Crossland X - EWD - Power and Signal Distribution - Data Communications - Data Communication Schematics - Multimedia CAN Bus.cgm
Crossland X - EWD - Power and Signal Distribution - Data Communications - Data Communication Schematics - Powertrain and Chassis Expansion CAN Bus.cgm
Crossland X - EWD - Power and Signal Distribution - Data Communications - Data Communication Schematics - Security Data and Engine Data.cgm
Crossland X - EWD - Power and Signal Distribution - Power Outlets - Cigar Lighter_Power Outlet Schematics - Cigarette Lighter, Accessory Power Receptacle and Wireless Charging (K4C).cgm
Crossland X - EWD - Power and Signal Distribution - Wiring Systems and Power Management - Ground Distribution Schematics - G101, G102, G103, and G104.cgm
Crossland X - EWD - Power and Signal Distribution - Wiring Systems and Power Management - Ground Distribution Schematics - G105 and G106.cgm
Crossland X - EWD - Power and Signal Distribution - Wiring Systems and Power Management - Ground Distribution Schematics - G107, G108 and G109.cgm
Crossland X - EWD - Power and Signal Distribution - Wiring Systems and Power Management - Ground Distribution Schematics - G111.cgm
Crossland X - EWD - Power and Signal Distribution - Wiring Systems and Power Management - Ground Distribution Schematics - G201 and G202.cgm
Crossland X - EWD - Power and Signal Distribution - Wiring Systems and Power Management - Ground Distribution Schematics - G204.cgm
Crossland X - EWD - Power and Signal Distribution - Wiring Systems and Power Management - Ground Distribution Schematics - G205 and G406.cgm
Crossland X - EWD - Power and Signal Distribution - Wiring Systems and Power Management - Ground Distribution Schematics - G302, G303, F5DB and F11DB.cgm
Crossland X - EWD - Power and Signal Distribution - Wiring Systems and Power Management - Ground Distribution Schematics - G407.cgm
Crossland X - EWD - Power and Signal Distribution - Wiring Systems and Power Management - Ignition Lock Schematics - Ignition Lock.cgm
Crossland X - EWD - Power and Signal Distribution - Wiring Systems and Power Management - Power Distribution Schematics - B+ Bus K9 Body Control Module.cgm
Crossland X - EWD - Power and Signal Distribution - Wiring Systems and Power Management - Power Distribution Schematics - F10DA, F11DA and F12DA.cgm
Crossland X - EWD - Power and Signal Distribution - Wiring Systems and Power Management - Power Distribution Schematics - F14UA, F15UA, F18UA, F19UA, F21UA, F29UA, F31UA and F32UA.cgm
Crossland X - EWD - Power and Signal Distribution - Wiring Systems and Power Management - Power Distribution Schematics - F1BA, F2BA, F3BA, F4BA and F5BA.cgm
Crossland X - EWD - Power and Signal Distribution - Wiring Systems and Power Management - Power Distribution Schematics - F1DA, F2DA, F3DA, F4DA, F5DA, F6DA, F7DA, F8DA, and F9DA.cgm
Crossland X - EWD - Power and Signal Distribution - Wiring Systems and Power Management - Power Distribution Schematics - F1DB, F4DB, F5DB, F6DB, F10DB, F11DB, F16DB, F26DB, F33DB, F34DB and F35DB.cgm
Crossland X - EWD - Power and Signal Distribution - Wiring Systems and Power Management - Power Distribution Schematics - F1UA, F2UA, F3UA, F4UA, F5UA, F6UA, F7UA, F22UA, F23UA, F24UA, F25UA, F26UA and F27UA.cgm
Crossland X - EWD - Power and Signal Distribution - Wiring Systems and Power Management - Power Distribution Schematics - F36DC, F37DC, F38DC, F39DC, F40DC, F1DD, F2DD and F3DD.cgm
Crossland X - EWD - Power and Signal Distribution - Wiring Systems and Power Management - Power Distribution Schematics - F36RA, F37RA, and F38RA (PSA_Z86).cgm
Crossland X - EWD - Power and Signal Distribution - Wiring Systems and Power Management - Power Distribution Schematics - F3DB, F12DB, F13DB, F15DB, F17DB, F18DB, F22DB, F23DB, F24DB, and F25DB.cgm
Crossland X - EWD - Power and Signal Distribution - Wiring Systems and Power Management - Power Distribution Schematics - F7DB, F14DB, F19DB, F21DB, F27DB, F29DB, F31DB, F32DB and F36DB.cgm
Crossland X - EWD - Power and Signal Distribution - Wiring Systems and Power Management - Power Distribution Schematics - F8UA, F9UA, F10UA, F11UA, F12UA, F13UA, F16UA, F17UA, F20UA and F28UA (LES_LEG).cgm
Crossland X - EWD - Power and Signal Distribution - Wiring Systems and Power Management - Power Distribution Schematics - F8UA, F9UA, F10UA, F11UA, F12UA, F13UA, F16UA, F17UA, F20UA and F28UA (LEZ+NCV).cgm
Crossland X - EWD - Power and Signal Distribution - Wiring Systems and Power Management - Power Distribution Schematics - F8UA, F9UA, F10UA, F11UA, F12UA, F13UA, F16UA, F17UA, F20UA and F28UA (LEZ-NCV).cgm
Crossland X - EWD - Power and Signal Distribution - Wiring Systems and Power Management - Power Distribution Schematics - F8UA, F9UA, F10UA, F11UA, F12UA, F13UA, F16UA, F17UA, F20UA and F28UA (LFU).cgm
Crossland X - EWD - Power and Signal Distribution - Wiring Systems and Power Management - Power Distribution Schematics - F8UA, F9UA, F10UA, F11UA, F12UA, F13UA, F16UA, F17UA, F20UA and F28UA (LQJ_LQP).cgm
Crossland X - EWD - Power and Signal Distribution - Wiring Systems and Power Management - Power Moding Schematics - Battery Power Supply Relay.cgm
Crossland X - EWD - Power and Signal Distribution - Wiring Systems and Power Management - Power Moding Schematics - Ignition Mode Switch (ATH_BTM).cgm
Crossland X - EWD - Power and Signal Distribution - Wiring Systems and Power Management - Power Moding Schematics - Ignition Relays.cgm
Crossland X - EWD - Power and Signal Distribution - Wiring Systems and Power Management - Power Moding Schematics - Ignition Switch (Without ATH_BTM).cgm
Crossland X - EWD - Power and Signal Distribution - Wiring Systems and Power Management - Trailer Connector_Provision Schematics - Trailer Lighting (V65).cgm
Crossland X - EWD - Roof - Sunroof - Sunroof Sunshade (CFD).cgm
Crossland X - EWD - Safety and Security - Driver Assistance Systems - Blindspot Indicators (UDQ).cgm
Crossland X - EWD - Safety and Security - Driver Assistance Systems - Lane Daparture Warning (UFL), and Forward Collision Alert (UEU).cgm
Crossland X - EWD - Safety and Security - Immobilizer - Immobilizer.cgm
Crossland X - EWD - Safety and Security - Parking Assistance Systems - Front Sensors (UD5_UDQ_UFQ).cgm
Crossland X - EWD - Safety and Security - Parking Assistance Systems - Power, Ground, Serial Data, and Controls (UD5_UD7_UDQ_UFQ).cgm
Crossland X - EWD - Safety and Security - Parking Assistance Systems - Rear Sensors (UD5_UD7_UDQ_UFQ).cgm
Crossland X - EWD - Safety and Security - Remote Functions - Keyless Entry.cgm
Crossland X - EWD - Safety and Security - Seat Belts - Front.cgm
Crossland X - EWD - Safety and Security - Seat Belts - Rear (A63).cgm
Crossland X - EWD - Safety and Security - Seat Belts - Rear (A64).cgm
Crossland X - EWD - Safety and Security - Supplemental Restraints - Front Impact Sensing and Deployment (LHD).cgm
Crossland X - EWD - Safety and Security - Supplemental Restraints - Front Impact Sensing and Deployment (RHD).cgm
Crossland X - EWD - Safety and Security - Supplemental Restraints - Power, Ground, Serial Data, Indicators and Seat Position.cgm
Crossland X - EWD - Safety and Security - Supplemental Restraints - Side Impact Sensing and Deployment.cgm
Crossland X - EWD - Safety and Security - Theft Deterrent - Content Theft.cgm
Crossland X - EWD - Seats - Power Seats - Driver Seat Schematics - Seat Position and Lumbar.cgm
Crossland X - EWD - Seats - Power Seats - Passenger Seat Schematics - Seat Position and Lumbar.cgm
Crossland X - EWD - Seats - Seat Heating and Cooling - Heated Seats (LHD with KA1).cgm
Crossland X - EWD - Seats - Seat Heating and Cooling - Heated Seats (RHD with KA1).cgm
Crossland X - EWD - Steering - Power Steering - Power Steering.cgm
Crossland X - EWD - Steering - Steering Wheel and Column - Heated Steering Wheel.cgm
Crossland X - EWD - Steering - Steering Wheel and Column - Steering Column Lock (BTM).cgm
Crossland X - EWD - Suspension - Tire Pressure Monitoring - Tire Pressure Initialization.cgm
Crossland X - EWD - Transmission - Automatic Transmission - 6III (ME1) - Power, Ground, Serial Data, MIL and Manual Shift Controls (ME1).cgm
Crossland X - EWD - Transmission - Automatic Transmission - 6III (ME1) - Speed and Temperature Sensors, Pressure and Shift Controls (ME1).cgm
Crossland X - EWD - Transmission - Manual Transmission - MA (M0E) - 5-Speed (M0E).cgm
Crossland X - EWD - Transmission - Manual Transmission - MB (M0F) - 6-Speed (M0F).cgm
Crossland X - EWD - Transmission - Shift Lock Control - Shift Lock (ME1).cgm
#More Product: Opel Service Manual, Repair Manual, Electrical Wiring Diagram


