Opel GM Grandland X 2020 Wiring Diagrams
Size: 18.2 MB
Format: PDF, CGM
Machine: Automotive
Machine Model: Opel GM Grandland X 2020
Document: Wiring Diagrams
Contents:
EWD:
Body Repair
Bolted Exterior Body Panels and Closures
Bumpers and Fascias
Body Systems
Fixed and Moveable Windows
Horns and Pedestrian Alerts
Lighting
Mirrors
Vehicle Access
Wipers and Washers
Brakes
Antilock Brake System
Hydraulic Brakes
Park Brake
Driver Information and Entertainment
Cellular, Entertainment, and Navigation
Displays and Gauges
Image Display Cameras
Secondary and Configurable Customer Controls
Engine
1.2L (LES)
1.2L (O3S)
1.2L (O5E)
1.5L (LQJ)
1.5L (LQP)
1.6L (BNZ)
1.6L (LHI)
1.6L (LTM)
2.0L (LCI)
2.0L (O5Q)
HVAC
HVAC - Automatic
Power and Signal Distribution
Data Communications
Power Outlets
Wiring Systems and Power Management
Roof
Sunroof
Safety and Security
Driver Assistance Systems
Immobilizer
Parking Assistance Systems
Remote Functions
Seat Belts
Supplemental Restraints
Theft Deterrent
Seats
Power Seats
Seat Heating and Cooling
Steering
Power Steering
Steering Wheel and Column
Suspension
Tire Pressure Monitoring
Transmission
Automatic Transmission - 6III (ME1 MVQ)
Automatic Transmission - AT8 (M5V, MRE)
Automatic Transmission - AT8 (MM2)
Manual Transmission - MB6 (M0F)
Manual Transmission - ML6C (M0A)
Shift Lock Control
Transmission Cooling
Control Module U Code List.pdf
RPO Code List.pdf
Schematics RPO Code List.pdf
Service Interval reset 2019 MY
Detail
Contents:
Grandland X - Control Module U Code List.pdf
Grandland X - RPO Code List.pdf
Grandland X - Schematics RPO Code List.pdf
Grandland X - Service Interval reset 2020 MY.pdf
Grandland X - EWD - Body Repair - Bolted Exterior Body Panels and Closures - Hood Latch.cgm
Grandland X - EWD - Body Repair - Bumpers and Fascias - Active Grille Air Shutter (VRI).cgm
Grandland X - EWD - Body Systems - Fixed and Moveable Windows - Defogger Schematics - Rear Defogger.cgm
Grandland X - EWD - Body Systems - Fixed and Moveable Windows - Defogger Schematics - Windshield Defogger (C50).cgm
Grandland X - EWD - Body Systems - Fixed and Moveable Windows - Moveable Window Schematics - Front Windows (DXJ+LHD).cgm
Grandland X - EWD - Body Systems - Fixed and Moveable Windows - Moveable Window Schematics - Front Windows (DXJ+RHD).cgm
Grandland X - EWD - Body Systems - Fixed and Moveable Windows - Moveable Window Schematics - Front Windows (DXK+LHD).cgm
Grandland X - EWD - Body Systems - Fixed and Moveable Windows - Moveable Window Schematics - Front Windows (DXK+RHD).cgm
Grandland X - EWD - Body Systems - Fixed and Moveable Windows - Moveable Window Schematics - Rear Windows (DXJ).cgm
Grandland X - EWD - Body Systems - Fixed and Moveable Windows - Moveable Window Schematics - Rear Windows (DXK).cgm
Grandland X - EWD - Body Systems - Horns and Pedestrian Alerts - Horn.cgm
Grandland X - EWD - Body Systems - Lighting - Exterior Lights Schematics - Controls and Indicators.cgm
Grandland X - EWD - Body Systems - Lighting - Exterior Lights Schematics - Courtesy and License Plate Lamps.cgm
Grandland X - EWD - Body Systems - Lighting - Exterior Lights Schematics - Front Turn Signals (T4A).cgm
Grandland X - EWD - Body Systems - Lighting - Exterior Lights Schematics - Front Turn Signals and Cornering Lamps (T4L).cgm
Grandland X - EWD - Body Systems - Lighting - Exterior Lights Schematics - Tail, Stop, Rear Turn and Backup Lamps.cgm
Grandland X - EWD - Body Systems - Lighting - Fog Lights Schematics - Fog Lamps.cgm
Grandland X - EWD - Body Systems - Lighting - Headlights_Daytime Running Lights (DRL) Schematics - Automatic Leveling (TR7).cgm
Grandland X - EWD - Body Systems - Lighting - Headlights_Daytime Running Lights (DRL) Schematics - Controls and Indicators.cgm
Grandland X - EWD - Body Systems - Lighting - Headlights_Daytime Running Lights (DRL) Schematics - High, Low Beams and Daytime Running Lamps (T4A).cgm
Grandland X - EWD - Body Systems - Lighting - Headlights_Daytime Running Lights (DRL) Schematics - Left High and Low Beams and Daytime Running Lamps (T4L).cgm
Grandland X - EWD - Body Systems - Lighting - Headlights_Daytime Running Lights (DRL) Schematics - Manual Leveling (TR6).cgm
Grandland X - EWD - Body Systems - Lighting - Headlights_Daytime Running Lights (DRL) Schematics - Right High and Low Beams and Daytime Running Lamps (T4L).cgm
Grandland X - EWD - Body Systems - Lighting - Interior Lights Dimming Schematics - Interior Lights Dimming (1 of 2).cgm
Grandland X - EWD - Body Systems - Lighting - Interior Lights Dimming Schematics - Interior Lights Dimming (2 of 2).cgm
Grandland X - EWD - Body Systems - Lighting - Interior Lights Schematics - Dome and Sunshade Lamps.cgm
Grandland X - EWD - Body Systems - Lighting - Interior Lights Schematics - Interior Lighting (1 of 3).cgm
Grandland X - EWD - Body Systems - Lighting - Interior Lights Schematics - Interior Lighting (2 of 3).cgm
Grandland X - EWD - Body Systems - Lighting - Interior Lights Schematics - Interior Lighting (3 of 3).cgm
Grandland X - EWD - Body Systems - Mirrors - Inside Rearview Mirror Schematics - Inside Rearview Mirror (DD8).cgm
Grandland X - EWD - Body Systems - Mirrors - Outside Rearview Mirror Schematics - Folding Mirrors (DXJ+LHD without UDQ).cgm
Grandland X - EWD - Body Systems - Mirrors - Outside Rearview Mirror Schematics - Folding Mirrors (DXJ+RHD without UDQ).cgm
Grandland X - EWD - Body Systems - Mirrors - Outside Rearview Mirror Schematics - Heated Mirrors.cgm
Grandland X - EWD - Body Systems - Mirrors - Outside Rearview Mirror Schematics - Outside Rearview Mirror Position - Driver (DXJ+UDQ).cgm
Grandland X - EWD - Body Systems - Mirrors - Outside Rearview Mirror Schematics - Outside Rearview Mirror Position - Passenger (DXJ+UDQ).cgm
Grandland X - EWD - Body Systems - Mirrors - Outside Rearview Mirror Schematics - Outside Rearview Mirror Position (DXJ+LHD).cgm
Grandland X - EWD - Body Systems - Mirrors - Outside Rearview Mirror Schematics - Outside Rearview Mirror Position (DXJ+RHD).cgm
Grandland X - EWD - Body Systems - Mirrors - Outside Rearview Mirror Schematics - Outside Rearview Mirror Position (DXK+LHD).cgm
Grandland X - EWD - Body Systems - Mirrors - Outside Rearview Mirror Schematics - Outside Rearview Mirror Position (DXK+RHD).cgm
Grandland X - EWD - Body Systems - Vehicle Access - Door Lock_Indicator Schematics - Ajar Switches and Lock Indicators (LHD).cgm
Grandland X - EWD - Body Systems - Vehicle Access - Door Lock_Indicator Schematics - Ajar Switches and Lock Indicators (RHD).cgm
Grandland X - EWD - Body Systems - Vehicle Access - Door Lock_Indicator Schematics - Door Handle Switches (ATH_BTM).cgm
Grandland X - EWD - Body Systems - Vehicle Access - Door Lock_Indicator Schematics - Door Lock Actuators (UTT+LHD).cgm
Grandland X - EWD - Body Systems - Vehicle Access - Door Lock_Indicator Schematics - Door Lock Actuators (UTT+RHD).cgm
Grandland X - EWD - Body Systems - Vehicle Access - Door Lock_Indicator Schematics - Door Lock Actuators (without UTT).cgm
Grandland X - EWD - Body Systems - Vehicle Access - Door Lock_Indicator Schematics - Keyless Entry Antennas (ATH_BTM).cgm
Grandland X - EWD - Body Systems - Vehicle Access - Door Lock_Indicator Schematics - Lock Switch and Child Lock Status.cgm
Grandland X - EWD - Body Systems - Vehicle Access - Liftgate Schematics - Hands-Free Liftgate Sensing (TC2).cgm
Grandland X - EWD - Body Systems - Vehicle Access - Liftgate Schematics - Liftgate Actuation.cgm
Grandland X - EWD - Body Systems - Vehicle Access - Liftgate Schematics - Power, Ground, Serial Data, and Controls.cgm
Grandland X - EWD - Body Systems - Vehicle Access - Release Systems Schematics - Fuel Fill Door (LTM).cgm
Grandland X - EWD - Body Systems - Vehicle Access - Release Systems Schematics - Liftgate Release.cgm
Grandland X - EWD - Body Systems - Wipers and Washers - Front Wipers.cgm
Grandland X - EWD - Body Systems - Wipers and Washers - Washer System and Rear Wiper.cgm
Grandland X - EWD - Brakes - Antilock Brake System - Module Power, Ground, Serial Data and Traction Control Switch (FX3-H4H_-LTM).cgm
Grandland X - EWD - Brakes - Antilock Brake System - Module Power, Ground, Serial Data, and Capacitor (LTM).cgm
Grandland X - EWD - Brakes - Antilock Brake System - Traction Control Switch (FX3+H4H).cgm
Grandland X - EWD - Brakes - Antilock Brake System - Wheel Speed Sensors.cgm
Grandland X - EWD - Brakes - Hydraulic Brakes - Brake Booster Control and Pedal Position (LTM).cgm
Grandland X - EWD - Brakes - Hydraulic Brakes - Hydraulic Brake.cgm
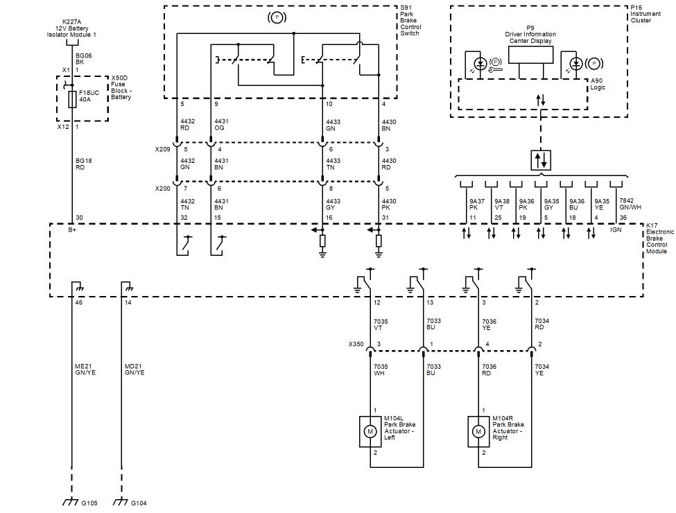
Grandland X - EWD - Brakes - Park Brake - Electric Park Brake (LTM).cgm
Grandland X - EWD - Brakes - Park Brake - Electric Park Brake (-LTM).cgm
Grandland X - EWD - Driver Information and Entertainment - Cellular, Entertainment, and Navigation - Radio_Navigation System Schematics (IO6) - Audio Amplifier - Front Speakers (IO6+UQS).cgm
Grandland X - EWD - Driver Information and Entertainment - Cellular, Entertainment, and Navigation - Radio_Navigation System Schematics (IO6) - Audio Amplifier - Power, Ground, Serial Data, and Audio Inputs (IO6+UQS).cgm
Grandland X - EWD - Driver Information and Entertainment - Cellular, Entertainment, and Navigation - Radio_Navigation System Schematics (IO6) - Audio Amplifier - Rear Speakers (IO6+UQS).cgm
Grandland X - EWD - Driver Information and Entertainment - Cellular, Entertainment, and Navigation - Radio_Navigation System Schematics (IO6) - Auxiliary Inputs (IO6).cgm
Grandland X - EWD - Driver Information and Entertainment - Cellular, Entertainment, and Navigation - Radio_Navigation System Schematics (IO6) - CD Player (IO6+TG5).cgm
Grandland X - EWD - Driver Information and Entertainment - Cellular, Entertainment, and Navigation - Radio_Navigation System Schematics (IO6) - Power, Ground, Serial Data, Microphone and Antenna (IO6).cgm
Grandland X - EWD - Driver Information and Entertainment - Cellular, Entertainment, and Navigation - Radio_Navigation System Schematics (IO6) - Radio Controls and Display (IO6).cgm
Grandland X - EWD - Driver Information and Entertainment - Cellular, Entertainment, and Navigation - Radio_Navigation System Schematics (IO6) - Speakers (IO6+UW6).cgm
Grandland X - EWD - Driver Information and Entertainment - Cellular, Entertainment, and Navigation - Radio_Navigation System Schematics (IO7) - Auxiliary Inputs (IO7).cgm
Grandland X - EWD - Driver Information and Entertainment - Cellular, Entertainment, and Navigation - Radio_Navigation System Schematics (IO7) - Power, Ground, Serial Data, Microphone and Antenna (IO7).cgm
Grandland X - EWD - Driver Information and Entertainment - Cellular, Entertainment, and Navigation - Radio_Navigation System Schematics (IO7) - Radio Controls and Display (IO7).cgm
Grandland X - EWD - Driver Information and Entertainment - Cellular, Entertainment, and Navigation - Radio_Navigation System Schematics (IO7) - Speakers (IO7).cgm
Grandland X - EWD - Driver Information and Entertainment - Cellular, Entertainment, and Navigation - Radio_Navigation System Schematics (IOA) - Auxiliary Inputs (IOA).cgm
Grandland X - EWD - Driver Information and Entertainment - Cellular, Entertainment, and Navigation - Radio_Navigation System Schematics (IOA) - Power, Ground, Serial Data, Microphone and Antenna (IOA).cgm
Grandland X - EWD - Driver Information and Entertainment - Cellular, Entertainment, and Navigation - Radio_Navigation System Schematics (IOA) - Speakers (IOA).cgm
Grandland X - EWD - Driver Information and Entertainment - Cellular, Entertainment, and Navigation - Telematics Schematics - Controls and Audio Signals (U0U).cgm
Grandland X - EWD - Driver Information and Entertainment - Cellular, Entertainment, and Navigation - Telematics Schematics - Power, Ground, Serial Data and Antennas (U0U).cgm
Grandland X - EWD - Driver Information and Entertainment - Displays and Gauges - Audible Warnings Schematics - Audible Warnings.cgm
Grandland X - EWD - Driver Information and Entertainment - Displays and Gauges - Instrument Cluster Schematics - Indicators.cgm
Grandland X - EWD - Driver Information and Entertainment - Displays and Gauges - Instrument Cluster Schematics - Power, Ground, Serial Data and Gauges.cgm
Grandland X - EWD - Driver Information and Entertainment - Image Display Cameras - 360 Degree Vision (UVH).cgm
Grandland X - EWD - Driver Information and Entertainment - Image Display Cameras - Rearview Camera (UVC).cgm
Grandland X - EWD - Driver Information and Entertainment - Secondary and Configurable Customer Controls - Drive Mode Select (LTM).cgm
Grandland X - EWD - Driver Information and Entertainment - Secondary and Configurable Customer Controls - Dynamic Ride Control.cgm
Grandland X - EWD - Driver Information and Entertainment - Secondary and Configurable Customer Controls - Steering Wheel Controls.cgm
Grandland X - EWD - Engine - 1.2L (LES) - 12 V Starting and Charging - Charging (KL5).cgm
Grandland X - EWD - Engine - 1.2L (LES) - 12 V Starting and Charging - Charging (LTM).cgm
Grandland X - EWD - Engine - 1.2L (LES) - 12 V Starting and Charging - Charging (without KL5 or LTM).cgm
Grandland X - EWD - Engine - 1.2L (LES) - 12 V Starting and Charging - Start_Stop System (KL5).cgm
Grandland X - EWD - Engine - 1.2L (LES) - 12 V Starting and Charging - Starting (except LTM).cgm
Grandland X - EWD - Engine - 1.2L (LES) - 12 V Starting and Charging - Starting (LTM).cgm
Grandland X - EWD - Engine - 1.2L (LES) - Cruise Control - Cruise Control.cgm
Grandland X - EWD - Engine - 1.2L (LES) - Engine Controls and Fuel - 1.2L (LES, O3S, O5E) - Engine Controls Schematics (LES+NCV_O3S) - 5V and Low Reference (LES+NCV_O3S).cgm
Grandland X - EWD - Engine - 1.2L (LES) - Engine Controls and Fuel - 1.2L (LES, O3S, O5E) - Engine Controls Schematics (LES+NCV_O3S) - Controlled_Monitored Subsystem References (LES+NCV_O3S).cgm
Grandland X - EWD - Engine - 1.2L (LES) - Engine Controls and Fuel - 1.2L (LES, O3S, O5E) - Engine Controls Schematics (LES+NCV_O3S) - Device and Fuel Controls - EVAP Emissions and Turbocharger Controls (LES+NCV_O3S).cgm
Grandland X - EWD - Engine - 1.2L (LES) - Engine Controls and Fuel - 1.2L (LES, O3S, O5E) - Engine Controls Schematics (LES+NCV_O3S) - Engine Data Sensors - Camshaft, Crankshaft and Knock Sensors and Camshaft Actuators (LES+NCV_O3S).cgm
Grandland X - EWD - Engine - 1.2L (LES) - Engine Controls and Fuel - 1.2L (LES, O3S, O5E) - Engine Controls Schematics (LES+NCV_O3S) - Engine Data Sensors - Oxygen and Throttle (LES+NCV_O3S).cgm
Grandland X - EWD - Engine - 1.2L (LES) - Engine Controls and Fuel - 1.2L (LES, O3S, O5E) - Engine Controls Schematics (LES+NCV_O3S) - Engine Data Sensors - Pressure, Temperature, and Exhaust (LES+NCV_O3S).cgm
Grandland X - EWD - Engine - 1.2L (LES) - Engine Controls and Fuel - 1.2L (LES, O3S, O5E) - Engine Controls Schematics (LES+NCV_O3S) - Fuel Controls - Fuel Pump and Fuel Injectors (LES+NCV_O3S).cgm
Grandland X - EWD - Engine - 1.2L (LES) - Engine Controls and Fuel - 1.2L (LES, O3S, O5E) - Engine Controls Schematics (LES+NCV_O3S) - Fused Power Devices (LES+NCV_O3S).cgm
Grandland X - EWD - Engine - 1.2L (LES) - Engine Controls and Fuel - 1.2L (LES, O3S, O5E) - Engine Controls Schematics (LES+NCV_O3S) - Ignition Controls - Ignition Coil (LES+NCV_O3S).cgm
Grandland X - EWD - Engine - 1.2L (LES) - Engine Controls and Fuel - 1.2L (LES, O3S, O5E) - Engine Controls Schematics (LES+NCV_O3S) - Module Power, Ground and Serial Data (LES+NCV_O3S).cgm
Grandland X - EWD - Engine - 1.2L (LES) - Engine Controls and Fuel - 1.2L (LES, O3S, O5E) - Engine Controls Schematics (LES+NE4) - 5V and Low Reference (LES+NE4).cgm
Grandland X - EWD - Engine - 1.2L (LES) - Engine Controls and Fuel - 1.2L (LES, O3S, O5E) - Engine Controls Schematics (LES+NE4) - Controlled_Monitored Subsystem References (LES+NE4).cgm
Grandland X - EWD - Engine - 1.2L (LES) - Engine Controls and Fuel - 1.2L (LES, O3S, O5E) - Engine Controls Schematics (LES+NE4) - Device and Fuel Controls - EVAP Emissions and Turbocharger Controls (LES+NE4).cgm
Grandland X - EWD - Engine - 1.2L (LES) - Engine Controls and Fuel - 1.2L (LES, O3S, O5E) - Engine Controls Schematics (LES+NE4) - Engine Data Sensors - Camshaft, Crankshaft and Knock Sensors and Camshaft Actuators (LES+NE4).cgm
Grandland X - EWD - Engine - 1.2L (LES) - Engine Controls and Fuel - 1.2L (LES, O3S, O5E) - Engine Controls Schematics (LES+NE4) - Engine Data Sensors - Oxygen and Throttle (LES+NE4).cgm
Grandland X - EWD - Engine - 1.2L (LES) - Engine Controls and Fuel - 1.2L (LES, O3S, O5E) - Engine Controls Schematics (LES+NE4) - Engine Data Sensors - Pressure and Temperature (LES+NE4).cgm
Grandland X - EWD - Engine - 1.2L (LES) - Engine Controls and Fuel - 1.2L (LES, O3S, O5E) - Engine Controls Schematics (LES+NE4) - Fuel Controls - Fuel Pump and Fuel Injectors (LES+NE4).cgm
Grandland X - EWD - Engine - 1.2L (LES) - Engine Controls and Fuel - 1.2L (LES, O3S, O5E) - Engine Controls Schematics (LES+NE4) - Fused Power Devices (LES+NE4).cgm
Grandland X - EWD - Engine - 1.2L (LES) - Engine Controls and Fuel - 1.2L (LES, O3S, O5E) - Engine Controls Schematics (LES+NE4) - Ignition Controls - Ignition Coil (LES+NE4).cgm
Grandland X - EWD - Engine - 1.2L (LES) - Engine Controls and Fuel - 1.2L (LES, O3S, O5E) - Engine Controls Schematics (LES+NE4) - Module Power, Ground and Serial Data (LES+NE4).cgm
Grandland X - EWD - Engine - 1.2L (LES) - Engine Heating and Cooling - Cooling Fan.cgm
Grandland X - EWD - Engine - 1.2L (LES) - Engine Heating and Cooling - Turbocharger Cooling and Coolant Pump Clutch (BNZ_LES_LHI).cgm
Grandland X - EWD - Engine - 1.2L (LES) - Engine Mechanical - 1.2L (LES, O3S, O5E) - Oil Pressure Control (LES_O3S).cgm
Grandland X - EWD - Engine - 1.2L (O3S) - 12 V Starting and Charging - Charging (KL5).cgm
Grandland X - EWD - Engine - 1.2L (O3S) - 12 V Starting and Charging - Charging (LTM).cgm
Grandland X - EWD - Engine - 1.2L (O3S) - 12 V Starting and Charging - Charging (without KL5 or LTM).cgm
Grandland X - EWD - Engine - 1.2L (O3S) - 12 V Starting and Charging - Start_Stop System (KL5).cgm
Grandland X - EWD - Engine - 1.2L (O3S) - 12 V Starting and Charging - Starting (except LTM).cgm
Grandland X - EWD - Engine - 1.2L (O3S) - 12 V Starting and Charging - Starting (LTM).cgm
Grandland X - EWD - Engine - 1.2L (O3S) - Cruise Control - Cruise Control.cgm
Grandland X - EWD - Engine - 1.2L (O3S) - Engine Controls and Fuel - 1.2L (O3S, O5E) - Engine Controls Schematics (LES+NCV_O3S) - 5V and Low Reference (LES+NCV_O3S).cgm
Grandland X - EWD - Engine - 1.2L (O3S) - Engine Controls and Fuel - 1.2L (O3S, O5E) - Engine Controls Schematics (LES+NCV_O3S) - Controlled_Monitored Subsystem References (LES+NCV_O3S).cgm
Grandland X - EWD - Engine - 1.2L (O3S) - Engine Controls and Fuel - 1.2L (O3S, O5E) - Engine Controls Schematics (LES+NCV_O3S) - Device and Fuel Controls - EVAP Emissions and Turbocharger Controls (LES+NCV_O3S).cgm
Grandland X - EWD - Engine - 1.2L (O3S) - Engine Controls and Fuel - 1.2L (O3S, O5E) - Engine Controls Schematics (LES+NCV_O3S) - Engine Data Sensors - Camshaft, Crankshaft and Knock Sensors and Camshaft Actuators (LES+NCV_O3S).cgm
Grandland X - EWD - Engine - 1.2L (O3S) - Engine Controls and Fuel - 1.2L (O3S, O5E) - Engine Controls Schematics (LES+NCV_O3S) - Engine Data Sensors - Oxygen and Throttle (LES+NCV_O3S).cgm
Grandland X - EWD - Engine - 1.2L (O3S) - Engine Controls and Fuel - 1.2L (O3S, O5E) - Engine Controls Schematics (LES+NCV_O3S) - Engine Data Sensors - Pressure, Temperature, and Exhaust (LES+NCV_O3S).cgm
Grandland X - EWD - Engine - 1.2L (O3S) - Engine Controls and Fuel - 1.2L (O3S, O5E) - Engine Controls Schematics (LES+NCV_O3S) - Fuel Controls - Fuel Pump and Fuel Injectors (LES+NCV_O3S).cgm
Grandland X - EWD - Engine - 1.2L (O3S) - Engine Controls and Fuel - 1.2L (O3S, O5E) - Engine Controls Schematics (LES+NCV_O3S) - Fused Power Devices (LES+NCV_O3S).cgm
Grandland X - EWD - Engine - 1.2L (O3S) - Engine Controls and Fuel - 1.2L (O3S, O5E) - Engine Controls Schematics (LES+NCV_O3S) - Ignition Controls - Ignition Coil (LES+NCV_O3S).cgm
Grandland X - EWD - Engine - 1.2L (O3S) - Engine Controls and Fuel - 1.2L (O3S, O5E) - Engine Controls Schematics (LES+NCV_O3S) - Module Power, Ground and Serial Data (LES+NCV_O3S).cgm
Grandland X - EWD - Engine - 1.2L (O3S) - Engine Controls and Fuel - 1.2L (O3S, O5E) - Engine Controls Schematics (LES+NE4) - 5V and Low Reference (LES+NE4).cgm
Grandland X - EWD - Engine - 1.2L (O3S) - Engine Controls and Fuel - 1.2L (O3S, O5E) - Engine Controls Schematics (LES+NE4) - Controlled_Monitored Subsystem References (LES+NE4).cgm
Grandland X - EWD - Engine - 1.2L (O3S) - Engine Controls and Fuel - 1.2L (O3S, O5E) - Engine Controls Schematics (LES+NE4) - Device and Fuel Controls - EVAP Emissions and Turbocharger Controls (LES+NE4).cgm
Grandland X - EWD - Engine - 1.2L (O3S) - Engine Controls and Fuel - 1.2L (O3S, O5E) - Engine Controls Schematics (LES+NE4) - Engine Data Sensors - Camshaft, Crankshaft and Knock Sensors and Camshaft Actuators (LES+NE4).cgm
Grandland X - EWD - Engine - 1.2L (O3S) - Engine Controls and Fuel - 1.2L (O3S, O5E) - Engine Controls Schematics (LES+NE4) - Engine Data Sensors - Oxygen and Throttle (LES+NE4).cgm
Grandland X - EWD - Engine - 1.2L (O3S) - Engine Controls and Fuel - 1.2L (O3S, O5E) - Engine Controls Schematics (LES+NE4) - Engine Data Sensors - Pressure and Temperature (LES+NE4).cgm
Grandland X - EWD - Engine - 1.2L (O3S) - Engine Controls and Fuel - 1.2L (O3S, O5E) - Engine Controls Schematics (LES+NE4) - Fuel Controls - Fuel Pump and Fuel Injectors (LES+NE4).cgm
Grandland X - EWD - Engine - 1.2L (O3S) - Engine Controls and Fuel - 1.2L (O3S, O5E) - Engine Controls Schematics (LES+NE4) - Fused Power Devices (LES+NE4).cgm
Grandland X - EWD - Engine - 1.2L (O3S) - Engine Controls and Fuel - 1.2L (O3S, O5E) - Engine Controls Schematics (LES+NE4) - Ignition Controls - Ignition Coil (LES+NE4).cgm
Grandland X - EWD - Engine - 1.2L (O3S) - Engine Controls and Fuel - 1.2L (O3S, O5E) - Engine Controls Schematics (LES+NE4) - Module Power, Ground and Serial Data (LES+NE4).cgm
Grandland X - EWD - Engine - 1.2L (O3S) - Engine Heating and Cooling - Cooling Fan.cgm
Grandland X - EWD - Engine - 1.2L (O3S) - Engine Heating and Cooling - Turbocharger Cooling and Coolant Pump Clutch (BNZ_LES_LHI).cgm
Grandland X - EWD - Engine - 1.2L (O3S) - Engine Mechanical - 1.2L (O3S, O5E) - Oil Pressure Control (LES_O3S).cgm
Grandland X - EWD - Engine - 1.2L (O5E) - 12 V Starting and Charging - Charging (KL5).cgm
Grandland X - EWD - Engine - 1.2L (O5E) - 12 V Starting and Charging - Charging (LTM).cgm
Grandland X - EWD - Engine - 1.2L (O5E) - 12 V Starting and Charging - Charging (without KL5 or LTM).cgm
Grandland X - EWD - Engine - 1.2L (O5E) - 12 V Starting and Charging - Start_Stop System (KL5).cgm
Grandland X - EWD - Engine - 1.2L (O5E) - 12 V Starting and Charging - Starting (except LTM).cgm
Grandland X - EWD - Engine - 1.2L (O5E) - 12 V Starting and Charging - Starting (LTM).cgm
Grandland X - EWD - Engine - 1.2L (O5E) - Cruise Control - Cruise Control.cgm
Grandland X - EWD - Engine - 1.2L (O5E) - Engine Controls and Fuel - 1.2L (O3S, O5E) - Engine Controls Schematics (LES+NCV_O3S) - 5V and Low Reference (LES+NCV_O3S).cgm
Grandland X - EWD - Engine - 1.2L (O5E) - Engine Controls and Fuel - 1.2L (O3S, O5E) - Engine Controls Schematics (LES+NCV_O3S) - Controlled_Monitored Subsystem References (LES+NCV_O3S).cgm
Grandland X - EWD - Engine - 1.2L (O5E) - Engine Controls and Fuel - 1.2L (O3S, O5E) - Engine Controls Schematics (LES+NCV_O3S) - Device and Fuel Controls - EVAP Emissions and Turbocharger Controls (LES+NCV_O3S).cgm
Grandland X - EWD - Engine - 1.2L (O5E) - Engine Controls and Fuel - 1.2L (O3S, O5E) - Engine Controls Schematics (LES+NCV_O3S) - Engine Data Sensors - Camshaft, Crankshaft and Knock Sensors and Camshaft Actuators (LES+NCV_O3S).cgm
Grandland X - EWD - Engine - 1.2L (O5E) - Engine Controls and Fuel - 1.2L (O3S, O5E) - Engine Controls Schematics (LES+NCV_O3S) - Engine Data Sensors - Oxygen and Throttle (LES+NCV_O3S).cgm
Grandland X - EWD - Engine - 1.2L (O5E) - Engine Controls and Fuel - 1.2L (O3S, O5E) - Engine Controls Schematics (LES+NCV_O3S) - Engine Data Sensors - Pressure, Temperature, and Exhaust (LES+NCV_O3S).cgm
Grandland X - EWD - Engine - 1.2L (O5E) - Engine Controls and Fuel - 1.2L (O3S, O5E) - Engine Controls Schematics (LES+NCV_O3S) - Fuel Controls - Fuel Pump and Fuel Injectors (LES+NCV_O3S).cgm
Grandland X - EWD - Engine - 1.2L (O5E) - Engine Controls and Fuel - 1.2L (O3S, O5E) - Engine Controls Schematics (LES+NCV_O3S) - Fused Power Devices (LES+NCV_O3S).cgm
Grandland X - EWD - Engine - 1.2L (O5E) - Engine Controls and Fuel - 1.2L (O3S, O5E) - Engine Controls Schematics (LES+NCV_O3S) - Ignition Controls - Ignition Coil (LES+NCV_O3S).cgm
Grandland X - EWD - Engine - 1.2L (O5E) - Engine Controls and Fuel - 1.2L (O3S, O5E) - Engine Controls Schematics (LES+NCV_O3S) - Module Power, Ground and Serial Data (LES+NCV_O3S).cgm
Grandland X - EWD - Engine - 1.2L (O5E) - Engine Controls and Fuel - 1.2L (O3S, O5E) - Engine Controls Schematics (LES+NE4) - 5V and Low Reference (LES+NE4).cgm
Grandland X - EWD - Engine - 1.2L (O5E) - Engine Controls and Fuel - 1.2L (O3S, O5E) - Engine Controls Schematics (LES+NE4) - Controlled_Monitored Subsystem References (LES+NE4).cgm
Grandland X - EWD - Engine - 1.2L (O5E) - Engine Controls and Fuel - 1.2L (O3S, O5E) - Engine Controls Schematics (LES+NE4) - Device and Fuel Controls - EVAP Emissions and Turbocharger Controls (LES+NE4).cgm
Grandland X - EWD - Engine - 1.2L (O5E) - Engine Controls and Fuel - 1.2L (O3S, O5E) - Engine Controls Schematics (LES+NE4) - Engine Data Sensors - Camshaft, Crankshaft and Knock Sensors and Camshaft Actuators (LES+NE4).cgm
Grandland X - EWD - Engine - 1.2L (O5E) - Engine Controls and Fuel - 1.2L (O3S, O5E) - Engine Controls Schematics (LES+NE4) - Engine Data Sensors - Oxygen and Throttle (LES+NE4).cgm
Grandland X - EWD - Engine - 1.2L (O5E) - Engine Controls and Fuel - 1.2L (O3S, O5E) - Engine Controls Schematics (LES+NE4) - Engine Data Sensors - Pressure and Temperature (LES+NE4).cgm
Grandland X - EWD - Engine - 1.2L (O5E) - Engine Controls and Fuel - 1.2L (O3S, O5E) - Engine Controls Schematics (LES+NE4) - Fuel Controls - Fuel Pump and Fuel Injectors (LES+NE4).cgm
Grandland X - EWD - Engine - 1.2L (O5E) - Engine Controls and Fuel - 1.2L (O3S, O5E) - Engine Controls Schematics (LES+NE4) - Fused Power Devices (LES+NE4).cgm
Grandland X - EWD - Engine - 1.2L (O5E) - Engine Controls and Fuel - 1.2L (O3S, O5E) - Engine Controls Schematics (LES+NE4) - Ignition Controls - Ignition Coil (LES+NE4).cgm
Grandland X - EWD - Engine - 1.2L (O5E) - Engine Controls and Fuel - 1.2L (O3S, O5E) - Engine Controls Schematics (LES+NE4) - Module Power, Ground and Serial Data (LES+NE4).cgm
Grandland X - EWD - Engine - 1.2L (O5E) - Engine Heating and Cooling - Cooling Fan.cgm
Grandland X - EWD - Engine - 1.2L (O5E) - Engine Heating and Cooling - Turbocharger Cooling and Coolant Pump Clutch (BNZ_LES_LHI).cgm
Grandland X - EWD - Engine - 1.2L (O5E) - Engine Mechanical - 1.2L (O3S, O5E) - Oil Pressure Control (LES_O3S).cgm
Grandland X - EWD - Engine - 1.5L (LQJ) - 12 V Starting and Charging - Charging (KL5).cgm
Grandland X - EWD - Engine - 1.5L (LQJ) - 12 V Starting and Charging - Charging (LTM).cgm
Grandland X - EWD - Engine - 1.5L (LQJ) - 12 V Starting and Charging - Charging (without KL5 or LTM).cgm
Grandland X - EWD - Engine - 1.5L (LQJ) - 12 V Starting and Charging - Start_Stop System (KL5).cgm
Grandland X - EWD - Engine - 1.5L (LQJ) - 12 V Starting and Charging - Starting (except LTM).cgm
Grandland X - EWD - Engine - 1.5L (LQJ) - 12 V Starting and Charging - Starting (LTM).cgm
Grandland X - EWD - Engine - 1.5L (LQJ) - Cruise Control - Cruise Control.cgm
Grandland X - EWD - Engine - 1.5L (LQJ) - Engine Controls and Fuel - 1.5L (LQP) Diesel - 5V1, 5V2 and Low Reference (LQJ_LQP) (1 of 2).cgm
Grandland X - EWD - Engine - 1.5L (LQJ) - Engine Controls and Fuel - 1.5L (LQP) Diesel - 5V3 and Low Reference (LQJ_LQP) (2 of 2).cgm
Grandland X - EWD - Engine - 1.5L (LQJ) - Engine Controls and Fuel - 1.5L (LQP) Diesel - Controlled_Monitored Subsystem References (LQJ_LQP).cgm
Grandland X - EWD - Engine - 1.5L (LQJ) - Engine Controls and Fuel - 1.5L (LQP) Diesel - Emissions Controls - Reductant System, Nitrogen Oxides Sensor, and Crankcase Heater (LQJ_LQP).cgm
Grandland X - EWD - Engine - 1.5L (LQJ) - Engine Controls and Fuel - 1.5L (LQP) Diesel - Engine Data Sensors - Camshaft and Crankshaft Sensors (LQJ_LQP).cgm
Grandland X - EWD - Engine - 1.5L (LQJ) - Engine Controls and Fuel - 1.5L (LQP) Diesel - Engine Data Sensors - Exhaust Controls and Sensors (LQJ_LQP).cgm
Grandland X - EWD - Engine - 1.5L (LQJ) - Engine Controls and Fuel - 1.5L (LQP) Diesel - Engine Data Sensors - Pressure and Temperature (LQJ_LQP).cgm
Grandland X - EWD - Engine - 1.5L (LQJ) - Engine Controls and Fuel - 1.5L (LQP) Diesel - Engine Data Sensors - Throttle and Turbocharger (LQJ_LQP).cgm
Grandland X - EWD - Engine - 1.5L (LQJ) - Engine Controls and Fuel - 1.5L (LQP) Diesel - Fuel Controls - Fuel Pumps and Fuel Injectors (LQJ_LQP).cgm
Grandland X - EWD - Engine - 1.5L (LQJ) - Engine Controls and Fuel - 1.5L (LQP) Diesel - Fuel Controls - Glow Plugs, Fuel Pressure Sensors, and Fuel Heater (LQJ_LQP).cgm
Grandland X - EWD - Engine - 1.5L (LQJ) - Engine Controls and Fuel - 1.5L (LQP) Diesel - Fused Power Devices (LQJ_LQP).cgm
Grandland X - EWD - Engine - 1.5L (LQJ) - Engine Controls and Fuel - 1.5L (LQP) Diesel - Module Power, Ground, Serial Data and MIL (LQJ_LQP).cgm
Grandland X - EWD - Engine - 1.5L (LQJ) - Engine Heating and Cooling - Cooling Fan.cgm
Grandland X - EWD - Engine - 1.5L (LQJ) - Engine Heating and Cooling - Turbocharger Cooling and Coolant Pump Clutch (BNZ_LES_LHI).cgm
Grandland X - EWD - Engine - 1.5L (LQJ) - Engine Mechanical - 1.5L (LQP) Diesel - Oil Pressure Control (LQJ_LQP).cgm
Grandland X - EWD - Engine - 1.5L (LQP) - 12 V Starting and Charging - Charging (KL5).cgm
Grandland X - EWD - Engine - 1.5L (LQP) - 12 V Starting and Charging - Charging (LTM).cgm
Grandland X - EWD - Engine - 1.5L (LQP) - 12 V Starting and Charging - Charging (without KL5 or LTM).cgm
Grandland X - EWD - Engine - 1.5L (LQP) - 12 V Starting and Charging - Start_Stop System (KL5).cgm
Grandland X - EWD - Engine - 1.5L (LQP) - 12 V Starting and Charging - Starting (except LTM).cgm
Grandland X - EWD - Engine - 1.5L (LQP) - 12 V Starting and Charging - Starting (LTM).cgm
Grandland X - EWD - Engine - 1.5L (LQP) - Cruise Control - Cruise Control.cgm
Grandland X - EWD - Engine - 1.5L (LQP) - Engine Controls and Fuel - 1.5L (LQP) Diesel - 5V1, 5V2 and Low Reference (LQJ_LQP) (1 of 2).cgm
Grandland X - EWD - Engine - 1.5L (LQP) - Engine Controls and Fuel - 1.5L (LQP) Diesel - 5V3 and Low Reference (LQJ_LQP) (2 of 2).cgm
Grandland X - EWD - Engine - 1.5L (LQP) - Engine Controls and Fuel - 1.5L (LQP) Diesel - Controlled_Monitored Subsystem References (LQJ_LQP).cgm
Grandland X - EWD - Engine - 1.5L (LQP) - Engine Controls and Fuel - 1.5L (LQP) Diesel - Emissions Controls - Reductant System, Nitrogen Oxides Sensor, and Crankcase Heater (LQJ_LQP).cgm
Grandland X - EWD - Engine - 1.5L (LQP) - Engine Controls and Fuel - 1.5L (LQP) Diesel - Engine Data Sensors - Camshaft and Crankshaft Sensors (LQJ_LQP).cgm
Grandland X - EWD - Engine - 1.5L (LQP) - Engine Controls and Fuel - 1.5L (LQP) Diesel - Engine Data Sensors - Exhaust Controls and Sensors (LQJ_LQP).cgm
Grandland X - EWD - Engine - 1.5L (LQP) - Engine Controls and Fuel - 1.5L (LQP) Diesel - Engine Data Sensors - Pressure and Temperature (LQJ_LQP).cgm
Grandland X - EWD - Engine - 1.5L (LQP) - Engine Controls and Fuel - 1.5L (LQP) Diesel - Engine Data Sensors - Throttle and Turbocharger (LQJ_LQP).cgm
Grandland X - EWD - Engine - 1.5L (LQP) - Engine Controls and Fuel - 1.5L (LQP) Diesel - Fuel Controls - Fuel Pumps and Fuel Injectors (LQJ_LQP).cgm
Grandland X - EWD - Engine - 1.5L (LQP) - Engine Controls and Fuel - 1.5L (LQP) Diesel - Fuel Controls - Glow Plugs, Fuel Pressure Sensors, and Fuel Heater (LQJ_LQP).cgm
Grandland X - EWD - Engine - 1.5L (LQP) - Engine Controls and Fuel - 1.5L (LQP) Diesel - Fused Power Devices (LQJ_LQP).cgm
Grandland X - EWD - Engine - 1.5L (LQP) - Engine Controls and Fuel - 1.5L (LQP) Diesel - Module Power, Ground, Serial Data and MIL (LQJ_LQP).cgm
Grandland X - EWD - Engine - 1.5L (LQP) - Engine Heating and Cooling - Cooling Fan.cgm
Grandland X - EWD - Engine - 1.5L (LQP) - Engine Heating and Cooling - Turbocharger Cooling and Coolant Pump Clutch (BNZ_LES_LHI).cgm
Grandland X - EWD - Engine - 1.5L (LQP) - Engine Mechanical - 1.5L (LQP) Diesel - Oil Pressure Control (LQJ_LQP).cgm
Grandland X - EWD - Engine - 1.6L (BNZ) - 12 V Starting and Charging - Charging (KL5).cgm
Grandland X - EWD - Engine - 1.6L (BNZ) - 12 V Starting and Charging - Charging (LTM).cgm
Grandland X - EWD - Engine - 1.6L (BNZ) - 12 V Starting and Charging - Charging (without KL5 or LTM).cgm
Grandland X - EWD - Engine - 1.6L (BNZ) - 12 V Starting and Charging - Start_Stop System (KL5).cgm
Grandland X - EWD - Engine - 1.6L (BNZ) - 12 V Starting and Charging - Starting (except LTM).cgm
Grandland X - EWD - Engine - 1.6L (BNZ) - 12 V Starting and Charging - Starting (LTM).cgm
Grandland X - EWD - Engine - 1.6L (BNZ) - Cruise Control - Cruise Control.cgm
Grandland X - EWD - Engine - 1.6L (BNZ) - Engine Controls and Fuel - 1.6L (BNZ) - 5V and Low Reference (BNZ).cgm
Grandland X - EWD - Engine - 1.6L (BNZ) - Engine Controls and Fuel - 1.6L (BNZ) - Controlled_Monitored Subsystem References (BNZ).cgm
Grandland X - EWD - Engine - 1.6L (BNZ) - Engine Controls and Fuel - 1.6L (BNZ) - Device and Fuel Controls - EVAP Emissions and Turbocharger Controls (BNZ).cgm
Grandland X - EWD - Engine - 1.6L (BNZ) - Engine Controls and Fuel - 1.6L (BNZ) - Engine Data Sensors - Camshaft, Crankshaft and Knock Sensors and Camshaft Actuators (BNZ).cgm
Grandland X - EWD - Engine - 1.6L (BNZ) - Engine Controls and Fuel - 1.6L (BNZ) - Engine Data Sensors - Oxygen and Throttle (BNZ).cgm
Grandland X - EWD - Engine - 1.6L (BNZ) - Engine Controls and Fuel - 1.6L (BNZ) - Engine Data Sensors - Pressure and Temperature (BNZ).cgm
Grandland X - EWD - Engine - 1.6L (BNZ) - Engine Controls and Fuel - 1.6L (BNZ) - Fuel Controls - Fuel Pump and Fuel Injectors (BNZ).cgm
Grandland X - EWD - Engine - 1.6L (BNZ) - Engine Controls and Fuel - 1.6L (BNZ) - Ignition Controls - Ignition Coil (BNZ).cgm
Grandland X - EWD - Engine - 1.6L (BNZ) - Engine Controls and Fuel - 1.6L (BNZ) - Module Power, Ground, Serial Data and MIL (BNZ).cgm
Grandland X - EWD - Engine - 1.6L (BNZ) - Engine Heating and Cooling - Cooling Fan.cgm
Grandland X - EWD - Engine - 1.6L (BNZ) - Engine Heating and Cooling - Turbocharger Cooling and Coolant Pump Clutch (BNZ_LES_LHI).cgm
Grandland X - EWD - Engine - 1.6L (BNZ) - Engine Mechanical - 1.6L (BNZ) - Oil Pressure Control (BNZ).cgm
Grandland X - EWD - Engine - 1.6L (LHI) - 12 V Starting and Charging - Charging (KL5).cgm
Grandland X - EWD - Engine - 1.6L (LHI) - 12 V Starting and Charging - Charging (LTM).cgm
Grandland X - EWD - Engine - 1.6L (LHI) - 12 V Starting and Charging - Charging (without KL5 or LTM).cgm
Grandland X - EWD - Engine - 1.6L (LHI) - 12 V Starting and Charging - Start_Stop System (KL5).cgm
Grandland X - EWD - Engine - 1.6L (LHI) - 12 V Starting and Charging - Starting (except LTM).cgm
Grandland X - EWD - Engine - 1.6L (LHI) - 12 V Starting and Charging - Starting (LTM).cgm
Grandland X - EWD - Engine - 1.6L (LHI) - Cruise Control - Cruise Control.cgm
Grandland X - EWD - Engine - 1.6L (LHI) - Engine Controls and Fuel - 1.6L (LHI) - 5V and Low Reference (LHI).cgm
Grandland X - EWD - Engine - 1.6L (LHI) - Engine Controls and Fuel - 1.6L (LHI) - Controlled_Monitored Subsystem References (LHI).cgm
Grandland X - EWD - Engine - 1.6L (LHI) - Engine Controls and Fuel - 1.6L (LHI) - Device and Fuel Controls - EVAP Emissions and Turbocharger Controls (LHI).cgm
Grandland X - EWD - Engine - 1.6L (LHI) - Engine Controls and Fuel - 1.6L (LHI) - Engine Data Sensors - Camshaft, Crankshaft and Knock Sensors and Camshaft Actuators (LHI).cgm
Grandland X - EWD - Engine - 1.6L (LHI) - Engine Controls and Fuel - 1.6L (LHI) - Engine Data Sensors - Oxygen and Throttle (LHI).cgm
Grandland X - EWD - Engine - 1.6L (LHI) - Engine Controls and Fuel - 1.6L (LHI) - Engine Data Sensors - Pressure and Temperature (LHI).cgm
Grandland X - EWD - Engine - 1.6L (LHI) - Engine Controls and Fuel - 1.6L (LHI) - Fuel Controls - Fuel Pump and Fuel Injectors (LHI).cgm
Grandland X - EWD - Engine - 1.6L (LHI) - Engine Controls and Fuel - 1.6L (LHI) - Ignition Controls - Ignition Coil (LHI).cgm
Grandland X - EWD - Engine - 1.6L (LHI) - Engine Controls and Fuel - 1.6L (LHI) - Module Power, Ground, Serial Data and MIL (LHI).cgm
Grandland X - EWD - Engine - 1.6L (LHI) - Engine Heating and Cooling - Cooling Fan.cgm
Grandland X - EWD - Engine - 1.6L (LHI) - Engine Heating and Cooling - Turbocharger Cooling and Coolant Pump Clutch (BNZ_LES_LHI).cgm
Grandland X - EWD - Engine - 1.6L (LHI) - Engine Mechanical - 1.6L (LHI) - Oil Pressure Control (LHI).cgm
Grandland X - EWD - Engine - 1.6L (LTM) - 12 V Starting and Charging - Charging (KL5).cgm
Grandland X - EWD - Engine - 1.6L (LTM) - 12 V Starting and Charging - Charging (LTM).cgm
Grandland X - EWD - Engine - 1.6L (LTM) - 12 V Starting and Charging - Charging (without KL5 or LTM).cgm
Grandland X - EWD - Engine - 1.6L (LTM) - 12 V Starting and Charging - Start_Stop System (KL5).cgm
Grandland X - EWD - Engine - 1.6L (LTM) - 12 V Starting and Charging - Starting (except LTM).cgm
Grandland X - EWD - Engine - 1.6L (LTM) - 12 V Starting and Charging - Starting (LTM).cgm
Grandland X - EWD - Engine - 1.6L (LTM) - Cruise Control - Cruise Control.cgm
Grandland X - EWD - Engine - 1.6L (LTM) - Engine Controls and Fuel - 1.6L (LTM) - 5V and Low Reference (LTM).cgm
Grandland X - EWD - Engine - 1.6L (LTM) - Engine Controls and Fuel - 1.6L (LTM) - Controlled_Monitored Subsystem References (LTM).cgm
Grandland X - EWD - Engine - 1.6L (LTM) - Engine Controls and Fuel - 1.6L (LTM) - Device and Fuel Controls - EVAP Emissions and Turbocharger Controls (LTM).cgm
Grandland X - EWD - Engine - 1.6L (LTM) - Engine Controls and Fuel - 1.6L (LTM) - Engine Data Sensors - Camshaft, Crankshaft and Knock Sensors and Camshaft Actuators (LTM).cgm
Grandland X - EWD - Engine - 1.6L (LTM) - Engine Controls and Fuel - 1.6L (LTM) - Engine Data Sensors - Oxygen Sensors (LTM).cgm
Grandland X - EWD - Engine - 1.6L (LTM) - Engine Controls and Fuel - 1.6L (LTM) - Engine Data Sensors - Pressure and Temperature (LTM).cgm
Grandland X - EWD - Engine - 1.6L (LTM) - Engine Controls and Fuel - 1.6L (LTM) - Engine Data Sensors - Throttle Controls (LTM).cgm
Grandland X - EWD - Engine - 1.6L (LTM) - Engine Controls and Fuel - 1.6L (LTM) - Fuel Controls - Fuel Injectors, Pump, and Tank Pressure (LTM).cgm
Grandland X - EWD - Engine - 1.6L (LTM) - Engine Controls and Fuel - 1.6L (LTM) - Ignition Controls - Ignition Coils (LTM).cgm
Grandland X - EWD - Engine - 1.6L (LTM) - Engine Controls and Fuel - 1.6L (LTM) - Ignition Controls - Particulate Filter Pressure Sensor (LTM).cgm
Grandland X - EWD - Engine - 1.6L (LTM) - Engine Controls and Fuel - 1.6L (LTM) - Module Power, Ground, Serial Data and MIL (LTM).cgm
Grandland X - EWD - Engine - 1.6L (LTM) - Engine Heating and Cooling - Cooling Fan.cgm
Grandland X - EWD - Engine - 1.6L (LTM) - Engine Heating and Cooling - Turbocharger Cooling and Coolant Pump Clutch (BNZ_LES_LHI).cgm
Grandland X - EWD - Engine - 1.6L (LTM) - Hybrid_EV Controls - Drive Motors Control (LTM).cgm
Grandland X - EWD - Engine - 1.6L (LTM) - Hybrid_EV Controls - Drive Motors Control Module Power, Ground, and Data Communication (LTM).cgm
Grandland X - EWD - Engine - 1.6L (LTM) - Hybrid_EV Controls - Power, Ground and Data Communication, Hybrid_EV Powertrain Control Module (LTM).cgm
Grandland X - EWD - Engine - 1.6L (LTM) - Hybrid_EV Energy Storage - High Voltage Network (LTM).cgm
Grandland X - EWD - Engine - 1.6L (LTM) - Hybrid_EV Energy Storage - Hybrid_EV Battery Pack Power, Ground, Data Communication, and Reference (LTM).cgm
Grandland X - EWD - Engine - 1.6L (LTM) - Hybrid_EV System Heating and Cooling - Hybrid_EV Battery Pack Cooling (LTM).cgm
Grandland X - EWD - Engine - 1.6L (LTM) - Hybrid_EV System Heating and Cooling - Hybrid_EV Electronics Cooling (LTM).cgm
Grandland X - EWD - Engine - 1.6L (LTM) - Plug-In Charging - Battery Charger Power, Ground, Data Communication, and References (LTM).cgm
Grandland X - EWD - Engine - 1.6L (LTM) - Plug-In Charging - Battery Charging - Charger and Receptacle (LTM).cgm
Grandland X - EWD - Engine - 2.0L (LCI) - 12 V Starting and Charging - Charging (KL5).cgm
Grandland X - EWD - Engine - 2.0L (LCI) - 12 V Starting and Charging - Charging (LTM).cgm
Grandland X - EWD - Engine - 2.0L (LCI) - 12 V Starting and Charging - Charging (without KL5 or LTM).cgm
Grandland X - EWD - Engine - 2.0L (LCI) - 12 V Starting and Charging - Start_Stop System (KL5).cgm
Grandland X - EWD - Engine - 2.0L (LCI) - 12 V Starting and Charging - Starting (except LTM).cgm
Grandland X - EWD - Engine - 2.0L (LCI) - 12 V Starting and Charging - Starting (LTM).cgm
Grandland X - EWD - Engine - 2.0L (LCI) - Cruise Control - Cruise Control.cgm
Grandland X - EWD - Engine - 2.0L (LCI) - Engine Controls and Fuel - 2.0L (LCI, O5Q) Diesel - 5V1, 5V2, 5V3 and Low Reference (LCI) (1 of 2).cgm
Grandland X - EWD - Engine - 2.0L (LCI) - Engine Controls and Fuel - 2.0L (LCI, O5Q) Diesel - 5V4 and Low Reference (LCI) (2 of 2).cgm
Grandland X - EWD - Engine - 2.0L (LCI) - Engine Controls and Fuel - 2.0L (LCI, O5Q) Diesel - Controlled_Monitored Subsystem References (LCI).cgm
Grandland X - EWD - Engine - 2.0L (LCI) - Engine Controls and Fuel - 2.0L (LCI, O5Q) Diesel - Emissions Controls - Reductant System, Nitrogen Oxides Sensor, and Crankcase Heater (LCI).cgm
Grandland X - EWD - Engine - 2.0L (LCI) - Engine Controls and Fuel - 2.0L (LCI, O5Q) Diesel - Engine Data Sensors - Camshaft and Crankshaft Sensors (LCI).cgm
Grandland X - EWD - Engine - 2.0L (LCI) - Engine Controls and Fuel - 2.0L (LCI, O5Q) Diesel - Engine Data Sensors - Exhaust Controls and Sensors (LCI).cgm
Grandland X - EWD - Engine - 2.0L (LCI) - Engine Controls and Fuel - 2.0L (LCI, O5Q) Diesel - Engine Data Sensors - Pressure and Temperature (LCI).cgm
Grandland X - EWD - Engine - 2.0L (LCI) - Engine Controls and Fuel - 2.0L (LCI, O5Q) Diesel - Engine Data Sensors - Throttle and Turbocharger (LCI).cgm
Grandland X - EWD - Engine - 2.0L (LCI) - Engine Controls and Fuel - 2.0L (LCI, O5Q) Diesel - Fuel Controls - Fuel Pumps and Fuel Injectors (LCI).cgm
Grandland X - EWD - Engine - 2.0L (LCI) - Engine Controls and Fuel - 2.0L (LCI, O5Q) Diesel - Fuel Controls - Glow Plugs, Water in Fuel Sensor and Fuel Heater (LCI).cgm
Grandland X - EWD - Engine - 2.0L (LCI) - Engine Controls and Fuel - 2.0L (LCI, O5Q) Diesel - Fused Power Devices (LCI).cgm
Grandland X - EWD - Engine - 2.0L (LCI) - Engine Controls and Fuel - 2.0L (LCI, O5Q) Diesel - Module Power, Ground, Serial Data and MIL (LCI).cgm
Grandland X - EWD - Engine - 2.0L (LCI) - Engine Heating and Cooling - Cooling Fan.cgm
Grandland X - EWD - Engine - 2.0L (LCI) - Engine Heating and Cooling - Turbocharger Cooling and Coolant Pump Clutch (BNZ_LES_LHI).cgm
Grandland X - EWD - Engine - 2.0L (LCI) - Engine Mechanical - 2.0L (LCI, O5Q) Diesel - Oil Pressure Control (LCI).cgm
Grandland X - EWD - Engine - 2.0L (O5Q) - 12 V Starting and Charging - Charging (KL5).cgm
Grandland X - EWD - Engine - 2.0L (O5Q) - 12 V Starting and Charging - Charging (LTM).cgm
Grandland X - EWD - Engine - 2.0L (O5Q) - 12 V Starting and Charging - Charging (without KL5 or LTM).cgm
Grandland X - EWD - Engine - 2.0L (O5Q) - 12 V Starting and Charging - Start_Stop System (KL5).cgm
Grandland X - EWD - Engine - 2.0L (O5Q) - 12 V Starting and Charging - Starting (except LTM).cgm
Grandland X - EWD - Engine - 2.0L (O5Q) - 12 V Starting and Charging - Starting (LTM).cgm
Grandland X - EWD - Engine - 2.0L (O5Q) - Cruise Control - Cruise Control.cgm
Grandland X - EWD - Engine - 2.0L (O5Q) - Engine Controls and Fuel - 2.0L (LCI, O5Q) Diesel - 5V1, 5V2, 5V3 and Low Reference (LCI) (1 of 2).cgm
Grandland X - EWD - Engine - 2.0L (O5Q) - Engine Controls and Fuel - 2.0L (LCI, O5Q) Diesel - 5V4 and Low Reference (LCI) (2 of 2).cgm
Grandland X - EWD - Engine - 2.0L (O5Q) - Engine Controls and Fuel - 2.0L (LCI, O5Q) Diesel - Controlled_Monitored Subsystem References (LCI).cgm
Grandland X - EWD - Engine - 2.0L (O5Q) - Engine Controls and Fuel - 2.0L (LCI, O5Q) Diesel - Emissions Controls - Reductant System, Nitrogen Oxides Sensor, and Crankcase Heater (LCI).cgm
Grandland X - EWD - Engine - 2.0L (O5Q) - Engine Controls and Fuel - 2.0L (LCI, O5Q) Diesel - Engine Data Sensors - Camshaft and Crankshaft Sensors (LCI).cgm
Grandland X - EWD - Engine - 2.0L (O5Q) - Engine Controls and Fuel - 2.0L (LCI, O5Q) Diesel - Engine Data Sensors - Exhaust Controls and Sensors (LCI).cgm
Grandland X - EWD - Engine - 2.0L (O5Q) - Engine Controls and Fuel - 2.0L (LCI, O5Q) Diesel - Engine Data Sensors - Pressure and Temperature (LCI).cgm
Grandland X - EWD - Engine - 2.0L (O5Q) - Engine Controls and Fuel - 2.0L (LCI, O5Q) Diesel - Engine Data Sensors - Throttle and Turbocharger (LCI).cgm
Grandland X - EWD - Engine - 2.0L (O5Q) - Engine Controls and Fuel - 2.0L (LCI, O5Q) Diesel - Fuel Controls - Fuel Pumps and Fuel Injectors (LCI).cgm
Grandland X - EWD - Engine - 2.0L (O5Q) - Engine Controls and Fuel - 2.0L (LCI, O5Q) Diesel - Fuel Controls - Glow Plugs, Water in Fuel Sensor and Fuel Heater (LCI).cgm
Grandland X - EWD - Engine - 2.0L (O5Q) - Engine Controls and Fuel - 2.0L (LCI, O5Q) Diesel - Fused Power Devices (LCI).cgm
Grandland X - EWD - Engine - 2.0L (O5Q) - Engine Controls and Fuel - 2.0L (LCI, O5Q) Diesel - Module Power, Ground, Serial Data and MIL (LCI).cgm
Grandland X - EWD - Engine - 2.0L (O5Q) - Engine Heating and Cooling - Cooling Fan.cgm
Grandland X - EWD - Engine - 2.0L (O5Q) - Engine Heating and Cooling - Turbocharger Cooling and Coolant Pump Clutch (BNZ_LES_LHI).cgm
Grandland X - EWD - Engine - 2.0L (O5Q) - Engine Mechanical - 2.0L (LCI, O5Q) Diesel - Oil Pressure Control (LCI).cgm
Grandland X - EWD - HVAC - HVAC - Automatic - Auxiliary Heater (C32).cgm
Grandland X - EWD - HVAC - HVAC - Automatic - Blower Controls.cgm
Grandland X - EWD - HVAC - HVAC - Automatic - Compressor Controls (C67_CJ2-LTM).cgm
Grandland X - EWD - HVAC - HVAC - Automatic - Compressor Controls and Heater Coolant Pump (LTM).cgm
Grandland X - EWD - HVAC - HVAC - Automatic - Mode and Temperature Actuators (C42_C67).cgm
Grandland X - EWD - HVAC - HVAC - Automatic - Mode and Temperature Actuators (CJ2).cgm
Grandland X - EWD - HVAC - HVAC - Automatic - Parking Heater (8H7+DMW05).cgm
Grandland X - EWD - HVAC - HVAC - Automatic - Power, Ground, Serial Data and Controls.cgm
Grandland X - EWD - Power and Signal Distribution - Data Communications - Body Control System Schematics - Power and Ground.cgm
Grandland X - EWD - Power and Signal Distribution - Data Communications - Body Control System Schematics - Subsystem References (1 of 3).cgm
Grandland X - EWD - Power and Signal Distribution - Data Communications - Body Control System Schematics - Subsystem References (2 of 3).cgm
Grandland X - EWD - Power and Signal Distribution - Data Communications - Body Control System Schematics - Subsystem References (3 of 3).cgm
Grandland X - EWD - Power and Signal Distribution - Data Communications - Data Communication Schematics - Body Control Module LIN Bus.cgm
Grandland X - EWD - Power and Signal Distribution - Data Communications - Data Communication Schematics - Data Link Connector Power, Ground and Serial Data.cgm
Grandland X - EWD - Power and Signal Distribution - Data Communications - Data Communication Schematics - Engine Control Module LIN Bus 1.cgm
Grandland X - EWD - Power and Signal Distribution - Data Communications - Data Communication Schematics - Flexray Bus (LTM).cgm
Grandland X - EWD - Power and Signal Distribution - Data Communications - Data Communication Schematics - Headlamp Control Module LIN Bus 1.cgm
Grandland X - EWD - Power and Signal Distribution - Data Communications - Data Communication Schematics - High Speed (HS1) PHEV CAN Bus (LTM).cgm
Grandland X - EWD - Power and Signal Distribution - Data Communications - Data Communication Schematics - High Speed (HS2) PHEV CAN Bus (LTM).cgm
Grandland X - EWD - Power and Signal Distribution - Data Communications - Data Communication Schematics - High Speed (HS2b) PHEV CAN Bus (LTM).cgm
Grandland X - EWD - Power and Signal Distribution - Data Communications - Data Communication Schematics - High Speed CAN Bus (-LTM).cgm
Grandland X - EWD - Power and Signal Distribution - Data Communications - Data Communication Schematics - Hybrid CAN Bus (LTM).cgm
Grandland X - EWD - Power and Signal Distribution - Data Communications - Data Communication Schematics - Low Speed CAN Bus.cgm
Grandland X - EWD - Power and Signal Distribution - Data Communications - Data Communication Schematics - Multimedia CAN Bus.cgm
Grandland X - EWD - Power and Signal Distribution - Data Communications - Data Communication Schematics - Powertrain and Chassis Expansion CAN Bus.cgm
Grandland X - EWD - Power and Signal Distribution - Data Communications - Data Communication Schematics - Security Data and Engine Data.cgm
Grandland X - EWD - Power and Signal Distribution - Power Outlets - Cigar Lighter_Power Outlet Schematics - Accessory Power Receptacle 220V AC (KI7).cgm
Grandland X - EWD - Power and Signal Distribution - Power Outlets - Cigar Lighter_Power Outlet Schematics - Cigarette Lighter, Accessory Power Receptacle and Wireless Charging (K4C).cgm
Grandland X - EWD - Power and Signal Distribution - Wiring Systems and Power Management - Ground Distribution Schematics - G100, G101, G105, G106, G107, G108, G109, G110, G111, and G112.cgm
Grandland X - EWD - Power and Signal Distribution - Wiring Systems and Power Management - Ground Distribution Schematics - G102 (1 of 2).cgm
Grandland X - EWD - Power and Signal Distribution - Wiring Systems and Power Management - Ground Distribution Schematics - G102 (2 of 2).cgm
Grandland X - EWD - Power and Signal Distribution - Wiring Systems and Power Management - Ground Distribution Schematics - G103.cgm
Grandland X - EWD - Power and Signal Distribution - Wiring Systems and Power Management - Ground Distribution Schematics - G104.cgm
Grandland X - EWD - Power and Signal Distribution - Wiring Systems and Power Management - Ground Distribution Schematics - G300 (1 of 2).cgm
Grandland X - EWD - Power and Signal Distribution - Wiring Systems and Power Management - Ground Distribution Schematics - G300 (2 of 2).cgm
Grandland X - EWD - Power and Signal Distribution - Wiring Systems and Power Management - Ground Distribution Schematics - G301 (1 of 3).cgm
Grandland X - EWD - Power and Signal Distribution - Wiring Systems and Power Management - Ground Distribution Schematics - G301 (2 of 3).cgm
Grandland X - EWD - Power and Signal Distribution - Wiring Systems and Power Management - Ground Distribution Schematics - G301 (3 of 3).cgm
Grandland X - EWD - Power and Signal Distribution - Wiring Systems and Power Management - Ground Distribution Schematics - G302 and G303.cgm
Grandland X - EWD - Power and Signal Distribution - Wiring Systems and Power Management - Ground Distribution Schematics - G304 (1 of 2).cgm
Grandland X - EWD - Power and Signal Distribution - Wiring Systems and Power Management - Ground Distribution Schematics - G304 (2 of 2), and G305.cgm
Grandland X - EWD - Power and Signal Distribution - Wiring Systems and Power Management - Ground Distribution Schematics - G400.cgm
Grandland X - EWD - Power and Signal Distribution - Wiring Systems and Power Management - Ground Distribution Schematics - G401, G402, G901, and G902.cgm
Grandland X - EWD - Power and Signal Distribution - Wiring Systems and Power Management - Ignition Lock Schematics - Ignition Lock.cgm
Grandland X - EWD - Power and Signal Distribution - Wiring Systems and Power Management - Power Distribution Schematics - B+ Bus K9 Body Control Module.cgm
Grandland X - EWD - Power and Signal Distribution - Wiring Systems and Power Management - Power Distribution Schematics - B+ Bus X50D Fuse Block - Battery (LTM).cgm
Grandland X - EWD - Power and Signal Distribution - Wiring Systems and Power Management - Power Distribution Schematics - Battery B+ Distribution to Fuse Blocks, Generator, and Starter.cgm
Grandland X - EWD - Power and Signal Distribution - Wiring Systems and Power Management - Power Distribution Schematics - F10DA, F11DA, and F12DA.cgm
Grandland X - EWD - Power and Signal Distribution - Wiring Systems and Power Management - Power Distribution Schematics - F14UA, F15UA, F18UA, F19UA, F21UA, F29UA, F31UA, and F32UA.cgm
Grandland X - EWD - Power and Signal Distribution - Wiring Systems and Power Management - Power Distribution Schematics - F16UC, F18UC, F21UC, F22UC, and F25UC (LTM).cgm
Grandland X - EWD - Power and Signal Distribution - Wiring Systems and Power Management - Power Distribution Schematics - F1DA, F2DA, F3DA, F4DA, F5DA, F6DA, F7DA, F8DA, and F9DA.cgm
Grandland X - EWD - Power and Signal Distribution - Wiring Systems and Power Management - Power Distribution Schematics - F1DB, F4DB, F5DB, F6DB, F10DB, F11DB, F16DB, F26DB, F33DB, F34DB, and F35DB.cgm
Grandland X - EWD - Power and Signal Distribution - Wiring Systems and Power Management - Power Distribution Schematics - F1DD, F2DD, and F3DD.cgm
Grandland X - EWD - Power and Signal Distribution - Wiring Systems and Power Management - Power Distribution Schematics - F1UA, F2UA, F3UA, F4UA, F5UA, F6UA, F7UA, F22UA, F23UA, F24UA, F25UA, F26UA, and F27UA.cgm
Grandland X - EWD - Power and Signal Distribution - Wiring Systems and Power Management - Power Distribution Schematics - F1UB, F2UB, F4UB, F5UB, and F6UB (LTM).cgm
Grandland X - EWD - Power and Signal Distribution - Wiring Systems and Power Management - Power Distribution Schematics - F1UC, F2UC, F3UC, F4UC, F8UC, F10UC, F11UC, F12UC, F13UC, and F17UC (LTM).cgm
Grandland X - EWD - Power and Signal Distribution - Wiring Systems and Power Management - Power Distribution Schematics - F1UE, F2UE, F3UE, F4UE, and F5UE (-LTM).cgm
Grandland X - EWD - Power and Signal Distribution - Wiring Systems and Power Management - Power Distribution Schematics - F36DC, F37DC, F38DC, F39DC, and F40DC.cgm
Grandland X - EWD - Power and Signal Distribution - Wiring Systems and Power Management - Power Distribution Schematics - F36RA, F37RA, F38RA, and F39RA.cgm
Grandland X - EWD - Power and Signal Distribution - Wiring Systems and Power Management - Power Distribution Schematics - F3DB, F12DB, F13DB, F15DB, F17DB, F18DB, F22DB, F23DB, F24DB, and F25DB.cgm
Grandland X - EWD - Power and Signal Distribution - Wiring Systems and Power Management - Power Distribution Schematics - F7DB, F14DB, F19DB, F21DB, F27DB, F29DB, F31DB, F32DB, and F36DB.cgm
Grandland X - EWD - Power and Signal Distribution - Wiring Systems and Power Management - Power Distribution Schematics - F8UA, F9UA, F10UA, F11UA, F12UA, F13UA, F16UA, F17UA, F20UA, and F28UA (LCI).cgm
Grandland X - EWD - Power and Signal Distribution - Wiring Systems and Power Management - Power Distribution Schematics - F8UA, F9UA, F10UA, F11UA, F12UA, F13UA, F16UA, F17UA, F20UA, and F28UA (LES_o3S).cgm
Grandland X - EWD - Power and Signal Distribution - Wiring Systems and Power Management - Power Moding Schematics - Accessory Power Supply Relay 1.cgm
Grandland X - EWD - Power and Signal Distribution - Wiring Systems and Power Management - Power Moding Schematics - Ignition Mode Switch (ATH_BTM).cgm
Grandland X - EWD - Power and Signal Distribution - Wiring Systems and Power Management - Power Moding Schematics - Ignition Relays.cgm
Grandland X - EWD - Power and Signal Distribution - Wiring Systems and Power Management - Power Moding Schematics - Ignition Switch (Without ATH_BTM).cgm
Grandland X - EWD - Power and Signal Distribution - Wiring Systems and Power Management - Trailer Connector_Provision Schematics - Trailer Lighting (V65).cgm
Grandland X - EWD - Roof - Sunroof - Sunroof Sunshade (CFD).cgm
Grandland X - EWD - Safety and Security - Driver Assistance Systems - Blindspot Indicators (UDQ).cgm
Grandland X - EWD - Safety and Security - Driver Assistance Systems - Forward Collision Alert - Long Range (UGN).cgm
Grandland X - EWD - Safety and Security - Driver Assistance Systems - Lane Departure Warning (UFL), and Forward Collision Alert (UEU).cgm
Grandland X - EWD - Safety and Security - Immobilizer - Immobilizer.cgm
Grandland X - EWD - Safety and Security - Parking Assistance Systems - Front Sensors (UD5_UDQ_UFQ).cgm
Grandland X - EWD - Safety and Security - Parking Assistance Systems - Power, Ground, Serial Data, and Controls (UD5_UD7_UDQ_UFQ).cgm
Grandland X - EWD - Safety and Security - Parking Assistance Systems - Rear Sensors (UD5_UD7_UDQ_UFQ).cgm
Grandland X - EWD - Safety and Security - Remote Functions - Keyless Entry.cgm
Grandland X - EWD - Safety and Security - Seat Belts - Front.cgm
Grandland X - EWD - Safety and Security - Seat Belts - Rear.cgm
Grandland X - EWD - Safety and Security - Supplemental Restraints - Front Impact Sensing and Deployment.cgm
Grandland X - EWD - Safety and Security - Supplemental Restraints - Power, Ground, Serial Data, Indicators and Seat Position.cgm
Grandland X - EWD - Safety and Security - Supplemental Restraints - Side Impact Sensing and Deployment.cgm
Grandland X - EWD - Safety and Security - Theft Deterrent - Content Theft.cgm
Grandland X - EWD - Seats - Power Seats - Driver Seat Schematics - Lumbar (AVK+AE8).cgm
Grandland X - EWD - Seats - Power Seats - Driver Seat Schematics - Lumbar (AVK-AE8).cgm
Grandland X - EWD - Seats - Power Seats - Driver Seat Schematics - Module Power, Ground, Serial Data, and Memory Controls (AE8).cgm
Grandland X - EWD - Seats - Power Seats - Driver Seat Schematics - Seat Adjuster Switch and Motor (without AE8).cgm
Grandland X - EWD - Seats - Power Seats - Driver Seat Schematics - Seat Adjuster Switch and Motors (AE8).cgm
Grandland X - EWD - Seats - Power Seats - Passenger Seat Schematics - Lumbar (AVU).cgm
Grandland X - EWD - Seats - Power Seats - Passenger Seat Schematics - Seat Adjuster Switch and Motor (A53).cgm
Grandland X - EWD - Seats - Seat Heating and Cooling - Heating Elements - Front (KA1+AE8).cgm
Grandland X - EWD - Seats - Seat Heating and Cooling - Heating Elements - Front (KA1-AE8).cgm
Grandland X - EWD - Seats - Seat Heating and Cooling - Heating Elements - Rear (KA6).cgm
Grandland X - EWD - Seats - Seat Heating and Cooling - Module Power, Ground, and Controls - Rear (KA6).cgm
Grandland X - EWD - Seats - Seat Heating and Cooling - Vented Seat - Driver (KU1+AE8).cgm
Grandland X - EWD - Seats - Seat Heating and Cooling - Vented Seat - Passenger (KU3).cgm
Grandland X - EWD - Steering - Power Steering - Power Steering.cgm
Grandland X - EWD - Steering - Steering Wheel and Column - Heated Steering Wheel (UVD).cgm
Grandland X - EWD - Steering - Steering Wheel and Column - Steering Column Lock (BTM).cgm
Grandland X - EWD - Suspension - Tire Pressure Monitoring - Tire Pressure Initialization.cgm
Grandland X - EWD - Transmission - Automatic Transmission - 6III (ME1 MVQ) - Power, Ground, Serial Data, MIL and Manual Shift Controls (ME1).cgm
Grandland X - EWD - Transmission - Automatic Transmission - 6III (ME1 MVQ) - Speed and Temperature Sensors, Pressure and Shift Controls (ME1).cgm
Grandland X - EWD - Transmission - Automatic Transmission - AT8 (M5V, MRE) - Power, Ground, Serial Data, MIL and Manual Shift Controls (M5V).cgm
Grandland X - EWD - Transmission - Automatic Transmission - AT8 (M5V, MRE) - Power, Ground, Serial Data, MIL and Manual Shift Controls (MRE).cgm
Grandland X - EWD - Transmission - Automatic Transmission - AT8 (M5V, MRE) - Pressure Controls (M5V_MRE).cgm
Grandland X - EWD - Transmission - Automatic Transmission - AT8 (M5V, MRE) - Sensors and Shift Solenoids (M5V_MRE).cgm
Grandland X - EWD - Transmission - Automatic Transmission - AT8 (MM2) - Power, Ground, Serial Data, MIL, and Shift Lever Controls (MM2).cgm
Grandland X - EWD - Transmission - Automatic Transmission - AT8 (MM2) - Pressure Controls (MM2).cgm
Grandland X - EWD - Transmission - Automatic Transmission - AT8 (MM2) - Sensors and Shift Solenoids (MM2).cgm
Grandland X - EWD - Transmission - Automatic Transmission - AT8 (MM2) - Tap Up_Tap Down Switches (MM2).cgm
Grandland X - EWD - Transmission - Manual Transmission - MB6 (M0F) - 6-Speed (M0F).cgm
Grandland X - EWD - Transmission - Manual Transmission - ML6C (M0A) - 6-Speed (M0A).cgm
Grandland X - EWD - Transmission - Shift Lock Control - Shift Lock.cgm
Grandland X - EWD - Transmission - Transmission Cooling - Transmission Fluid Cooling (MM2).cgm
#More Product: Opel Service Manual, Repair Manual, Electrical Wiring Diagram


