Opel Karl 2018 Wiring Diagrams and Component Locations
Size: 69.1 MB
Format: PDF, CGM, XPS, HTM
Machine: Automotive
Machine Model: Opel Karl 2018
Document: Wiring Diagrams, Component Locations
Contents:
Opel EWD - 2018 - Karl - Control Module U Code List.pdf
Opel EWD - 2018 - Karl - RPO Code List.pdf
Opel EWD - 2018 - Karl - Schematics RPO Code List.pdf
Opel EWD - 2018 - Karl - Service Interval reset 2018 MY.pdf
Opel EWD - 2018 - Karl - Belts and Chains - 1.0L (L5Q, LWT) - Camshaft Timing Chain Adjustment.xps
Opel EWD - 2018 - Karl - Belts and Chains - 1.0L (L5Q, LWT) - Camshaft Timing Chain Replacement.xps
Opel EWD - 2018 - Karl - Belts and Chains - 1.0L (L5Q, LWT) - Drive Belt Replacement.xps
Opel EWD - 2018 - Karl - Belts and Chains - 1.0L (L5Q, LWT) - Engine Mechanical Specifications.xps
Opel EWD - 2018 - Karl - Belts and Chains - 1.0L (L5Q, LWT) - Oil Pump Drive Chain Replacement.xps
Opel EWD - 2018 - Karl - Component Locator - Master Electrical Component List.pdf
Opel EWD - 2018 - Karl - Component Locator - X84 Data Link Connector.pdf
Opel EWD - 2018 - Karl - Component Locator - Door Component Views - Driver Door Components (LHD).pdf
Opel EWD - 2018 - Karl - Component Locator - Door Component Views - Driver Door Components (RHD).pdf
Opel EWD - 2018 - Karl - Component Locator - Door Component Views - Driver Door Trim Components (LHD).pdf
Opel EWD - 2018 - Karl - Component Locator - Door Component Views - Driver Door Trim Components (RHD).pdf
Opel EWD - 2018 - Karl - Component Locator - Door Component Views - Left Rear Door Components.pdf
Opel EWD - 2018 - Karl - Component Locator - Door Component Views - Left Rear Door Trim Components.pdf
Opel EWD - 2018 - Karl - Component Locator - Door Component Views - Passenger Door Components (LHD).pdf
Opel EWD - 2018 - Karl - Component Locator - Door Component Views - Passenger Door Components (RHD).pdf
Opel EWD - 2018 - Karl - Component Locator - Door Component Views - Passenger Door Trim Components (LHD).pdf
Opel EWD - 2018 - Karl - Component Locator - Door Component Views - Passenger Door Trim Components (RHD).pdf
Opel EWD - 2018 - Karl - Component Locator - Door Component Views - Right Rear Door Components.pdf
Opel EWD - 2018 - Karl - Component Locator - Door Component Views - Right Rear Door Trim Components.pdf
Opel EWD - 2018 - Karl - Component Locator - Electrical Center Identification Views - X50A Fuse Block - Underhood Bottom View.pdf
Opel EWD - 2018 - Karl - Component Locator - Electrical Center Identification Views - X50A Fuse Block - Underhood Label.pdf
Opel EWD - 2018 - Karl - Component Locator - Electrical Center Identification Views - X50A Fuse Block - Underhood Top View.pdf
Opel EWD - 2018 - Karl - Component Locator - Electrical Center Identification Views - X50A Fuse Block - Underhood X1.pdf
Opel EWD - 2018 - Karl - Component Locator - Electrical Center Identification Views - X50A Fuse Block - Underhood X2.pdf
Opel EWD - 2018 - Karl - Component Locator - Electrical Center Identification Views - X50A Fuse Block - Underhood X3.pdf
Opel EWD - 2018 - Karl - Component Locator - Electrical Center Identification Views - X50A Fuse Block - Underhood X4.pdf
Opel EWD - 2018 - Karl - Component Locator - Electrical Center Identification Views - X50D Fuse Block - Battery Top View.pdf
Opel EWD - 2018 - Karl - Component Locator - Electrical Center Identification Views - X50D Fuse Block - Battery X1.pdf
Opel EWD - 2018 - Karl - Component Locator - Electrical Center Identification Views - X50D Fuse Block - Battery X2.pdf
Opel EWD - 2018 - Karl - Component Locator - Electrical Center Identification Views - X50D Fuse Block - Battery X3.pdf
Opel EWD - 2018 - Karl - Component Locator - Electrical Center Identification Views - X50D Fuse Block - Battery X4.pdf
Opel EWD - 2018 - Karl - Component Locator - Electrical Center Identification Views - X51A Fuse Block - Instrument Panel Label.pdf
Opel EWD - 2018 - Karl - Component Locator - Electrical Center Identification Views - X51A Fuse Block - Instrument Panel Top View.pdf
Opel EWD - 2018 - Karl - Component Locator - Electrical Center Identification Views - X51A Fuse Block - Instrument Panel X0.pdf
Opel EWD - 2018 - Karl - Component Locator - Electrical Center Identification Views - X51A Fuse Block - Instrument Panel X1.pdf
Opel EWD - 2018 - Karl - Component Locator - Electrical Center Identification Views - X51A Fuse Block - Instrument Panel X2.pdf
Opel EWD - 2018 - Karl - Component Locator - Front of Vehicle Engine Compartment Component Views - Engine Compartment Components (LHD).pdf
Opel EWD - 2018 - Karl - Component Locator - Front of Vehicle Engine Compartment Component Views - Engine Compartment Components (RHD).pdf
Opel EWD - 2018 - Karl - Component Locator - Front of Vehicle Engine Compartment Component Views - Front of the Vehicle Components (1 of 2).pdf
Opel EWD - 2018 - Karl - Component Locator - Front of Vehicle Engine Compartment Component Views - Front of the Vehicle Components (2 of 2).pdf
Opel EWD - 2018 - Karl - Component Locator - Front of Vehicle Engine Compartment Component Views - Front Side of the Vehicle Components.pdf
Opel EWD - 2018 - Karl - Component Locator - Front of Vehicle Engine Compartment Component Views - Left Side of the Engine Compartment Components.pdf
Opel EWD - 2018 - Karl - Component Locator - Front of Vehicle Engine Compartment Component Views - Radiator Components.pdf
Opel EWD - 2018 - Karl - Component Locator - Front of Vehicle Engine Compartment Component Views - Radiator Support Components.pdf
Opel EWD - 2018 - Karl - Component Locator - Front of Vehicle Engine Compartment Component Views - Rear of the Engine Compartment Components.pdf
Opel EWD - 2018 - Karl - Component Locator - Front of Vehicle Engine Compartment Component Views - Washer Pump and Horn Components.pdf
Opel EWD - 2018 - Karl - Component Locator - Ground Views - G100.pdf
Opel EWD - 2018 - Karl - Component Locator - Ground Views - G101.pdf
Opel EWD - 2018 - Karl - Component Locator - Ground Views - G104 and G105 (LHD).pdf
Opel EWD - 2018 - Karl - Component Locator - Ground Views - G105 (RHD).pdf
Opel EWD - 2018 - Karl - Component Locator - Ground Views - G110 and G111.pdf
Opel EWD - 2018 - Karl - Component Locator - Ground Views - G201, G202 and G203.pdf
Opel EWD - 2018 - Karl - Component Locator - Ground Views - G302.pdf
Opel EWD - 2018 - Karl - Component Locator - Ground Views - G303.pdf
Opel EWD - 2018 - Karl - Component Locator - Ground Views - G304.pdf
Opel EWD - 2018 - Karl - Component Locator - Ground Views - G305.pdf
Opel EWD - 2018 - Karl - Component Locator - Ground Views - G306.pdf
Opel EWD - 2018 - Karl - Component Locator - Harness Routing Views - Body Harness Routing - Left Front of the Engine Compartment (LHD).pdf
Opel EWD - 2018 - Karl - Component Locator - Harness Routing Views - Body Harness Routing - Left Front of the Engine Compartment (RHD).pdf
Opel EWD - 2018 - Karl - Component Locator - Harness Routing Views - Body Harness Routing - Left Rear.pdf
Opel EWD - 2018 - Karl - Component Locator - Harness Routing Views - Body Harness Routing - Left Side of the Passenger Compartment (LHD).pdf
Opel EWD - 2018 - Karl - Component Locator - Harness Routing Views - Body Harness Routing - Left Side of the Passenger Compartment (RHD).pdf
Opel EWD - 2018 - Karl - Component Locator - Harness Routing Views - Body Harness Routing - Middle of the Passenger Compartment.pdf
Opel EWD - 2018 - Karl - Component Locator - Harness Routing Views - Body Harness Routing - Rear of the Vehicle.pdf
Opel EWD - 2018 - Karl - Component Locator - Harness Routing Views - Body Harness Routing - Right Side of the Passenger Compartment (LHD).pdf
Opel EWD - 2018 - Karl - Component Locator - Harness Routing Views - Body Harness Routing - Right Side of the Passenger Compartment (RHD).pdf
Opel EWD - 2018 - Karl - Component Locator - Harness Routing Views - Driver Door Harness Routing (LHD).pdf
Opel EWD - 2018 - Karl - Component Locator - Harness Routing Views - Driver Door Harness Routing (RHD).pdf
Opel EWD - 2018 - Karl - Component Locator - Harness Routing Views - Engine Harness Routing (L5Q).pdf
Opel EWD - 2018 - Karl - Component Locator - Harness Routing Views - Engine Harness Routing (LWT).pdf
Opel EWD - 2018 - Karl - Component Locator - Harness Routing Views - Forward Lamp Harness Routing - Left Front of the Engine Compartment.pdf
Opel EWD - 2018 - Karl - Component Locator - Harness Routing Views - Forward Lamp Harness Routing - Right Front of the Engine Compartment.pdf
Opel EWD - 2018 - Karl - Component Locator - Harness Routing Views - Fuel Tank Harness Routing.pdf
Opel EWD - 2018 - Karl - Component Locator - Harness Routing Views - Instrument Panel Harness Routing - Behind Instrument Panel Compartment (LHD).pdf
Opel EWD - 2018 - Karl - Component Locator - Harness Routing Views - Instrument Panel Harness Routing - Behind Instrument Panel Compartment (RHD).pdf
Opel EWD - 2018 - Karl - Component Locator - Harness Routing Views - Left Rear Door Harness Routing.pdf
Opel EWD - 2018 - Karl - Component Locator - Harness Routing Views - Liftgate Harness Routing.pdf
Opel EWD - 2018 - Karl - Component Locator - Harness Routing Views - Passenger Door Harness Routing (LHD).pdf
Opel EWD - 2018 - Karl - Component Locator - Harness Routing Views - Passenger Door Harness Routing (RHD).pdf
Opel EWD - 2018 - Karl - Component Locator - Harness Routing Views - Rear Bumper Harness Routing.pdf
Opel EWD - 2018 - Karl - Component Locator - Harness Routing Views - Right Rear Door Harness Routing.pdf
Opel EWD - 2018 - Karl - Component Locator - Harness Routing Views - Roof Headliner Harness Routing.pdf
Opel EWD - 2018 - Karl - Component Locator - Instrument Panel Center Console Component Views - Behind the Instrument Panel Components (LHD).pdf
Opel EWD - 2018 - Karl - Component Locator - Instrument Panel Center Console Component Views - Behind the Instrument Panel Components (RHD).pdf
Opel EWD - 2018 - Karl - Component Locator - Instrument Panel Center Console Component Views - HVAC Components.pdf
Opel EWD - 2018 - Karl - Component Locator - Instrument Panel Center Console Component Views - Instrument Panel Components (LHD).pdf
Opel EWD - 2018 - Karl - Component Locator - Instrument Panel Center Console Component Views - Instrument Panel Components (RHD).pdf
Opel EWD - 2018 - Karl - Component Locator - Instrument Panel Center Console Component Views - Steering Column Components (LHD).pdf
Opel EWD - 2018 - Karl - Component Locator - Instrument Panel Center Console Component Views - Steering Column Components (RHD).pdf
Opel EWD - 2018 - Karl - Component Locator - Luggage Compartment Rear of Vehicle Component Views - Left Rear Luggage Compartment Components.pdf
Opel EWD - 2018 - Karl - Component Locator - Luggage Compartment Rear of Vehicle Component Views - Liftgate Components.pdf
Opel EWD - 2018 - Karl - Component Locator - Luggage Compartment Rear of Vehicle Component Views - Rear Bumper Components.pdf
Opel EWD - 2018 - Karl - Component Locator - Luggage Compartment Rear of Vehicle Component Views - Rear of the Vehicle Components.pdf
Opel EWD - 2018 - Karl - Component Locator - Luggage Compartment Rear of Vehicle Component Views - Right Rear Luggage Compartment Components.pdf
Opel EWD - 2018 - Karl - Component Locator - Passenger Compartment Roof Component Views - Driver Seat Components (LHD).pdf
Opel EWD - 2018 - Karl - Component Locator - Passenger Compartment Roof Component Views - Driver Seat Components (RHD).pdf
Opel EWD - 2018 - Karl - Component Locator - Passenger Compartment Roof Component Views - Headliner Components.pdf
Opel EWD - 2018 - Karl - Component Locator - Passenger Compartment Roof Component Views - Left Side of the Passenger Compartment Components (LHD).pdf
Opel EWD - 2018 - Karl - Component Locator - Passenger Compartment Roof Component Views - Left Side of the Passenger Compartment Components (RHD).pdf
Opel EWD - 2018 - Karl - Component Locator - Passenger Compartment Roof Component Views - Passenger Compartment Components.pdf
Opel EWD - 2018 - Karl - Component Locator - Passenger Compartment Roof Component Views - Passenger Seat Components (LHD).pdf
Opel EWD - 2018 - Karl - Component Locator - Passenger Compartment Roof Component Views - Passenger Seat Components (RHD).pdf
Opel EWD - 2018 - Karl - Component Locator - Passenger Compartment Roof Component Views - Rear of the Passenger Compartment Components.pdf
Opel EWD - 2018 - Karl - Component Locator - Passenger Compartment Roof Component Views - Right Front of the Passenger Compartment Components (RHD).pdf
Opel EWD - 2018 - Karl - Component Locator - Passenger Compartment Roof Component Views - Right Side of the Passenger Compartment Components (LHD).pdf
Opel EWD - 2018 - Karl - Component Locator - Passenger Compartment Roof Component Views - Right Side of the Passenger Compartment Components (RHD).pdf
Opel EWD - 2018 - Karl - Component Locator - Powertrain Component Views - Engine Components - Left Rear.pdf
Opel EWD - 2018 - Karl - Component Locator - Powertrain Component Views - Engine Components - Lower Rear.pdf
Opel EWD - 2018 - Karl - Component Locator - Powertrain Component Views - Engine Components - Right Front (L5Q).pdf
Opel EWD - 2018 - Karl - Component Locator - Powertrain Component Views - Engine Components - Right Front (LWT).pdf
Opel EWD - 2018 - Karl - Component Locator - Powertrain Component Views - Transmission Components (MFQ).pdf
Opel EWD - 2018 - Karl - Component Locator - Powertrain Component Views - Transmission Components (MR7).pdf
Opel EWD - 2018 - Karl - Component Locator - Wheels Vehicle Underbody Component Views - Fuel Tank Components.pdf
Opel EWD - 2018 - Karl - Component Locator - Wheels Vehicle Underbody Component Views - Wheel Components - Left Front.pdf
Opel EWD - 2018 - Karl - Component Locator - Wheels Vehicle Underbody Component Views - Wheel Components - Rear.pdf
Opel EWD - 2018 - Karl - Component Locator - Wheels Vehicle Underbody Component Views - Wheel Components - Right Front.pdf
Opel EWD - 2018 - Karl - EWD - Body Repair - Bolted Exterior Body Panels and Closures - Hood Latch.cgm
Opel EWD - 2018 - Karl - EWD - Body Systems - Fixed and Moveable Windows - Defogger Schematics - Rear Window Defogger.cgm
Opel EWD - 2018 - Karl - EWD - Body Systems - Fixed and Moveable Windows - Moveable Window Schematics - Front (A55).cgm
Opel EWD - 2018 - Karl - EWD - Body Systems - Fixed and Moveable Windows - Moveable Window Schematics - Front and Rear (A33).cgm
Opel EWD - 2018 - Karl - EWD - Body Systems - Fixed and Moveable Windows - Moveable Window Schematics - Front and Rear (AXG).cgm
Opel EWD - 2018 - Karl - EWD - Body Systems - Horns and Pedestrian Alerts - Horn.cgm
Opel EWD - 2018 - Karl - EWD - Body Systems - Lighting - Exterior Lights Schematics - Cornering Lights (T87).cgm
Opel EWD - 2018 - Karl - EWD - Body Systems - Lighting - Exterior Lights Schematics - Park and Tail Lamps.cgm
Opel EWD - 2018 - Karl - EWD - Body Systems - Lighting - Exterior Lights Schematics - Park, Turn, Hazard, Backup and Brake Lamps Controls.cgm
Opel EWD - 2018 - Karl - EWD - Body Systems - Lighting - Exterior Lights Schematics - Stop, Backup and License Plate Lamps.cgm
Opel EWD - 2018 - Karl - EWD - Body Systems - Lighting - Exterior Lights Schematics - Turn Signal Lamps.cgm
Opel EWD - 2018 - Karl - EWD - Body Systems - Lighting - Fog Lights Schematics - Front and Rear Fog Lights.cgm
Opel EWD - 2018 - Karl - EWD - Body Systems - Lighting - Headlights Daytime Running Lights (DRL) Schematics - Headlamp Controls and Indicators.cgm
Opel EWD - 2018 - Karl - EWD - Body Systems - Lighting - Headlights Daytime Running Lights (DRL) Schematics - Headlight Leveling (TR6).cgm
Opel EWD - 2018 - Karl - EWD - Body Systems - Lighting - Headlights Daytime Running Lights (DRL) Schematics - Low, High Beams and Daytime Running Lights (T7E).cgm
Opel EWD - 2018 - Karl - EWD - Body Systems - Lighting - Interior Lights Dimming Schematics - Instrument Panel, Steering Wheel Switches and Accessory Power Receptacle (1 of 2).cgm
Opel EWD - 2018 - Karl - EWD - Body Systems - Lighting - Interior Lights Dimming Schematics - Instrument Panel, Steering Wheel Switches and Accessory Power Receptacle (2 of 2).cgm
Opel EWD - 2018 - Karl - EWD - Body Systems - Lighting - Interior Lights Schematics - Front Interior Overhead Lamps and Cargo Lamp.cgm
Opel EWD - 2018 - Karl - EWD - Body Systems - Mirrors - Inside Rearview Mirror Schematics - Inside Rearview Mirror.cgm
Opel EWD - 2018 - Karl - EWD - Body Systems - Mirrors - Outside Rearview Mirror Schematics - Heated Mirrors (DLW).cgm
Opel EWD - 2018 - Karl - EWD - Body Systems - Mirrors - Outside Rearview Mirror Schematics - Outside Rearview Mirror (DLW).cgm
Opel EWD - 2018 - Karl - EWD - Body Systems - Vehicle Access - Door Lock Indicator Schematics - Actuators (AU3).cgm
Opel EWD - 2018 - Karl - EWD - Body Systems - Vehicle Access - Door Lock Indicator Schematics - Controls and Door Locks.cgm
Opel EWD - 2018 - Karl - EWD - Body Systems - Vehicle Access - Door Lock Indicator Schematics - Indicators.cgm
Opel EWD - 2018 - Karl - EWD - Body Systems - Vehicle Access - Release Systems Schematics - Liftgate Release.cgm
Opel EWD - 2018 - Karl - EWD - Body Systems - Wipers and Washers - Front Wiper Washer Control and Wiper.cgm
Opel EWD - 2018 - Karl - EWD - Body Systems - Wipers and Washers - Rear Wiper.cgm
Opel EWD - 2018 - Karl - EWD - Body Systems - Wipers and Washers - Windshield Washer.cgm
Opel EWD - 2018 - Karl - EWD - Brakes - Antilock Brake System Schematics - Power, Ground and Serial Data.cgm
Opel EWD - 2018 - Karl - EWD - Brakes - Antilock Brake System Schematics - Wheel Speed Sensors.cgm
Opel EWD - 2018 - Karl - EWD - Brakes - Hydraulic Brakes - Hydraulic Brakes.cgm
Opel EWD - 2018 - Karl - EWD - Driver Information and Entertainment - Cellular, Entertainment, and Navigation - OnStar Telematics Schematics - OnStar (UE1).cgm
Opel EWD - 2018 - Karl - EWD - Driver Information and Entertainment - Cellular, Entertainment, and Navigation - Radio Navigation System Schematics - Infotainment Display and Radio Controls (IOB).cgm
Opel EWD - 2018 - Karl - EWD - Driver Information and Entertainment - Cellular, Entertainment, and Navigation - Radio Navigation System Schematics - Power, Ground, Serial Data, Antenna and Microphone (IOB).cgm
Opel EWD - 2018 - Karl - EWD - Driver Information and Entertainment - Cellular, Entertainment, and Navigation - Radio Navigation System Schematics - Power, Ground, Serial Data, Antenna and Microphone (IP0 or IP1).cgm
Opel EWD - 2018 - Karl - EWD - Driver Information and Entertainment - Cellular, Entertainment, and Navigation - Radio Navigation System Schematics - Speakers (UQF).cgm
Opel EWD - 2018 - Karl - EWD - Driver Information and Entertainment - Displays and Gauges - Instrument Cluster Schematics - Ambient Air Temperature Sensor and Driver Information.cgm
Opel EWD - 2018 - Karl - EWD - Driver Information and Entertainment - Displays and Gauges - Instrument Cluster Schematics - Indicators (2 of 2).cgm
Opel EWD - 2018 - Karl - EWD - Driver Information and Entertainment - Displays and Gauges - Instrument Cluster Schematics - Power, Ground, Serial Data and Indicators (1 of 2).cgm
Opel EWD - 2018 - Karl - EWD - Driver Information and Entertainment - Image Display Cameras - Rear Vision Camera (UVC).cgm
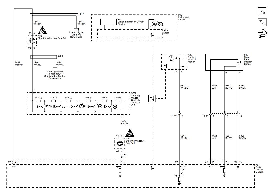
Opel EWD - 2018 - Karl - EWD - Driver Information and Entertainment - Secondary and Configurable Customer Controls - Steering Wheel Controls.cgm
Opel EWD - 2018 - Karl - EWD - Engine - 1.0L (L5Q) - 12 V Starting and Charging - Charging (KL9).cgm
Opel EWD - 2018 - Karl - EWD - Engine - 1.0L (L5Q) - 12 V Starting and Charging - Charging (-KL9).cgm
Opel EWD - 2018 - Karl - EWD - Engine - 1.0L (L5Q) - 12 V Starting and Charging - Starting.cgm
Opel EWD - 2018 - Karl - EWD - Engine - 1.0L (L5Q) - 12 V Starting and Charging - Stop Start System (KL9).cgm
Opel EWD - 2018 - Karl - EWD - Engine - 1.0L (L5Q) - Cruise Control - Cruise Control (K33).cgm
Opel EWD - 2018 - Karl - EWD - Engine - 1.0L (L5Q) - Engine Controls and Fuel - 1.0L (L5Q LWT) - Engine Controls Schematics (L5Q) - 5V1, 5V2 and Low Reference Bus (L5Q) (1 of 2).cgm
Opel EWD - 2018 - Karl - EWD - Engine - 1.0L (L5Q) - Engine Controls and Fuel - 1.0L (L5Q LWT) - Engine Controls Schematics (L5Q) - 5V3, 5V4 and Low Reference Bus (L5Q) (2 of 2).cgm
Opel EWD - 2018 - Karl - EWD - Engine - 1.0L (L5Q) - Engine Controls and Fuel - 1.0L (L5Q LWT) - Engine Controls Schematics (L5Q) - Controlled Monitored Subsystem References (L5Q).cgm
Opel EWD - 2018 - Karl - EWD - Engine - 1.0L (L5Q) - Engine Controls and Fuel - 1.0L (L5Q LWT) - Engine Controls Schematics (L5Q) - Engine Data Sensors - Camshaft, Crankshaft and Knock Sensor and Camshaft Actuators (L5Q).cgm
Opel EWD - 2018 - Karl - EWD - Engine - 1.0L (L5Q) - Engine Controls and Fuel - 1.0L (L5Q LWT) - Engine Controls Schematics (L5Q) - Engine Data Sensors - Pressure and Temperature (L5Q).cgm
Opel EWD - 2018 - Karl - EWD - Engine - 1.0L (L5Q) - Engine Controls and Fuel - 1.0L (L5Q LWT) - Engine Controls Schematics (L5Q) - Engine Data Sensors - Throttle Controls (L5Q).cgm
Opel EWD - 2018 - Karl - EWD - Engine - 1.0L (L5Q) - Engine Controls and Fuel - 1.0L (L5Q LWT) - Engine Controls Schematics (L5Q) - Fuel Controls - Fuel Injectors (L5Q).cgm
Opel EWD - 2018 - Karl - EWD - Engine - 1.0L (L5Q) - Engine Controls and Fuel - 1.0L (L5Q LWT) - Engine Controls Schematics (L5Q) - Ignition Controls - Ignition Coils (L5Q).cgm
Opel EWD - 2018 - Karl - EWD - Engine - 1.0L (L5Q) - Engine Controls and Fuel - 1.0L (L5Q LWT) - Engine Controls Schematics (L5Q) - Oxygen Sensors and Evaporative Emission Controls (L5Q).cgm
Opel EWD - 2018 - Karl - EWD - Engine - 1.0L (L5Q) - Engine Controls and Fuel - 1.0L (L5Q LWT) - Engine Controls Schematics (L5Q) - Power, Ground, Serial Data and MIL (L5Q).cgm
Opel EWD - 2018 - Karl - EWD - Engine - 1.0L (L5Q) - Engine Controls and Fuel - 1.0L (L5Q LWT) - Engine Controls Schematics (LWT) - 5V1, 5V2 and Low Reference Bus (LWT) (1 of 2).cgm
Opel EWD - 2018 - Karl - EWD - Engine - 1.0L (L5Q) - Engine Controls and Fuel - 1.0L (L5Q LWT) - Engine Controls Schematics (LWT) - 5V3, 5V4 and Low Reference Bus (LWT) (2 of 2).cgm
Opel EWD - 2018 - Karl - EWD - Engine - 1.0L (L5Q) - Engine Controls and Fuel - 1.0L (L5Q LWT) - Engine Controls Schematics (LWT) - Controlled Monitored Subsystem References (LWT).cgm
Opel EWD - 2018 - Karl - EWD - Engine - 1.0L (L5Q) - Engine Controls and Fuel - 1.0L (L5Q LWT) - Engine Controls Schematics (LWT) - Engine Data Sensors - Camshaft, Crankshaft and Knock Sensor and Camshaft Actuators (LWT).cgm
Opel EWD - 2018 - Karl - EWD - Engine - 1.0L (L5Q) - Engine Controls and Fuel - 1.0L (L5Q LWT) - Engine Controls Schematics (LWT) - Engine Data Sensors - Pressure and Temperature (LWT).cgm
Opel EWD - 2018 - Karl - EWD - Engine - 1.0L (L5Q) - Engine Controls and Fuel - 1.0L (L5Q LWT) - Engine Controls Schematics (LWT) - Engine Data Sensors - Throttle Controls (LWT).cgm
Opel EWD - 2018 - Karl - EWD - Engine - 1.0L (L5Q) - Engine Controls and Fuel - 1.0L (L5Q LWT) - Engine Controls Schematics (LWT) - Fuel Controls - Gasoline Fuel Injectors (LWT).cgm
Opel EWD - 2018 - Karl - EWD - Engine - 1.0L (L5Q) - Engine Controls and Fuel - 1.0L (L5Q LWT) - Engine Controls Schematics (LWT) - Fuel Controls - Liquefied Petroleum Gas Fuel Injectors (LWT).cgm
Opel EWD - 2018 - Karl - EWD - Engine - 1.0L (L5Q) - Engine Controls and Fuel - 1.0L (L5Q LWT) - Engine Controls Schematics (LWT) - Fuel Injector Control Module - Fuel Select Switch (LWT).cgm
Opel EWD - 2018 - Karl - EWD - Engine - 1.0L (L5Q) - Engine Controls and Fuel - 1.0L (L5Q LWT) - Engine Controls Schematics (LWT) - Fuel Injector Control Module - Sensors and Switches (LWT).cgm
Opel EWD - 2018 - Karl - EWD - Engine - 1.0L (L5Q) - Engine Controls and Fuel - 1.0L (L5Q LWT) - Engine Controls Schematics (LWT) - Ignition Controls - Ignition Coils (LWT).cgm
Opel EWD - 2018 - Karl - EWD - Engine - 1.0L (L5Q) - Engine Controls and Fuel - 1.0L (L5Q LWT) - Engine Controls Schematics (LWT) - Module Power, Ground, Serial Data and MIL (LWT).cgm
Opel EWD - 2018 - Karl - EWD - Engine - 1.0L (L5Q) - Engine Controls and Fuel - 1.0L (L5Q LWT) - Engine Controls Schematics (LWT) - Oxygen Sensors and Evaporative Emission Controls (LWT).cgm
Opel EWD - 2018 - Karl - EWD - Engine - 1.0L (L5Q) - Engine Heating and Cooling - Engine Cooling.cgm
Opel EWD - 2018 - Karl - EWD - Engine - 1.0L (L5Q) - Engine Mechanical - 1.0L (L5Q LWT) - Oil Pressure Control (L5Q LWT).cgm
Opel EWD - 2018 - Karl - EWD - Engine - 1.0L (LWT) - 12 V Starting and Charging - Charging (KL9).cgm
Opel EWD - 2018 - Karl - EWD - Engine - 1.0L (LWT) - 12 V Starting and Charging - Charging (-KL9).cgm
Opel EWD - 2018 - Karl - EWD - Engine - 1.0L (LWT) - 12 V Starting and Charging - Starting.cgm
Opel EWD - 2018 - Karl - EWD - Engine - 1.0L (LWT) - 12 V Starting and Charging - Stop Start System (KL9).cgm
Opel EWD - 2018 - Karl - EWD - Engine - 1.0L (LWT) - Cruise Control - Cruise Control (K33).cgm
Opel EWD - 2018 - Karl - EWD - Engine - 1.0L (LWT) - Engine Controls and Fuel - 1.0L (L5Q LWT) - Engine Controls Schematics (L5Q) - 5V1, 5V2 and Low Reference Bus (L5Q) (1 of 2).cgm
Opel EWD - 2018 - Karl - EWD - Engine - 1.0L (LWT) - Engine Controls and Fuel - 1.0L (L5Q LWT) - Engine Controls Schematics (L5Q) - 5V3, 5V4 and Low Reference Bus (L5Q) (2 of 2).cgm
Opel EWD - 2018 - Karl - EWD - Engine - 1.0L (LWT) - Engine Controls and Fuel - 1.0L (L5Q LWT) - Engine Controls Schematics (L5Q) - Controlled Monitored Subsystem References (L5Q).cgm
Opel EWD - 2018 - Karl - EWD - Engine - 1.0L (LWT) - Engine Controls and Fuel - 1.0L (L5Q LWT) - Engine Controls Schematics (L5Q) - Engine Data Sensors - Camshaft, Crankshaft and Knock Sensor and Camshaft Actuators (L5Q).cgm
Opel EWD - 2018 - Karl - EWD - Engine - 1.0L (LWT) - Engine Controls and Fuel - 1.0L (L5Q LWT) - Engine Controls Schematics (L5Q) - Engine Data Sensors - Pressure and Temperature (L5Q).cgm
Opel EWD - 2018 - Karl - EWD - Engine - 1.0L (LWT) - Engine Controls and Fuel - 1.0L (L5Q LWT) - Engine Controls Schematics (L5Q) - Engine Data Sensors - Throttle Controls (L5Q).cgm
Opel EWD - 2018 - Karl - EWD - Engine - 1.0L (LWT) - Engine Controls and Fuel - 1.0L (L5Q LWT) - Engine Controls Schematics (L5Q) - Fuel Controls - Fuel Injectors (L5Q).cgm
Opel EWD - 2018 - Karl - EWD - Engine - 1.0L (LWT) - Engine Controls and Fuel - 1.0L (L5Q LWT) - Engine Controls Schematics (L5Q) - Ignition Controls - Ignition Coils (L5Q).cgm
Opel EWD - 2018 - Karl - EWD - Engine - 1.0L (LWT) - Engine Controls and Fuel - 1.0L (L5Q LWT) - Engine Controls Schematics (L5Q) - Oxygen Sensors and Evaporative Emission Controls (L5Q).cgm
Opel EWD - 2018 - Karl - EWD - Engine - 1.0L (LWT) - Engine Controls and Fuel - 1.0L (L5Q LWT) - Engine Controls Schematics (L5Q) - Power, Ground, Serial Data and MIL (L5Q).cgm
Opel EWD - 2018 - Karl - EWD - Engine - 1.0L (LWT) - Engine Controls and Fuel - 1.0L (L5Q LWT) - Engine Controls Schematics (LWT) - 5V1, 5V2 and Low Reference Bus (LWT) (1 of 2).cgm
Opel EWD - 2018 - Karl - EWD - Engine - 1.0L (LWT) - Engine Controls and Fuel - 1.0L (L5Q LWT) - Engine Controls Schematics (LWT) - 5V3, 5V4 and Low Reference Bus (LWT) (2 of 2).cgm
Opel EWD - 2018 - Karl - EWD - Engine - 1.0L (LWT) - Engine Controls and Fuel - 1.0L (L5Q LWT) - Engine Controls Schematics (LWT) - Controlled Monitored Subsystem References (LWT).cgm
Opel EWD - 2018 - Karl - EWD - Engine - 1.0L (LWT) - Engine Controls and Fuel - 1.0L (L5Q LWT) - Engine Controls Schematics (LWT) - Engine Data Sensors - Camshaft, Crankshaft and Knock Sensor and Camshaft Actuators (LWT).cgm
Opel EWD - 2018 - Karl - EWD - Engine - 1.0L (LWT) - Engine Controls and Fuel - 1.0L (L5Q LWT) - Engine Controls Schematics (LWT) - Engine Data Sensors - Pressure and Temperature (LWT).cgm
Opel EWD - 2018 - Karl - EWD - Engine - 1.0L (LWT) - Engine Controls and Fuel - 1.0L (L5Q LWT) - Engine Controls Schematics (LWT) - Engine Data Sensors - Throttle Controls (LWT).cgm
Opel EWD - 2018 - Karl - EWD - Engine - 1.0L (LWT) - Engine Controls and Fuel - 1.0L (L5Q LWT) - Engine Controls Schematics (LWT) - Fuel Controls - Gasoline Fuel Injectors (LWT).cgm
Opel EWD - 2018 - Karl - EWD - Engine - 1.0L (LWT) - Engine Controls and Fuel - 1.0L (L5Q LWT) - Engine Controls Schematics (LWT) - Fuel Controls - Liquefied Petroleum Gas Fuel Injectors (LWT).cgm
Opel EWD - 2018 - Karl - EWD - Engine - 1.0L (LWT) - Engine Controls and Fuel - 1.0L (L5Q LWT) - Engine Controls Schematics (LWT) - Fuel Injector Control Module - Fuel Select Switch (LWT).cgm
Opel EWD - 2018 - Karl - EWD - Engine - 1.0L (LWT) - Engine Controls and Fuel - 1.0L (L5Q LWT) - Engine Controls Schematics (LWT) - Fuel Injector Control Module - Sensors and Switches (LWT).cgm
Opel EWD - 2018 - Karl - EWD - Engine - 1.0L (LWT) - Engine Controls and Fuel - 1.0L (L5Q LWT) - Engine Controls Schematics (LWT) - Ignition Controls - Ignition Coils (LWT).cgm
Opel EWD - 2018 - Karl - EWD - Engine - 1.0L (LWT) - Engine Controls and Fuel - 1.0L (L5Q LWT) - Engine Controls Schematics (LWT) - Module Power, Ground, Serial Data and MIL (LWT).cgm
Opel EWD - 2018 - Karl - EWD - Engine - 1.0L (LWT) - Engine Controls and Fuel - 1.0L (L5Q LWT) - Engine Controls Schematics (LWT) - Oxygen Sensors and Evaporative Emission Controls (LWT).cgm
Opel EWD - 2018 - Karl - EWD - Engine - 1.0L (LWT) - Engine Heating and Cooling - Engine Cooling.cgm
Opel EWD - 2018 - Karl - EWD - Engine - 1.0L (LWT) - Engine Mechanical - 1.0L (L5Q LWT) - Oil Pressure Control (L5Q LWT).cgm
Opel EWD - 2018 - Karl - EWD - HVAC - HVAC - Automatic - Air Quality, Ambient Light Sunload, Evaporator Temperature and Left Duct Air Sensors (C68).cgm
Opel EWD - 2018 - Karl - EWD - HVAC - HVAC - Automatic - Compressor Controls (C68).cgm
Opel EWD - 2018 - Karl - EWD - HVAC - HVAC - Automatic - Mode, Recirculation and Left Air Temperature Doors (C68).cgm
Opel EWD - 2018 - Karl - EWD - HVAC - HVAC - Automatic - Power, Ground, Serial Data and Blower Control (C68).cgm
Opel EWD - 2018 - Karl - EWD - HVAC - HVAC - Manual - Blower Controls and Temperature Sensors (C41 or C60).cgm
Opel EWD - 2018 - Karl - EWD - HVAC - HVAC - Manual - Compressor Controls (C60).cgm
Opel EWD - 2018 - Karl - EWD - HVAC - HVAC - Manual - Power, Ground, Serial Data and Blower Control (C41 or C60).cgm
Opel EWD - 2018 - Karl - EWD - Power and Signal Distribution - Data Communications - Body Control System Schematics - Power, Ground and Serial Data Communication.cgm
Opel EWD - 2018 - Karl - EWD - Power and Signal Distribution - Data Communications - Body Control System Schematics - Subsystem References (1 of 3).cgm
Opel EWD - 2018 - Karl - EWD - Power and Signal Distribution - Data Communications - Body Control System Schematics - Subsystem References (2 of 3).cgm
Opel EWD - 2018 - Karl - EWD - Power and Signal Distribution - Data Communications - Body Control System Schematics - Subsystem References (3 of 3).cgm
Opel EWD - 2018 - Karl - EWD - Power and Signal Distribution - Data Communications - Data Communication Schematics - Data Communication Enable.cgm
Opel EWD - 2018 - Karl - EWD - Power and Signal Distribution - Data Communications - Data Communication Schematics - High Speed Chassis CAN.cgm
Opel EWD - 2018 - Karl - EWD - Power and Signal Distribution - Data Communications - Data Communication Schematics - High Speed GMLAN (3 of 3).cgm
Opel EWD - 2018 - Karl - EWD - Power and Signal Distribution - Data Communications - Data Communication Schematics - High Speed GMLAN (LHD) (1 of 3).cgm
Opel EWD - 2018 - Karl - EWD - Power and Signal Distribution - Data Communications - Data Communication Schematics - High Speed GMLAN (RHD) (2 of 3).cgm
Opel EWD - 2018 - Karl - EWD - Power and Signal Distribution - Data Communications - Data Communication Schematics - Isolated Low Speed GMLAN.cgm
Opel EWD - 2018 - Karl - EWD - Power and Signal Distribution - Data Communications - Data Communication Schematics - Linear Interconnect Network (LIN).cgm
Opel EWD - 2018 - Karl - EWD - Power and Signal Distribution - Data Communications - Data Communication Schematics - Low Speed GMLAN.cgm
Opel EWD - 2018 - Karl - EWD - Power and Signal Distribution - Data Communications - Data Communication Schematics - Powertrain Expansion Bus (KL7).cgm
Opel EWD - 2018 - Karl - EWD - Power and Signal Distribution - Power Outlets - Cigar Lighter Power Outlet Schematics - Accessory Power Outlets.cgm
Opel EWD - 2018 - Karl - EWD - Power and Signal Distribution - Wiring Systems and Power Management - Ground Distribution Schematics - G100 and G101.cgm
Opel EWD - 2018 - Karl - EWD - Power and Signal Distribution - Wiring Systems and Power Management - Ground Distribution Schematics - G103, G110, G111, G112, G203, G301 and G304.cgm
Opel EWD - 2018 - Karl - EWD - Power and Signal Distribution - Wiring Systems and Power Management - Ground Distribution Schematics - G104, G105, G202 and G305.cgm
Opel EWD - 2018 - Karl - EWD - Power and Signal Distribution - Wiring Systems and Power Management - Ground Distribution Schematics - G201.cgm
Opel EWD - 2018 - Karl - EWD - Power and Signal Distribution - Wiring Systems and Power Management - Ground Distribution Schematics - G302.cgm
Opel EWD - 2018 - Karl - EWD - Power and Signal Distribution - Wiring Systems and Power Management - Ground Distribution Schematics - G303 and G306.cgm
Opel EWD - 2018 - Karl - EWD - Power and Signal Distribution - Wiring Systems and Power Management - Power Distribution Schematics - B+ Bus (1 of 2).cgm
Opel EWD - 2018 - Karl - EWD - Power and Signal Distribution - Wiring Systems and Power Management - Power Distribution Schematics - B+ Bus (2 of 2).cgm
Opel EWD - 2018 - Karl - EWD - Power and Signal Distribution - Wiring Systems and Power Management - Power Distribution Schematics - Battery Fuse Block.cgm
Opel EWD - 2018 - Karl - EWD - Power and Signal Distribution - Wiring Systems and Power Management - Power Distribution Schematics - F01UA, F36UA and F38UA Fuses and F48UA Circuit Breaker.cgm
Opel EWD - 2018 - Karl - EWD - Power and Signal Distribution - Wiring Systems and Power Management - Power Distribution Schematics - F03UA, F04UA, F17UA and F23UA Fuses and F47UA Circuit Breaker.cgm
Opel EWD - 2018 - Karl - EWD - Power and Signal Distribution - Wiring Systems and Power Management - Power Distribution Schematics - F05UA, F09UA, F10UA, F16UA, F21UA, F25UA, F26UA Fuses and F46UA Circuit Breaker.cgm
Opel EWD - 2018 - Karl - EWD - Power and Signal Distribution - Wiring Systems and Power Management - Power Distribution Schematics - F07UA, F18UA, F19UA and F20UA Fuses.cgm
Opel EWD - 2018 - Karl - EWD - Power and Signal Distribution - Wiring Systems and Power Management - Power Distribution Schematics - F12DA, F13DA, F14DA, F16DA, F17DA, F18DA and F19DA Fuses and F39DA and F42DA Circuit Breakers.cgm
Opel EWD - 2018 - Karl - EWD - Power and Signal Distribution - Wiring Systems and Power Management - Power Distribution Schematics - F14UA, F15UA, F22UA and F30UA Fuses and F43UA, F44UA and F49UA Circuit Breaker.cgm
Opel EWD - 2018 - Karl - EWD - Power and Signal Distribution - Wiring Systems and Power Management - Power Distribution Schematics - F1DA, F2DA, F3DA, F4DA, F5DA, F6DA, F7DA, F8DA, F9DA, F10DA, F11DA and F15DA Fuses.cgm
Opel EWD - 2018 - Karl - EWD - Power and Signal Distribution - Wiring Systems and Power Management - Power Distribution Schematics - F20DA, F21DA and F22DA Fuses and F43DA and F44DA Circuit Breakers.cgm
Opel EWD - 2018 - Karl - EWD - Power and Signal Distribution - Wiring Systems and Power Management - Power Distribution Schematics - F24DA, F25DA, F26DA, F27DA and F28DA Fuses and F40DA Circuit Breaker.cgm
Opel EWD - 2018 - Karl - EWD - Power and Signal Distribution - Wiring Systems and Power Management - Power Distribution Schematics - F30DA, F31DA, F32DA, F33DA, F34DA and F35DA Fuses.cgm
Opel EWD - 2018 - Karl - EWD - Power and Signal Distribution - Wiring Systems and Power Management - Power Distribution Schematics - F31UA, F32UA, F33UA, F34UA, F37UA, and F39UA Fuses.cgm
Opel EWD - 2018 - Karl - EWD - Power and Signal Distribution - Wiring Systems and Power Management - Power Distribution Schematics - Ignition Switch.cgm
Opel EWD - 2018 - Karl - EWD - Power and Signal Distribution - Wiring Systems and Power Management - Power Moding Schematics - Battery Saver Relay.cgm
Opel EWD - 2018 - Karl - EWD - Power and Signal Distribution - Wiring Systems and Power Management - Power Moding Schematics - KR73 Ignition Main Relay.cgm
Opel EWD - 2018 - Karl - EWD - Power and Signal Distribution - Wiring Systems and Power Management - Power Moding Schematics - KR74 Ignition Run Relay and KR76A Retained Accessory Power Relay.cgm
Opel EWD - 2018 - Karl - EWD - Roof - Sunroof - Sunroof (CF5).cgm
Opel EWD - 2018 - Karl - EWD - Safety and Security - Driver Assistance Systems - Lane Departure Warning (UFL).cgm
Opel EWD - 2018 - Karl - EWD - Safety and Security - Immobilizer - Immobilizer.cgm
Opel EWD - 2018 - Karl - EWD - Safety and Security - Parking Assistance Systems - Power, Ground, Serial Data, Rear Object Sensors and Controls (UD7).cgm
Opel EWD - 2018 - Karl - EWD - Safety and Security - Remote Functions - Keyless Entry (XL8).cgm
Opel EWD - 2018 - Karl - EWD - Safety and Security - Seat Belts - Seat Belts.cgm
Opel EWD - 2018 - Karl - EWD - Safety and Security - Supplemental Restraints - Front Air Bags, Sensors and Pretensioners and Passenger Disable Switch (AYC).cgm
Opel EWD - 2018 - Karl - EWD - Safety and Security - Supplemental Restraints - Power, Ground, Serial Data, Indicators and Passenger Presence.cgm
Opel EWD - 2018 - Karl - EWD - Safety and Security - Supplemental Restraints - Side Impact Sensors, Seat Air Bags and Roof Rail Air Bags (AYC).cgm
Opel EWD - 2018 - Karl - EWD - Safety and Security - Theft Deterrent - Content Theft (UTJ).cgm
Opel EWD - 2018 - Karl - EWD - Seats - Seat Heating and Cooling - Heated Seats (KA1).cgm
Opel EWD - 2018 - Karl - EWD - Steering - Power Steering - Power Steering.cgm
Opel EWD - 2018 - Karl - EWD - Steering - Steering Wheel and Column - Heated Steering Wheel (UVD).cgm
Opel EWD - 2018 - Karl - EWD - Transmission - Manual Transmission - Y4A Y4M - Neutral Position and Clutch Pedal Position Sensors.cgm
Opel EWD - 2018 - Karl - EWD - Transmission - Supplemental Manual Transmission Auto Shift (MFQ) - Transmission Control Module and Transmission Shift Lever (MFQ).cgm
Opel EWD - 2018 - Karl - Specifications - Approximate Fluid Capacities.pdf
#More Product: Opel Service Manual, Repair Manual, Electrical Wiring Diagram


