Porsche Automotive 718 Boxster 982 2024 F4-2.0L Turbo Wiring Diagram
Data Size: 9.39 MB
File Type: PDF
Language: English
Manufacturer: Porsche
Applicable Machine: Automotive-Car
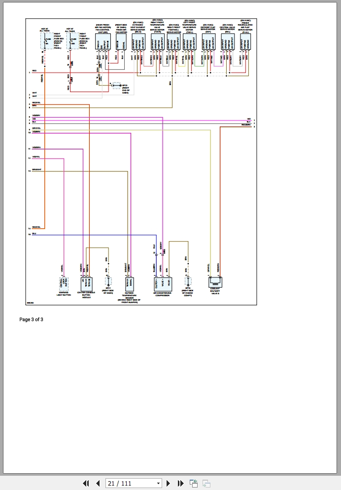
Document: Wiring Diagram, Electrical Schematic
Machine Model: Porsche 718 Boxster 982
Engine: F4-2.0L Turbo
Date: 2024
Page: 111 Pages
List Contents:
0. Cover
1. Electrical - Interactive Color (NON OE)
(Antilock Brakes _ Traction Control Systems) Anti-Lock Brakes
(Antitheft and Alarm Systems) Anti-Theft
(Body and Frame) Active Body Work - Active Rear Spoiler Circuit
(Body and Frame) Active Body Work - Virtual Engine Sound System Circuit
(Body Control Module) Body Computer - Front Controller Circuit
(Body Control Module) Body Computer - Rear Control Unit Circuit
(Collision Avoidance and Parking Assist Systems) Camera Circuit
(Collision Avoidance and Parking Assist Systems) Front Camera Circuit
(Collision Avoidance and Parking Assist Systems) Lane Change Assistance Circuit
(Collision Avoidance and Parking Assist Systems) Parking Assistant Circuit
(Collision Avoidance and Parking Assist Systems) Rear Camera Circuit
(Doors, Hood and Trunk) Trunk, Tailgate, Fuel Doors - Tailgate & Fuel Door Release Circuit
(Headlamp) Headlights - W_ LED Headlights
(Headlamp) Headlights - W_O LED Headlights
(Heating and Air Conditioning) Air Conditioning - Automatic A_C Circuit
(Horn) Horns
(Information Bus) Computer Data Lines
(Instrument Panel, Gauges and Warning Indicators) Instrument Cluster
(Instrument Panel, Gauges and Warning Indicators) Warning Systems
(Lighting and Horns) Exterior Lights - Backup Lamps Circuit
(Lighting and Horns) Exterior Lights - Exterior Lamps Circuit
(Lighting and Horns) Interior Lights
(Memory Positioning Systems) Memory Systems - Driver's Memory Seat Circuit
(Memory Positioning Systems) Memory Systems - Memory Mirrors Circuit
(Memory Positioning Systems) Memory Systems - Passenger's Memory Seat Circuit
(Memory Positioning Systems) Memory Systems - Steering Column Memory Circuit
(Mirrors) Mirrors - Auto Anti-dazzling Mirror Circuit
(Mirrors) Mirrors - Heated Mirrors Circuit
(Mirrors) Mirrors - Power Mirrors Circuit
(Navigation System) Navigation - Navigation Circuit (Base)
(Navigation System) Navigation - Navigation Circuit (Premium W_ Bose)
(Navigation System) Navigation - Navigation Circuit (Premium W_ Burmester)
(Parking Brake System) Electronic Parking Brake Circuit
(Power and Ground Distribution) Ground Distribution
(Power and Ground Distribution) Power Distribution
(Power Locks) Door Locks
(Power Steering) Electronic Power Steering - Electronic Power Steering Circuit
(Power Steering) Electronic Power Steering - Power Tilt Steering Column Circuit
(Powertrain Management) Engine Controls
(Radiator Cooling Fan) Cooling Fans
(Radio, Stereo, and Compact Disc) Sound Systems - Base Radio Circuit
(Radio, Stereo, and Compact Disc) Sound Systems - Optical Wave Guide Circuit
(Radio, Stereo, and Compact Disc) Sound Systems - Premium Radio Circuit (W_ Bose)
(Radio, Stereo, and Compact Disc) Sound Systems - Premium Radio Circuit (W_ Burmester)
(Rear Defogger) Defogger - Defogger Circuit
(Restraints and Safety Systems) Supplemental Restraints
(Seats) Seats - Driver Heated Seat Circuit
(Seats) Seats - Driver Power Seat Circuit
(Seats) Seats - Front Passenger Heated Seat Circuit
(Seats) Seats - Passenger Power Seat Circuit
(Starting and Charging) Starting_Charging - Charging Circuit
(Starting and Charging) Starting_Charging - Starting Circuit
(Steering Wheel) Heated Steering Wheel Circuit
(Sunroof _ Moonroof) Power Tops
(Suspension Control ( Automatic - Electronic )) Electronic Suspension
(Transmission and Drivetrain) Shift Interlock - Shift Interlock Circuit
(Transmission and Drivetrain) Transmissions
(Windows) Power Windows
(Wiper and Washer Systems) Wiper_Washer - Front Wiper_Washer Circuit
(Wiper and Washer Systems) Wiper_Washer - Rear Wiper Circuit


