Sany SAP60C Electrical and Hydraulic Schematics
Size: 1.6 MB
Language: English Chinese
Machine: Paver
Machine Model: SAP60C
List file:
Sany SAP60C-6.7DL Electrical Schematic 01813308 1 Pages
Sany SAP60C-8 Electrical and Hydraulic Schematics 8 Pages
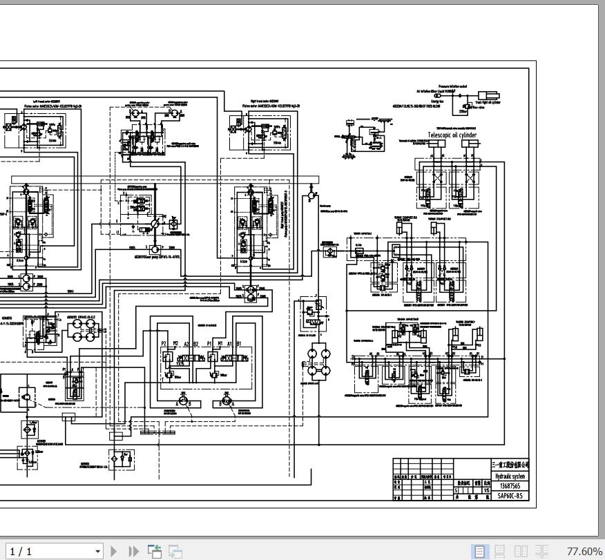
Sany SAP60C-8.5 Hydraulic Schematic 13687565 1 Pages
#More Product: Sany Operator, Parts, Service Manual



