Sany SPR260 Electrical and Hydraulic Schematic
Size: 300 KB
Language: English Chinese
Machine: Road Roller
Machine Model: SPR260
List file:
Sany SPR260.5DL Electrical Schematic 00418373 1 Pages
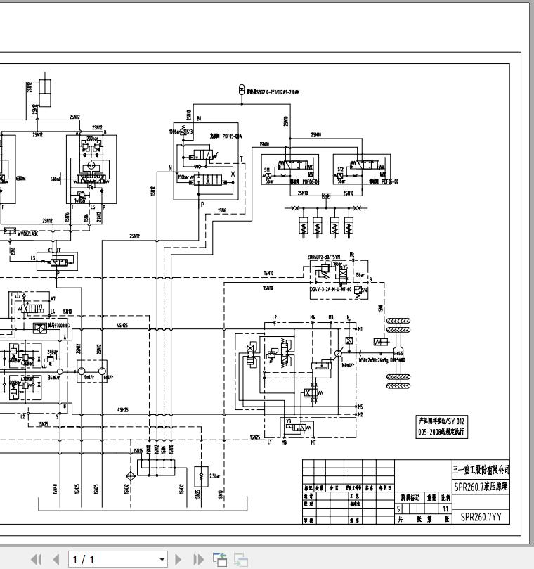
Sany SPR260.7YY Hydraulic Schematic 1 Pages
#More Product: Sany Operator, Parts, Service Manual


