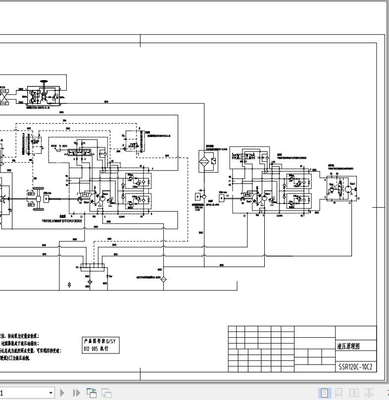
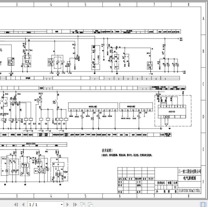
Sany SSR120C10W2.11DL Electrical and Hydraulic Schematic
Size: 646 KB
Language: Chinese
Machine: Road Roller
Machine Model: SSR120C10W2.11DL
List file:
Sany SSR120C10W2.11DL Electrical Schematic 1 Pages
Sany SSR120C10W2.11DL Hydraulic Schematic 1 Pages
#More Product: Sany Operator, Parts, Service Manual


