Sany STH0844A.4.0 Electrical and Hydraulic Schematics
Size: 5.03 MB
Machine: Telehandler
Machine Model: STH0844A.4.0
Publication Date: 2019
Page: 27 Pages
The Bookmarks of Sany STH0844A.4.0 Electrical and Hydraulic Schematics:
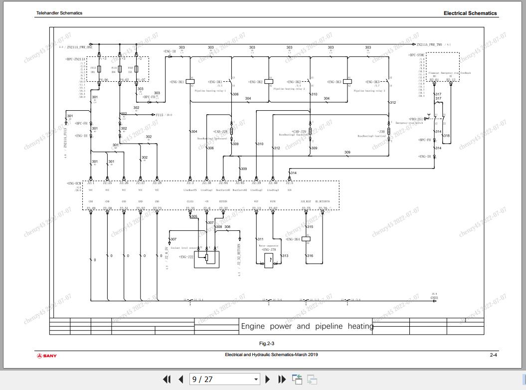
Electrical Schematics
Hydraulic Schematics
#More Product: Sany Operator, Parts, Service Manual



