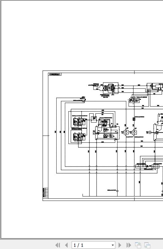
Sany STR130C Electrical and Hydraulic Schematic
Size: 596 KB
Language: English Chinese
Machine: Tandem Drum Roller
Machine Model: STR130C
List file:
Sany STR130C10W3.4 Hydraulic Schematic 1 Pages
Sany STR130C10W3.11DL Electrical Schematic 1 Pages
#More Product: Sany Operator, Parts, Service Manual


