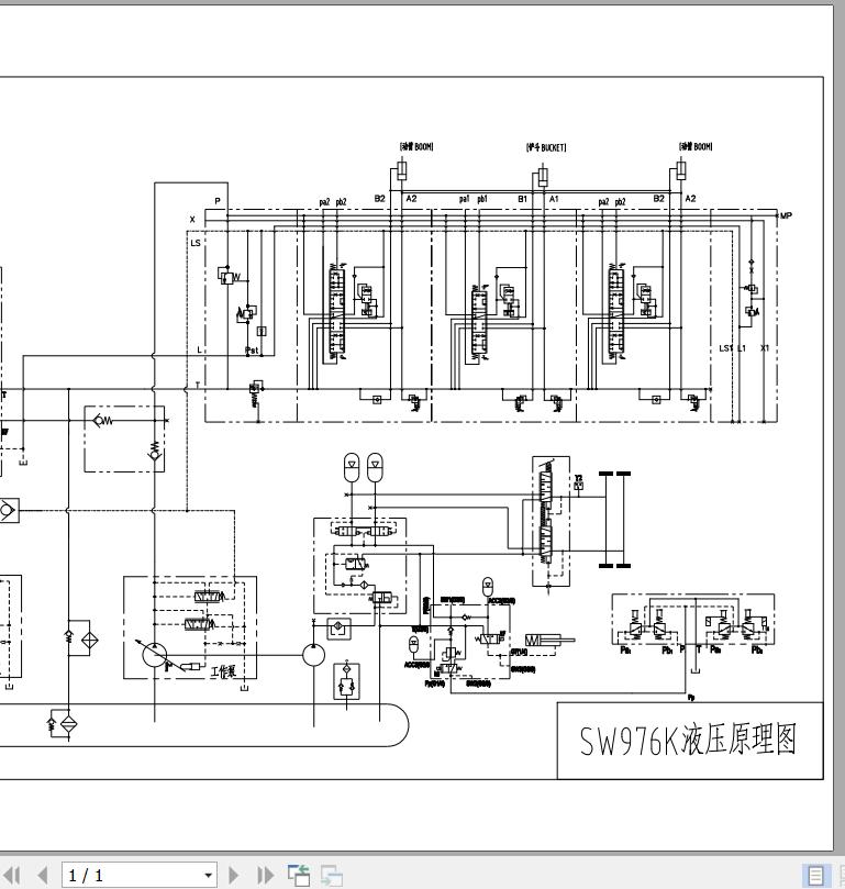
Sany SW976K Hydraulic Schematic
Size: 0.10 MB
Language: Chinese
Machine: Wheel Loader
Machine Model: SW976K
Page: 1 Pages
#More Product: Sany Operatior, Parts, Service Manual
Size: 0.10 MB
Language: Chinese
Machine: Wheel Loader
Machine Model: SW976K
Page: 1 Pages
#More Product: Sany Operatior, Parts, Service Manual

