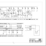
Sany SY130 Electrical Schematics
Size: 460 kB
Language: English
Machine: Crawler Excavator
Machine Model: SY130
Document: Electrical Schematics
Pages: 1 Pages
Size: 460 kB
Language: English
Machine: Crawler Excavator
Machine Model: SY130
Document: Electrical Schematics
Pages: 1 Pages

