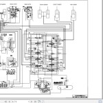
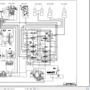
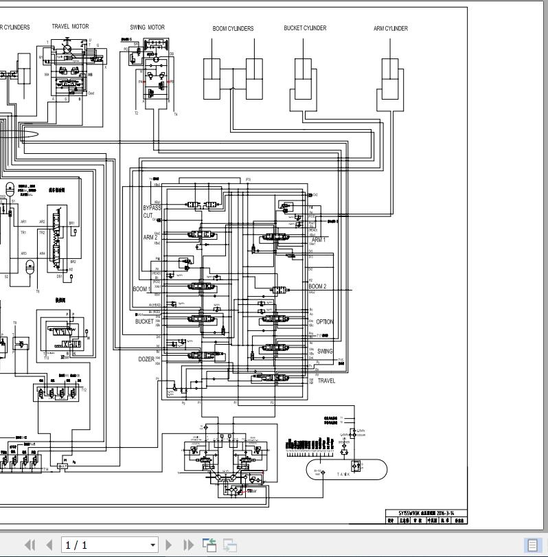
Sany SY155W9I3K Electrical and Hydraulic Schematic
Size: 568 KB
Language: English Chinese
Machine: Excavator
Machine Model: SY155W9I3K
List file:
Sany SY155W9I3K Electrical Schematic 1 Pages
Sany SY155W9I3K Hydraulic Schematic 1 Pages
#More Product: Sany Operator, Parts, Service Manual


