Sany SY16C Shop Manual
Size: 19.49 MB
Machine: Excavator
Machine Model: SY16C
Publication Date: 2014
Page: 454 Pages
The Bookmarks of Sany SY16C Shop Manual:
1 Introduction
2 Shop Safety
3 Specifications
4 Structure And Functions
5 Standard Values
6 Testing And Adjusting
7 Troubleshooting
8 Disassembly And Assembly
9 Maintenance Standard
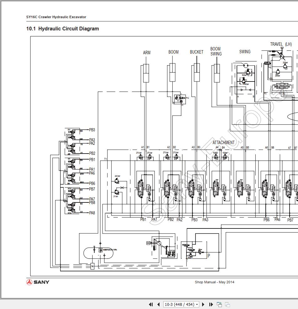
10 System Schematics
#More Product: Sany Operator, Parts, Service Manual



