Sany SY16C3Y4W(EU) SY18C3Y4W(EU) Electrical and Hydraulic Schematic
Size: 394 KB
Machine: Excavator
Machine Model: SY16C3Y4W(EU) SY18C3Y4W(EU)
List file:
Sany SY16C3K4W Electrical Schematic 1 Pages
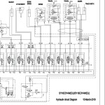
Sany SY16C3Y4W Hydraulic Schematic 1 Pages
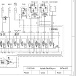
Sany SY16C3Y4W(EU) SY18C3Y4W(EU) Hydraulic Schematic 1 Pages
#More Product: Sany Operator, Parts, Service Manual



