Sany SY265C9C5K Shop Manual
Size: 14.87 MB
Machine: Excavator
Machine Model: SY265C9C5K
Publication Date: 2017
Page: 588 Pages
The Bookmarks of Sany SY265C9C5K Shop Manual:
1 Introduction
2 Shop Satety
3 Specifications
4 Structure And Functions
5 Table Of Standard Values
6 Testing And Adjusting
7 Troubleshooting
8 Disassembly And Assembly
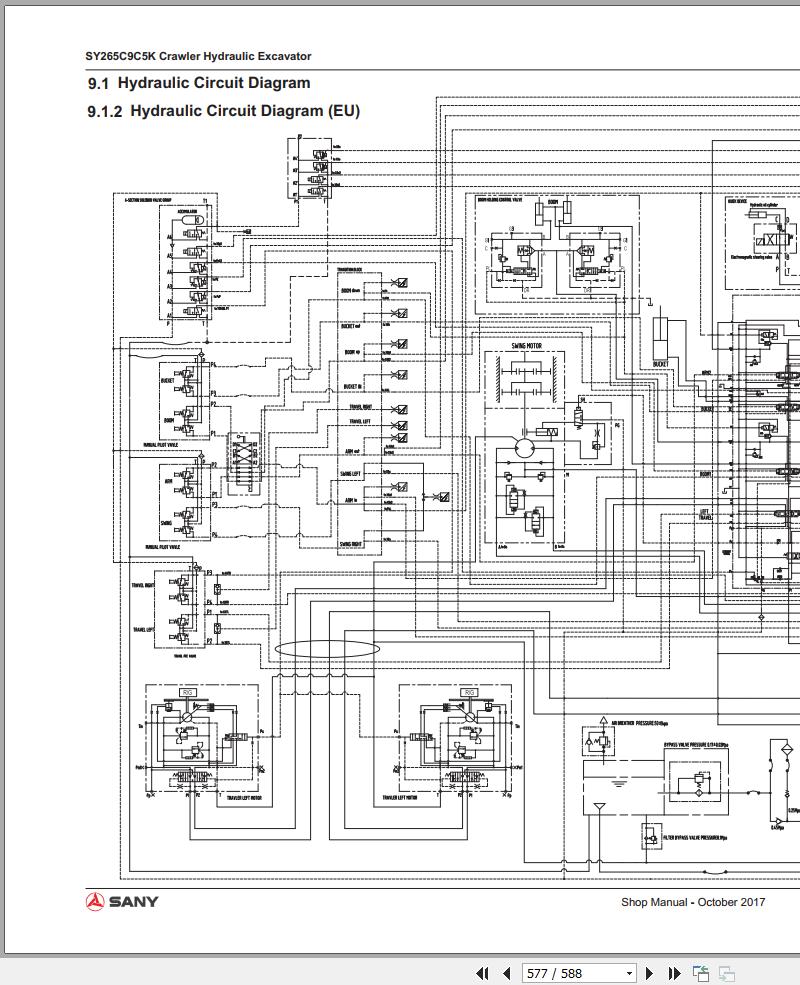
9 System Schematics
#More Product: Sany Operator, Parts, Service Manual



