Sany SY35C Electrical and Hydraulic Circuit Diagram
Size: 2.83 MB
Language: English Chinese
Machine: Excavator
Machine Model: SY35C
List file:
Sany SY35C2Y4WU.4.5E.16C Display 13797516 1 Pages ZH
Sany SY35C2Y4WU.5.1A Cab 13778230 1 Pages ZH
Sany SY35C2Y4WU.5.3A Control Swith Harness 13778220 1 Pages ZH
Sany SY35C2Y4WU.5.4A Body 13778215 1 Pages ZH
Sany SY35C2Y4WU.5.4A Wiring Harness 13778215 1 Pages ZH
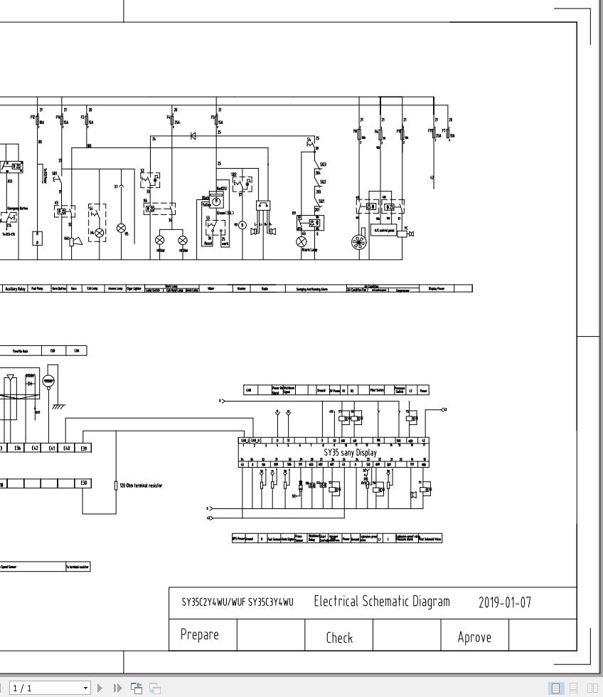
Sany SY35C2Y4WU/WUF SY35C3Y4WU Electrical Diagram 1 Pages EN
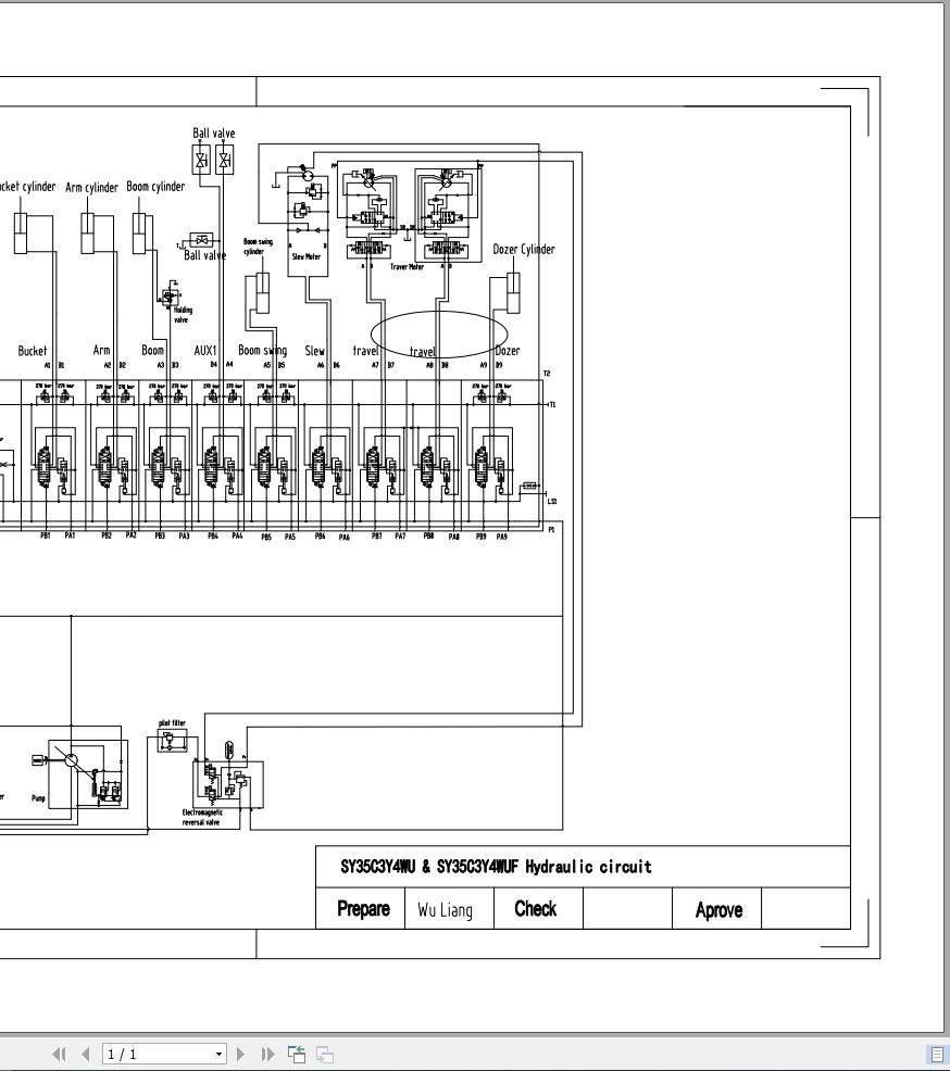
Sany SY35C3Y4WU SY35C3Y4WUF Hydraulic Diagram 1 Pages EN
#More Product: Sany Operator, Parts, Service Manual


