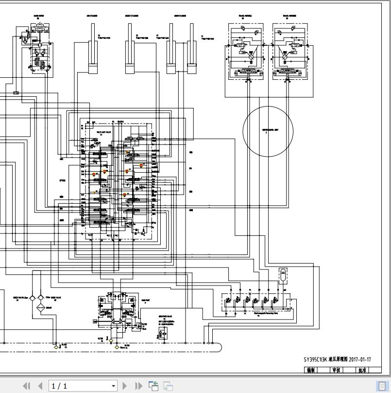
Sany SY395C1I3K Electrical and Hydraulic Schematic
Size: 0.98 MB
Laguage: English Chinese
Machine: Excavator
Machine Model: SY395C1I3K
List file:
Sany SY395C1I3K Electrical Schematic 13 Pages
Sany SY395C1I3K Hydraulic Schematic 1 Pages
#More Product: Sany Operator, Parts, Service Manual


