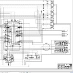
Sany SY420 SY420C Electrical and Hydraulic Schematics
Size: 0.47 MB
Language: English
Machine: Crawler Excavator
Machine Model: SY420 SY420C
Document: Electrical and Hydraulic Schematics
List file:
Sany SY420 Hydraulic Schematics
Sany SY420C Electrical Schematics
Sany SY420C.36 Electrical Schematics


