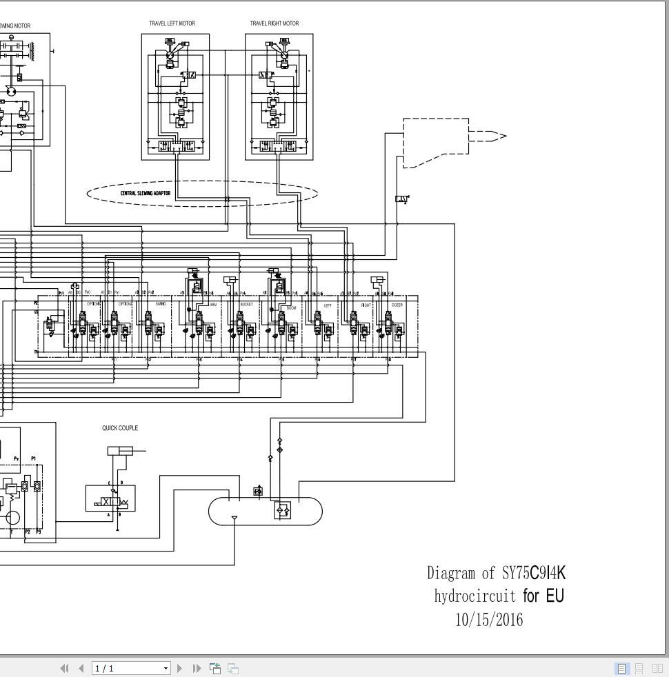
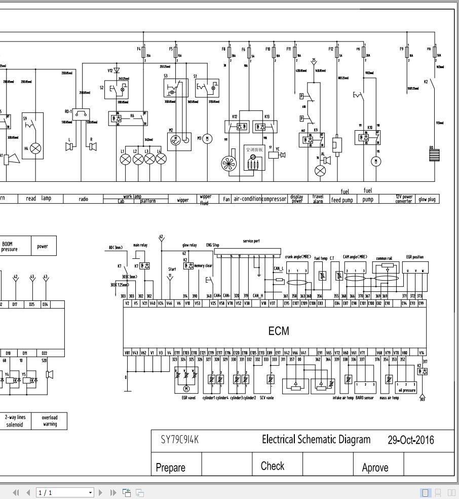
Sany SY75C9I4K Electrical and Hydraulic Schematic Diagram
Size: 240 KB
Machine: Excavator
Machine Model: SY75C9I4K
List file:
Sany SY75C9I4K Electrical Schematic Diagram 1 Pages
Sany SY75C9I4K Hydraulic Schematic Diagram 1 Pages
#More Product: Sany Operator, Parts, Service Manual


