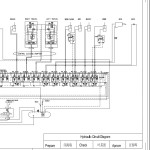
Sany SY80C1Y5LU Electrical and Hydraulic Schematic
Size: 1.67 MB
Language: English Chinese
Machine: Excavator
Machine Model: SY80C1Y5LU
List file:
Sany SY80C1Y5LU Electrical Circuit Schematic 1 Pages
Sany SY80C1Y5LU Hydraulic Circuit Schematic 1 Pages
Sany SY80C1YY5RU Connector 14284427 3 Pages ZH
#More Product: Sany Operator, Parts, Service Manual


