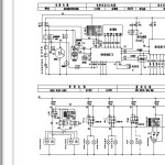
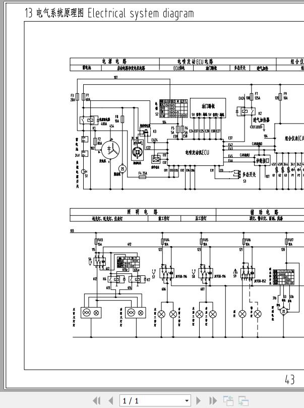
Sany SYL953H Electrical and Hydraulic Schematic
Size: 126 KB
Machine: Wheel Loader
Machine Model: SYL953H
List file:
Sany SYL953H Electrical Schematic 1 Pages
Sany SYL953H Hydraulic Schematic 1 Pages
#More Product: Sany Operator, Parts, Service Manual


