Scania K 310 IA6x2_2NB Electrical Wiring Diagrams
Data Size: 17.63 MB
File Type: PDF
Language: English
Manufacturer: Scania
Applicable Machine: Buses
Document: Electrical Wiring Diagrams, Circuit Diagrams
Machine Model: Scania K 310 IA6x2_2NB Buses
List Contents:
ACS Articulation control system [1790749-2-7].pdf (1 Pages)
ACS Articulation control system [2164253-2-2].pdf (1 Pages)
ACS Articulation control system [2531734-2-3].pdf (1 Pages)
APS Air processing system [1790753-3-6].pdf (1 Pages)
APS Air processing system [2164255-3-5].pdf (1 Pages)
BCS Bus chassis system [1540375-2-5].pdf (1 Pages)
BCS Bus chassis system [1790763-5-15].pdf (1 Pages)
BMS Brake management system _ Electronic brake system [1540004-2-1].pdf (1 Pages)
BMS Brake management system _ Electronic brake system [1790752-6-4].pdf (1 Pages)
BMS Brake management system _ Electronic brake system [2164258-4-1].pdf (1 Pages)
BMS Brake management system _ Electronic brake system [2531739-4-1].pdf (1 Pages)
BWE Bodywork electrical system _ Bodywork comms interface [2164260-4-1].pdf (1 Pages)
BWE Bodywork electrical system _ Bodywork comms interface [2531741-5-4].pdf (1 Pages)
COO Coordinator [1540009-9-1].pdf (1 Pages)
COO Coordinator [1790757-12-2].pdf (1 Pages)
COO Coordinator [1800801-11-17].pdf (1 Pages)
COO Coordinator [2164261-13-3].pdf (1 Pages)
COO Coordinator [2531742-6-2].pdf (1 Pages)
EEC Exhaust emission control syst [1910151-3-2].pdf (1 Pages)
EEC Exhaust emission control syst [2164263-3-4].pdf (1 Pages)
EEC Exhaust emission control syst [2164264-2-6].pdf (1 Pages)
EMS Engine management system [1446131-1-10].pdf (1 Pages)
EMS Engine management system [1501036-6-1].pdf (1 Pages)
EMS Engine management system [1766204-3-1].pdf (1 Pages)
EMS Engine management system [1790761-3-8].pdf (1 Pages)
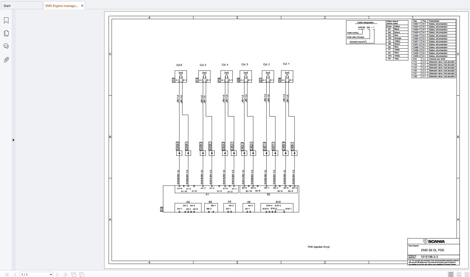
EMS Engine management system [1915198-3-3].pdf (1 Pages)
EMS Engine management system [2164265-3-2].pdf (1 Pages)
EMS Engine management system [2164266-3-1].pdf (1 Pages)
FHS Fuel heater system [1784566-2-6].pdf (1 Pages)
GMS Gearbox management system [1790758-4-10].pdf (1 Pages)
GMS Gearbox management system [1903134-2-5].pdf (1 Pages)
GMS Gearbox management system [2164276-2-6].pdf (1 Pages)
GMS Gearbox management system [2164278-2-3].pdf (1 Pages)
GMS Gearbox management system [2531758-1-4].pdf (1 Pages)
ICL Instrument cluster [1430954-2-17].pdf (1 Pages)
ICL Instrument cluster [1773379-2-9].pdf (1 Pages)
ICL Instrument cluster [1790754-2-1].pdf (1 Pages)
ICL Instrument cluster [2164279-1-6].pdf (1 Pages)
POW Power supply system [1395800-7-6].pdf (1 Pages)
POW Power supply system [1540001-2-1].pdf (1 Pages)
POW Power supply system [1790748-7-1].pdf (1 Pages)
POW Power supply system [2164281-4-1].pdf (1 Pages)
POW Power supply system [2531761-5-2].pdf (1 Pages)
RTC Scania Communicator [1880759-1-6].pdf (1 Pages)
RTC Scania Communicator [2164283-1-5].pdf (1 Pages)
RTC Scania Communicator [2531763-1-4].pdf (1 Pages)
SMS Suspension management system _ Electronic level control syst [1540003-2-1].pdf (1 Pages)
SMS Suspension management system _ Electronic level control syst [1790750-4-6].pdf (1 Pages)
SMS Suspension management system _ Electronic level control syst [2164286-5-2].pdf (1 Pages)
TCO Tachograph [1790756-3-3].pdf (1 Pages)
TCO Tachograph [1851839-4-2].pdf (1 Pages)
TCO Tachograph [2164287-6-1].pdf (1 Pages)
TCO Tachograph [2531766-4-1].pdf (1 Pages)
TPM Tyre pressure monitoring [1851945-1-6].pdf (1 Pages)
VIS Visibility system [1428523-8-2].pdf (1 Pages)
VIS Visibility system [1790755-6-2].pdf (1 Pages)
VIS Visibility system [2164291-6-3].pdf (1 Pages)
VIS Visibility system [2164292-1-2].pdf (1 Pages)
VIS Visibility system [2531769-4-2].pdf (1 Pages)
WCS Weight checking system [1942739-2-3].pdf (1 Pages)


