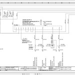
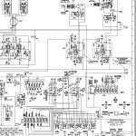
Sennebogen 6100 6100.5.207 Electric and Hydraulic Wiring Diagram
Size: 7.69 MB
Language: English Deutsch
Machine: Crawler Crane
Machine Model: 6100
Machine Number: 6100.5.207
Document: Electric and Hydraulic Wiring Diagram
#Contact for online support:
Email: Admin@autoepcsoft.org or autoepcsoftorg@gmail.com
WeChat ID: Autoepcsoftorg
Telegram ID: Autoepcsoft.org
Facebook: Autoepcsoft.org
Skype: Autoepcsoftorg@gmail.com
Whatsapp: Autoepcsoft.org



