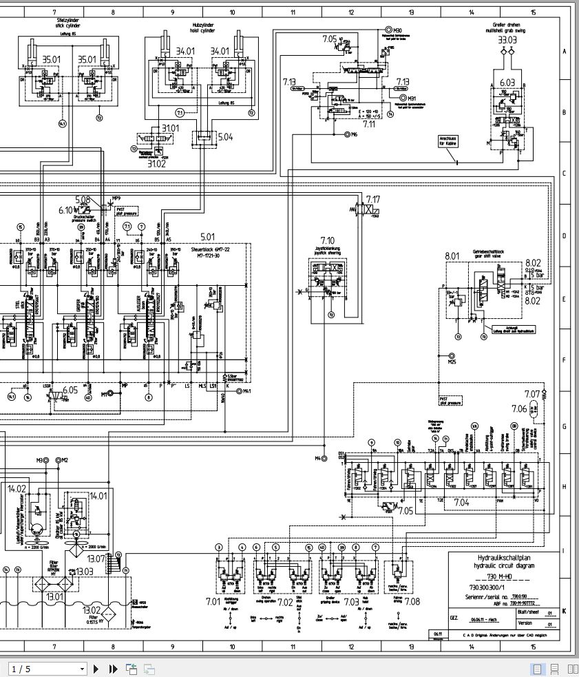
Sennebogen 730 730.0.130 Electric and Hydraulic Wiring Diagram
Size: 3.40 MB
Language: English Deutsch
Machine: Material Handlers
Machine Model: 730
Machine Number: 730.0.130
Document: Electric and Hydraulic Wiring Diagram
#Contact for online support:
Email: Admin@autoepcsoft.org or autoepcsoftorg@gmail.com
WeChat ID: Autoepcsoftorg
Telegram ID: Autoepcsoft.org
Facebook: Autoepcsoft.org
Skype: Autoepcsoftorg@gmail.com
Whatsapp: Autoepcsoft.org



