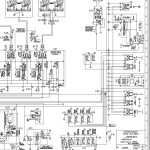
Sennebogen 830 830.0.1242 Electric and Hydraulic Wiring Diagram
Size: 7.00 MB
Language: English Deutsch
Machine: Material Handlers
Machine Model: 830
Machine Number: 830.0.1242
Document: Electric and Hydraulic Wiring Diagram
#Contact for online support:
Email: Admin@autoepcsoft.org or autoepcsoftorg@gmail.com
WeChat ID: Autoepcsoftorg
Telegram ID: Autoepcsoft.org
Facebook: Autoepcsoft.org
Skype: Autoepcsoftorg@gmail.com
Whatsapp: Autoepcsoft.org



