Takeuchi TB014 TB016 Operators Parts Workshop Manual
Size: 125 MB
Language: English, Spanish
Document: Operators Manual,Parts Manual,Workshop Manual
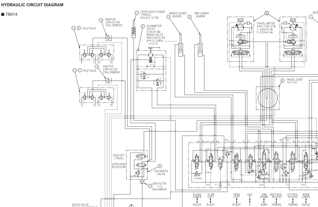
Machine: Excavator
Machine Model: TB014 TB016
Contents:
Spanish:
Manual de operario
Manual de repuestos
Manual de taller
English:
Operators Manual
Parts Manual
Workshop Manual




