Takeuchi TB014 TB016 Workshop Parts Operators Manual
Size: 112 MB
Language: English, Italian
Document: Workshop Manual,Parts Manual,Operators Manual
Machine: Excavator
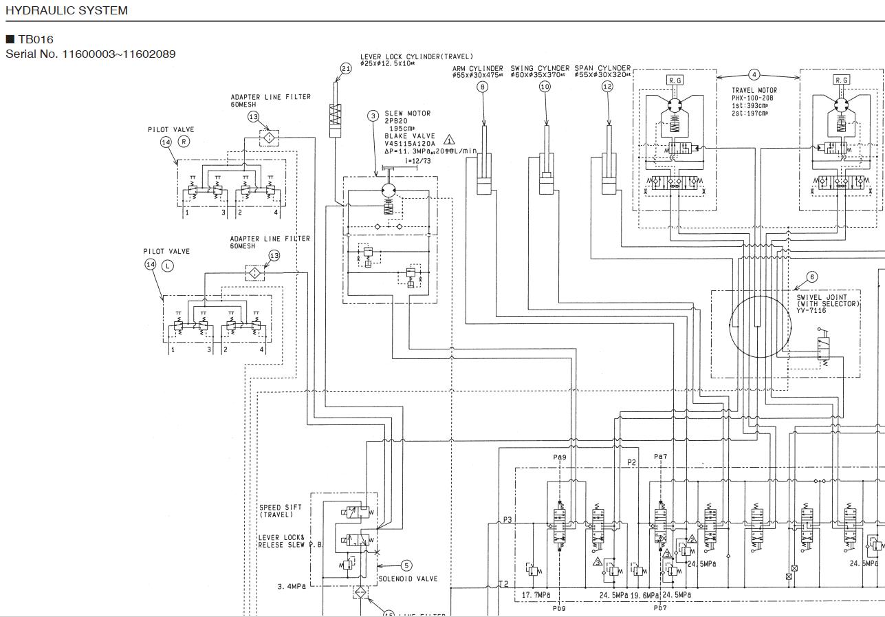
Machine Model: TB014 TB016
Contents:
Italian:
Cataloghi dei pezzi di ricambi
Manuale dell´operatore
Manuale di manutenzione
English:
Parts Manual
Operators Manual
Workshop Manual




