Takeuchi TB015 Operators Parts Workshop Manual
Size: 27.0 MB
Document: Operators Manual,Parts Manual,Workshop Manual
Machine: Excavator
Machine Model: TB015
Contents:
Engine for TB015 (38 Pages)
Takeuchi TB015 Operator Manual OC3-106E0 (100 Pages)
Takeuchi TB015 Parts Manual PC3-101Z6 (189 Pages)
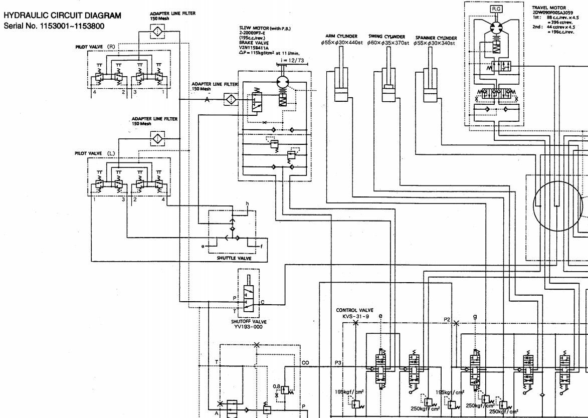
Takeuchi TB015 Workshop Manual WC3-101E5 (328 Pages)




