Takeuchi TB015 Workshop Operators Parts Manual
Size: 27.0 MB
Document: Workshop Manual,Operators Manual,Parts Manual
Machine: Excavator
Machine Model: TB015
Contents:
Engine for TB015 (38 Pages)
TB015 Operators Manual OC3-106E0 (100 Pages)
TB015 Parts Manual PC3-101Z6 (189 Pages)
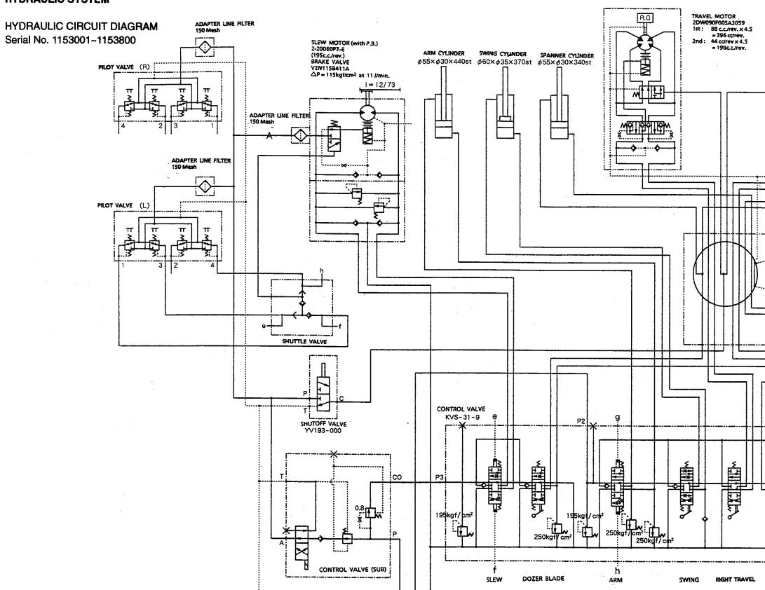
TB015 Workshop Manual WC3-101E5 (328 Pages)




